
IQ Switch®
ProxFusion® Series
IQS7222_EV02C USER GUIDE
IQ Switch® – ProxFusion® Series

1 Introduction
This user guide describes the operation of the IQS7222_EV02C Evaluation Kit. The EV-Kit consists of eight parts:
- IQS7222A Inductive Coil & Slider x 1
- IQS7222B Twenty Button x 1
- IQS7222C Buttoned Wheel x 1
- CT210A x 1
- IQS7222A Stamp x 1
- IQS7222B Stamp x 1
- IQS7222C Stamp x 1
- IQS7222D Stamp x 1
- IQS722XY IC x 5
To visualise raw data from the EV-Kit, the module board can be interfaced to any personal computer with USB support, along with the CT210A and the relevant IQS7222A/B/C software Graphical User Interface (GUI) available to download from the Azoteq website. The purpose of the IQS7222_EV02C EV-Kit is to help application and development engineers in evaluating these IC’s capabilities. A picture of the evaluation kit is shown below.

2 Stamps
To interface the IQS7222A/B/C/D Stamp to a PC we advise using the CT210A. This EV Kit can be setup with the following steps:
- Download & Install GUI from Azoteq website
- Plug the stamp board into the CT210A as shown below


- Connect the CT210A to the PC with a USB cable (use USB data cable only)
- Run the IQS7222A/B/C/D GUI (latest version available from the www.azoteq.com website)
- Click “Start Streaming” button
- GUI should look as follow.




3 Module Careful Consideration
Please note following picture when IQS7222A/B/C modules are plugged into the CT210A.
Take care in ensuring pin alignment is correct as shown in picture below.
The pin on the right must line up directly below the black triangle (shown below as white triangle to clearly indicate) on the CT210A.

4 Setting up for the IQS7222A Inductive Coil & Slider
To interface the IQS7222A module to a PC we advise using the CT210A. This EV Kit can be setup with the following steps:
- Download GUI and Header files from Azoteq website
o azoteq_iqs7222a_setup.zip
o iqs7222a_header_files.zip - Install GUI on PC
- Unzip iqs7222a_header_files.zip file to obtain header files
- Plug the Module into the CT210A (Please ensure pin 1 from module line-up with black triangle as shown earlier)
- Connect the CT210A to the PC with a USB cable (use USB data cable only)
- Run the IQS7222A GUI (latest version available from the www.azoteq.com website)
- Click “Start Streaming” button
- Click “IMPORT H FILE”
- Browse to “IQS7222A_Inductive_Coil_and_Slider.h” file and click Open
- Click “ACK RESET”
- Click “ATI ALL AND READ”
- GUI should look as follow.
Small Rectangular Coil is represented by CH0
Big Circular Coil is represented by CH7
4 Channel Slider on Module is represented by CH1, CH3, CH6 and CH8
Magnet placement is represented by CH10 and CH11
Use the included Perspex with conductive tape on to place on Coil.
To interface the IQS7222B Stamp to a PC we advise using the CT210A. This EV Kit can be setup with the following steps:
- Download GUI and Header files from Azoteq website
o azoteq_iqs7222b_setup.zip
o iqs7222b_header_files.zip - Install GUI on PC
- Unzip iqs7222b_header_files.zip file to obtain header files
- Plug the Module into the CT210A (Please ensure pin 1 from module line-up with black triangle as shown earlier)
- Connect the CT210A to the PC with a USB cable (use USB data cable only)
- Run the IQS7222B GUI (latest version available from the www.azoteq.com website)
- Click “Start Streaming” button
- Click “IMPORT H FILE”
- Browse to “IQS7222B_20_Button.h” file and click Open
- Click “ACK RESET”
- Click “ATI ALL AND READ”
- GUI should look as follow.

The buttons on the module match up to the CH number in the GUI via the following table:
| Module | GUI |
| 1 | 17 |
| 2 | 12 |
| 3 | 7 |
| 4 | 2 |
| 5 | 19 |
| 6 | 14 |
| 7 | 9 |
| 8 | 4 |
| * | 16 |
| 9 | 11 |
| 0 | 6 |
| # | 1 |
| A | 18 |
| B | 13 |
| C | 8 |
| D | 3 |
| < | 15 |
| ∧ | 10 |
| ∨ | 5 |
| > | 0 |
To interface the IQS7222C Stamp to a PC we advise using the CT210A. This EV Kit can be setup with the following steps:
- Download GUI and Header files from Azoteq website
o azoteq_iqs7222c_setup.zip
o iqs7222c_header_files.zip - Install GUI on PC
- Unzip iqs7222c_header_files.zip file to obtain header files
- Plug the Module into the CT210A (Please ensure pin 1 from module line-up with black triangle as shown earlier)
- Connect the CT210A to the PC with a USB cable (use USB data cable only)
- Run the IQS7222C GUI (latest version available from the www.azoteq.com website)
- Click “Start Streaming” button
- Click “IMPORT H FILE”
- Browse to “IQS7222C_Buttoned_Wheel.h” file and click Open
- Click “ACK RESET”
- Click “ATI ALL AND READ”
- GUI should look as follow.

The buttons on the module match up to the CH number in the GUI via the following table
| Module | GUI |
| Button Top Left | CH7 |
| Button Top Right | CH8 |
| Button Bottom Left | CH6 |
| Button Bottom Right | CH9 |
| Wheel/Slider | CH0,1,2,3,4 |
7 Reference Designs

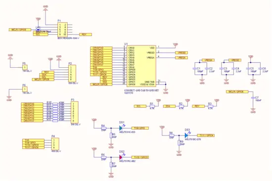
Figure 7-1 IQS7222A/B/C/D QFN20 Stamp Layout

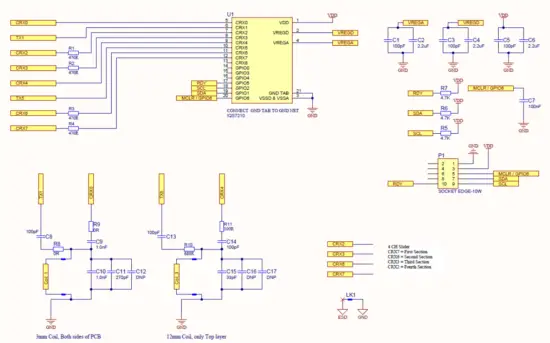
Figure 2 Inductive Coil & Slider
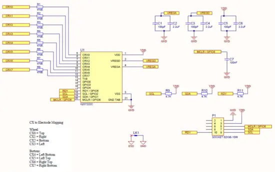
Figure 3 Twenty Button

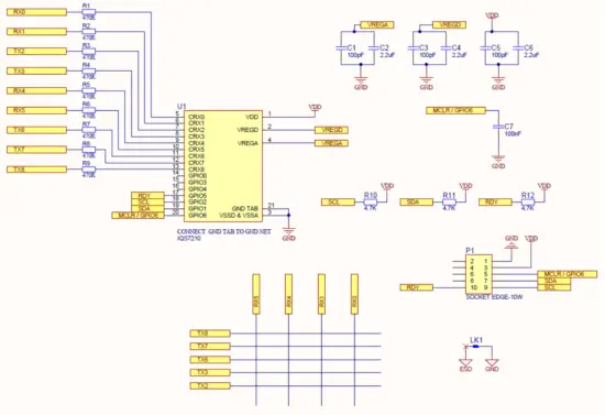
Figure 4 Buttoned Wheel
| USA | Asia | South Africa | |
| Physical Address | 11940 Jollyville Suite 120-S Austin TX 78750 USA | Room 501A, Block A, T-Share International Centre, Taoyuan Road, Nanshan District, Shenzhen, Guangdong, PRC | 1 Bergsig Avenue Paarl 7646 South Africa |
| Postal Address | 11940 Jollyville Suite 120-S Austin TX 78750 USA | Room 501A, Block A, T-Share International Centre, Taoyuan Road, Nanshan District, Shenzhen, Guangdong, PRC | PO Box 3534 Paarl 7620 South Africa |
| Tel | +1 512 538 1995 | +86 755 8303 5294 ext 808 | +27 21 863 0033 |
| [email protected] | [email protected] | [email protected] |
Visit www.azoteq.com
for a list of distributors and worldwide representation.
Patents as listed on www.azoteq.com/patents-trademarks/ may relate to the device or usage of the device.
Azoteq®, Crystal Driver®, IQ Switch®, ProxSense®, ProxFusion®, LightSense™, SwipeSwitch™, and the logo are trademarks of Azoteq.
The information in this Datasheet is believed to be accurate at the time of publication. Azoteq uses reasonable effort to maintain the information up-to-date and accurate, but does not warrant the accuracy, completeness or reliability of the information contained herein. All content and information are provided on an “as is” basis only, without any representations or warranties, express or implied, of any kind, including representations about the suitability of these products or information for any purpose. Azoteq disclaims all warranties and conditions with regard to these products and information, including but not limited to all implied warranties and conditions of merchantability, fitness for a particular purpose, title and non-infringement of any third party intellectual property rights. Azoteq assumes no liability for any damages or injury arising from any use of the information or the product or caused by, without limitation, failure of performance, error, omission, interruption, defect, delay in operation or transmission, even if Azoteq has been advised of the possibility of such damages. The applications mentioned herein are used solely for the purpose of illustration and Azoteq makes no warranty or representation that such applications will be suitable without further modification, nor recommends the use of its products for application that may present a risk to human life due to malfunction or otherwise. Azoteq products are not authorized for use as critical components in life support devices or systems. No licenses to patents are granted, implicitly, express or implied, by estoppel or otherwise, under any intellectual property rights. In the event that any of the abovementioned limitations or exclusions does not apply, it is agreed that Azoteq’s total liability for all losses, damages and causes of action (in contract, tort (including without limitation, negligence) or otherwise) will not exceed the amount already paid by the customer for the products. Azoteq reserves the right to alter its products, to make corrections, deletions, modifications, enhancements, improvements and other changes to the content and information, its products, programs and services at any time or to move or discontinue any contents, products, programs or services without prior notification. For the most up-to-date information and binding Terms and Conditions please refer to www.azoteq.com.
Copyright © Azoteq (Pty) Ltd 2022. IQS7222_EV02C User Guide
All Rights Reserved. Revision 1.0
February 2022
IQ Switch®


















