PULiTE SBN Series Vertical Multistage Centrifugal Pumps Instruction Manual

EC DECLARATION OF CONFORMITY
according to the following EC Directives
- Machinery Directive: 2006/42/EC
- Low Voltage Directive: 2014/35/EU
- Electromagnetic Compatibility Directive: 2014/30/EU
Complies with (EU) No 547/2012 and meets European Directive: 2009/125/EC CE
We, STAIRS INDUSTRIAL CO., LTD. as manufacturer declares that the machine described hereafter:
Vertical Multistage Centrifugal In -line Pumps
Series SB/SBI/SBN 1, 3, 5, 10, 15, 20, 32, 45, 64, 90, 120, 150 Provided that it is used and maintained in accordance with the general accepted codes of good practice and the recommendations of the instructions manual, meet the essential safety and health requirements of the Machinery
Directive, Low Voltage Directive and Electromagnetic Compatibility Directive.
For the most specific risks of this machine, safety and compliance with the essential requirements of the Directive has been based on elements of:
- EN ISO 12100:2010 / Safety of machinery – General principles for design – Risk assessment and risk reduction
- EN 60204-1 :2018 / Safety of machinery – Electrical equipment of machines – Part 1: General requirements
- EN 809:1998 +A1 :2009 / Pumps and pump units for liquids – Common safety requirements
- EN ISO 13857:2019 / Safety of machinery – Safety distances to prevent hazard zones being reached by upper and lower limbs
- EN ISO 14120:2015 / Safety of machinery – Guards – General requirements for the design and construction of fixed and movable guards
- EN 61000-6-2:2005 / Electromagnetic compatibility- Part 6-2: Generic standards – Immunity for industrial environments
- EN 61000-6-4:2007+A1 I Electromagnetic compatibility- Part 6-4: Generic standards – Emission standard for industrial environments
- EN 60335-1 :2012/A13:2017 / Household and similar electrical appliances – Safety – Part 1: General requirements
- IEC 60335-2-41 :2012 / Household and similar electrical appliances – Safety – Part 2-41: Particular requirements for pumps
Signature : Mr. S. C. HUANG
Responsibility : President
Dale : June, 2021
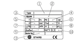
1. Model numbering and nameplate format
1.1 Model numbering
1.2 Nameplate format
- Pump Type – Seal Type
- Pump Model
- Frequency
- Rated Power
- Speed
- Maximum Head
- Capacity
- Head Range
- Maximum Operating Pressure
- Rotating Direction
- Serial Number
2. Handling
Readthese instructions carefully before beginning installation. Lift and handle these pumps carefully. SB, SBI & SBN series are vertical multi-stage non-self priming pumps coupled with standard electric motors. This manual applies to tandard version pumps and for standard applications. Contact your supplier or the factory for information about special pump versions and applications.
3. Applications
SB, SBI, SBN series in-line pumps booster pumps are designed for a wide range of applications in various industries – for water treatment, water boosting, water supply, cooling, cleaning, etc.
3.1 Pumped liquids
The pumps are designed for use with clean, viscous and non-explosive liquids that do not contain abrasive matter.
warning These pumps are not designed to be used with abrasive, solid containing, explosive and corrosive liquids. For special application, please contact your supplier or the factory.
4. Technical data
4.1 Temperatures
► Ambient temperature: 0°C to +50°C mg If ambient temperatures are above +40 degrees C, or if the pump is located at elevations more than 1,000 meters above sea level, the motor’s output must be decreased to compensate for less effective cooling, and may have to be replaced with a stronger motor.
► Liquid temperature: -15°C to +120°C 4.2 Maximum operating pressure
► Refer to page 8
4.3 Mni mum inlet pressure -NPSH
VERTICAL MULTISTAGE CENTRIFUGAL PUMPS
► To avoid cavitation, make sure that there is a minimum pressure on the suction side of the pump.
NPSHA: Net Positive Suction head Available
–The net positive suction head available is a function of the pump suction system. NPSHR: Net Positive Suction head required
–The net positive suction head required is a function of the pump design at the operating point on the pump performance curve.
NPSHA=Ha ·Hs ·Hf·Hv·Hst Gn meters head}
Ha: Barometric pressure.(That can be set to 10.2 m.}
Hs: Suction lift.
Hf: Friction loss in suction pipe.
Hv =KT+KH: Vapor pressure
KT: Flow resistance due to liquid temperature.
KH: Flow resistance due to elevation above sea level.
If the liquid is water, you can consult the tables to determine the values of KT and KH.
Hst: Safety margin. (minimum: 0.5 meters head}
NPSH AS: NPSH R: Pump running will be fine.
NPSH A V NPSH •: The pump will be dry running or cavitating.
WARNING Stop operation of the pump if cavitation occurs. Cavitation will cause pump damage and the resultant damage is not subject to warranty
4.4 Minimum nominal flow rate
To prevent overheating of the internal pump components, the pump should not be used at flows below the minimum flow rate.
WARNING Do not run the pump against a closed discharge valve for longer than a few seconds.
The curve below shows the minimum flow rate as a percentage of the nominal flow rate in relation to the liquid temperature ..
4.6 Electrical data
See the motor nameplate. MM
WARNING Make sure that the supply voltages, phase and frequencies correspond to the motor specifications.
4.7 Number of starts per hour
Motors up to and including 4 kW: Maximum 100 times per hour.
Motors of 5.5 kW and up: Maximum 40 times per hour ..
i\¼iij~@@ If you use another brand of motor then check the manufacturer’s instructions for the maximum frequency of starts.
5. Inst II ti n
Always refer to the local or national regulations and codes relating to the selection of the installation site, the water and power connections, etc.
5. 1 Position
Pumps should be installed in a protected environment – not exposed to weather. Make sure that there are no obstructions to prevent proper motor cooling.
5.2 Anchoring
The pump must be secured to a solid foundation by bolts through the holes in the flange or base plate.
An illustration of page 9 shows the bolt location and the pipe connections.
5.3 Installation example
When positioning and installing the pump, follow the installation examples next page in order to avoid damaging the pump.
6. Electrical connection
► All electrical connection should be in accordance with the local regulations and made by a qualified electrician.
► Make sure that the supply voltages and frequencies, and phase are suitable for the motor used.
► Before proceeding, make sure that all the connections are grounded and well insulated.
► Overload protection should be provided.
► To connect, proceed as shown on the inside of the terminal board cover.
► The terminal box can be turned to four positions.
► Check the direction of rotation (Three-phase motor only).
► Make sure that the controls are properly grounded.
► To avoid the possibility of dry running, we strongly recommend installing dry running protection.
7. Startu
The pump and suction pipe should be filled with the liquid to be pumped before start-up to prevent dry running at start-up.
Dry running can damage the pump bearing and shaft seal.
7.1 Operation
► Start the pump and check the direction of rotation of the motor (Three -Phase motors).
► Start the pump, keeping the on-off valve of the discharge side of the pump closed. Then, open the on-off valve slowly. The pump must run smoothly and noiselessly. If not, then it may be necessary re-prime the pump.
► Check the current drawn of the motor. If necessary, adjust the setting of the thermal relay.
► Any air pockets trapped inside the pump may be released by adjusting the air screw.
WARNING If the pump is installed in a location where it is subject to freezing when not in operation, then the pump and the pipe system should
be drained to prevent damage from freezing.
7.2 Others (Only for SB, SBI, SBN 1, 3, 5 series)
► For these pumps, it is advisable to open the
► bypass valve during start-up. The bypass valve connects the suction and discharge sides of the pump, thus making the filling procedure easier.
When the operation is stable, the bypass valve can be closed.
If the pumped liquids contains air, it is advisable to leave the bypass valve open if the operating pressure is lower than 6 kg/cm’. If the operating pressure constantly exceeds 6 kg/cm’, the bypass valve must be closed.
Otherwise the material at the opening will be worn because of the high liquid velocity.
B. Maintenance
WARNING Before starting maintenance work on the pump, the motor, or other parts of the system, make sure that the power supply has been switched off.
► The pump does not have a recommended scheduled maintenance schedule.
► If the motor is fitted with grease nipples, then the motor should be lubricated with a high temperature lithium-based grease. If not, then the motor does not require regular maintenance.
► If the pump and motor are used infrequently with long intervals of non-operation, then we recommend that the motor be greased.
► Coupling adjustment: Refer to page 10 and 11.
9,, Trou leshooting
Maximum O eratin Pressure and inlet Pressure
SB, SBI, SBN 1 , 3, 5 Coupling adjustment
SB, SBI, SBN 1 0, 15, 20 Couplingidjustments
SB, SBI, SBN 32, 46 64, 901 20, 1 50Coupling adjustment s




































