JMS JET-P Centrifugal Electric Pumps Instruction Manual
DECLARATION OF CONFORMITY
The Company JMS s.r.l – 42020 Montecavolo (RE) – ITALY – declares under its own responsibility that the above-mentioned products comply with, including the latest modifications. and with the respective regulations assimilate:
- 2006/42/CE
Models with nominal horsepower (P2) inferior to 2,2 kW (P2<2,2 kW – V/Hz rated, curve point at Qmax: LpA measured ≤70 dBa/R:1m – H:1,6m). Models with nominal horsepower (P2) equal/higher to 2,2 kW (P2≥2,2 kW – V/Hz rated, curve point at Qmax: LpA measured ≤80 dBa/R:1m – H:1,6m). - 2014/35/EU – 2014/30/EU – 2000/14/CE (D.Lgs 262/02 art.13) Models with nominal horsepower (P2) inferior to 2,2 kW (P2<2,2 kW – V/Hz rated, curve point at Qmax) LWA measured 84 dBA/LWA guaranteed 85dBA. Models with nominal horsepower (P2) equal/higher to 2,2 kW (P2≥2,2 kW – V/Hz rated, curve point at Qmax) LWA measured 94 dBA/LWA guaranteed 95dBA.
Applied harmonized standards:
- EN60335-1
- EN60335-2-41
- EN12100-1
- EN12100-2
- EN61000-6-3
- EN62233
- EN13831
- EN ISO 3744
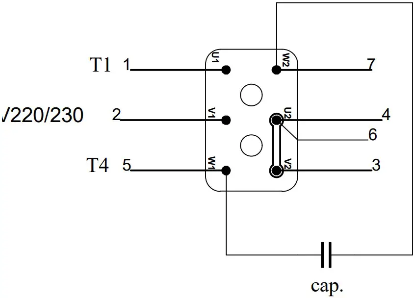
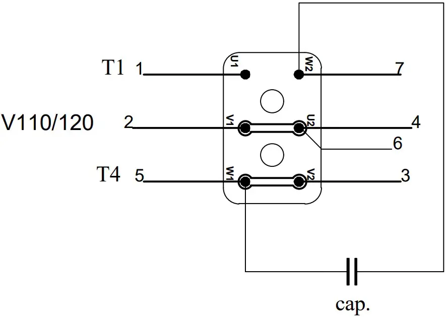
WIRING CONNECTION MONOFASE
MOTORE A 7 FILI 7 WIRE MOTOR
- Marrone/Brown
- Bianco/White
- Blu/Blue
- Rosso/Red
- Nero/Black
- Verde/Green
- Giallo/Yellow

MOTORE A 7 FILI 7 WIRE MOTOR
- Marrone/Brown
- Bianco/White
- Blu/Blue
- Rosso/Red
- Nero/Black
- Verde/Green
- Giallo/Yellow




GENERAL POINTS
Read this documentation carefully before installation.
Installation and functioning must comply with local and national safety regulations in force in the country where the product is to be installed.
The entire operation must be carried out in a workmanlike manner.
Failure to comply with the safety regulations not only causes risk to personal safety and damage to the equipment, but also invalidates any right to warranty assistance.
Keep this manual in a safe place for further consultation even after the first installation
PRELIMINARY INSPECTION
‘Unpack and check that it is In perfect condition.
Also check that the data on the rating plate correspond to the required data.
If there is any problem contact the supplier immediately, specifying the type of fault.
CAUTION: if there is any doubt about the safety of the machine, do not use it.
APPLICATIONS
These pumps are recommended for pumping, cIean water and chemically, non aggressive fluids. They must be used in compliance with iocai iaws.
These pumps cannot be used in swimming pools, ponds or tanks in which people are present, or for pumping hydrocarbons (petrol, diesel fuel, fuel oils, solvents, etc.) in accordance with the accident-prevention regulations in force.
PUMPED FLUIDS
The machine has been designed and built for pumping water, free from explosive substances, and solid particles or fibres, with a density of 1 Kg/dm3 and a kinematic viscosity of 1mm2/s, and chemically non aggressive liquids.
TECHNICAL DATA AND USE LIMITATIONS
- Supply voltage: see electric data plate
- Absorbed power: see electric data plate
- Maximum operating pressure: 10 bar.
- Maximum fluid temperature: + 35°C.
- Suction depth: 7 m.
- Pumped fluid: clean, free from solids and abrasive substances;non aggressive.
- Protection index: IP 44.
- Noise level is contained within the limits envisaged by EC Directive EC 89/392/CEE and subsequent modifications.
- Make sure that the pump works in its rated operation range.
- For further technical, performance, overall dimension and weight data, please consult pages 14 to pages 23.
MANAGEMENT
STORAGE
All the pumps must be stored indoors, in a dry, vibration-free and dust-free environment, possibly at constant air humidity.
They are supplied in their original packaging and must be kept there until installation.
TRANSPORT
Avoid subjecting the products to needless jolts or collisions.
WARNINGS
QUALIFIED PERSONNEL
Installation should be performed by skilled and qualified personnel, in possession of the technical qualifications required by the specific regulations in force.
The term qualified personnel means persons who, because of their training, experience and regulations as well as all operating circumstances, have been entitled by the person responsible for the system to work on and with the system and to see and avoid all possible dangers. (Definition for technical personnel IEC 364).
SAFETY
- Use is allowed only if the electric system is provided with safety precautions in accordance with the regulations in force in the country where the product is installed (for Italy, CEI 64/2).
- NEVER LET the pump run dry.
- The pump CANNOT be used in swimmingpools, ponds or tanks in which people are present.
- Qualified personnel must b
RESPONSIBILITY
The Manufacturer does not vouch for the correct operation of the pumps and will not be responsible for damages that might be caused by them, in case they are tampered with or modified, run outside the recommended work range or in contrast with the other instructions given in this manual.
The Manufacturer assumes no liability resulting from or omissions in this booklet, if due to misprints or errors in copying.
The company reserves the right to make modifications to the products described herein, when considered necessary or useful, without changing the essential characteristics of the product itsef.
INSTALLATION
Installation can be a fairly complex operation.
It must therefore be carried out by competent and authorized installers. authorized installers.
CAUTION: during installation apply all safety regulations issued by the competent autho- rities and use common sense at all times.
The customer must prepare the place of installation in a suitable manner and in line with the construction requirements of the same (electric connection, etc…). Envision space for ventilation of the motor, to control shaft rotation, to fill and empty the pump, with the possibility to collect the liquid to be removed. Install the pump in a ventilated environment that is protected from adverse weather conditions and with maximum environment temperature of 40°C. These pumps are envisioned for installation with horizontal rotor axis and support feet below. Install the pump In a dry and well-aired place.
With the appropriate bolts secure the pump to flat solid surfaces to avoid vibrations. The pump must be installed in a horizontal position.
The suction diameter of the piping should be no less than the pump inlet diameter.
If the suction height is more than 4 metres, use a larger diameter.
Make sure that the pipe is perfectly air-tight and that it is submerged at least 50 cm. in the liquid to be pumped in order to avoid the formation of eddies.
The flow rate and pressure available at the points of utilization depend on the diameter of the delivery pipe.
For installations with very long delivery pipes, leaks may be reduced by using a diameter greater than that of the pump outlet.
It is advisable to install a check valve alter the pump delivery outlet so that maintenance can be carried out without having to empty the delivery pipe and also to avoid water hammering if the pump suddenly stops.
This is a necessary precaution when there is a water column of more than 20 metres on the delivery side. Pipes should be anchored so that no stress of any type is transmitted to the pump.
It is mandatory (only for non self-priming pumps including peripheral pumps) to equip the suction tube with a non-return valve. Position said non return valve on, straight after the bottom sludge filter (as per illustration 1).
When laying the pipes ensure that protruding seals and burrs inside do not reduce the cross-section required for passage of the flow.
Screw the pipes to the corresponding openings without forcing them in order not to cause damage.
ELECTRICAL CONNECTIONS
CAUTION! ALWAYS FOLLOW THE SAFETY REGULATIONS!
The electrical installation must be carried out by an authorized and competent electri cian who assu- mes all the responsibilities.
Ensure that the mains voltage is the same as shown on the plate of the motor to be fed and be sure TO MAKE A GOOD GROUND CONNECTION
Check that the data on the rating plate corresponds to the rated line values.
Connect up the pump (making sure that there is an efficient earth circuit) according to the diagram below the terminal box or on the identification plate.
The earth wire must be longer than the live wires, and must be the first wire to be connected when the pump is being set up and the last to be disconnected during disassembly.
It is advisable to connect the pump to a dedicated power line. IInstall a differential magnetothermal circuit breaker switch upstream from the pump, which is reserved exclusively for pump power supply, with residual current of (IΔN) ≤30mA. Install a device for the omnipolar disconnection from the mains network (switch to disconnect the pump from the power supply). A thermal overload cutout in the winding protects against voltage overload in the single-phase pump motors up to 1.5 kW. Install a suitable motor protector, with curve as per plate current, in the control board. With three phase pumps, when it is not possible to visually check the water level, install a float switch connected to the control board to establish the automatic start and stop levels. The thermal protectors in three-phase motors protect from overloading and not from running with the motor blocked; the control board must therefore envision a suitable thermo-amperometric relay coupled to the command contactor.
Three-phase motors must be protected by the user.
For three-phase motors, check that the rotation direction is clockwise by looking at the pump from the fan side. If not, invert two of the phases.
If the terminals box has a cable gland, use a H07 RN-F type flexible power supply cable with equal or larger cable section
PRIMING
CAUTION: dry operation of the pump will damage the mechanical seal.
This operation must be conducted via priming cap by filling the pump casing with the liquid to be pumped. At the end of tne operation, screw the plug back on and start the pump.
CAUTION: if, after about ten minutes the pump is still not primed, switch it off and repeat the operation. Priming must be repeated whenever the pump has not been used for a long time.
SAFETY
Before carrying out checks or doing any maintenance, clear the system by disconnecting the voltage and unplug the pump from the socket.
Before installing the water pump, make sure that the power supply mains is earthed and complies with regulations.
During operation the motor can get hot: be careful.
They are not suitable for pumping inflammable liquids or for operating in places where there is danger of explosion.
Avoid contact between the power supply and the liquid to be pumped.
Do not modify the components of the water pump.
The appliance must not be used by persons (including children) with reduced physical and sensory conditions or lack of experience and knowledge, unless they have been given supervision or instruction concerning use; children must be supervised so that they do not play with the appliance
MAINTENANCE
Before doing anything, make sure that the pump is disconnected from the power source and that there is no possibility of accidental connections. Repair of the pump by personnel not authorized by the manufacturer will render the guarantee null and void and will entail operating with potentially dangerous equipment.
CAUTION: any tampering may lead to performance being reduced and danger to persons and/or things.
The pumps do not require any maintenance as long as the following precautions are taken:
Where there is the risk of freezing, empty the pump and remember to re-prime when used again. Frequently check that the foot valve is clean. If the pump is not going to be used for a long time (for example, in winter), it is advisable to empty it completely, rinse it with clean water and store in a dry place.
MOTOR SHAFT ROTATION CHECK
If the shaft does not turn freely, release it by inserting a screwdriver in the slot on the fan side of the shaft. If this is not sufficient, remove the pump casing by removing the fixing screws and clean the pump to remove any scale.




















