E10-915MS30 User Manual
SI4463 915MHz 1W SMD Wireless Module
chengdu Ebyte Electronic Technology co., Ltd.
Disclaimer
EBYTE reserves all rights to this document and the information contained herein.
Products, names, logos and designs described herein may in whole or in part be subject to intellectual property rights. Reproduction, use, modification or disclosure to
third parties of this document or any part thereof without the express permission of EBYTE is strictly prohibited.
The information contained herein is provided “as is” and EBYTE assumes no liability for the use of the information. No warranty, either express or implied, is given, including but not limited, with respect to the accuracy, correctness, reliability and fitness for a particular purpose of the information. This document may be revised by EBYTE at any time. For most recent documents, visit www.ebyte.com.
Overview
1.1 Brief introduction
E10-915MS30 is 1W SMD wireless module working at 915MHz, developed based on chip SI4463 from Silicon Labs. Due to the use of the imported Si4463 as the core of the
module, with PA and LNA its sensitivity and stability are largely improved when tx power is 1W. The module is aimed at smart home, wireless meter reading, scientific research and medical, and medium and long distance wireless communication equipment. Since RF performance and component selection are in accordance with industrial standards, and the product has obtained FCC, CE, RoHs and other international authoritative certification reports, users do not need to worry about its performance. With its stable and reliable characteristics, it is favored by the majority of users. Compared with the old products, it has made great progress in receiving current, receiving sensitivity, transmitting power, receiving rate range and anti-interference ability. High precision 26MHz crystal is used. Since the module is a pure RF transceiver module, you need to use the MCU driver or a dedicated SPI debug tool.
1.2 Features
- The communication distance tested is up to 6km
- Maximum transmission power of 1W, software multi-level adjustable;
- Support the global license-free ISM 915MHz band;
- Support air date rate of 1.2kbps~1000kbps;
- Support multiple modulation methods, (G)FSK, 4(G)FSK, (G)MSK,OOK ;
- Support 64/128 byte Transceiver Data Register (FIFO)
- Support 2.5V~5.5V power supply, power supply over 5.0 V can guarantee the best performance;
- Industrial grade standard design, support -40 ~ 85 °C for working over a long time;
- IPEX and stamp hole optional, good for secondary development and integration.
1.3 Application
- Home security alarm and remote keyless entry;
- Smart home and industrial sensors;
- Wireless alarm security system;
- Building automation solutions;
- Wireless industrial-grade remote control;
- Health care products;
- Advanced Meter Reading Architecture(AMI);
- Automotive industry applications.
Specification and parameter
2.1 Limit parameter
| Main parameter | Performance | Remark | |
| Min. | Max. | ||
| Power supply(V) | 0 | 5.5 | Voltage over 5.5V will cause permanent damage to module |
| Blocking power(dBm) | – | 10 | Chances of burn is slim when modules are used in short distance |
| Operating temperature(℃) | -40 | 85 | / |
2.2 Operating parameter
| Main parameter | Performance | Remark | |||
| Min. | Typ. | Max. | |||
| Operating voltage(V) | 4.8 | 5.0 | 5.5 | ≥5.0 V ensures output power | |
| Communication level(V) | 3.3 | For 5V TTL, it may be at risk of burning down | |||
| Operating temperature(℃) | -40 | – | 85 | Industrial design | |
| Operating frequency(MHz) | 900 | 915 | 925.5 | Support ISM band | |
| Power consumpti on | TX current(mA) | 753 | Instant power consumption | ||
| RX current(mA) | 20 | ||||
| Sleep current (μA) | 5.0 | Software is shut down | |||
| Max Tx power(dBm) | 29 | 30 | 31 | ||
| Receiving sensitivity(dBm) | -121 | -122 | -124 | Air data rate is 1kbps | |
| Air data rate(bps) | 0.123k | – | 1M | Controlled via user’s programming | |
| Main parameter | Description | Remark |
| Distance for reference | 6000m | Test condition:clear and open area, antenna gain: 5dBi, antenna height: 2.5m,air data rate: 1kbps |
| FIFO | 64Byte | Max length transmitted each time |
| Crystal frequency | 26MHz | |
| Modulation | GFSK(recommended) | (G)FSK, 4(G)FSK, (G)MSK,OOK |
| Package | SMD | |
| Connector | 2.54mm | |
| Communication interface | SPI | 0-10Mbps |
| Size | 25*40 mm | |
| Antenna | IPEX/stamp hole | 50 ohm impedance |
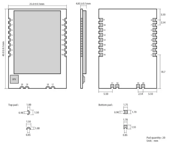
Size and pin definition

| Pin No. | Pin item | Pin direction | Pin application |
| 1 | GND | Ground, connecting to power supply reference ground | |
| 2 | SDN | Input | Module operation enabling control pin, low level in operation (refer to SI4463 Datasheet for details) |
| 3 | GPIO3 | Output | Connecting to the internal RF switch transmission, can be disconnected, controlled by SI4463 intelligently |
| 4 | GPIO2 | Output | Connecting to the internal RF switch receiving, can be disconnected, controlled by SI4463 intelligently |
| 5 | CSN | Input | Module chip selection pin, used to start a SPI communication |
| 6 | MOSI | Input | Module SPI data input pin |
| 7 | MISO | Output | Module SPI data output pin |
| 8 | GND | Ground, connecting to power supply reference ground | |
| 9 | SCK | Output | Module SPI clock pin |
| 10 | IRQ | Output | Module interrupt pin |
| 11 | GPIO1 | Output | Module data output pin (refer to SI4463 datasheet) |
| 12 | GPIO0 | Output | Module data output pin (refer to SI4463 datasheet) |
| 13 | VCC | Power supply must be 5.0 ~ 5.5V DC (voltage higher than 6V is forbidden) | |
| 14 | GND | Ground, connecting to power supply reference ground | |
| 15 | GND | Ground, connecting to power supply reference ground | |
| 16 | GND | Ground, connecting to power supply reference ground | |
| 17 | GND | Ground, connecting to power supply reference ground | |
| 18 | GND | Ground, connecting to power supply reference ground | |
| 19 | GND | Ground, antenna port reference ground | |
| 20 | ANT | Output | Antenna |
Basic operation
4.1 Hardware design
- It is recommended to use a DC stabilized power supply. The power supply ripple factor is as small as possible, and the module needs to be reliably grounded.;
- Please pay attention to the correct connection of the positive and negative poles of the power supply. Reverse connection may cause permanent damage to the module;
- Please check the power supply to ensure it is within the recommended voltage otherwise when it exceeds the maximum value the module will be permanently damaged;
- Please check the stability of the power supply, the voltage can not fluctuate frequently;
- When designing the power supply circuit for the module, it is often recommended to reserve more than 30% of the margin, so the whole machine is beneficial for long-term stable operation.;
- The module should be as far away as possible from the power supply, transformers, high-frequency wiring and other parts with large electromagnetic interference.;
- High-frequency digital routing, high-frequency analog routing, and power routing must be avoided under the module. If it is necessary to pass through the module, assume that the module is soldered to the Top Layer, and the copper is spread on the Top Layer of the module contact part(well grounded), it must be close to the digital part of the module and routed in the Bottom Layer;
- Assuming the module is soldered or placed over the Top Layer, it is wrong to randomly route over the Bottom Layer or other layers, which will affect the module’s spurs and receiving sensitivity to varying degrees;
- It is assumed that there are devices with large electromagnetic interference around the module that will greatly affect the performance. It is recommended to keep them away from the module according to the strength of the interference. If necessary, appropriate isolation and shielding can be done;
- Assume that there are traces with large electromagnetic interference (high-frequency digital, high-frequency analog, power traces) around the module that will greatly affect the performance of the module. It is recommended to stay away from the module according to the strength of the interference.If necessary, appropriate isolation and shielding can be done.
- If the communication line uses a 5V level, a 1k-5.1k resistor must be connected in series (not recommended, there is still a risk of damage);
- Try to stay away from some physical layers such as TTL protocol at 2.4GHz , for example: USB3.0;
- The mounting structure of antenna has a great influence on the performance of the module. It is necessary to ensure that the antenna is exposed, preferably vertically upward. When the module is mounted inside the case, use a good antenna extension cable to extend the antenna to the outside;
- The antenna must not be installed inside the metal case, which will cause the transmission distance to be greatly weakened.
4.2 Software editing
- Si4463+PA+LNA,same drive way as SI4463,user can refer to SI4463 datasheet.
- GPIO0 \ GPIO1 \ GPIO2 \ GPIO3 are configurable I/O ports for various application,see more in SI4463 datasheet.It can be floated when not used.
- IRQ pin can also be disconnected. The SPI query mode can be used to obtain the interrupt status. However, it is recommended to use the external interrupt of the MCU.
- SPI communication rate should not be set too high, usually around 1Mbps.
- Please refer to “Operating Modes and Timing” for SI4463 status switch , the switch between TX and RX should be through Ready, can not be switched directly.
- Re-initialize register configuration when the chip is idle for higher stability.
- For controlling GPIO2 ,GPIO3 externally,pin status is as follows:
In tx mode:GPIO2 = 0; GPIO3 = 1;
In rx mode:GPIO2 = 1; GPIO3 = 0;
If the SI4463 is required to control itself, the mode of the configuration pins can be as follows when the program is initialized:
SI44XX_GPIO_CONFIG( 0, 0, 32|0x40, 33|0x40, 0, 0, 0 );
Basic application
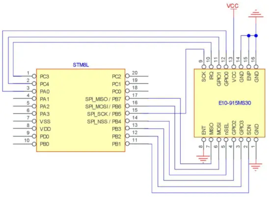
5.1 Basic circuit diagram
FAQ
6.1 Communication range is too short
- The communication distance will be affected when obstacle exists.
- Data lose rate will be affected by temperature, humidity and co-channel interference.
- The ground will absorb and reflect wireless radio wave, so the performance will be poor when testing near ground.
- Sea water has great ability in absorbing wireless radio wave, so performance will be poor when testing near the sea.
- The signal will be affected when the antenna is near metal object or put in a metal case.
- Power register was set incorrectly, air data rate is set as too high (the higher the air data rate, the shorter the distance).
- The power supply low voltage under room temperature is lower than 2.5V, the lower the voltage, the lower the transmitting power.
- Due to antenna quality or poor matching between antenna and module.
6.2 Module is easy to damage
- Please check the power supply source, ensure it is 2.0V~3.6V, voltage higher than 3.6V will damage the module.
- Please check the stability of power source, the voltage cannot fluctuate too much.
- Please make sure antistatic measure are taken when installing and using, high frequency devices have electrostatic susceptibility.
- Please ensure the humidity is within limited range, some parts are sensitive to humidity.
- Please avoid using modules under too high or too low temperatures.
6.3 BER(Bit Error Rate) is high
- There are co-channel signal interference nearby, please be away from interference sources or modify frequency and channel to avoid interference;
- Poor power supply may cause messy code. Make sure that the power supply is reliable.
- The extension line and feeder quality are poor or too long, so the bit error rate is high;
Production guidance
7.1 Reflow soldering temperature
| Profile Feature | Curve characteristics | Sn-Pb Assembly | Pb-Free Assembly |
| Solder Paste | Solder paste | Sn63/Pb37 | Sn96.5/Ag3/Cu0.5 |
| Preheat Temperature min (Tsmin) | Min preheating temp. | 100℃ | 150℃ |
| Preheat temperature max (Tsmax) | Mx preheating temp. | 150℃ | 200℃ |
| Preheat Time (Tsmin to Tsmax)(ts) | Preheating time | 60-120 sec | 60-120 sec |
| Average ramp-up rate(Tsmax to Tp) | Average ramp-up rate | 3℃/second max | 3℃/second max |
| Liquidous Temperature (TL) | Liquid phase temp. | 183℃ | 217℃ |
| Time(tL)Maintained Above(TL) | Time below liquid phase line | 60-90 sec | 30-90 sec |
| Peak temperature(Tp) | Peak temp. | 220-235℃ | 230-250℃ |
| Aveage ramp-down rate(Tp to Tsmax) | Aveage ramp-down rate | 6℃/second max | 6℃/second max |
| Time 25℃ to peak temperature | Time to peak temperature for 25℃ | max 6 minutes | max 8 minutes |
7.2 Reflow soldering curve
E10 Series
| Model No. | IC | Frequency(Hz ) | Tx power (dBm) | Test distance km | Package | Antenna |
| E10-868MS30 | SI4463 | 868M | 30 | 6 | SMD | Stamp hole/IPEX |
| E10-915MS20 | SI4463 | 915M | 20 | 2.5 | SMD | Stamp hole/IPEX |
| E10-868MS20 | SI4463 | 868M | 20 | 2.5 | SMD | Stamp hole/IPEX |
| E10-433MS1W | SI4463 | 433M | 30 | 6 | SMD | Stamp hole |
| E10-433MD3 | SI4438 | 433M | 20 | 2 | SMD | IPEX |
| E10-433MD-SMA | SI4463 | 433M | 20 | 2 | DIP | SMA-K |
| E10-433MS | SI4463 | 433M | 20 | 2 | SMD | Stamp hole |
Antenna guidance
9.1 Antenna recommendation
The antenna is an important role in the communication process. A good antenna can largely improve the communication system. Therefore, we recommend some antennas for wireless modules with excellent performance and reasonable price.
| Model No. | Type | Frequency Hz | Interface | Gain dBi | Height | Cable | Function feature |
| TX915-XP-100 | Sucker antenna | 915M | SMA-J | 3.5 | 25cm | 100cm | Sucker antenna, High gain |
| TX915-JK-20 | Rubber antenna | 915M | SMA-J | 3 | 210m | – | Flexible &omnidirectional |
| TX915-JK-11 | Rubber antenna | 915M | SMA-J | 2.5 | 110mm | – | Flexible &omnidirectional |
| TX915-JZ-5 | Rubber antenna | 915M | SMA-J | 2 | 50mm | – | Short straight &omnidirectional |
9.2 Antenna selection

Revision history
| Version | Date | Description | Issued by |
| 1.00 | 2017/10/16 | Initial version | huaa |
| 1.10 | 2018/5/23 | Content updated | huaa |
| 1.20 | 2018/9/19 | Model No. split | Huaa |
About us
Technical support: [email protected]
Documents and RF Setting download link: www.ebyte.com
Thank you for using Ebyte products! Please contact us with any questions or suggestions: [email protected]
028-64146160 ext. 821
Web: www.ebyte.com
Address: Innovation Center D347, 4# XI-XIN Road,Chengdu, Sichuan, China
Copyright ©2012–2018,Chengdu Ebyte Electronic Technology Co.,Ltd.


















