Installation Guide
Wiring Terminals
This reader is an innovative Silk ID reader. It needs to be connected to a host machine so that fingerprint information can be transferred through Rs485.
Reader wires nomenclature and Dip Switch
- Connection with a Control Panel.

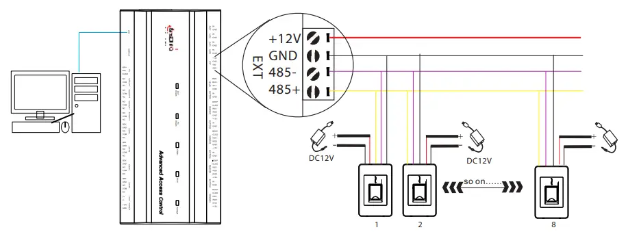
Connected as inBIO Pro Reader(with External 485), maximum 8 readers can be connected. The reader requires a separate power supply.
Working Principle
Dip Switch setting with control panel
Numbers 1, 2, 3, 4 of the dip switch are used to set the address of RS485, 5 is the restart switch, and 6 is the Terminal Resistance.
Number 5 is the restart switch: dial-up and dial down. The machine will restart. The right side figure shows the address number setting.
The number 6 switch is used to set the terminal resistance in RS485.
Communication: If the 485 communication wire is longer than 100 meters, it is needed to set the number 6 dip switch of the last reader to ON state, that is parallel a terminal resistance of 120 ohms between 485+ and 485-.
2. Connection with a Standalone Access Controller

When using the reader with a Standalone access controller device, please move the dial code “1” to the ON position as shown above.
Verification Proccess
Connection with the controller:
| Unsuccessful: | LED flashes blue light twice every one second. |
| Successfully: | LED flashes blue light once every one second. |
When verifying the fingerprint or punching the card:
| Successful Verification: | Green LED lights, short BEEP |
| Authentication error: | Red LED lights, two short and a long BEEP |
| Data Error: | Red LED lights, one short and a long BEEP |
| Timeout: | Red LED lights, four short BEEP |
| Authentication failed: | Red LED, three short BEEP |
| Verify unfinished: | Red LED flashes three times |
Safety Precautions
- The power cable should be connected at last, after all the wiring. If the device is working abnormally, immediately shut down the device.
- Please read the terminals description and wiring by rule strictly. Any damage caused by improper operations will be out of the range of our guarantee.
- Please connect the ‘GND’ before all the other wiring, especially under a serious electrostatic environment.
- Keep the exposed part of wireless than 5mm to avoid unexpected connections, and result in machinery damage.
- If the distance between the power supply and the device is little long, please do not use the Internet cable or other types of cable instead. When choosing the power supply cable, you should consider that the transmission distance may cause voltage attenuation.


















