AL-KO LSH 4, LSH 6 Log Splitter

ABOUT THESE OPERATING INSTRUCTIONS
- It is essential to carefully read through these operating instructions before start-up. This is essential for safe working and trouble-free handling.
- Always safeguard these operating instructions so that they can be consulted if you need any information about the appliance.
- Only pass on the appliance to other persons together with these operating instructions.
- Comply with the safety and warning information in these operating instructions
Legends and signal words
DANGER!
Denotes an imminently dangerous situation which will result in fatal or serious injury if not avoided.
WARNING!
Denotes a potentially dangerous situation which can result in fatal or serious injury if not avoided.
CAUTION!
Denotes a potentially dangerous situation which can result in minor or moderate injury if not avoided.
IMPORTANT!
Denotes a situation which can result in material damage if not avoided.
NOTE
Special instructions for ease of understanding and handling.
PRODUCT DESCRIPTION
Designated use
The log splitter is intended for private use in the house and garden. The log splitter is intended only for the following application: Splitting of logs that have been cut perpendicularly (11) and which do not exceed the dimensions given in the technical data
Possible misuse
- Splitting of logs in which metal parts such as nails, wire, staples, etc. are embedded if forbidden.
- Operation in a potentially explosive atmosphere is forbidden.
- Use for any other purpose that the designated use is forbidden.
Safety and protective devices
Motor protection switch
The motor protection switch switches off the motor if the log splitter is overloaded. Do not deactivate the function of the motor protection switch. If the motor protection switch has switched off the log splitter, proceed as follows:
- Disconnect the log splitter from the mains.
- Determine the cause of the overload.
- Allow the log splitter to cool down for several minutes, then connect to the mains again.
- Switch on the log splitter.
Mains cable
WARNING!
Risk of injury from electric shock A defective mains cable can result in serious injuries due to electric shock. Ensure that the mains cable is not damaged or severed
- Use only rubber-sheathed cables of quality H07RN-F according to VDE 0282 Part 14 with a conductor cross section of at least 2.5 mm².
- The maximum permissible cable length is 10 m. A longer cable impairs the motor power and hence the performance and function of the log splitter.
- Mains cable, mains plug and coupling socket must be undamaged. A defective mains cable (e.g. with cracks, cuts, crushed or kinked points in the insulation) must not be used.
- Repairs to the mains cable, mains plug and coupling socket may only to be carried out by qualified electricians.
- Do not expose plug connectors to moisture.
- If the mains cable is damaged, immediately disconnect it from the mains
Electrical requirements
- AC 230 V/50 Hz
- Minimum cross-section of the mains cable = 2.5 mm²
- Minimum fusing of mains connection = 16 A
Product overview
The log splitters LSH 4 and LSH 6 consists of the following components

- Control lever
- Guard plate
- Log pusher
- Log guide plate
- Splitting wedge
- Transport bracket
- Piston rod
- Pedestal
- Electric motor
- ON button
- Mains cable
- Wheel
- Front leg (LSH 6 only)
- Pedestal (LSH 6 only)
- Longitudinal strut (LSH 6 only)
- Cross-strut (LSH 6 only)
- Rear leg (LSH 6 only)
Symbols on the appliance
- Read the operating instructions before starting operation!
- Wear protective glasses!
- Wear protective gloves!
- Wear safety boots!
- Keep your hands away from the danger area!
- Place logs into the log splitter and do not hold!
- Do not touch moving parts!
- Keep third parties away from the danger area
- Disconnect the machine from the mains before starting maintenance work!
- Do not dispose of hydraulic oil in the countryside!
- Remove or replace damaged parts!
SAFETY INSTRUCTIONS
DANGER!
Lack of knowledge of the safety instructions can pose a danger of extremely severe or even fatal injury.Lack of knowledge of the safety instructions and operating instructions can lead to extremely serious and even fatal injury
- Observe all the safety instructions and instructions for use in these operating instructions as well the operating instructions which are referred to before you start using the appliance.
- Keep all supplied documents in a safe place for future reference.
Operator
- Young people under 16 years of age and people who do not know the operating instructions are not allowed to use the appliance. Observe any country-specific safety regulations concerning the minimum age of the user.
- Do not operate the appliance if you are under the influence of alcohol, drugs or medication.
Personal protective equipment
- Wear clothing and protective equipment in accordance with the regulations in order to avoid injury to the head and limbs as well as to avoid hearing impairment.
- The personal protective equipment comprises
- Hearing protection and protective eyewear
- Long trousers and sturdy shoes
- During maintenance and care: Protective gloves
Safety in the workplace
- Work only in daylight or under very bright artificial light.
- Operate the appliance only on solid and level ground and not on sharp inclines.
- Pay attention to stability.
Safety of persons and animals
- Use the appliance only for the purposes for which it is intended. Any non-intended use can lead to injury and property damage.
- Switch on the appliance only when there are no other persons or animals in the working area
Appliance safety
- Use the appliance only under the following conditions:
- The appliance is not soiled.
- The appliance show no signs of damage.
- All controls function properly.
- Do not overload the device. It is intended for light work in the private sector. Overload can lead to damage to the appliance.
- Never operate the appliance with worn or defective parts. Always replace defective parts with original spare parts from the manufacturer. If the appliance is operated with worn or defective parts, guarantee claims against the manufacturer are excluded.
NOTE
Repair work is only allowed to be carried out by expert workshops or our AL-KO service centres.
Electrical safety
- The connection plug of the appliance must fit into the socket. The plug is not allowed to be changed in any way. Do not use any plug adapters together with earthed appliances. Unmodified plugs and matching sockets reduce the risk of electric shock.
- Avoid physical contact with earthed surfaces such as on pipes, heaters, cookers and refrigerators. There is an increased risk of electric shock if your body is earthed.
- Keep electrical tools out of the rain and away from moisture. Water getting into an electrical tool increases the risk of an electric shock.
- Do not use the cable for incorrect purposes such as carrying the electrical tool, hanging it up or for pulling the plug out of the socket. Keep the cable away from heat, oil, sharp edges or moving parts of the equipment. Damaged or tangled cables increase the risk of an electric shock.
- If you are working outside with a power tool, only use extension leads that are also suitable for outside. Using an extension lead that is suitable for outside decreases the risk of electric shock.
- If the operation of the power tool in a humid environment cannot be avoided, use a fault current circuit breaker. Using a fault current circuit breaker decreases the risk of electric shock.
Use and handling of the electrical tool
- Do not overload the appliance. Use the appropriate electrical tool for the job you are doing. Using the appropriate electrical tool will enable you to work more effectively and safely in the specified performance range.
- Do not use an electrical tool if it has a defective switch. An electrical tool that can no longer be switched on or off is dangerous and must be repaired.
- Disconnect the plug from the socket and/or remove the battery before you make adjustments to the machine, change accessories or put the machine away. This precautionary measure will prevent the machine from starting inadvertently.
- Keep unused electrical tools out of the reach of children. Do not allow people to use the machine if they are not familiar with it, or have not read these instructions. Power tools are dangerous if they are used by inexperienced people.
- Look after electrical tools with care. Check whether moving parts function perfectly and do not stick, whether there are any broken parts or parts that are damaged in such a way that the function of the power tool is impaired. Have damaged parts repaired before you use the machine. Many accidents are caused by failure to maintain electrical tools properly.
- Keep cutting tools sharp and clean. Carefully maintained cutting tools with sharper cutting edges are less likely to stick and are easier to control.
- Use electrical tools, accessories, insertion tools, etc. according to these instructions. When doing so, take account of the working conditions and the activity to be undertaken. Using electrical tools for applications other than the intended purpose can result in dangerous situations.
Safety instructions relating to operation
- Never leave the operational appliance unsupervised.
- Protect the appliance against unauthorised access.
- Never operate the appliance together with a second person.
- Never move the appliance while the motor is running.
- Never operate the appliance in rain or snow
- Disconnect the appliance from the mains for:
- Maintenance and cleaning work
- Adjustment work
- Transport
- Interruptions in work
- Faults
- Do not touch the splitting wedge
INSTALLATION
LSH 4
The LSH 4 log splitter is delivered fully assembled and can be put into operation immediately.

LSH 6 (03 – 05)
On the LSH 6 log splitter, the pedestal has to be fitted before the machine is put into operation


WARNING!
Risk of injury if assembly is not carried out completely Operation of an incompletely assembled appliance can result in serious injury and damage to the appliance. Do not operate the machine until it has been fully assembled
WARNING!
Risk of injury due to appliance instability If the base is not assembled correctly, the appliance can tip over and cause serious injuries or be damaged. Assemble the base as described below.
NOTE
The tools required for assembly are not included in the scope of supply.
Remove the wheels (03/a)

1. Pull both protective caps (03/7) off shaft (03/2).
2. Remove both C-clips (03/6) from the shaft.
3. Pull both wheels (03/1) off the shaft.
Remove pedestal (03/b)

- Unscrew all four nuts (03/3) on the inside of the pedestal (03/5).
- Pull all four carriage bolts (03/4) out of the pedestal.
- Remove the pedestal from the log splitter.
Assemble the base (04)

- Push longitudinal strut (04/2) through crossstrut (04/1) in such a way (04/a) that it protrudes by approx. 10 cm at the other end.
- Insert the free end of the longitudinal strut (04/b) into front leg (04/3).
- Secure the connection using a hexagon bolt (04/4).
- Push wheels (04/6) onto both shafts (04/5) of the cross-strut (04/c).
- Push C-clips (04/7) onto both shafts so that they engage.
- Pull protective caps (04/8) onto both shafts.
Mount log splitter on base
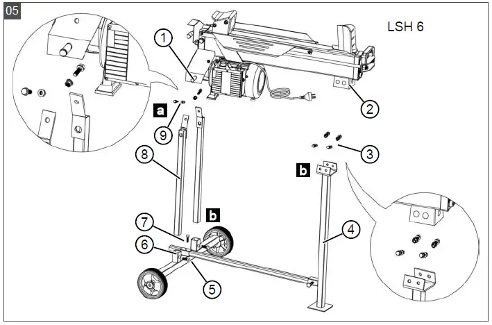
- Push both rear legs (05/8) onto shaft (05/1) of the log splitter (05/a).
- Secure each rear leg with a hexagon bolt and a nut (05/9).
- Stand log splitter on the base (05/b):

- Insert both rear legs into the recesses in cross-strut (05/6).
- Push recess in pedestal (05/2) onto the front leg (05/4).
- Secure the connection of the two rear legs to the cross-strut using a hexagon bolt (05/5).
- Secure the recess of the pedestal to the front leg using four hexagon bolts and nuts (05/3).
- Secure the connection of the cross-strut to the longitudinal strut using a hexagon bolt (05/7).
- Ensure that longitudinal strut and crossstrut are not crooked and reposition relative to one another again, if necessary.
START-UP
WARNING!
Danger of injury from faulty appliance Operation of an faulty appliance can result in serious injury and damage to the appliance. Operate the appliance only when it is undamaged and has not defects, and when no parts are missing or loose.
Before each use
WARNING!
Risk of injury due to appliance instabilityTipping over of the appliance can result in serious injury and damage to the appliance. Fix the appliance securely to the ground before starting work.
- Carry out a visual inspection of the log splitter.
- The log splitter must not be put into operation if parts of the appliance are missing, defective or loose.
- Carry out a visual inspection of the mains cable.
- A defective mains cable (e.g. with cracks, cuts, crushed or kinked points in the insulation) must not be used.
- Carry out a visual inspection for leaks in the hydraulic system.
- The log splitter must not be put into operation if the hydraulic system has leaks.
- Use suitable means to fix the appliance securely to the ground.
Putting the log splitter into operation
WARNING!
Risk of injury if the appliance is operated by several persons Operation of the appliance by two or more persons can result in serious injuries. Allow only one person to operate the appliance.
IMPORTANT!
Risk of damage from improper use Improper use can result in damage or destruction of the appliance.
- Always place the log longitudinally and never transversely into the log splitter.
- Never try to force a log to split by maintaining the hydraulic pressure for several seconds
- Install the log splitter on level, solid ground, if possible with a slight slope towards the control lever (as the valves are located here). If the log splitter slopes towards the splitting wedge, the splitting force will be lost.
- Lay the mains cable (02/1) in such a way that it cannot be kinked, crushed or damaged in any other way.
- Connect the mains cable to the mains power\ supply
- Loosen vent plug (06/1) by 3 – 4 turns.
NOTE
Tighten the vent plug again after use. - Place the log longitudinally onto the log splitter in such a way that the log is held by log guide plates (01/4).
OPERATION

WARNING!
Risk of injury when standing outside the operating area During operation, standing outside the operating area can result in serious injuries. Stand only in the operating area (12/1) during operation.
- With one hand, press the ON button of electric motor (07/2) and hod depressed.
- When the motor has reached its operating speed, press control lever (07/1) completely down with your other hand.
- The log pusher pushes the log against the splitting wedge. The log is split.
- When the ON button and control lever are released, the log pusher moves back into its end position
Removing a jammed log

CAUTION!
Risk of injury from a jammed log flying out If a jammed log flies out of the appliance, injuries can be caused and the appliance may be damaged. Never try to drive a jammed log out with a hammer (08/2) or similar tool.
- Take both hands away from the ON button and control lever.
- Allow the log pusher to come to a complete standstill.
- Push a wooden wedge (08/1) under the jammed log (08/a).
- Drive the wooden wedge completely under the jammed log using the log pusher.
- If necessary, repeat with a larger wooden wedge until the log is freed.
MAINTENANCE
WARNING!
Risk of injury during maintenance work Improper maintenance can result in serious injury and damage to the appliance.
- Disconnect the log splitter from the mains before starting maintenance work.
- Have repairs to the log splitter carried out only by qualified companies.
Maintenance and care work
Cleaning of the guideway
Clean the guideway of the log pusher at regular intervals, particularly when splitting logs with high resin contents.
Maintenance tasks
Sharpening of the splitting wedge
Sharpen the splitting wedge, when necessary, using a suitable file.
Check hydraulic oil level


WARNING!
Danger of injury if the machine tips over An upright appliance can tip over very easily and cause serious injuries or be damaged.
- Always have two persons to turn the appliance upright.
- Always hold an upright appliance or secure it to prevent it from tipping over.
IMPORTANT!
Risk of damage from the use of the wrong hydraulic oil Use of hydraulic oil with the wrong viscosity class prevent the proper function of the appliance and can damage it. Use only hydraulic oil of viscosity class HLP 46.
NOTE
Always check the hydraulic oil level with the log pusher retracted.
- Tilt the log splitter over the wheels, position upright and hold securely during the whole process.
- Unscrew the oil dipstick (09/1) and wipe using a clean, lint-free cloth.
- Insert the dipstick up to the stop and pull out again.

- The oil level must be between the marks “min.” and “max.” (09). If necessary, top up hydraulic oil (10/1) using a funnel (10/2).
- Check seal (09/2) for damage and replace if necessary.

- Screw in the oil dipstick again and tighten only slightly to avoid damaging the thread of the cylinder cover.
NOTE
An oil change is not necessary
HELP IN CASE OF MALFUNCTION
In the event of malfunctions, switch off the log splitter and remove the mains plug. Faults that cannot be remedied following the table below must be remedied by an authorised specialist company.
TRANSPORT
IMPORTANT!
Risk of damage from improper transport The log splitter can be damaged during transport if it is not transported correctly.
- Always remove the mains plug (02/1) and tighten vent plug (06/1) before moving the log splitter.
- Lift the log splitter only at transport bracket (01/6).
- Do not lift the log splitter at the cylinder mounting, piston rod or other components.
Lift the log splitter at transport bracket (01/6) and transport by pushing or pulling. On the LSH 4, ensure that the log splitter is raised sufficiently such that only the wheels and not the pedestal (02/2) of the electric motor are touching the ground.
DISPOSAL
- Electrical and electronic appliances do not belong in household waste, but should be collected and disposed of separately.
- Used batteries or rechargeable batteries that are not installed permanently in the old appliance must be removed before disposal. Their disposal is regulated by the battery law.
- Owners or users of electrical and electronic appliances are obliged by law to return them after use.
- The end user bears personal responsibility for deleting his personal data from the old appliance to be disposed of.
The symbol of the crossed-through rubbish bin means that electrical and electronic appliances may not be disposed of in the household rubbish. Electrical and electronic appliances can be handed in at no charge at the following places:
- Public service disposal or collection points (e.g. municipal building yards)
- Points of sale of electrical appliances (stationary and online) provided traders are obliged to take them back or offer this voluntarily.
These statements only apply to appliances that are installed and sold in the countries of the European Union and are subject to European Directive 2012/19/EU. Different provisions may apply to the disposal of electrical and electronic appliances in countries outside the European Union.
AFTER-SALES / SERVICE
In the event of questions of warranty, repair or spare parts, please contact your nearest AL-KO Service Centre. These can be found on the Internet at: www.al-ko.com/service-contacts
GUARANTEE
We will resolve any material or manufacturing faults on the appliance during the legal warranty period for claims relating to faults, in accordance with our choice either to repair or replace. The legal warranty period is determined by the legislation of the country in which the appliance was purchased. Our warranty promise applies only if:
- These operating instructions are heeded
- The appliance is handled correctly
- Original spare parts have been used
The warranty becomes void in the case of:
- Unauthorised repair attempts
- Unauthorised technical modifications
- Non-intended use
The guarantee excludes:
- Paint damage that can be attributed to normal wear and tear
- Wear parts that are marked with a frame xxxxxx (x) on the spare parts card
The guarantee period commences with purchase by the first end user. The date on the proof of purchase is decisive. In the event of a guarantee claim, please take this guarantee declaration and the original proof of purchase, and contact your dealer or the nearest authorised customer service centre. This statement does not affect the purchaser’s statutory claims for defects against the vendor.
EU DECLARATION OF CONFORMITY
We hereby declare that this product in its marketed form conforms to the requirements of the harmonised EU Directives, EU safety standards and the product-specific standards
Manufacturer
AL-KO Geräte GmbH Ichenhauser Str. 14 D-89359 Kötz Germany
Harmonised standards
- EN 60204-1:2006
- EN 60204-1/A1:2009
- EN ISO 12100
- EN 61000-3-2
- EN 61000-3-11














