EcoDim Eco.Dim-07 Zigbee 200W LED Smart Dimmer Switch

Smart Dimmer Switch 200W LED Item No. Eco.Dim-07 Zigbee

- Zigbee support
- Voice support (Amazon Alexa & Google Assistant / Home)
- Suitable for several home automation apps
- Push / turn button
- Suitable for 0-200W LED
- Suitable for all well-known brands of cover frames
- Optimal dimmable & light stability
- MIN light adjustment options
- Suitable for 90% of all LEDs
- Installation with provided 2 wires (no neutral wire required)
- Soft start system
- Noiseless dimming
- Suitable for surface-mounted boxes & flush-mounted boxes with screw holes 11
Specifications
- Input voltage 220-240 Vac, 50Hz
- Power (load) 0-200W LED
- Suitable for Type dimmer Led-, halogen-, light bulbs R,C Phase cut
- Working temperature 35 °C
- Operation Push / turn button
- Dimensions 70*70*26.2mm
- Weight 50.3g
Suitable brands of cover material:
- Berker by Hager
- Busch-Jaeger
- Gira
- JUNG
- Kopp
- Merten by Schneider
- Niko
- PEHA

Installation
- Step 1: Remove the knob and the cover plate.
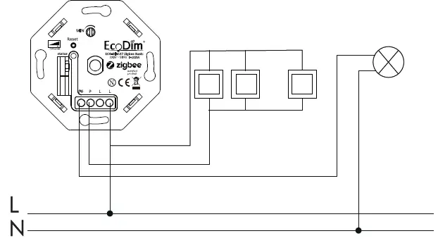
- Step 2: Always make sure that the electricity is switched off during installation. Then connect the wires as indicated in the ‘Connection diagram’.
- Step 3: Now install the dimmer in the mounting box by using the screws.
- Step 4: Switch the electricity back on. Switch on the connected lights by pressing the dimmer shaft. Now adjust the ‘MIN adjustment, as described under ‘Min installation’
- Step 5: Optionally you may connect the dimmer to your SMART home system as indicated under the heading “Connecting home automation / apps”.
- Step 6: Place back the cover plate and dimmer knob.
Connection diagram

MIN adjustment
For the SMART dimmer to work optimally, you can adjust the lights to the dimmer with the MIN adjustment. As soon as you start turning MIN adjustment, the dimmer will automatically go to the minimum light range.
MIN adjustment: Switch on the lights with the push / turn button. When the lights are on, insert a screwdriver in MIN and turn to the left. When the light becomes unsteady, turn slightly back to the right so that the light remains steady.
Connecting home automation/app
- Step 1: Switch on the dimmer (lights are on). The dimmer is already in “pairing mode”. You can also do this by pressing the reset button on the dimmer twice.
- Step 2: Make sure that the pairing mode of your controller is on during the previous step. You will find this in the manual of your controller.
- Step 3: The dimmer will be visible in your app and the previously set MIN position will be stored there. Other manuals concerning the connection of the EcoDim smart dimmer with various known controllers can be found on this page Enter www.ecodim.nl/downloads-smart-dimmer.
Settings
- Factory reset
Press and hold the reset button for at least 5 seconds. The indicator will stay solid red for 10s. when the reset is finished. Please note that all configuration parameters will be reset after the device is reset or removed from the network. - Pairing mode
- Remove the device from a previous Zigbee network If it has already been added to one, otherwise pairing will fail.
- Press reset button twice. The indicator start blinking blue and stay solid for 10s when Succeeds。
- Remove: There are two methods to remove the device from the Zigbee Network. Method 1. From your Zigbee hub interface, choose to delete or reset the device as instructed.
Method 2. Press the reset button for 3 times, the indicator starts blinking purple and
will stay solid for 10s when removing the dimmer from the network is finished. Timeout 3mins. - TouchLink: Reset the dimmer if it is included in a Zigbee network.
- Press the reset button for 4 times, the indicator will starts blinking green and will stay solid for 10s.
- Bring the remote controller within 10cm of the smart dimmer and set the remote controller into TouchLink commissioning.
Please note: If the device is not included in a Zigbee network, it can be connected to a maximum of 1 device via Techlink.
- Find and Bind: Please make sure the device and remote already added to the same Zigbee Network.
- Press the reset button for 5 times, the indicator will start blinking yellow and stay soild for 10s.
- Set the remote controller into find and bind mode and enable it. Refer to corresponding remote.
Settings Manual ( Eco-Dim.07 Zigbee)
- Factory Reset
Please Note: All configuration will be reset after the device is reset or remove from the network.
- Include to a Zigbee Network
- Step 1. Remove the device from a previous Zigbee network if it has already been added to one, otherwise pairing mode will fail.

- Step 1. Remove the device from a previous Zigbee network if it has already been added to one, otherwise pairing mode will fail.
- Remove
- Method 1. From your Zigbee hub interface, choose to delete or reset the device as instructed.
- Method 2. Remove from the Device, see below instructions.

- TouchLink
Note:- When both devices (Dimmer and remote) are not included in the Zigbee Network, each dimmer can link with one remote max.
- When both devices are included in the same Zigbee network, each dimmer can link with max 30 remotes.
- For Philips Hue Hubs and Amazon Echo Plus, add the remote and device to network first then touchlink.
- Make sure the device and remote are added to the same Zigbee network. Please refer to the manufacturers instructions on how to set the remote in find and bind mode.

Index- Zigbee Clusters the device supports
- Input Cluster
- 0x0000: Basic
- 0x0003: Identify
- 0x0004: Groups
- 0x0005: Scenes
- 0x0006: On/off
- 0x0008: Level Control
- 0x0b05: Diagnostics
- Output Cluster
- 0x0019: OTA
- Zigbee codes / Commands
The full list of Z-Wave and Zigbee commands can be found on our website, www.ecodim.nl/downloads-smart-dimmer.
Caution
The installation of the dimmer on 230 V mains power must be carried out by a qualified specialist in compliance with local regulations. Make sure that the power supply is switched off during all work. Suitable for most home automation / apps:
- Google Assistant/Google Home √ Amazon Alexa
- Philips Hue
- HOMEY
- Samsung SmartThings
- Trust
- WINK

EcoDim
Dr. Huber Noodtstraat 89 7001DV
Doetinchem [email protected]
+31 (0)314 844691






















