Estella 348SM20 Two-Speed Spiral Dough Mixer

SAFETY
When using electrical appliances, basic safety precautions should always be followed, including the following:
- Keep the working around surrounding the machine clean and organized.
- Consider environmental conditions surrounding the machine. Do not use the machine in humid, wet or poorly lit environments. Do not use the machine close to flammable liquids or gas.
- Keep machine away from children and non-authorized personnel. Do not permit them to go near the machine or its working area.
- Do not touch the switch or cable with wet hand.s
- Only utilize the machine with the correct voltage to achieve optimum result.s
- Do not wear low-hanging clothing or items that may get caught in the machine. Wear non-slip shoes while working with the machine. For hygiene and safety, keep hair tied back and wear protective gloves.
- Do not tug on the cable to remove the plug from the outlet. Do not leave the cable near sharp objects, water or solvents.
- Remove the plug when you are cleaning the machine or need to movte he machine.
- Check that the machine is not damaged prior to each use. Carefully check that all safety devices are working, that the removable parts are not blocked, there are no parts damaged, that all the parts have been set up correctly and that all conditions that could influence the regular function of the machine are in working order.
- If the machine is damaged or there are issues during its use, turn off the machine immediately and contact the manufacturer for assistance or repair. Repairs should only be made by qualified technicians, using the correct manufacturer parts. Non-compliance with these rules may void the warranty.
NOTE: Save these instructions for future reference.
OPERATION
- Before use confirm the power supplied to the unit is correct. Run the machine empty
for a few seconds to confirm that no moving parts are colliding and there is no abnorm al noise. Failure to do so may cause damage to your machine and void the warrant.y - In a clean bowl first add water, then flou.r Return the protective cover to the closed and locked position.
- Startup steps:
- Once the bowl guard is in place, set the time (12-15 minutes is recommended for most applications).
- The emergency stop button will pop up. Do not operate the machine if the emergency stop button does not function.
- Press the green button to start slow speed mixing.
- After the water and flour are incorporated, press the red stop button followed b y the yellow button to start high speed mixing. The machine will automatically stop when the timer runs out.
NOTE: As a safety feature, the bowl guard must be down in position in order for the dough mixer being able to operate. If the guard is lifted up, the mixer will not run
SPECIFICATIONS & CAPACITIES
| 348SM20 | 348SM30 | |
| Bowl Capacity | 20 QT. | 30 QT. |
| Flour Capacity | 17.5 LB. | 27.5 LB. |
| Minimum Flour Capacity | 5.25 LB. | 8.25 LB. |
| Dough Capacity (60% AR)* | 32 LB. | 55 LB. |
| Voltage | 120V | 120V |
| 1500W | 1500W | |
| Horsepower | 2HP | 2HP |
| Phase | Single | Single |
| Mixing Speed (Low) | 112 RPM | 112 RPM |
| Mixing Speed (High) | 198 RPM | 198 RPM |
| Machine Weight | 200 LB. | 220 LB. |
- For best performance, it is recommended to use the mixers at least at 30% capacit. y
- When mixing dough (pizza, bread, or bagels), check your “AR” absorption ratio – water weight divided by flour weight. The above capacities are based on 12% flour moisture at 70°F water temperatur.e
If high gluten flour is used, reduce above dough batch size by 10.%
Example: If recipe calls for 6 lb. of water and 10 lb. of flour, then 6 divided by 10 = 0.6 (60% AR).
CLEANING
- After removing dough from the bowl, turn off the power and unplug the machine
- Use a cloth with a mild detergent and warm water to clean the inside of the bowl. Make sure to clean the spiral hook and auxiliary rod.
- Use a clean cloth soaked in warm water to rinse the inside of the bowl. Try to avoid getting excess amounts of water inside the bowl.
- Use a dry clean cloth to remove excess water and dry the machin.e
NOTE: Cleaning should be done at the end of every work day and when switching between batches of product.
NOTE: It is NOT advised to remove the attachments from this uni.t
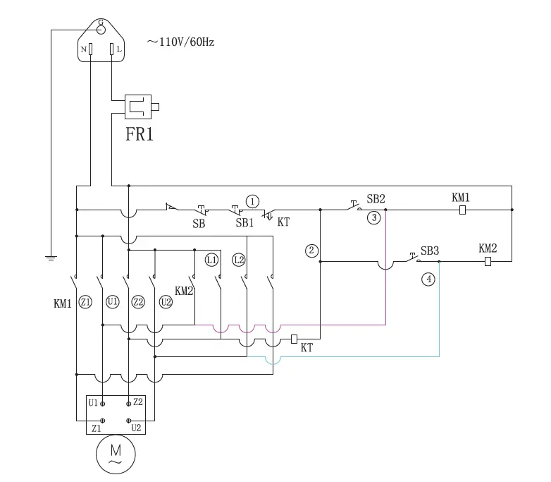
CIRCUIT DIAGRAM
TROUBLESHOOTING
| Issue | Cause | |
| The axles can’t work when operating the machine | Poor contact of the electrical equipment | into the outlet |
| The mixing bowl is out of position | Moving direction is not correct | Check to see that everything is aligned correctly |
| Leaks oil | Sealing washer is damaged | Replace the sealing washer |
| up and down | Slideway is dirty or rusted | Clean and lubricate the slideway |
| The motor is overheated and the speed is down | The voltage is not high enough, or the incorrect speed is set for the thickness of dough | Check the voltage or use a lower speed |
| Noisy and overheating | Poor lubrication | Add or change lubrication to moving parts |
| Mixer touches bowl | The mixing device or bowl is deformed | Repair or change the bowl or mixing device |
| Machine trips the breaker and does not turn on again. | Other machines in the kitchen start or work at the same time, resulting in voltage instability or protection switch pops up. | 1. Unscrew and open the lid. 2. Press the overload protection switch (reset button.)*See below 3. Install the lid, plug it back in, and turn on the machin.e |



















