
RF-BM-BG22A1 Bluetooth5.2 Module
Version 1.0
Shenzhen RF-star Technology Co., Ltd.
Sep.10th , 2020
Device Overview
1.1 Module Series
There are three modules of RF-BM-BG22Ax. All of them are based on Silicon Labs EFR32BG22 series. Because the EFR32BG22 chips are pin-2-pin compatible in package, pins, and peripherals, those three modules are pin-2-pin compatible with each other as well.
Table 1. Module Specification of RF-BM-BG22Ax
| Model | Chip Model | Max. CPU Speed | TX Power | FLASH | RAM | Protocol |
| BG22A1 | EFR32BG22C112F352GM32-C | 38.4 MHz | 0 dBm | 352 KB | 32 KB | BT5.2 |
1.2 Description
RF-BM-BG22A1 is an RF module based on EFR32BG22C112F352GM32-C, one of the Gecko family of SoCs from Silicon Labs, with a 32-bit ARM ® ® Cortex -M33core with 38.4 MHz maximum operating frequency. It integrates a 38.4 MHz crystal, a matching, an antenna matching, a low-pass filter, and a meander line inverted-F PCB antenna. It supports Bluetooth 5.2 low energy and Bluetooth 5.0 low energy and can be preprogrammed with a serial interface communication protocol for simple programming. It also has a range of analog and digital interfaces such as PRS, ADC, UART, SPI, I 2 C, PWM, ISO 7816, IrDA, I 2 S, EUART, and PDM. It features low power consumption, compact size, robust connection distance, and rigid reliability. The module reaches up to 0 dBm TX power. 1.27-mm pitch stamp stick package for easy assembling and cost-effective PCB design.RF-BM-BG22A1 is pin-2-pin compatible with BG22A2 and BG22A3.
1.3Key Features
| • Protocol – Bluetooth 5.1Low Energy – Bluetooth 5.0 Low Energy – Bluetooth Mesh Node • Supported Modulation Format – 2 (G)FSK with fully configurable shaping • High-Performance 32-bit 76.8 MHz ARM Cortex®-M33 with DSP instruction and floating-point unit for efficient signal processing • Memory – Flash:352KB – RAM: 32 KB • TX power: -28 dBm ~ 6 dBm • Wide Peripherals Receiver / Transmitter (UART / SPI / SmartCard (ISO 7816) / IrDA / I2S) – 1 × Enhanced Universal Asynchronous Receiver/Transmitter(EUART)- 2 × I2 C interface with SMBus support – Digital microphone interface (PDM) – Precision Low-Frequency RC Oscillator enabling single-crystal operation – RFSENSE with selective OOK mode – Die temperature sensor with +/-2 degree C accuracy across the temperature range • Wide Operation Range | – 12-bit 1 Mbps SAR Analog to Digital Converter (ADC) – Up to 18GPIOs with output state retention and asynchronous interrupts – 8 Channel DMA Controller – 12 Channel Peripheral Reflex System (PRS) – 4 × 16-bit Timer / Counter with 3 Compare / Capture / PWM channels – 1 × 32-bit Timer / Counter with 3 Compare / Capture / PWM channels – 32-bit Real Time Counter – 24-bit Low Energy Timer for waveform generation – 1 × Watchdog Timer – 2 × Universal Synchronous / Asynchronous – 1.71 V to 3.8 V single power supply – Operating temperature: -40 °C to +85 °C • Security Features – Secure Boot with Root of Trust and Secure Loader (RTSL) – Hardware Cryptographic Acceleration for AES128/256, SHA-1, SHA-2 (up to 256-bit), ECC (up to 256-bit), ECDSA, and ECDH – True Random Number Generator(TRNG) compliant with NIST SP800-90 and AIS-31 – ARM® – Secure Debug with lock/unlock TrustZone |
1.4 Applications
- Asset tags and beacons
- Consumer electronics remote controls
- Portable medical
- Bluetooth Mesh Low energy nodes
- Sports, fitness, and wellness devices
- Connected home
- Building automation and security
1.5 Functional Block Diagram
Confidential
Figure 1. Functional Block Diagram of RF-BM-BG22A1
1.6 Part Number Conventions
The part numbers are of the form of RF-BM-BG22A1 where the fields are defined as follows:

FCC Statement
FCC standards: FCC CFR Title 47 Part 15 Subpart C Section 15.247 Integral antenna with antenna gain 0dBi This device complies with part 15 of the FCC Rules. Operation is subject to the following two conditions: (1) This device may not cause harmful interference, and (2) this device must accept any interference received, including interference that may cause undesired operation. Any changes or modifications not expressly approved by the party responsible for compliance could void the user’s authority to operate the equipment.
Note: This equipment has been tested and found to comply with the limits for a Class B digital device, pursuant to part 15 of the FCC Rules. These limits are designed to provide reasonable protection against harmful interference in a residential installation. This equipment generates, uses, and can radiate radio frequency energy and, if not installed and used in accordance with the instructions, may cause harmful interference to radio communications. However, there is no guarantee that interference will not occur in a particular installation. If this equipment does cause harmful interference to radio or television reception, which can be determined by turning the equipment off and on, the user is encouraged to try to correct the interference by one or more of the following measures:
—Reorient or relocate the receiving antenna.
—Increase the separation between the equipment and receiver.
—Connect the equipment into an outlet on a circuit different from that to which the receiver is connected.
—Consult the dealer or an experienced radio/TV technician for help.
FCC Radiation Exposure Statement This modular complies with FCC RF radiation exposure limits set forth for an uncontrolled environment. This transmitter must not be co-located or operating in conjunction with any other antenna or transmitter. If the FCC identification number is not visible when the module is installed inside another device, then the outside of the device into which the module is installed must also display a label referring to the enclosed module. This exterior label can use wording such as the following: “Contains Transmitter Module FCC ID: 2ABN2-BG22A1 Or Contains FCC ID: 2ABN2-BG22A1” When the module is installed inside another device, the user manual of the host must contain the below warning statements;
- This device complies with Part 15 of the FCC Rules. Operation is subject to the following two conditions: (1) This device may not cause harmful interference. (2) This device must accept any interference received, including interference that may cause undesired operation.
Note: This equipment has been tested and found to comply with the limits for a Class B digital device, pursuant to part 15 of the FCC Rules. These limits are designed to provide reasonable protection against harmful interference in a residential installation. This equipment generates, uses, and can radiate radio frequency energy and, if not installed and used in accordance with the instructions, may cause harmful interference to radio communications. However, there is no guarantee that interference will not occur in a particular installation. If this equipment does cause harmful interference to radio or television reception, which can be determined by turning the equipment off and on, the user is encouraged to try to correct the interference by one or more of the following measures:
—Reorient or relocate the receiving antenna.
—Increase the separation between the equipment and receiver.
—Connect the equipment into an outlet on a circuit different from that to which the receiver is connected.
—Consult the dealer or an experienced radio/TV technician for help. - Changes or modifications not expressly approved by the party responsible for compliance could void the user’s authority to operate the equipment. The devices must be installed and used in strict accordance with the manufacturer’s instructions as described in the user documentation that comes with the product. Any company of the host device which installs this modular with modular approval should perform the test of radiated & conducted emission and spurious emission, etc. according to FCC part 15C: 15.247 and 15.209 & 15.207,15B Class B requirement, Only if the test result complies with FCC part 15C: 15.247 and 15.209 & 15.207,15B Class B requirement, then the host can be sold legally.
Module Configuration and Functions
2.1 Module Parameters
Table 2. Parameters of RF-BM-BG22A1
| Chipset | EFR32BG22C112F352GM32-C |
| Supply Power Voltage | 1.71 V ~ 3.8 V, recommended to 3.3 V |
| Frequency | 2402 MHz ~ 2480 MHz |
| Transmit Power | -28.0 dBm ~ 0 dBm (typical: 0 dBm) |
| Receiving Sensitivity | -98.9 dBm sensitivity @ 1 Mbit/s GFSK -96.2 dBm sensitivity @ 2 Mbit/s GFSK -106.7 dBm sensitivity @ 125 kbps GFSK |
| Power Consumption | 3.6 mA RX current (1 Mbps GFSK) 4.1 mA TX current @ 0 dBm output power |
| GPIO | 18 |
| Crystal | 38.4 MHz |
| RAM | 32 KB |
| Flash | 352 KB |
| Package | SMT Packaging |
| Frequency Error | ±20 kHz |
| Dimension | 16.5 mm x 11.6 mm x (2.06 ± 0.1) mm |
| Type of Antenna | PCB antenna |
| Operating Temperature | -40 ℃ ~ +85 ℃ |
| Storage Temperature | -40 ℃ ~ +125 ℃ |
2.2 Module Pin Diagram

Figure 3. Pin Diagram of RF-BM-BG22A1
2.3 Pin Functions
Table 3. Pin Functions of RF-BM-BG22A1
| Pin | Name | Chip Pin | Pin Type | Description |
| 1 | EXT_ANT | – | – | External antenna pin. |
| 2 | PB02 | PB02 | I/O | GPIO |
| 3 | PB01 | PB01 | I/O | GPIO |
| 4 | PB00 | PB00 | I/O | GPIO |
| 5 | PA00 | PA00 | – | RTS |
| 6 | PA03 | PA03 | I/O | GPIO |
| 7 | PA04 | PA04 | I/O | GPIO |
| 8 | PA05 | PA05 | I/O | GPIO |
| 9 | PA06 | PA06 | I/O | GPIO |
| 10 | GND | GND | – | Ground |
| 11 | RESET | RESET | – | Reset, active low, internal pull-up. |
| 12 | PA01 | PA01 | I/O | GPIO / SWCLK(connect j-link) |
| 13 | PA02 | PA02 | I/O | GPIO / SWDDIO(connect j-link) |
| 14 | GND | GND | – | Ground |
| 15 | VCC | VCC | VCC | 1.71 V ~ 3.8V, recommended to 3.3 V |
| 16 | PD01 | PD01 | I/O | GPIO |
| 17 | PD00 | PD00 | I/O | GPIO |
| 18 | PC00 | PC00 | I/O | GPIO |
| 19 | PC01 | PC01 | I/O | GPIO |
| 20 | PC02 | PC02 | I/O | GPIO |
| 21 | PC03 | PC03 | I/O | GPIO |
| 22 | PC04 | PC04 | I/O | GPIO |
| 23 | PC05 | PC05 | I/O | GPIO |
| 24 | GND | GND | – | Ground |
Specifications
3.1 Recommended Operating Conditions
The functional operation does not guarantee performance beyond the limits of the conditional parameter values in the table
below. Long-term work beyond this limit will affect the reliability of the module more or less.
Table 4. Recommended Operating Conditions of RF-BM-BG22A1
| Items | Condition | Min. | Typ. | Max. | Unit |
| Operating Supply Voltage | Battery Mode | 1.71 | 3.3 | 3.8 | V |
| Frequency Range | 2402 | 2480 | MHz | ||
| Operating Temperature | / | -40 | 25 | 85 | ℃ |
| Environmental Hot Pendulum | / | -20 | 20 | ℃/min |
3.2 Handling Ratings
Table 5. Handling Ratings of RF-BM-BG22A1
| Items | Condition | Min. | Typ. | Max. | Unit |
| Storage Temperature | Test g | -40 | 25 | 125 | ℃ |
| Human Body Model | HBM | ±2000 | V | ||
| Moisture Sensitivity Level | 2 | ||||
| Charged-Device Model | ±500 | V | |||
3.3 Current Consumption
Unless otherwise indicated, typical conditions are: TA = 25 °C, VREGVDD = 3.0V, AVDD = DVDD = IOVDD = RFVDD = PAVDD = 1.8V powered from DCDC. Crystal frequency=38.4 MHz. RF center frequency 2.45 GHz. Test instruments: FLUKE15B+ multimeter, DSA1030 spectrum analyzer, offset: 0.2, RBW=100KHz Test Results: Data after adding an attenuator.
Table 6. Current Consumption of RF-BM-BG22A1
| Stand-by | 1µA | ||
| Transmitting Current | Set Tx Power | Actual Tx Power | Actual Current |
| 0 dBm | -0.5 dBm | 4.0 mA | |
| Receiving Current | 2.5 mA | ||
Note: The test method is closely related to the current. For example, the output load antenna is different from the standard 50 Ω test data.
Application, Implementation, and Layout

4.1 Module Photos
Figure 4. Photos of RF-BM-BG22A1
4.2 Recommended PCB Footprint 
Figure 5. Recommended PCB Footprint of RF-BM-BG22A1 (mm)
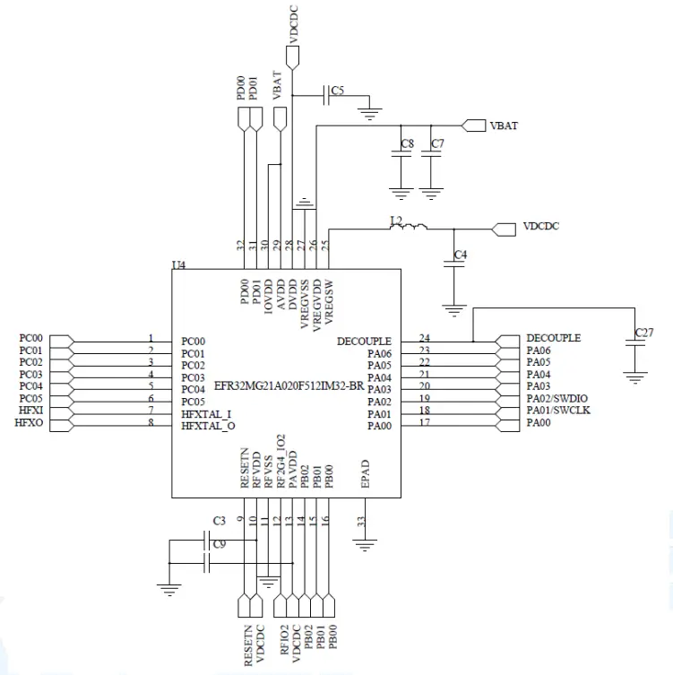
4.3 Schematic Diagram and Reference Design
The schematic diagram is as follows: 
Figure 6. Schematic Diagram of RF-BM-BG22A1
The reference design is as follows:
Figure 7. Reference Design of RF-BM-BG22A1
- In principle, the module supports a minimum voltage of 1.71 V and a maximum voltage of 3.8 V. However, in order to be stable and reliable, it is recommended that customers use a DC power supply not lower than 2.2 V and not higher than 3.8 V. It is recommended to be 3.3 V.
- The decoupling capacitor of the power supply is preferably 2.2µF.
4.4 Basic Operation of Hardware Design
- It is recommended to offer the module a DC stabilized power supply, a tiny power supply ripple coefficient, and reliable ground. Please pay attention to the correct connection between the positive and negative poles of the power supply. Otherwise, the reverse connection may cause permanent damage to the module;
- Please ensure the supply voltage is between the recommended values. The module will be permanently damaged if the voltage exceeds the maximum value. Please ensure a stable power supply and no frequently fluctuating voltage.
- When designing the power supply circuit for the module, it is recommended to reserve more than 30% of the margin, which is beneficial to the long-term stable operation of the whole machine. The module should be far away from the power electromagnetic, transformer, high-frequency wiring, and other parts with large electromagnetic interference.
- The bottom of the module should avoid high-frequency digital routing, high-frequency analog routing, and power routing. If it has to route the wire on the bottom of the module, for example, it is assumed that the module is soldered to the Top Layer, the copper must be spread on the connection part of the top layer and the module, and be close to the digital part of the module and routed in the Bottom Layer (all copper is well-grounded).
- Assuming that the module is soldered or placed in the Top Layer, it is also wrong to randomly route the Bottom Layer or other layers, which will affect the spurs and receiving sensitivity of the module to some degree;
- Assuming that there are devices with large electromagnetic interference around the module, which will greatly affect the module performance. It is recommended to stay away from the module according to the strength of the interference. If circumstances permit, appropriate isolation and shielding can be done.
- Assuming that there are routings of large electromagnetic interference around the module (high-frequency digital, high-frequency analog, power routings), which will also greatly affect the module performance. It is recommended to stay away from the module according to the strength of the interference. If circumstances permit, appropriate isolation and shielding can be done.
- It is recommended to stay away from the devices whose TTL protocol is the same2.4 GHzphysical layer, for example, USB3.0.
- The antenna installation structure has a great influence on the module performance. It is necessary to ensure the antenna is exposed and preferably vertically upward. When the module is installed inside of the case, a high-quality antenna extension wire can be used to extend the antenna to the outside of the case.
- The antenna must not be installed inside the metal case, which will cause the transmission distance to be greatly weakened.
- The recommendation of antenna layout.
The inverted-F antenna position on PCB is free-space electromagnetic radiation. The location and layout of the antenna is a key factor to increase the data rate and transmission range.
Therefore, the layout of the module antenna location and routing is recommended as follows:
- Place the antenna on the edge(corner) of the PCB.
- Make sure that there is no signal line or copper foil in each layer below the antenna.
- It is best to hollow out the antenna position in the following figure so as to ensure that the S11 of the module is minimally affected.

Figure 8. Recommendation of Antenna Layout
Note: The hollow-out position (yellow part) is based on the antenna used, and RF-star recommends the distance is no less than 10 mm.
4.5 Trouble Shooting
4.5.1 Unsatisfactory Transmission Distance
- When there is a linear communication obstacle, the communication distance will be correspondingly weakened. Temperature, humidity, and co-channel interference will lead to an increase in the communication packet loss rate. The performances of ground absorption and reflection of radio waves will be poor when the module is tested close to the ground.
- Seawater has a strong ability to absorb radio waves, so the test results by the seaside are poor.
- The signal attenuation will be very obvious if there is metal near the antenna or the module is placed inside the metal shell.
- The incorrect power register set or the high data rate in the open air may shorten the communication distance. The higher the data rate, the closer the distance.
- The low voltage of the power supply is lower than the recommended value at ambient temperature, and the lower the voltage, the smaller the power is.
- The unmatchable antennas and modules or the poor quality of the antenna will affect the communication distance.
4.5.2 Vulnerable Module
- Please ensure the supply voltage is between the recommended values. The module will be permanently damaged if the voltage exceeds the maximum value. Please ensure a stable power supply and no frequently fluctuating voltage.
- Please ensure the anti-static installation and the electrostatic sensitivity of high-frequency devices.
- Due to some humidity-sensitive components, please ensure the suitable humidity during installation and application. If there is no special demand, it is not recommended to use at too high or too low a temperature.
4.5.3 High Bit Error Rate
- There are-channel signal interferences nearby. It is recommended to be away from the interference sources or modify the frequency and channel to avoid interferences.
- The unsatisfactory power supply may also cause garbled. It is necessary to ensure the power supply’s reliability.
- If the extension wire or feeder wire is of poor quality or too long, the bit error rate will be high.
4.6Electrostatics Discharge Warnings
The module will be damaged for the discharge of static. RF-star suggests that all modules should follow the 3 precautions below:
- According to the anti-static measures, bare hands are not allowed to touch modules.
- Modules must be placed in anti- static areas.
- Take the anti-static circuitry (when inputting HV or VHF) into consideration in product design. Static may result in the degradation in performance of the module, even causing failure.
4.7 Soldering and Reflow Condition
- Heating method: Conventional Convection or IR/convection.
- Solder paste composition: Sn96.5 /Ag3.0 /Cu0.5
- Allowable reflow soldering times: 2 times based on the following reflow soldering profile.
- Temperature profile: Reflow soldering shall be done according to the following temperature profile.
- Peak temperature: 245 ℃.
Table 7. Temperature Table of Soldering and Reflow
| Profile Feature | Sn-Pb Assembly | Pb-Free Assembly |
| Solder Paste | Sn63 / Pb37 | Sn96.5 / Ag3.0 / Cu0.5 |
| Min. Preheating Temperature (Tmin) | 100 ℃ | 150 ℃ |
| Max. Preheating temperature (Tmax) | 150 ℃ | 200 ℃ |
| Preheating Time (Tmin to Tmax) (t1) | 60 s ~ 120 s | 60 s ~ 120 s |
| Average Ascend Rate (Tmax to Tp) | Max. 3 ℃/s | Max. 3 ℃/s |
| Liquid Temperature (TL) | 183 ℃ | 217 ℃ |
| Time above Liquidus (tL) | 60 s ~ 90 s | 30 s ~ 90 s |
| Peak Temperature (Tp) | 220 ℃~ 235 ℃ | 230 ℃~ 250 ℃ |
| Average Descend Rate (Tp to Tmax) | Max. 6 ℃/s | Max. 6 ℃/s |
| Time from 25 ℃to Peak Temperature (t2) | Max. 6 minutes | Max. 8 minutes |
| Time of Soldering Zone (tP) | 20±10 s | 20±10 s |

Figure 9. Recommended Reflow for Lead-Free Solder
4.8 Optional Packaging
Figure 10. Optional Packaging Mode
Note: Default tray packaging.
Revision History
| Date | Version No. | Description |
| 2020.09.10 | V1.0 | The initial version is released. |
Note:
- The document will be optimized and updated from time to time. Before using this document, please make sure it is the latest version.
- To obtain the latest document, please download it from the official website: www.szrfstar.com.
Contact Us
SHENZHEN RF-STAR TECHNOLOGY CO., LTD.
Shenzhen HQ:
Add.: Room 601, Block C, Skyworth Building, High-tech Park, Nanshan District, Shenzhen, Guangdong, ChinaTel .: 86-755-3695 3756
Chengdu Branch:
Add.: No. B3-03, Building No.1, Incubation Park, High-Tech District, Chengdu, Sichuan, China, 610000
Tel.: 86-28-6577 5970
Email: [email protected], [email protected]
Web.: www.szrfstar.com

















