NIU C22H Bluetooth Module
WARNING
This device complies with part 15 of the FCC Rules. Operation is subject to the following two conditions: (1) This device may not cause harmful interference, and (2) this device must accept any interference received, including interference that may cause undesired operation.
Product features
The C22H module is designed to offer high integration, ultra‐low power application capabilities. The system’s block diagram is as follow.
It embeds Flash, LDO and DCDC, crystal, RF match network and etc. With the high integration level of the module, few external components are needed to satisfy customers’ ultra‐low cost requirements. Its typical applications include, but are not limited to the following:
- Smartphone and tablet accessories
- RF Remote Control
- Sports and fitness tracking
- Wireless toys
- Smart Lighting, Smart Home devices
Key features
General features
- 3GPIOs.
- UART with hardware flow control and 7816 protocol support.
- Swire debug Interface.
- Operating temperature range: ‐30℃~+50℃
- Supports BLE, BLE Mesh, RF4CE and 2.4GHz proprietary technologies into a single SoC without the requirement for an external DSP
Flash features
C22H module embeds Flash with features below:
- Total 512kB (4Mbits).
- Flexible architecture: 4kB per Sector, 64kB/32kB per block.
- Up to 256 Bytes per programmable page.
- Write protect all or portions of memory.
- Sector erase (4kB).
- Block erase (32kB/64kB).
- Cycle Endurance: 100,000 program/erases.
- Data Retention: typical 20‐year retention.
- Multi firmware encryption methods for anti‐cloning protection.
RF features
- BLE/802.15.4/2.4GHz RF transceiver embedded, working in worldwide 2.4GHz ISM band.
- Bluetooth 5.0 Compliant, 1Mbps and 2Mbps, Long Range 125kbps and 500kbps.
- IEEE802.15.4 compliant, 250kbps.
- 2.4GHz proprietary 1Mbps/2Mbps/250kbps/500kbps mode with Adaptive Frequency Hopping feature support.
- Rx Sensitivity: ‐96dBm@BLE 1Mbps, ‐99.5dBm@ IEEE802.15.4 250kbps, ‐93dBm @ BLE 2Mbps mode, ‐99dBm @ BLE 500kbps mode, ‐101dBm @ BLE 125kbps mode .
- Tx output power: up to +10dBm.
- Single‐pin antenna interface.
- RSSI monitoring with +/‐1dB resolution.
- Auto acknowledgement, retransmission and flow control.
- Support full‐function BLE location features.
4. Pin layout
Pin functions
| No | Pin Name | Type | Description |
| 1 | GND | GND | GND |
| 2 | ANT | Analog | RF singal |
| 3 | GND | GND | GND |
| 4 | IO1 | Digital I/O | General input/output |
| 5 | VBAT | PWR | Power, 3.3V max power |
| 6 | VBAT | PWR | Power, 3.3V max power |
| 7 | IO2 | Digital I/O | General input/output |
| 8 | BT_RXD | Digital I | UART RX |
| 9 | BT_TXD | Digital O | UART TX |
| 10 | IO3 | Digital I/O | General input/output |
| 11 | BT_SWCLK | NC | No connected |
| 12 | BT_SWS | Digital I/O | Single wire master, for downloading fireware |
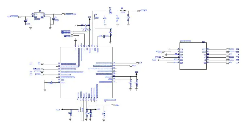
Schematic
Size
13.4(mm)*11.4(mm)*2.8(mm)
Absolute maximum ratings

FCC Statement
FCC standards: FCC CFR Title 47 Part 15 Subpart C Section 15.247
PCB Antenna with antenna gain ‐1dBi We will retain control over the final installation of the module such that compliance of the end product is assured. In such cases, an operating condition on the limit module approval for the module must be only approved for use when installed in devices produced by a specific manufacturer. If any hardware modify or RF control software modify will be made by host manufacturer, C2PC or new certificate should be apply to get approval, if those change and modification made by host manufacturer not expressly approved by the party responsible for compliance, then it is illegal.
FCC Radiation Exposure Statement
The module can be installed or integrated in mobile or fix devices only. This module cannot be installed in any portable device. This modular complies with FCC RF radiation exposure limits set forth for an uncontrolled environment. This transmitter must not be co‐located or operating in conjunction with any other antenna or transmitter. This module must be installed and operated with a minimum distance of 20 cm between the radiator and user body.
If the FCC identification number is not visible when the module is installed inside another device, then the outside of the device into which the module is installed must also display a label referring to the enclosed module. This exterior label can use wording such as the following: “Contains Transmitter Module FCC ID: 2AQ95‐C22H Or Contains FCC ID: 2AQ95‐C22H”
OEM INTEGRATION INSTRUCTIONS:
This device is intended only for OEM integrator under the following conditions:
The module must be installed in the host equipment such that 20 cm is maintained between the antenna and users, and the transmitter module may not be co‐located with any other transmitter or antenna. The module shall be only used with the internal on‐board antenna that has been originally tested and certified with this module. External antennas are not supported. As long as these 3 conditions above are met, further transmitter test will not be required. However, the OEM integrator is still responsible for testing their end‐product for any additional compliance requirements required with this module installed (for example, digital device emissions, PC peripheral requirements, etc.). The end‐product may need Verification testing, Declaration of Conformity testing, a Permissive Class II Change or new Certification. Please involve a FCC certification specialist in order to determine what will be exactly applicable for the end‐product.
Validity of using the module certification:
In the event that these conditions cannot be met (for example certain laptop configurations or co‐location with another transmitter), then the FCC authorization for this module in combination with the host equipment is no longer considered valid and the FCC ID of the module cannot be used on the final product. In these circumstances, the OEM integrator will be responsible for re‐evaluating the end product (including the transmitter) and obtaining a separate FCC authorization. In such cases, please involve a FCC certification specialist in order to determine if a Permissive Class II Change or new Certification is required.
Upgrade Firmware:
The software provided for firmware upgrade will not be capable to affect any RF parameters as certified for the FCC for this module, in order to prevent compliance issues.
End product labeling:
This transmitter module is authorized only for use in device where the antenna may be installed such that 20 cm may be maintained between the antenna and users. The final end product must be labeled in a visible area with the following: “Contains 2AQ95‐C22H”.
Information that must be placed in the end user manual:
The OEM integrator has to be aware not to provide information to the end user regarding how to install or remove this RF module in the user’s manual of the end product which integrates this module. The end user manual shall include all required regulatory information/warning as show in this manual. When the module is installed inside another device, the user manual of the host must contain below warning statements;
- This device complies with part 15 of the FCC Rules. Operation is subject to the following two conditions:
- This device may not cause harmful interference, and
- this device must accept any interference received, including interference that may cause undesired operation. Any Changes or modifications not expressly approved by the party responsible for compliance could void the user’s authority to operate the equipment.
Note: This equipment has been tested and found to comply with the limits for a Class B digital device, pursuant to part15 of the FCC Rules. These limits are designed to provide reasonable protection against harmful interference in a residential installation. This equipment generates, uses and can radiate radio frequency energy and, if not installed and used in accordance with the instructions, may cause harmful interference to radio communications. However, there is no guarantee that interference will not occur in a particular installation. If this equipment does cause harmful interference to radio or television reception, which can be determined by turning the equipment off and on, the user is encouraged to try to correct the interference by one or more of the following measures: - Reorient or relocate the receiving antenna.
- Increase the separation between the equipment and receiver.
- Connect the equipment into an outlet on a circuit different from that to which the receiver is connected.
- Consult the dealer or an experienced radio/TV technician for help.
- Changes or modifications not expressly approved by the party responsible for compliance could void the user’s authority to operate the equipment. The devices must be installed and used in strict accordance with the manufacturer’s instructions as described in the user documentation that comes with the product. Any company of the host device which install this modular with limit modular approval should perform the test of radiated & conducted emission and spurious emission, etc. according to FCC CFR Part 15C: 15.247 and 15.209&15.209, 15B class B requirement, Only if the test result comply with FCC CFR Part 15C: 15.247 and 15.209&15.209, 15B class B requirement,then the host can be sold legally.






















