ADO A20F Electric Bike User Manual
Attention!
Please keep the instruction manual properly! To ensure your safety, please read the instruction manual carefully before using the electric bicycle to better understand the performance of the electric bicycle.
Required Preface
Dear user friends:
First of all, thank you for choosing to buy our products. All the staff of our company express their heartfelt thanks for your choice! This manual will introduce you to the common sense and maintenance methods of electric bicycles produced by our company. Please read the manual carefully after purchasing to understand the performance, characteristics, precautions and maintenance common sense of this bicycle, make sure you use the electric bicycle safely in the best driving condition.
In order to ensure the safety of using our electric bicycle, please be sure to use our professional spare parts. If you have any questions, please contact our authorized service station or our company.
Dear users, when purchasing the products of our company, please fill in the “electric bicycle sales (warranty) registration card” in detail completely and clearly and keep the “user warranty” properly, deliver the other two copies to to the company’s resident service station or distribution unit so that we can contact and serve you in time.
Important Tips
- The patterns and text descriptions of this manual are only used as instructions for operation and are not used as the basis for inspection of products:
- The illustration in this manual may not match the actual product, and the actual sales style shall prevail;
- The company has the right to improve product performance and related configurations without prior notice;
- This vehicle can only ride alone, and do not carry people.
Your choice-the beginning of our service!” In the following days, we will wholeheartedly provide you with convenient, timely, fast and satisfactory service! Please read the instructions carefully before using, and do not use it before knowing the characteristics of this car (please read carefully for the terms of “danger”, ‘warning’ and “attention”).
Danger: ignoring this warning can lead to personal accidents. In order to reduce the harm to yourself or others, special warning must be done or not allowed to do
Warning: ignoring this warning can cause damage to the vehicle and its equipment, especially nothing what to do or not to do.
Note: ignoring this warning may cause slight damage to the vehicle and its equipment or the vehicle cannot run normally, telling what to do or what not to do.
Special tips for using security
Dear users, for your safety and prevention of safety accidents, please read and follow the following tips:
When using electric bicycles, you should abide by traffic regulations and pay attention to driving safety.
- It is forbidden for people under 16 years old to drive electric bicycles on the road:
- E-bikes should be driven on non motorized lanes, lower than the maximum speed specified by local laws and regulations.
- Do not lend electric bicycles to people who will not operate to avoid injury;
- Electric bicycles shall carry personnel or articles according to laws and regulations;
- It is recommended to wear a helmet when riding;
- Riding in rainy and snowy days, the braking distance will be prolonged, pay attention to slow down ; Heavy rain and other bad weather, try to avoid traveling.
Please pay attention to the safety of electric bicycles.
- Electric bicycles should not be parked in the building foyer, evacuation stairs, walkways and safety exits;
- Electric bicycles should not be charged and parked in residential buildings, and should be kept away from combustibles when charging, and the charging time should not be too long;
- Correct use and maintenance of battery:
- Please charge the battery for 12 hours for the first time after purchase or long-term storage. When using it normally, charge it for 12 hours every two months. When not in use for a long time, please separate the battery from the vehicle power cord, supplement every half a month.
- It is forbidden to short circuit the positive and negative poles of the input and output terminals of the battery pack;
- Keep away from children, fire sources and heat sources, and it is forbidden to put the battery pack into the fire;
- Strenuous vibration, impact and extrusion of the battery are strictly prohibited;
- Pay attention to waterproof to prevent battery pack from being exposed to water shower and immersion;
- The battery pack should be charged with use. When not in use for a long time, be sure to remove it from the whole vehicle for storage;
- The battery pack should be stored in a clean, dry and ventilated place, and should avoid contact with corrosive substances, away from fire sources and heat sources;
- Warm tips!
Water inlet is not guaranteed, please use the original charger to charge;
Do not charge in the kitchen, living room, bedroom and other domestic places;
It is recommended that the battery life cycle be 2 years to avoid damage caused by aging. - Storage Conditions of battery pack: ambient temperature-20–35°C; Ambient humidity s 65%RH.The temperature of battery operation: -10-45 °C.
Warm tips!
- Water inlet is not guaranteed, please use the original charger to charge;
- Do not charge in the kitchen, living room, bedroom and other domestic places;
- It is recommended that the battery life cycle be 2 years to avoid damage caused by aging.
Danger: waste batteries shall not be dismantled without authorization. and shall “1-1 not be discarded at will to avoid environmental pollution: The waste batteries of this product shall be recycled by the enterprise or distributors or government designated outlets
safe use method of charger:
- It is forbidden to place any items on the charger;
- It is forbidden to put any liquid or metal into the charger;
- It is strictly prohibited to disassemble and modify the charger;
- When charging, insert the output of the charger into the charging port of the battery pack first, and then insert the AC power plug of the charger into the Mains socket;
- It is forbidden to plug and remove the power plug with wet hands;
- Do not use the charger when thunder and lightning;
- Do not play with the charger and battery pack when charging;
- Do not use the charger in unstable, excessive lampblack and dust and excessively humid environments;
- Keep good ventilation and heat dissipation conditions when the charger works, and avoid using the charger in direct sunlight;
- When the output of the charger is not connected to the battery pack, do not connect the charger to the mains for a long time;
- During the charging process, the indicator light of the charger is red. When the indicator light turns green, continue charging for 2 hours to be fully charged;
- The normal charging time is 3-10 hours (no more than 12 hours), and the fast charging station is not allowed to charge.
Note: when replacing the charger, it should match the battery model; The special charger provided by our company must be used, and other Chargers are not allowed to charge the battery pack.
Precautions for washing: When washing the bicycle , do not directly splash water on the brake drum, motor and front and rear axle to prevent water from affecting the service performance and life;
- Do not use steam or high-pressure water pipes when washing bicycle ;
- Pay special attention to the working condition of the brake after cleaning the vehicle or driving in the water. After cleaning or driving in the water, the braking effect may decrease. At this time, pay attention to safety when driving slowly.
Adjustment of handlebar and saddle (if applicable):
- When adjusting the handlebar or saddle, be careful not to expose the safety line mark of stem and saddle pipe;
- After adjusting the horizontal pipe, stem, saddle and saddle pipe, pay attention to fastening, and the recommended torque is 18N.m.
Accessories list

Precautions before riding
Dear users. for your safety and to prevent safety accidents. please do the following checks before riding. If there is any abnormality, please repair it in time or find a professional repair!
- Inspection of power supply circuit and lighting circuit:
- Check whether the power supply circuit, lighting circuit and device are damaged; Turn on the power supply, operate the lighting switch. check whether the headlights and taillights are on. and whether the brightness of the headlights and taillights is normal;
- Check the front and rear brake handlebars respectively to check whether the stop lamp is on and whether the motor is powered off;
- Operate steering lamp switch to check whether the steering indicator and turn signal are working properly.
- Check of brake device:
- Check whether the front and rear brakes can work normally: Check the braking effect of the front and rear brakes to ensure that the brakes are normal and effective:
- Confirm whether the power-off switch is normal when the rear wheels are off the ground with double support of the whole vehicle:
- Please check the fastening status of each axle to ensure that the front and rear axles and handlebars are fastened reliably.
- Check the fastening status of handlebar and front and back wheels:
- Shake the handlebar up. down, front, back, left and right to check whether it is loose or pongee;
- Shake left and right front and back wheels to check whether there is looseness; Whether the rotating wheel is too tight or stuck.
- Tire inspection:
- Check whether the tire pressure is normal. Judge whether the air pressure is appropriate according to the depression of the ground part of the tire. When the air pressure is abnormal, use the tire pressure measuring instrument to check and adjust it to the normal air pressure;
- Whether the tire has cracks or abnormal wear:
- Whether the tire is embedded with nails, stones and glass:
- When the tire is used to the tread wear mark, the tire should be replaced.
- Inspection of reflector and license plate:
- Check whether the reflector is missing. If it is found missing, contact the after-sales service immediately to reassemble the reflector of the same specification and model, and the installation position should be consistent with the original bicycle
- Please do not change the position, modify, disassemble. etc. privately.
- Before each use, check that the function of the reflector is normal and the surface of the reflector is kept clean.
- The Reflector device cannot be blocked by luggage, children chair , clothes and other objects, otherwise it will cause potential safety hazards.
- Check whether the license plate is installed firmly, whether the number is clear. whether there is any damage or pollution, and if there is any should, reinforce, clean or replace it in time.
Before each ride, please make sure that the following items: whether the frame lock, vertical tube lock, seat tube locking fastener are locked, whether the brake system is normal. and the tires are full of gas to ensure riding safety!
Adjustment methods of each part
Adjustment of front and rear brake system: (the adjustment method of front and rear brakes is the same)
- The rear integrated disc brake (see figure 3): Adjust the upper and lower nuts of the disc brake to make the spacing between disc brake and brake caliper 1.5.3mm. adjust the height of disc brake, and then tighten the nuts.
- Front integrated disc brake (see figure 4): Adjust the A and 8 nuts of the disc brake and adjust the height of the disc brake so that the distance between the disc brake and the caliper is 1.5.3mm. If the distance is deviated. use the C screw to adjust. and then tighten the nut.
Note: To ensure driving safety, brake rubber the working face is worn to 1/2 of A brake rubber, a new brake rubber should be replaced.
Rotate the Adjusting nut to rotate the Adjusting nut forward, the brake becomes tight, otherwise it becomes loose. When adjusting, hold the brake handle at the same time, so that when the position of the brake handle is 1/3 of the total stroke, the brake rubber block can be tightly attached to the brake drum. (See figure 5) - Disc brake: (see Figure 9 and 10) Key points of disc brake adjustment: there is enough clearance between disc brake and brake pad (there is no interference between the brake disc and the brake skin when rotating, and the best braking effect is appropriate) adjust the nut, lengthen about brake cable, check whether the brake handle has been adjusted to the appropriate tightness: Then test ride to ensure effective and normal braking.

Chain adjustment (see figure 6)
- Loosen the rear axle left and right fastening nuts, adjust the chain regulator, move the rear wheels back and forth, and tighten the tightness of the chain so that the sag in the middle of the chain is 10-15mm. At this time, the tightness of the chain should be suitable for go slick, no abnormal sound.
- Keep the center surface of the rear wheel basically in the center surface of the frame. and tighten the rear axle left and right fastening nuts. (Recommended torque is not less than 30N. m)
Front wheel disassembly (see Figure 7)
- Loosen the left and rear fastening thread of the front axle, remove the nut, remove the front axle. and remove the front wheel.
- When assembling, align the center hole of the front wheel with the double arm hole of the hydraulic front fork, penetrate the front axle into the hole, and tighten the left and right fastening nuts of the front axle clockwise. After installation, rotate the front wheel, and there shall be no stuck or loose phenomenon. (The recommended torque is not less than 18N. m)
Rear wheel disassembly (see Figure 8)
- Pull the motor cable off the connector, turn the car body over (note: Do not touch the handlebar. head cover, toolbox parts), rotate the rear axle nut, rear brake positioning nut and brake cable in the counterclockwise direction, unpack the chain joint, and then remove the rear wheel in the direction of the opening.
The folding and expansion methods of folding bicycle are as follows: (the expansion steps are from 10 to 1)
- Rotating T handle

- Lower by vertical tube

- Open safety lock

- Rotate vertical tube

- Folding riser

- Lower seat tube

- Folding pedal

- Open the frame and fold safety lock

- Folding frame

- Finish folding

Battery installation
The battery is mainly composed of two pieces, cell and protection board PCM (power battery is generally called battery management system BMS). Cell is equivalent to the heart of the battery, and the management system is equivalent to the brain of the battery.
Cell is mainly composed of positive electrode material, negative electrode material, electrolyte, diaphragm and Shell, while the protection board is mainly composed of protection chip (or management chip). MOS tube, resistor, capacitor, PCB board. etc.
Open the fixed lock with the key, Dial off the power plug, take out the battery, nstead, insert the power plug, lock the battery lock, and confirm that it is safe and firm before riding.
CO Open the frame and fold safety lock
- Open folding connector, insert the key to unlock

- Fold the vehicle and pull out the key

Note: Before using the bicycle, insert the key and turn it counterclockwise by 45°, the battery is activated. Finished using the bicycle, turn the key 45° clockwise. the battery is powered off, and take out the key. Remove the battery step, insert the key, press it upward and then rotate it 90° clockwise. Note that need to remove the key and then take out the battery to avoid damaging the key. - Take out the battery and charge the battery separately

- You can also choose vehicle charging

Red light indicates normal charging Green light indicates charging completed
Instructions for using the code table:
- Press the POWER button three seconds to start. And press the button for three seconds to close.
- After starting up, press the POWER button to switch to display the total mileage. single mileage and battery voltage.
- Press the “+” or “– button for a long time to enter the mode setting: Control the gear. Increase/decrease one gear every time. and follow the 1-3 gear.
Note: First gear to pedal power, no power to handle. Second gear medium power assist, Third gear high speed power assist.
Electric bicycle fault inspection and troubleshooting methods
| Serial Number | Fault description | Failure cause analysis | Troubleshooting methods |
| 1 | Speed regulation failure or speed less than 10 kmlh | 1.Low battery voltage 2.Speeder failure 3,Transmission Group failure | 1.Fully charge the battery 2.Send to maintenance station for repair |
| 2 | Hub motor does not work after power on | 1.Loose battery wiring 2,Motor wiring plug loose \ off 3,Speeder failure | 1.Take out the battery box and hanc i up. 2.Fastening wiring plug 3,Send to maintenance station for repair |
| 3 | Insufficient mileage after charging | 1,Insufficient tire pressure 2.Insufficient charging or charger failure 2.Sufficient 3,Battery aging or damage 4,There are many uphill \ strong headwinds \ heavy load \poor road \low temperature | 1,Sufhcent gas power or check the charger 3,Replace battery &It is recommended to use pedal assist |
| 4 | Charger not charging | 1. The plug is not inserted properly 2.Charger fuse blown 3,Battery pack fuse blown | 1.Fastening socket 2,Send to repair station for replacement 3.Replace fuse |
| 5 | The battery has sufficient power but no voltage indicates that the electric wheel hub is difficult to | 1. When starting the electric hub, the voltage is lower than 30V 2,Battery switching line fall off 3,Monitor connector loose 4,Controller failure repair | 1.Replace new battery 2. Re connection %fastening 3.Send to maintenance station for |
Note: When a fault that cannot be eliminated by yourself or a fault that cannot be determined, the internal damage of the motor, controller, charger, battery pack, etc, please send the vehicle to the place of purchase or the company’s special maintenance station for inspection and maintenance. During the warranty period, please do not open important parts without authorization, otherwise the company will not guarantee.
More professional services
Welcome to our local specialty store for consultation

Maintenance and Repair
Daily maintenance:
- The vehicle should be kept clean and clean, and the vehicle should be wiped with dry cloth in time after being drenched to avoid rusting of parts and short circuit of electrical components.
- Always check the air storage capacity of the tire to keep it in normal use.
- The main transmission parts such as front axle, a rear axle, center axle, front fork, Flywheel and electric hub should be checked and adjusted frequently to keep the transmission parts flexible without impact sound and noise: Check the screws and nuts of the whole car, if it is found that it is loose, it should be tightened in time to prevent the parts from being worn out or causing greater damage and fracture due to looseness.
Note that the tightening torque of front wheel, handlebar core screw rod, saddle pipe clamping Bolt and saddle clamping Bolt shall not be less than 18N.m; The tightening torque of rear wheel, bottom bracket Cup and bottom bracket Cup lock nut shall not be less than 30N.m - The braking part should be checked and adjusted frequently to make it in a flexible state, for example. the gap between the brake rubber and the gate core should not be too large.
- Always check whether the operating parts and cable are flexible, and ensure that there is no stagnation. no stagnation. and properly drip lubricating oil from one end of the hose slowly. and pull the wire rope at the same time, feel that the wire rope slides lightly in the hose.
- Electric bicycle moving parts should be often injected with a small amount of lubricating oil to reduce wear and keep riding light, as shown in the following table:
| Lubrication part | Lubricant | Lubrication cycle | |||||||
| From Front axle, center axle, a rear axle | 3# calcium-based lubricating oil | Six months to one year | |||||||
| front fork headset | 3# calcium-based lubricating oil | Half a year | |||||||
| Pedal bearing | 3 pieces of calcium-based lubricating oil | Half a year | |||||||
| Chain | 30# mechanical oil | Half a month | |||||||
| Double support locking plate. side support arta transmission parts | 30 and mechanical oil | Half a month | |||||||
| Name | Handle hurizontal lune | stem | Saddle | Saddle pipe | front axle | rear axle | Center shaft nut | ||
| running torque | 18N. m | 18N. m | 18N. m | 18N. m | 18N. m | 30N. m | 30N. m | ||
Regular maintenance:
| Location | Method | Time | ||
| Center shaft | heck whetber the bottom bracket up is pose is assemble Re centrai shaft wash and change oil, and chec the parts. | Check frequently/once every year | ||
| Front and rear wheels | Check the wheel swing, spoke tension, spoke for damage: Adjust the wheel | spokes, mother | The first month/year after the first new car | |
| brake cable | If there is a steel wire at the root of the rolling head. re ace the new brake line. | Once every month | ||
| brake handle | Adjust the installation position and check the reset performance. | Once every three months | ||
| Chain | Check whether the pin shaft is loose or bulging, and whether the extension of the chain is oo large. | Once every six months | ||
| Front and rear nut, handlebar core screw. saddle clamping screw | Check for looseness | Once every six months | ||
Correct use and maintenance methods of motor, controller and battery:
- The motor should be kept clean, no foreign matter, corrosive liquid, gas. etc. should enter the motor, and the motor Shell should not be knocked and baked to avoid damage to the motor.
- All wires should avoid friction and contact with sharp metal, and the wires should be tied firmly with the frame.
- The controller is a high-tech intelligent computer memory program password. If the user opens the repair by himself. the components will be easily damaged. If the controller fails, please go to the service department to repair it.
- This battery is a special battery for electric bicycles. When the electric bicycle is not used for a long time, the battery should be stored after sufficient electricity, and the electric energy should be replenished regularly to avoid battery vulcanization caused by long-term under power.
- The battery cannot be near open flame or high temperature heat source, and the battery cannot be thrown into the fire. Direct exposure to the sun is strictly prohibited in hot and hot weather.
After-sales service and warranty scope
- provide correct operation methods and maintenance items, provide valid car purchase tickets, warranty cards, and the address and contact number of the warranty unit.
- Users should operate correctly according to the product manual. Any performance failure caused by production quality, according to relevant laws and national Three Guarantees regulations, the company shall uniformly fulfill the Three Guarantees obligations.
- The company is responsible for the repair of faults outside the scope of the Three Guarantees and the main components after the Three Guarantees period, but the fees shall be charged as appropriate.
- If the battery replacement exceeds the Three Guarantees period, the company will supply it at the ex-factory price, but the battery must be recycled one by one and returned to the battery manufacturer to ensure safety and avoid environmental pollution.
(-) warranty period for major parts Details of warranty scope and term
| Part name Frame, front fork | Warranty Period Natural open welding, desolderina and fracture phenomena (except human factors) | Warranty 12 months | Service content |
| Frame. Fender, chain cover, Hanger | Paint patches fall off (except for human factors) | 3 months | Free replacement |
| Handlebar, RIM. Sprocket, crank, front fork | Electroplating parts fall off (except for human factors) | 6 months | Free replacement |
| Front. a rear axle, Flywheel and other rotating parts | Damage or fracture of heat treatment parts (except human factors) | 3 months | Free replacement |
| Motor | Rotor breaking, casing cracking. winding damage (except human factors-) | 12 months | Free replacement |
| Controller, charger | Circuit damage and component damage (except human factors) | 6 months | Half-year renewal and half-year maintenance |
| Lithium battery | Capacity decline. no voltage release, short circuit of Protection Board, cell drum (except human factors) | 12 months | The capacity within the first 6 months from the date of delivery shall not be less than 80% of the rated capacity, and the capacity within the last 6 months shall not be less than 60% shall be maintained or replaced free of charge |
| Inner tube | Air leakage caused by internal quality problems such as trachoma will not be replaced after repair. | 15 days | Free repair or replacement |
| Paint parts | Large pieces fall off, obviously fade, blister, crack (except human factors) | 6 months | Free replacement |
| Fuse. Bulb, cable. switch. brake shoe | Vulnerable parts. not covered by warranty | ||
| Outer tire | _ Replacement for cracking within 1 month (non•human factor) | ||
It does not belong to the scope and content of the Three Guarantees:
- Failure caused by user’s failure to use, maintain and adjust according to the “instruction manual.
- The user disassembles and refits himself, as well as faults caused by non-compliance with the rules of use.
- Faults caused by improper use, storage, or accidents.
- There is no warranty card, and the “receipt link” is not sent back to our company, or vehicles with inconsistent cards and goods.
- Wearing parts and consumables shall not be provided in three packs. Including brake. seat bag, plastic parts, spokes, RIM, brake cable, surface scratch, etc.
- The cost of self-repair without the consent of the special maintenance unit.
- After the accessories leave the factory. the shell is scratched or the shell is damaged without repair. The lead is scratched or broken without repair.
Maintenance record
| Data | Maintenance content | Remarks |
Warranty description:
- All parts of the vehicle will be guaranteed strictly according to the warranty period.
- .The warranty period starts from the factory date.
- If you unpack the controller, charger, battery and motor privately, no warranty will be given.
- Other parts of the whole vehicle will not be guaranteed except for three months due to quality problems.
- When the vehicle fails, the maintenance must be carried out at the designated maintenance point, and the accessories must not be disassembled and assembled privately. Controller, battery and charger must ensure that all labeling is complete, and no one is damaged.
- When the vehicle is repaired, relevant certificates such as warranty card, invoice, certificate of conformity and so on must be presented.
- Battery warranty adopts one-to-one warranty. In case of battery problems, the battery must be returned to the manufacturer first. After the battery is tested by the manufacturer, judge whether the battery is broken according to the battery testing standard, and determine whether the battery damage is within the scope of warranty, and then carry out warranty.
- The controller will be maintained for warranty. The replacement of the controller must ensure that the plug-in is complete for testing. If it cannot be repaired, a new controller will be replaced. If the controller is damaged manually, it will not be guaranteed.
- Pay attention to the maintenance of the whole vehicle and avoid riding in the water as much as possible. The damage of electrical devices caused by water inflow will not be guaranteed.
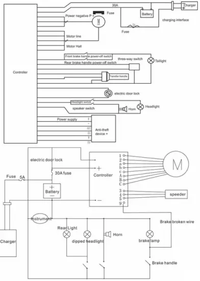
Electrical schematic diagram

| A16 Product Description | |
| Bicycle type | Folding Electric Bicycle |
| Tires Size: | 16*1.95 inches |
| Max Speed: | 25km/h |
| Electric Range: | <35km |
| Assisting Rang: | <70km |
| Load Capacity: | 120kg |
| Product Net Weight: | 21 kg |
| Product Gross Weight: | 25kg |
| Overall Unit:(L*W*H) | 144*53*108cm |
| After Folding:(L*W*H) | 79*38*58cm |
| Packing size:(L*W*H) | 820*395*640mm |
| Hardware Configuration | |
| Body Material : | Aluminum alloy 6061 |
| Motor Type: | Hall Brushless DC Motor |
| Transmission: | Shimano 7 speed |
| Shock Absorber: | Front fork and Body dual model |
| Brake System: | Front and Rear Double disc brake |
| Battery Type: | Lithium battery |
| Battery Capacity: | 36V/7.8AH |
| Battery Charger Power: | 42V/2A (CE/ Safety) |

| A20 Product Description | |
| Bicycle type | Folding Electric Bicycle |
| Tires Size: | 20*1.95 inches |
| Max Speed: | 25km/h |
| Electric Range: | <45km |
| Assisting Rang: | <80km |
| Load Capacity: | 120kg |
| Product Net Weight: | 24kg |
| Product Gross Weight: | 28kg |
| Overall Unit:(L*W*H) | 155*53*110cm |
| After Folding:(L*W*H) | 90*43*70CM |
| Packing size:(L*W*H) | 875*380*660mm |
| Hardware Configuration | |
| Body Material : | Aluminum alloy 6061 |
| Motor Type: | Hall Brushless DC Motor |
| Transmission: | Shimano 7 speed |
| Shock Absorber: | Front fork and Saddle tube dual model |
| Brake System: | Front and Rear Double disc brake |
| Battery Type: | Lithium battery |
| Battery Capacity: | 36V/10.4AH |
| Battery Charger Power: | 42V/2A (CE/ Safety) |

| A2OF Product Description | |
| Bicycle type | Folding Electric Bicycle |
| Tires Size: | 20*4.0 inches (Fat tire) |
| Max Speed: | 25km/h |
| Electric Range: | <40KM |
| Assisting Rang: | <80KM |
| Load Capacity: | 120kg |
| Product Net Weight: | 29kg |
| Product Gross Weight: | 34kg |
| Overall Unit:(L*W*H) | 174*53*120CM |
| After Folding:(L*W*H) | 98*45*77cm |
| Packing size:(L*W*H) | 1010*490*710mm |
| Hardware Configuration | |
| Body Material : | Aluminum alloy 6061 |
| Motor Type: | Hall Brushless DC Motor |
| Transmission: | Shimano 7 speed |
| Shock Absorber: | Front fork and Rubber tire dual model |
| Brake System: | Front and Rear Double disc brake |
| Battery Type: | Lithium battery |
| Battery Capacity: | 36V/10.4AH |
| Battery Charger Power: | 42V/2A (CE/ Safety) |


ADO official website
ADO manual download
ADO quick installation guide
Huizhou Dream Industry Intelligent Technology Co.,Ltd
Address: No.8Jinxia Streer Chenjiang Town, Huizhou City, Guangdong. Province. China Made in China
E-mail: [email protected]
ADO official website: www.adoebike.com
Work Time: 8:00-17:00 (winter, UTC+1: summer, UTC+2)


































