AXOR 40872000 Shower Solutions User Manual
Where the contractor mounts the product, he should ensure that the entire area of the wall to which the mounting plate is to be fitted,is flat (no projecting joints or tiles sticking out), that the structure of the wall is suitable for the installation of the product and has no weak points.
The enclosed screws and dowels are only suitable for concrete. For another wall constructions the manufacturer’s indications of the dowel manufacturer have to be taken into account.
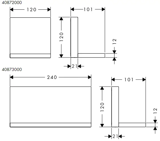
Product Dimension

Screw Attachment

Assembly Instructions





Safety Induction

Support
Hansgrohe · Postfach 1145 · D-77761 Schiltach ·
Telefon +49 (0) 78 36/51-1282 ·
Telefax +49 (0) 7836/511440
E-Mail: [email protected]
Internet: www.hansgrohe.com


















