
ECONOMY 7 QUARTZ
Installation instructions

The Economy 7 Quartz is an Electro-mechanical water heating control, which can be set to take advantage of cheap night-rate electricity so that there is a tank of hot water available for the morning.
INSTALLATION AND CONNECTION SHOULD ONLY BE CARRIED OUT BY A SUITABLY QUALIFIED PERSON AND IN ACCORDANCE WITH THE CURRENT EDITION OF THE IET WIRING REGULATIONS.
WARNING: ISOLATE MAINS SUPPLY BEFORE COMMENCING INSTALLATION TO ENSURE THE UNIT IS PROPERLY EARTHED.
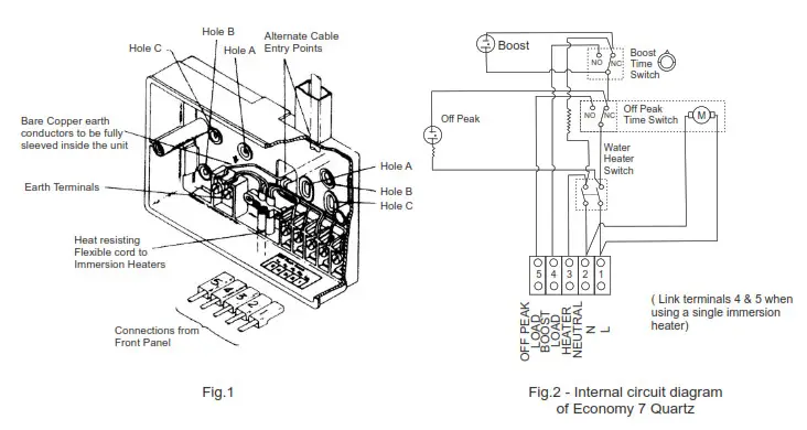
The Economy 7 Quartz is supplied with it’s own surface mounting box, which can also be mounted over a single or double gang flush wall box. It should NOT be mounted on an unearthed metal surface. Means of disconnection from the supply having at least 3mm contact separation in both poles must be incorporated in the fixed wiring.
We recommend a separate fused circuit from the consumer unit (24 Hour supply) protected by a 15 amp HRC fuse or, preferably a 16 amp MCB. In some cases immersion heater failure can damage the Economy 7 Quartz. Installation of a 100 mA RCD will provide additional protection for the unit. If the Economy 7 Quartz is to be connected to a ring main then the spur feeding the controller should be protected in the same way.
Mounting
The Economy 7 Quartz should be removed from the mounting box by unscrewing the 2 captive screws securing the unit to the mounting box.
Conduit Box Mounting
Use either holes marked ‘A’ in Fig.1 to secure to a single gang box, or the two holes marked ‘C’ for a double gang box. Cable entry is through the cut-out between the 2 fixing holes ‘A’
Surface Mounting
Use the two holes marked ‘B’ in Fig.1 Cable entry is through the most appropriate cut-out
Connections
Use a three-core cable with a minimum conductor size of 1.0mm for a 2kW heater, or 1.5mm for a 3kW heater to connect the unit to the supply. Connect the incoming wires to the terminal block as follows;
TERMINAL 1 – LIVE in
TERMINAL 2 – NEUTRAL in
TERMINAL 3 – NEUTRAL(s) out to immersion heater(s)
TERMINAL 4 – LIVE out to Boost immersion heater
TERMINAL 5 – LIVE out to Off-Peak immersion heater
Clamp all surface wiring adjacent to the box or use trunking where appropriate. Secure the heat-resistant flexible cords from the immersion heaters using the cable clamp in the box.

Single Element Immersion Heaters
The 3 core flexible cord should be heat-resistant and rated to 85°C.TERMINAL 4 (Boost live output) should be connected to TERMINAL 5 (Off-Peak live output) and to the immersion heater. The Neutral connection should go to TERMINAL 3 and the Earth connection to the EARTH TERMINALS.
Dual Element Immersion Heaters
The elements should be controlled through separate thermostats. In practice, the thermostat for the top short element is usually set 5-10°C less than the thermostat for the long Off-Peak element. The 3 core flexible cords should be heat-resistant and rated 85°C. TERMINAL 4 (boost live output) should be connected to the short element and TERMINAL 5 (Off-Peak live output) to the long element. The Neutral connections should go to TERMINAL 3 and the Earth connection to the EARTH TERMINALS.
Twin Immersion Heaters
The thermostat for the top immersion element should be set lower than the thermostat for the bottom immersion heater. The 3 core flexible cords should be heat-resistant and rated 85°C. TERMINAL 4 (boost live output) should be connected to the top immersion heater and TERMINAL 5 (off-peak live output) to the bottom immersion heater. The two Neutral connections should go to TERMINAL 3 and the Earth connections to the EARTH TERMINALS When wiring is complete ensure that all terminal screws, including the earth terminal screws are securely tightened to achieve a minimum torque of .75Nm.
Adjusting The Off-Peak
Time Period After removing the mechanism from its pack, removing the fixing screws, check the OffPeak time period. (The Off-peak switching times are available from the supplying Regional Electricity Company.) If necessary this can be adjusted as detailed below. Ensure that the Timeswitch is not connected to the mains supply.
The adjustable dial has been designed so that the ON and OFF time cams can be set between11:30pm and 9:00 am in steps of 15 minutes.The cams can be set between the minimum setting of 4½ hours to a maximum of 7 hours.
The cams will have been pre-set on production, if a different time setting is required the cams should be adjusted before installation. All adjustments are made from the back of the front cover.
First, rotate the dial until the Orange ON cam is visible (See diagram). Locate a screwdriver in the slot and press cam away from the underside of dial. Because of the stops, the Blue OFF cam may have to be re-positioned before the ON cam can be set. The
cam can now be positioned at the desired time, by sliding it clockwise or anticlockwise on the dial. Through the clear panel located on the face of the dial you can observe the position of the cam. Removing the screwdriver will automatically lock the cam in position. Both the Blue and Orange cams are set with a similar operation.
Where the 2-Rate electricity meter is controlled by a Radio Teleswitch or other equipment which control tariffs remotely or seasonally, before setting the cams you must find out from the Customer Services Centre of your Electricity Supplier whether the Off-Peak times are switched on GMT throughout the year or altered by one hour during BST. (This department can also provide information regarding off-peak electricity timings). If they are switched according to GMT the dial can be set as above. If they change according to BST ensure the dial is adjusted so that the OFF time is set one hour before the end of the Off-Peak period.
Completing The Installation
To assemble the controller to its mounting box first push the connectors numbered 1 – 5 into the corresponding numbered terminal as shown in Fig.1
Carefully offer the controller to the box and secure with the fixing screws, ensuring the wiring does not become damaged. Switch on the mains supply, put the rocker switch in the TIMED position.The battery requires charging before the clock will rotate, this can take up to 15 minutes.
Questions and Answers
| On installation, the clock does not rotate | The battery requires charging before the clock will rotate, this can take up to 15 minutes. |
| How do i know if it is still under warranty? | Economy 7 Quartz comes with a 2 year guarantee from the date of manufacture. This date is located on the rear of the unit, indicated by a month over a year. The Economy 7 Quartz must only be removed from it’s backbox by a qualified electrician. |
| How long will the battery back-up last on Economy 7 Quartz? | The battery will continue the clock rotating for 150 Hours and will be recharged when the mains power supply is restored. |
Specification
13A 230V AC 50Hz
Electro-Mechanical
Suitable for immersion heaters up to 3kW
Live Parts – Enclosed
Dirt protection – Normal situation
Moisture protection – Ordinary
Operating Temperature – 0 – 35° C
Shock protection – Class 1
Contacts – Micro-disconnection
Battery reserve – 150 Hours
Size – 170mm x 115mm x 56mm (excluding rocker switch)

Secure Meters (UK) Ltd
Secure House, Lulworth Close,
Chandler’s Ford,
Eastleigh, SO53 3TL, UK
t: +44 1962 840048 f: +44 1962 841046
www.securemeters.com
Part Number P27956 Issue 19
















