INSTALLATION, SERVICE & PARTS MANUAL
Series: PFC4NC
4.5 – 15 HP • 1750 RPM • 60 Hz
Submersible Solids Handling Pumps
877-24PUMPS • www.powerflopumps.com
ISP No: PFC4NC ISP – 3/2023
PFC4NC
Submersible Solids Handling Pumps
General Safety Information
Before installation, read the following instructions carefully. Failure to follow instruction and Safetzinsert fingers in pump with power connected.
Always wear eye protection when working on pumps. Do not wear loose clothing that may become entangled in moving parts![]()
Pumps build up heat and pressure during operation. Allow time for pumps to cool before handling or servicing.![]()
This pump is not intended for use in swimming pools or water installations where human contact with pumped fluid.
Risk of electric shock To reduce risk of electric shock, always disconnect pump from power source before handling. Lock out power & tag.
Do not us these pumps in water over 104˚F. Do not exceed manufactures recommended maximum performance, as this could cause the motor to overheat.![]()
Do not lift, carry or hang pump by the electrical cables. Damage to the electrical cables can cause shock, burnes or death. Never handle connected power cords with wet hands. Use appropriate lifting device.
Sump and sewage pumps often handle materials which could cause illness or disease. wear adequate protective clothing when working on a used pump or piping. Never enter a basin after it has been used.![]()
Do Failure to permanently ground the pump, motor and controls before connecting to power can causeshock, burns or death.![]()
These pumps are NOT to be installed in locations classified as hazardous in accordance with the National Electric Code, ANSI/NFPA 70.
WARNING: CANCER AND REPRODUCTIVE HARMWWW.P65WARNINGS.CA.GOV IMPORTANT!
Prior to installation, record Model
Number, MFG Date, Amps, Voltage, Phase and HP, from pump name plate for future reference. Also record the Voltage and Current Readings at Startup:
| 1 Phase Models | ||
| Amps: | Volts: | |
| 3 Phase Models | ||
| Amps L1-2: | Volts L1-2: | |
| Amps L2-3: | Volts L2-3: | |
| Amps L3-1: | Volts L3-1: | |
Model Number: ____________________
MFG Date: ____________
PHASE: ______ HP: _________________
Description
Submersible solids handling sewage pump designed for typical raw sewage applications.
Specifications
| DISCHARGE | 4” 125 lb., ANSI Flange Horizontal |
| LIQUID TEMPERATURE | 104°F Continuous |
| MOTOR HOUSING | Cast Iron, Class 30 |
| VOLUTE | Cast Iron, Class 30 |
| IMPELLER | 2 vane open type with pump out vanes on back side, Dynamically balanced, ISO G6.3, Cast Iron, Class 30 |
| SOLIDS HANDLING | 3” spherical |
| SHAFT | 416 Stainless steel |
| SEALPLATE | Cast Iron, Class 30 |
| SQUARE RINGS | Buna-N |
| HARDWARE | 316 Stainless steel |
| PAINT | Air dry enamel |
| SEAL | Double mechanical, 1.25”, Type “K”, U.S. Seal, Oil Filled pressure equalized reservoir, Carbon/Ceramic/Buna-N, inner Silicon Carbide/ Buna-N, outer seal |
| UPPER BEARING | Single row, ball, oil lubricated |
| LOWER BEARING | Double row, ball, oil lubricated |
| POWER CORD | 25 Ft. Cord. Epoxy sealed housing with secondary Pressure grommet for sealing and strain relief. |
| MOTOR | Class F Insulation, Oil Filled |
| SINGLE PHASE | Capacitor Start/Capacitor Run. Requires Starter/Panel which includes capacitors and overload protection. |
| THREE PHASE | 230/460 Volt. Dual Voltage.Requires overload protection to be included in control panel. |
| MOISTURE SENSOR | Normally open (N/O), requires relay in control panel |
| TEMPERATURE SENSOR | Normally closed (N/C), requires relay in control panel |
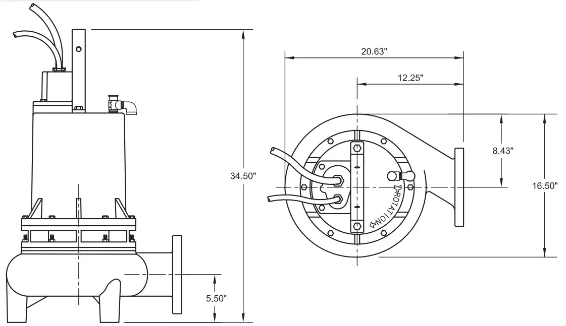
Specifications & Dimensions

| MODEL | HP | Volt/PH | Hz | RPM (Nom) | NEMA Start Code | Full Load Amps | Locked Rotor Amps | Cord Size | Cord Type | Cord O.D inch |
| PFC4NC4524* | 4.5 | 230/1 | 60 | 1750 | A | 26.0 | 59.0 | 10/4 | SEOOW | 0.702 |
| PFC4NC4534 | 4.5 | 230/3 | 60 | 1750 | E | 17.6 | 56.0 | 10/4 | SEOOW | 0.702 |
| PFC4NC4544 | 4.5 | 460/3 | 60 | 1750 | E | 8.8 | 28.0 | 10/4 | SEOOW | 0.702 |
| PF4CNC7534 | 7.5 | 230/3 | 60 | 1750 | D | 23.6 | 80.0 | 10/4 | SEOOW | 0.702 |
| PF4CNC7544 | 7.5 | 460/3 | 60 | 1750 | D | 13.4 | 40.0 | 10/4 | SEOOW | 0.702 |
| PF4CNC11334 | 11.3 | 230/3 | 60 | 1750 | D | 28.4 | 126.0 | 10/4 | SEOOW | 0.702 |
| PF4CNC11344 | 11.3 | 460/3 | 60 | 1750 | D | 14.2 | 63.0 | 10/4 | SEOOW | 0.702 |
| PFC4NC15034 | 15 | 230/3 | 60 | 1750 | D | 40.0 | ||||
| PFC4NC15044 | 15 | 460/3 | 60 | 1750 | D | 20.0 | 80.0 | 8/4 | SEOOW | 0.778 |
| MODELS | START RELAY | START CAPACITOR | RUN CAPACITOR |
| PF4CNC4524 | MARS 64 | 233-280 mfd – 250 volt, MARS 11053 | 60 mfd – 370 volt, MARS 12087 |
Winding resistance ± 5% at terminal block. Rated operation at ± 10% voltage at motor.
Moisture/Temperature sensor cable for all models is 18/5 SOW, 0.476 inch O.D.
(*) IMPORTANT! – These pumps require a control panel with start, run capacitors and relay. Capacitor kits which include Start & Run capacitors and start relay, are available if a Power-Flo control panel is not used. See page 14.
Performance

Receiving & Installation
Receiving Inspection
Upon receiving the pump, it should be inspected for damage or shortages.
If damage has occurred, file a claim immediately with the company that delivered the pump. If the manual is removed from the packaging, do not lose or misplace.
Storage
Any product that is stored for a period longer than six (6) months from the date of purchase should be bench tested prior to installation. A bench test consists of, checking the impeller to assure it is free turning and a runtest to assure the motor (and switch if provided) operate properly. Do not pump out of liquid.
Controls
Manual models require a separate approved pump control device or panel for automatic operation. Be sure the electrical specification of the control selected properly match the electrical specifications of the pump.
Submergence
The pump should always be operated in the submerged condition. The minimum sump liquid level should never be less than above the pump’s volute (See Figure 1).
Installation
These pumps are recommended for use in a sump, basin or lift station. The sump, basin or lift station shall be sealed and vented in accordance with local plumbing codes. This pump is designed to pump sewage, effluent or wastewater, nonexplosive and noncorrosive liquids and shall NOT be installed in locations classified as hazardous in accordance with the National Electrical Code (NEC) ANSI/ NFPA 70 or Canadian Electric Code (CEC). The pump should never be installed in a trench, ditch, or hole with
a dirt bottom. The legs will sink into the dirt and the suction will become plugged.
The installation should be at a sufficient depth to ensure that all plumbing is below the frost line. If this is not feasible, remove the check valve and size the basin to accommodate the additional backflow volume.
Pumps are most commonly installed in simplex, duplex or triplex stations or basins with a slide rail system, which allows the pump(s) to be installed or removed without requiring personnel to enter the station, or resting on the basin floor.
Discharge Piping
Discharge piping should be as short as possible and sized no smaller than the pump discharge. Do not reduce the discharge pipe size below that which is provided on the pump.
Both a check valve and a shut-off valve are recommended for each pump. The check valve is used to prevent backflow into the sump. The shut-off valve is used to manually stop system flow during pump servicing.
Liquid Level Controls
The level control(s) should be mounted on the discharge piping, a cable rack or float pole. The level control should have adequate clearance so it cannot hang up in it’s swing and that the pump is completely submerged when the level control is in the “Off” mode. By adjusting the cord tether the control level can be changed. One cycle of operation should be observed, so that any potential problems can be corrected.
It is recommended that the level control float should be set to insure that the liquid in the sump never drops below the top of the motor housing or a minimum level of 10 inches above the basin floor.
Electrical Connections
Power/control cables:
The power/control cables mounted to the pump must not be modified in any way except for shortening to a specific application. Any splice between the pump and the control panel must be made in accordance with the electric codes. It is recommended that a junction box, if used, be mounted outside the sump or be of at a minimum Nema 4 construction if located within the wet well. DO NOT USE THE POWER/ CONTROL CABLES TO LIFT PUMP. Always rely upon a Certified Electrician for installation.
Installation & Service
Overload Protection:
Single Phase – The stator in-winding overload protector used is referred to as an inherent overheating protector and operates on the combined effect of temperature and current. This means that the overload protector will trip out and shut the pump off if the windings become too hot, or the load current passing through them becomes too high.
IMPORTANT ! – The overload will then automatically reset and start the pump up after the motor cools to a safe temperature. In the event of an overload, the source of this condition should be determined and corrected immediately.
WARNING! – DO NOT LET THE PUMP CYCLE OR RUN IF AN OVERLOAD CONDITION OCCURS !
Three Phase – The Normally Closed (N/C) thermal sensor is embedded in the motor windings and will detect excessive heat in the event an overload condition occurs. The thermal sensor will trip when the windings become too hot and will automatically reset when the pump motor cools to a safe temperature. It is recommended that the thermal sensor be connected in series to an alarm device to alert the operator of an overload condition, and/or the motor starter coil to stop the pump. In the event of an overload, the source of this condition should be determined and repaired. DO NOT LET THE PUMP CYCLE OR RUN IF AN OVERLOAD CONDITION OCCURS!
Moisture Sensors – A normally open (N/O) sensor rated of 1 watt @330K ohms, 500 volt, is installed in the pump seal chamber which will detect any moisture present. It is recommended that this detector be wired in series to an alarm device or motor starter coil to alert the operator that a moisture detect has occurred. In the event of a moisture detect, check the individual moisture sensor probe leads for continuity, (∞ resistance = no moisture) and the junction box/control box for moisture content. These situations may induce a false signal in the moisture detecting circuit. If none of the above test prove conclusive, the pump(s) should be pulled and the source of the failure repaired. IF
A MOISTURE DETECT HAS OCCURRED MAINTENANCE SHOULD BE PERFORMED AS SOON AS POSSIBLE!
If current through the temperature sensor exceeds the values listed, an intermediate control circuit relay must be used to reduce the current or the sensor will not work properly.
| TEMPERATURE SENSOR ELECTRICAL RATINGS | ||
| Volts | Continuous Amperes | Inrush Amperes |
| 110-120 | 3.00 | 30.0 |
| 220-240 | 1.50 | 15.0 |
| 440-480 | 0.75 | 7.5 |
| 600 | 0.60 | 6.0 |
Wire Size: If longer power cable is required consult a qualified electrician for proper wire size.
Pre-Operation
- Check Voltage and Phase – Compare the voltage and phase information stamped on the pump name plate.
- Check Pump Rotation – Improper motor rotation can result in poor pump performance and can damage the motor and/or pump. Check rotation on three phase units by momentarily applying power and observe the “kickback”.
“Kickback” should always be in a counter-clockwise direction as viewed from motor end or opposite to impeller rotation. Incorrect rotation for Single-Phase pumps is unlikely. If the rotation is incorrect contact factory. - Name Plate – Record the information from the pump name plate to drawing in front of manual for future reference.
- Insulation Test – An insulation (megger) test should be performed on the motor. Before the pump is put into service. The resistance values (ohms) as well as the voltage (volts) and current (amps) should be recorded.
- Pump-Down Test – Be sure pump has been properly wired, lowered into the basin, sump or lift station, check the system by filling with liquid and allowing the pump to operate through its pumping cycle. The time needed to empty the system, or pump-down time along with the volume of water, should be recorded.
Service
Maintenance
No lubrication or maintenance is required.
Perform the following checks when pump is removed from operation or when pump performance deteriorates:
a). Inspect motor and seal chambers for oil level and contamination.
b). Inspect impeller and body for excessive build-up or clogging.
c). Inspect motor, bearings and replace if required.
d.) Inspect seal for wear or leakage, replace if required.
Servicing
Reference Figures 6 .
Cooling Oil – Anytime the pump is removed from operation, the cooling oil in the motor housing should be checked visually for oil level and contamination.
To check oil, set unit upright. Remove cap screws (6), lift conduit box assembly (4) from motor housing (3), Do Not disconnect wiring from motor leads. With a flashlight, visually inspect the oil in the motor housing (3) to make sure it is clean and clear, light amber in color and free from suspended particles. Milky white oil indicates the presence of water. Oil level should be just above the motor when pump is in vertical position. Seal Chamber – Drain oil from seal chamber by placing pump on its side with pipe plug (18) downward and remove pipe plug (18). If the oil is found to contain considerable water or other contamination, the shaft seal (19) should be inspected and replaced if required.
Oil Testing
- Drain oil into a clean, dry container by placing pump on it’s side, remove cap screws (6), lift conduit box assembly (4) from motor housing (3). In sepatatecontainer drain seal chamber by removing pipe plug (18).
- Check oil for contamination using an oil tester with a range to 30 Kilovolts breakdown.
- If oil is found to be clean and uncontaminated (measuring above 15 KV. breakdown), refill the housing.
- If oil is found to be dirty or contaminated (or measures below 15 KV. breakdown), the pump must be carefully inspected for leaks at the shaft seal, conduit box, o-rings, pipe plug and pressure valve, before refilling with oil. To locate the leak, perform a pressure test. After leak is repaired, dispose of old oil properly, and refill with new oil.

![]()
Pressure builds up extremely fast, increase pressure by “TAPPING” air nozzle. Too much pressure will damage seal. DO NOT exceed 10 P.S.I. in motor housing and 20-25 P.S.I. in seal chamber
Pressure Test
Motor Housing – Oil should be at normal level. Remove pressure valve (10) from motor housing (3). Apply pipe sealant to pressure gauge assembly and tighten into hole (See Figure 2). Pressurize motor housing to 10 P.S.I. Use soap solution around the sealed areas above the oil level and inspect joints for “air bubbles”. If, after five minutes, the pressure is still holding constant, and no “bubbles” /oil seepage is observed, slowly bleed the pressure and remove the gauge assembly. Replace oil. Leek must be located and
repaired if pressure does not hold.
Seal Chamber – Check that seal chamber is full of oil by removing pipe plug (18).
Apply pipe sealant to pressure gauge assembly and tighten into hole in bearing bracket (16). Pressurize seal chamber to20-25 PSI and check for leaks.
Oil Replacement – Set unit upright and refill with new cooling oil as per table.
Fill to just above motor as an air space must remain in the top of the housing to compensate for oil expansion. Reassemble the o-ring (5) and conduit box (4) to motor housing (3). Apply thread locking compound to cap screws (6) and place into holes and torque to 15 ft/lbs.![]()
DO NOT overfill oil. Overfilling of housing with oil can create excessive and dangerous hydraulic pressure which can destroy the pump and create a hazard. Overfilling oil voids warranty.
Oil Replacement: Seal Chamber – Refill chamber completely full with new cooling oil or reuse the uncontaminated oil.
| Cooling Oil Recommended Supplier/Grade | |
| BP | Enerpar SE100 |
| Conoco | Pale Paraffin 22 |
| Mobile | D.T.E. Oil Light |
| Shell Canada | Transformer-10 |
| Texaco | Diala-Oil-AX |
Disassembly
Impeller & Volute – Disconnect power.
Remove hex nuts (24) and vertically lift motor housing and seal plate assembly from volute (31). Clean out volute (31) if necessary. Inspect gasket (30) and replace if cut or damaged. Clean and examine impeller (27), for pitting or wear and replace if required. To remove impeller (27), remove cap screw (29) and washer (28). With a wheel puller, pull impeller straight off shaft and remove square key (13).
Moisture Probes – Drain oil from seal chamber, if not already done. Remove cap screws (9) and lifting handle (8). Set unit upside down on blocks to avoid damaging cables. Remove socket head cap screws (22) and lift seal plate (20), with seal’s (19) stationary, vertically from bearing bracket (16), do not damage seal. Check moisture sensor probes (35) for damage, replace by removing screws (38) and disconnecting wires (34). Then remove probes (35) from bearing bracket (16).
Diaphragm – with seal plate (20) removed, examine diaphragm (21) for ruptures or crackes. Replace diaphragm by removing capscrews (41) and plate (40). Clean vent holes in seal plate (20). Shaft Seal – Remove outboard rotating member of seal (19), spring and inboard rotating member from shaft. Examine all seal parts.
Inspect seal for signs of uneven wear pattern on stationary members, chips and scratches on either seal face. DO NOT interchange seal components, replace the entire shaft seal (19). If replacing seal, remove stationary by prying out with flat screwdrive.
Motor and Bearings – Remove volute, impeller, seal plate and seal as previously stated and drain oil from motor housing (3). Position unit upright, using blocks to avoid resting unit on shaft. Remove cap screws (6) o-ring (5) and conduit box assembly (4) from motor housing (3). Note connections and then remove cable lead wires from motor lead wires and moisture & temperature sensor wires from controlcable by removing connectors. Remove cap screws (12) and vertically lift the motor housing (3) from bearing bracket (16). Replace square ring (15) if damaged or cut. Remove the upper motor bolts and lift upper end bell from motor (1). Removewave washer. Remove upper bearing (2) with a wheel puller if damaged or worn.
Vertically lift stator (1) from rotor/shaft. Inspect windings for shorts and resistance. Test the temperature sensors by checking for continuity between the black and white wires. If defective contact factoryor motor service station. Pull motor rotor/ shaft with bearing (14) from bearing bracket (16). Remove bearing (14) with a wheel puller if worn or damaged. If rotor or stator windings are defective, replace the complete motor.
IMPORTANT! – All parts must be clean before reassembly. Reassembly
Bearings – Replace bearings, being careful not to damage the rotor or shaft. If equipped, fill notch should face the rotor core for both upper and lower bearings.
Apply adhesive compound to the shaft and press bearing (14) onto shaft, position squarely onto the shaft applying force to the inner race of bearing only, until bearing seats on shoulder of the shaft.In the same manner, assemble upper bearing (2) to shaft.
Motor – Slide rotor with bearing (14) into bearing bracket (16) until bearing seats on the bottom. Position motor housing and stator into pilot, install wave washers inupper end bell.
IMPORTANT! Special wave washers in upper motor housing are required to compensate for shaft expansion. These washers must be properly reinstalled to give the required constant down force onthe motor shaft.
Position upper motor end bell aligning holes and thread cap screws into bearing bracket (16) and torque to 16 ft./lbs.
Place all motor leads above the motor. Position square ring (15) on bearing bracket (16) and lower housing (3) over motor and into pilot, aligning handle so that it is parallel to motor end bell reliefs.
Apply thread locking compound to threads on cap screws (12) and place into holes and torque to 24 ft./lbs. Handle seal parts with extreme care. DO NOT damage lapped surfaces.
Seal/Diaphragm – (See Figure 3) Clean and oil seal cavities in bearing bracket (16) and seal Plate (20). Lightly oil (Do not use grease) outer surface of inboard and outboard stationary members of seal (19). Press inboard stationary member firmly into bearing bracket (16) and outboard stationary into seal plate (20), using a seal pusher tool. Nothing but the seal pusher tool is to come in contact with seal face.
IMPORTANT! Hammering on the seal pusher tool will damage the seal face.
Be sure the stationary members are in straight and that the rubber ring is not out of it’s groove. Lightly oil (Do not use grease) shaft and inner surface of bellows on rotating member. With lapped surface facing bearing bracket (16), slide rotating member onto shaft using seal pusher tool, until lapped faces are together. It is extremely important to keep seal faces clean during assembly. Dirt particales lodged between faces will cause the seal to leak.
Be sure driving lugs in retainer are matched in rotating member of seal (19). Place spring over shaft and in place on rotating member, making sure it is seated in retainer and not cocked or resting on bellows tail. Lightly oil shaft and inner surface of outboard rotating member.
With tail section toward bearing bracket (16), slide rotating member onto shaft with seal pusher tool until retainer engages spring and spring is compressed slightly. Spring should be properly engaged in both retainers. 
Reassemble the diaphragm (21) with “bulg” facing seal plate (20). Place plate (40) on diaphragm (21) and insert capscrews (41) into plate and tighten.
Place seal plate (20) over shaft onto bearing bracket (16), being careful not to damage outboard stationary member and align holes for cap screws (22).
Thread cap screws (22) into bearing bracket (16) and tighten. Refill chamber with oil.
Conduit Box Assembly – Check power (32) and control (33) cables for crackes or damage and replace complete conduit box (4) if required. (See Figure 4) Bring motor wires through opening in top of motor housing (3), check sleeving and replace if damaged. Position square ring (5) in conduit box (4) and reconnect leads using connectors and insulators. See Figures 5, for wiring schematics. Refill with cooling oil. Position conduit box (4) with square ring (5) on motor housing. Apply thread locking compound to cap screws (6) threads and torque to 16 ft./lbs.
Remove gland nuts (32B) & (33B), friction rings (32C) & (33C), and grommets (32D) & (33D) from conduit box (4), inspect and replace if damaged (See Figure 4). Reassemble by inserting one friction ring, grommet, one more friction ring and gland nut into conduit box. Torque gland nuts to 15 ft./lbs. to prevent leakage.
Impeller & Volute – Install impeller (27) by appling a thin film of oil to motor shaft and slide impeller straight onto shaft, keeping keyways lined up. Drive key (13) into keyway. Locate washer, apply thread lock primer (such as Loctite® Primer T), let set per manufactures’ directions. Apply thread locking compound to threads on cap screw (29), and thread into shaft and torque to 35 ft./lbs.
Place gasket (30) on volute and install impeller and motor assembly over studs and onto volute (31). Apply thread locking compound to threads of studs (23) and thread nuts (24) onto studs and torque to 24 ft./lbs. Check for binding by rotating impeller. Clearance between the impeller and volute should be approximately 0.012 inch.
| SINGLE PHASE 230 VOLT AC | |
| Capacitor/Relay Pack For Control Panels | |
| P/N: PF73301 | For PF4NC4524 & PF4NC7524 |

| SINGLE PHASE 230 VOLT AC | |
| Power Cable | Motor Lead Number |
| Green (Ground) | Green |
| Black | 1 – Run (Main) |
| Red | 2 – Start |
| White | 3 – Common |

| THREE PHASE 460 VOLT AC | |
| Power Cable | Motor Lead Number |
| Green (Ground) | Green |
| Black | 1 |
| Red | 2 |
| White | 3 |
| T4 & T7 Together | |
| T5 & T8 Together | |
| T6 & T9 Together | |
Figures 5

| THREE PHASE 208-230 VOLT AC | |
| Power Cable | Motor Lead Number |
| Green (Ground) | Green |
| Black | 1 & 7 |
| Red | 2 & 8 |
| White | 3 & 9 |
| T4, T5 & T6 Together | |

| MOISTURE & TEMPERATURE SENSORS | |
| Control Cable | Lead Number |
| Green (Ground) | Green |
| Black | P1 (Temp Sensor) |
| White | P2 (Temp Sensor) |
| Red | W1 (Moisture Sensor) |
| Orange | W2 (Moisture Sensor) |
Repair Parts
For Repair Part Please supply: Model Number and MFG Date as shown on Name Plate, and Part Description and Part Number as shown on Parts List.

| Ref. No. | Qty | Name | Used On | Part Number | |
|
1 |
|
1 |
Motor: | PFC4NC4524 – 1 Ph, 230 | PF40040025 |
| PFC4NC4534, 44 – 3 Ph, 208-230/460 | PF40040021 | ||||
| PFC4NC7534, 44 – 3 Ph, 208-230/460 | PF40040022 | ||||
| PFC4NC11334, 44 – 3 Ph, 208-230/460 | PF40040023 | ||||
| PFC4NC15034, 44 – 3 Ph, 208-230/460 | PF40040024 | ||||
| 2 | 1 | Bearing (upper) | PF31020012 | ||
| 3 | 1 | Motor Housing | PF03100003 | ||
| 4 | 1 | Conduit Box | PF03100004 | ||
| 5 | 1 | Square ring | PF92010085 | ||
| 6 | 4 | Cap Screw 3/8-16 x 1” Lg., Stainless | |||
| 7 | 8 | Wire Connector | 230 Volt | PF94010012 | |
| 11 | 460 Volt | ||||
| 8 | 1 | Lifting Handle | PF30400844 | ||
| 9 | 2 | Cap Screw 1/2-13 x 1-1/4” Lg., Stainless | |||
| 10 | 1 | Pressure Relief Valve | PF31200021 | ||
| 11 | 1 | Elbow | PF93010011 | ||
| 12 | 6 | Cap Screw 3/8-16 x 2” Lg., Stainless | |||
| 13 | 1 | Key | PF30400633 | ||
| 14 | 1 | Bearing (Lower) | PF31020011 | ||
| 15 | 1 | Square Ring Gasket | PF92010052 | ||
| 16 | 1 | Bearing Housing | PF03040008 | ||
| 17 | 1 | Pipe 3/8” x 3” | PF93010066 | ||
| 18 | 1 | Pipe Plug 3/8” | PF93010121 | ||
| 19 | S◊ | 1 | Mechanical Seal, 1.25” C/C/B inner & S/S/B outer | PF31030148 | |
| 20 | 1 | Seal Plate | PF03180013 | ||
| 21 | S◊ | 1 | Diapragm | PF31040001 | |
| 22 | 2 | Socket Hd Screw, 1/4-20UNC x 1” Lg., Stainless | |||
| 23 | 6 | Studs 3/8-16 x 2” Lg., Stainless | |||
| 24 | 12 | Hex Nuts 3/8-16 | |||
| 25 | 2 | Shim washer 0.010” | PF91010121 | ||
| 26 | 2 | Shim washer 0.030” | PF91010130 | ||
|
27 |
|
1 |
Impeller | Std for 4.5HP, 6.50” Dia | PF03140030C |
| Std for 7.5HP, 7.00” Dia | PF03140030D | ||||
| 7.12” Dia | PF03140030 | ||||
| 7.75” Dia | PF03140030B | ||||
| Std for 11.3HP, 8.00” Dia | PF03140038E | ||||
| 8.31” Dia | PF03140038 | ||||
| Std for 15HP, 8.50” Dia | PF03140038F | ||||
| 9.00” Dia | PF03140038B |
= Aquire standard hardware locally.
◊ = Seal/Gasket Kit
= Supplied as individual items
■ = Seal Probe Kit
= Overhaul Kit
| Ref. No. | Qty | Name | Used On | Part Number | |
| 28 | 1 | Impeller Lockwasher | PF30400413 | ||
| 29 | 1 | Hex Hd Screw 1/2-13 x 1-1/4” Lg., Stainless | PF91010350 | ||
| 30 | 1 | Volute Gasket | PF92010084 | ||
| 31 | 1 | Volute | PF03090035 | ||
| ¶ | 1 | Conduit Box & Cable Assembly, Includes: 5, 32, 32B, 32C, 32D, 33, 33B, 33C, 33D | PF072448 | ||
| 32 | 1 | Power Cable | 25 Ft. 10/4 SOW | PF31030003 | |
| 32B | 1 | Hex Hd Plug | 10/4 SOW | PF30400903 | |
| 32C | 2 | Washer | 10/4 SOW | PF91010055 | |
| 32D | 1 | Grommet | 10/4 SOW | PF92010001 | |
| 33 | 1 | Moist & Temp Cord Set | 25 Ft. 18/5 SOW | PF31030005 | |
| 33B | 1 | Hex Hd Plug | 18/5 SOW | PF30400901 | |
| 33C | 2 | Washer | 18/5 SOW | PF91010057 | |
| 33D | 1 | Grommet | 18/5 SOW | PF92010005 | |
| 34 | ■ | 2 | Wire Assy. (Moisture Sensor) | PF31030011 | |
| 35 | ■ | 2 | Moisture Sensor | PF31160001 | |
| 36 | ■ | 2 | Machine Screw 6-32 x 1/4” Stainless | ||
| 37 | 1 | Ground Screw 1/4” x 1/2” | |||
| 38 | 1 | Round Terminal, 5/16” | PF94010044 | ||
| 39 | 2.5 Gal | Cooling Oil (Motor Housing) | |||
| 35 Oz. | Cooling Oil (Seal Chamber) | ||||
| 40 | 1 | Diaphragm plate | PF03160002 | ||
| 41 | 4 | Screw 1/4-20 x 1” Stainless | |||
| Repair Kits | |||||
| S | OVERHAUL KIT – To include items: 2, 5, 10, 13, 14, 15, 19, 21, 25, 26, 28, 29, 30 | PF4NC-OHK | |||
| ◊ | SEAL KIT – To include items: 15, 19, 21, 30 | PF4NC-SK | |||
| ■ | SEAL PROBE KIT – Includes items: 34, 35, 36 | PF69775-1 | |||
Recommended Moisture & Temperature Sensor Relays for control panel (or equal):
P/N: PF0861 – Warrick relay #IDIEO rated for 25 volt amperes, 115 volt input, 500 volt output (one per pump).
P/N: PF0876 – IDEC relay #RH2BUAC120V (one per pump).
Recommended Capacitor Pack:
P/N: PF73301 – For PFC4NC4524, 230 volt, 1 phase.
= Aquire standard hardware locally.
◊ = Seal/Gasket Kit
= Overhaul Kit
= Supplied as individual items
■ = Seal Probe Kit
Trouble Shooting Chart
Risk of electric shock. Always disconnect the pump from the power source before handling inspections or repairs.
| Symptom | Possible Cause(s) | Corrective Action |
|
Pump will not run | 1. Poor electrical connection, blown fuse, tripped breaker or other interruption of power; improper power supply 2. Motor or switch inoperative (go to manual operation) 2a. Float movement restricted 2b. Switch will not activate pump or is defective 2c. Defective motor 3. Insufficient liquid level | 1. Check all electrical connections for security. Have electrician measure current in motor leads, if current is within ± 20% of locked rotor Amps, impeller is probably locked. If current is 0, overload may be tripped. Remove power, allow pump to cool, then re-check current. 2a. Reposition pump or clean basin as required to provide adaquate clearance for float 2b. Disconnect level control. Set ohmmeter for a low rang, such as 100 ohms full scale and connect to level control leads. Actuate level control manually and check to see that ohmmeter shows zero ohms for closed switch and full scale for open switch. (Float Switch) 2c. Check winding insulation (Megger Test) and winding resistance. If check is outside of range, dry and re-check. If still defective, replace per service instructions. 3. Make sure liquid level is above the pump 4. Re-check all sizing calculations to determine proper pump size. 5. Check discharge line for restrictions, including ice if line passes through or into cold areas. 6. Remove and examine check valve for proper installation and freedom of operation 7. Open valve 8. Check impeller for freedom of operation, security and condition. Clean impeller cavity and inlet of any obstruction 9. Loosen union slightly to allow trapped air to escape. Verify that turn-off level of switch is set so that the suction is always flooded. Clean vent hole 10. Check rotation. If power supply is three phase, reverse any two of three power supply leads to ensure proper impeller rotation 11. Repair fixtures as required to eliminate leakage 12. Check pump temperature limits and fluid temperature 13. Replace portion of discharge pipe with flexible connector or tighten existing piping. 14. Turn to automatic position 15. Check for leaks around basin inlet and outlets |
|
Pump will not turn off | 2a. Float movement restricted 2b. Switch will not activate pump or is defective 4. Ecessive inflow or pump not properly sized for application 9. Pump may be air locked causing pump not to flow 14. H-O-A switch on panel is in “HAND” position | |
| Pump hums but doesn’t run | 1. Incorrect low voltage 8. Impeller jammed or loose on shaft, or inlet plugged | |
|
Pump delivers insufficient capacity | 1. Incorrect low voltage 4. Ecessive inflow or pump not properly sized for application 5. Discharge restricted 6. Check valve partially closed or installed backwards 7. Shut-off valve closed 8. Impeller jammed or loose on shaft, or inlet plugged 9. Pump may be air locked causing pump not to flow 10. Piping fixtures leaking or discharge before the nozzle | |
| Pump cycles too frequently or runs periodically when fixtures are not in use | 6. Check valve partially closed or installed backwards 11. Fixtures are leaking 15. Ground water entering basin | |
| Pump shuts off and turns on independent of switch, (trips thermal overload protector). CAUTION! Pump may start unexpectedly. Disconnect power supply. | 1. Incorrect low voltage 4. Ecessive inflow or pump not properly sized for application 8. Impeller jammed or loose on shaft, or inlet plugged 12. Excessive water temperature (internal protection only) | |
|
Pump operates noisily or vibrates excessively | 2c. Worn bearings, motor shaft bent 5. Debris in impeller cavity or broken impeller 10. Pumprunning backwards 13. Piping attachments to building structure too loose or rigid |
LIMITED WARRANTY
Manufacturer warrants, to the immediate purchaser and subsequent initial owner during the warranty period, every new pump to be free from defects in material and workmanship under normal use and service, when properly used and maintained, for a period of eighteen (18) months from date of manufacture or twelve (12) months from date of installation (which ever comes first). Failure due to wear due to excessive abrasives is not covered. The initial owner is the purchaser who first uses the pump after its initial installation, or for non-permanent installation, the first owner who uses the pump. The date of installation shall be determined by a dated sales receipt noting the model and serial number of the pump. The dated sales receipt must accompany the returned pump. Product will be repaired, replaced or remanufactured at Manufacturer’s option. No allowance will be made for shipping charges, damages, labor or other charges that may occur due to product failure, repair or replacement. This warranty does not apply to and there shall be no warranty for any material or product that has been disassembled without prior approval of Manufacturer, subjected to misuse, misapplication, neglect, alteration, accident or act of God; that has not been installed, operated or maintained in accordance with Manufacturer’s installation instructions; that has been exposed to outside substances including but not limited to the following: sand, gravel, cement, mud, tar, hydrocarbons, hydrocarbon derivatives (oil, gasoline, solvents, etc.), or other abrasive or corrosive substances, wash towels or feminine sanitary products, etc. in all pumping applications. The warranty set out in the paragraph above is in lieu of all other warranties expressed or implied; and we do not authorize any representative or other person to assume for us any other liability in connection with our products. Contact Manufacturer at: 1-877-24PUMPS or www.powerflopumps.com, Attention: Customer Service Department, to obtain any needed repair or replacement of part(s) or additional information pertaining to our warranty.
MANUFACTURER EXPRESSLY DISCLAIMS LIABILITY FOR SPECIAL, CONSEQUENTIAL OR INCIDENTAL DAMAGES OR BREACH OF EXPRESSED OR IMPLIED WARRANTY; AND ANY IMPLIED WARRANTY OF FITNESS FOR A PARTICULAR PURPOSE AND OF MERCHANTABILITY SHALL BE LIMITED TO THE DURATION OF THE EXPRESSED WARRANTY.
Some states do not allow limitations on the duration of an implied warranty, so the above limitation may not apply to you. Some states do not allow the exclusion or limitation of incidental or consequential damages, so the above limitation or exclusion may not apply to you. This warranty gives you specific legal rights and you may also have other rights which vary from state to state.
Power-Flo Pumps & Systems
• 877-24PUMPS
• www.powerflopumps.com




















