SAWO Innova Contactor Unit

Product Information
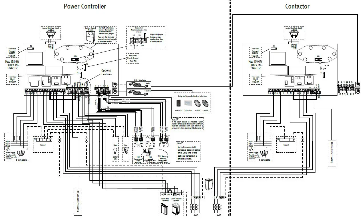
The Innova Contactor Unit is a device developed to distribute the power of a heater to complement the capacity of a control unit. It is not intended for use in the USA, Canada and Mexico. The contactor unit has a primary supply of 160mA and a maximum power rating of 15.0 kW at 400V 3N~ 50-60HZ. The unit comes with a fuse glass, light and optional features such as a temperature sensor, humidity sensor and tank level sensor.
Product Usage Instructions
Before using the contactor unit, read the instruction manual carefully. Only a qualified electrician is allowed to make electrical connections and repairs on the unit and original parts should be used. Follow these precautions:
- Disconnect the Power Controller and the Contactor Unit from the electrical circuit before installation, open the lid of the power controller or contactor unit and repair.
- Check the power supply rating before installation.
- Check the correct location of the sensor in the installation section of the manual.
For built-in controls, remove the interface PCB to access the session time jumper. Make sure that pin header terminal is properly inserted to the UIB socket terminal. Adjust this jumper JPB1 to change max. session time. 6hrs is the factory default. If no door sensor is installed, Door switch terminals in the Power Controller must be connected with each other by a jumper wire from terminal D to terminal D. If the heater used is more than 15 kW, an additional contactor is needed. The contactor unit is linked to the main Power Controller with an RJ12 cable (Fig.2).
INTRODUCTION OF THE INNOVA CONTACTOR
- Congratulations on your purchase of the Innova Contactor Unit!
- Innova Contactor Unit is developed to distribute the heater’s power to complement the control unit’s capacity.
- The following information provides you with instructions on installing the contactor unit.
- Please read this instruction manual carefully before using it.
Precautions
- Only a qualified electrician is allowed to make electrical connections and repairs on the unit. Use original parts only.
- Disconnect the Power Controller and the Contactor Unit from the electrical circuit before installation, open the lid of the power controller or contactor unit and repair.
- Check the power supply rating before installation.
- Check the correct location of the sensor in the installation section of the manual. It is very important to place the temperature sensor correctly as it closeness to the air ventilation cools down the sensor and may lead to overheating.
- The Contactor Unit can be operated in a room temperature of 0-40°C. Do not install it inside the sauna room!
- Do not pour water in the contactor unit or clean it wet cloth. For cleaning purposes, use a cleaning cloth that has been only slightly moistened with a mild soapy solvent (dishwashing detergent).
Technical Diagram

Contactor Unit
- If the heater used is more than 15 kW, an additional contactor is needed. The contactor unit is linked to the main Power Controller with an RJ12 cable (Fig.2).
- Follow the instructions that are supplied together with the contactor unit.
- Installation of the separate control panel with power controller and contactor unit.
- Installation of power controller with built-in control panel with contactor unit.

WARNING
Do not embed the contactor unit into the wall, because it may lead to overheating of the unit and cause damage!
The Contactor Unit Main Switch

- The contactor unit switch can be found on the top end of the unit. Using this switch, you can isolate the electronics from the main power supply.
- In order to put the contactor unit into operation, switch to the first position (switch position I). In this switch position, all control unit’s functions work normally.
- In case of breakdown, press the control unit switch on the left part of the rocker to the middle position (switch position 0). The contactor unit is now completely switched off.
- In order to switch on the light in the sauna when the unit is switched off, press on the left part of the rocker to the second position (switch position II).
www.sawo.com | [email protected]


















