INGCO BMS14007 Mitre Saw

Symbols
The symbols in instruction manual and the label on the tool
![]() | Double insulated for additional protection. |
![]() | Read the instruction manual before using. |
![]() | CE conformity |
![]() | Wear safety glasses, hearing protection and dust mask. |
![]() | Waste electrical products should not be disposed of with household waste. Please recycle where facilities exist. Check with your Local Authority or retailer for recycling advice. |
![]() | Safety alert. Please only use the accessories supported by the manufacturer. |
GENERAL POWER TOOL SAFETY WARNINGS
WARNING Read all safety warnings, instructions, illustrations and specifications provided with this power tool. Failure to follow all instructions listed below may result in electric shock, fire and/or serious injury.
Save all warnings and instructions for future reference.
The term “power tool” in the warnings refers to your mains-operated (corded)power tool or battery-operated (cordless) power tool.
Work area safety
- Keep work area clean and well lit. Cluttered or dark areas invite accidents.
- Do not operate power tools in explosive atmospheres, such as in the presence of flammable liquids, gases or dust. Power tools create sparks which may ignite the dust or fumes.
- Keep children and bystanders away while operating a power tool. Distractions can cause you to lose control.
Electrical safety
- Power tool plugs must match the outlet. Never modify the plug in any way. Do not use any adapter plugs with earthed (grounded) power tools. Unmodified plugs and matching outlets will reduce risk of electric shock.
- Avoid body contact with earthed or grounded surfaces, such as pipes, radiators, ranges and refrigerators. There is an increased risk of electric shock if your body is earthed or grounded.
- Do not expose power tools to rain or wet conditions. Water entering a power tool will increase the risk of electric shock.
- Do not abuse the cord. Never use the cord for carrying, pulling or unplugging the power tool. Keep cord away from heat, oil, sharp edges or moving parts. Damaged or entangled cords increase the risk of electric shock.
- When operating a power tool outdoors, use an extension cord suitable for outdoor use. Use of a cord suitable for outdoor use reduces the risk of electric shock.
- If operating a power tool in a damp location is unavoidable, use a residual current device (RCD) protected supply. Use of an RCD reduces the risk of electric shock.
Personal safety
- Stay alert, watch what you are doing and use common sense when operating a power tool. Do not use a power tool while you are tired or under the influence of drugs, alcohol or medication. A moment of inattention while operating power tools may result in serious personal injury.
- Use personal protective equipment. Always wear eye protection.
Protective equipment such as a dust mask, non-skid safety shoes, hard hat or hearing protection used for appropriate conditions will reduce personal injuries. - Prevent unintentional starting. Ensure the switch is in the off position before connecting to power source and/or battery pack, picking up or carrying the tool. Carrying power tools with your finger on the switch or energising power tools that have the switch on invites accidents.
- Remove any adjusting key or wrench before turning the power tool on. A wrench or a key left attached to a rotating part of the power tool may result in personal injury.
- Do not overreach. Keep proper footing and balance at all times. This enables better control of the power tool in unexpected situations.
- Dress properly. Do not wear loose clothing or jewellery. Keep your hair and clothing away from moving parts. Loose clothes, jewellery or long hair can be caught in moving parts.
- If devices are provided for the connection of dust extraction and collection facilities, ensure these are connected and properly used.
Use of dust collection can reduce dust-related hazards. - Do not let familiarity gained from frequent use of tools allow you to become complacent and ignore tool safety principles. A careless action can cause severe injury within a fraction of a second.
Power tool use and care
- Do not force the power tool. Use the correct power tool for your application. The correct power tool will do the job better and safer at the rate for which it was designed.
- Do not use the power tool if the switch does not turn it on and off. Any power tool that cannot be controlled with the switch is dangerous and must be repaired.
- Disconnect the plug from the power source and/or remove the battery pack, if detachable, from the power tool before making any adjustments, changing accessories, or storing power tools. Such preventive safety measures reduce the risk of starting the power tool accidentally.
- Store idle power tools out of the reach of children and do not allow persons unfamiliar with the power tool or these instructions to operate the power tool. Power tools are dangerous in the hands of untrained users.
- Maintain power tools and accessories. Check for misalignment or binding of moving parts, breakage of parts and any other condition that may affect the power tool’s operation. If damaged, have the power tool repaired before use. Many accidents are caused by poorly maintained power tools.
- Keep cutting tools sharp and clean. Properly maintained cutting tools with sharp cutting edges are less likely to bind and are easier to control.
- Use the power tool, accessories and tool bits etc. in accordance with these instructions, taking into account the working conditions and the work to be performed. Use of the power tool for operations different from those intended could result in a hazardous situation.
- Keep handles and grasping surfaces dry, clean and free from oil and grease. Slippery handles and grasping surfaces do not allow for safe handling and control of the tool in unexpected situations.
Service
- Have your power tool serviced by a qualified repair person using only identical replacement parts. This will ensure that the safety of the power tool is maintained.
Safety instructions for mitre saws
- Mitre saws are intended to cut wood or wood-like products, they cannot be used with abrasive cut-off wheels for cutting ferrous material such as bars, rods, studs, etc. Abrasive dust causes moving parts such as the lower guard to jam. Sparks from abrasive cutting will burn the lower guard, the kerf insert and other plastic parts.
- Use clamps to support the workpiece whenever possible. If supporting the workpiece by hand, you must always keep your hand at least 100 mm from either side of the saw blade. Do not use this saw to cut pieces that are too small to be securely clamped or held by hand. If your hand is placed too close to the saw blade, there is an increased risk of injury from blade contact.
- The workpiece must be stationary and clamped or held against both the fence and the table. Do not feed the workpiece into the blade or cut “freehand” in any way. Unrestrained or moving workpieces could be thrown at high speeds, causing injury.
- Push the saw through the workpiece. Do not pull the saw through the workpiece. To make a cut, raise the saw head and pull it out over the workpiece without cutting, start the motor, press the saw head down and push the saw through the workpiece.
Cutting on the pull stroke is likely to cause the saw blade to climb on top of the workpiece and violently throw the blade assembly towards the operator. - Never cross your hand over the intended line of cutting either in front or behind the saw blade. Supporting the workpiece “cross handed” i.e. holding the workpiece to the right of the saw blade with your left hand or vice versa is very dangerous.
- Do not reach behind the fence with either hand closer than 100 mm from either side of the saw blade, to remove wood scraps, or for any other reason while the blade is spinning. The proximity of the spinning saw blade to your hand may not be obvious and you may be seriously injured.
- Inspect your workpiece before cutting. If the workpiece is bowed or warped, clamp it with the outside bowed face toward the fence. Always make certain that there is no gap between the workpiece, fence and table along the line of the cut. Bent or warped workpieces can twist or shift and may cause binding on the spinning saw blade while cutting. There should be no nails or foreign objects in the workpiece.
- Do not use the saw until the table is clear of all tools, wood scraps, etc., except for the workpiece. Small debris or loose pieces of wood or other objects that contact the revolving blade can be thrown with high speed.
- Cut only one workpiece at a time. Stacked multiple workpieces cannot be adequately clamped or braced and may bind on the blade or shift during cutting.
- Ensure the mitre saw is mounted or placed on a level, firm work surface before use. A level and firm work surface reduces the risk of the mitre saw becoming unstable.
- Plan your work. Every time you change the bevel or mitre angle setting, make sure the adjustable fence is set correctly to support the workpiece and will not interfere with the blade or the guarding system. Without turning the tool “ON” and with no workpiece on the or danger of cutting.
- Provide adequate support such as table extensions, saw horses, etc. for a workpiece that is wider or longer than the table top . Workpieces longer or wider than the mitre saw table can tip if not securely supported. If the cut-off piece or workpiece tips, it can lift the lower guard or be thrown by the spinning blade.
- Do not use another person as a substitute for a table extension or as additional support. Unstable support for the workpiece can cause the blade to bind or the workpiece to shift during the cutting operation pulling you and the helper into the spinning blade.
- The cut-off piece must not be jammed or pressed by any means against the spinning saw blade. If confined, i.e. using length stops, the cut-off piece could get wedged against the blade and thrown violently.
- Always use a clamp or a fixture designed to properly support round material such as rods or tubing. Rods have a tendency to roll while being cut, causing the blade to “bite” and pull the work with your hand into the blade.
- Let the blade reach full speed before contacting the workpiece. This will reduce the risk of the workpiece being thrown.
- If the workpiece or blade becomes jammed, turn the mitre saw off. Wait for all moving parts to stop and disconnect the plug from the power source and/or remove the battery pack. Then work to free the jammed material. Continued sawing with a jammed workpiece could cause loss of control or damage to the mitre saw.
- After finishing the cut, release the switch, hold the saw head down and wait for the blade to stop before removing the cut-off piece. Reaching with your hand near the the fence
- Hold the handle firmly when making an incomplete cut or when releasing the switch before the saw head is completely in the down position. The braking action of the saw may cause the saw head to be suddenly pulled downward, causing a risk of injury.
Residual risks
Even when the power tool is used as prescribed it is not possible to eliminate all residual risk factors. The following hazards may arise in connection with the power tool’s construction and design:
a) Health defects resulting from vibration emission if the power tool is being used over longer period of time or not adequately managed and properly maintained.
b) Injuries and damage to property to due to broken accessories that are suddenly dashed.
Warning! This power tool produces an electromagnetic field during operation. This field may under some circumstances interfere with active or passive medical implants. To reduce the risk of serious or fatal injury, we recommend persons with medical implants to consult their physician and the medical implant manufacturer before operating this power tool.
SPECIFICATION
| Model No. | BMS14007,BMS14007-4, BMS14007-6(ISRAEL Plug), BMS14007-8(BS Plug), BMS14007S(SAA Plug)) | UBMS14007 |
| Rated Input power: Rated voltage: No-load speed: Blade diameter: Number of teeth: Mitre table angles: Bevel cuts: Straight cut at 0 x 0 : Mitre cut at 45 x 0 : Bevel cut at 0 x 45 : Compound mitre cut at 45 x 45 : Insulation class: | 1400W 220-240V-50/60Hz 5000/min 0210mm x 025.4mm bore 24 0° to 45° to the left &right 0° to 45° to the left 120mm x 60mm 83mm x 60mm 120mm x 30mm 83mm x 30mm Double insulated | 1400W 110-120V-60Hz 5000/min 0 8-1/4″ x 0 1″ bore 24 0° to 45° to the left &right 0° to 45° to the left 4-23/32″ x 2-9/25″ 3-1/4″ x 2-9/25″ 4-23/32″ x 1-3/16″ 3-1/4″ x 1-3/16– Double insulated |
PART LIST

EXAMINE ALL PARTS CAREFULLY
WARNING!
If any part is missing or damaged, do not plug in the mitre saw until you have replaced the missing or damaged parts.
GENERAL SAFETY RULES
When using electric tools basic safety precautions should always be followed to reduce the risk of fire, electric shock and personal injury.
Read all these instructions before attempting to operate your product.
- Keep work area clear. Cluttered areas and benches invite injuries.
- Consider work area environment. Do not expose tools to rain. Do not use tools in damp or wet locations. Keep work area well lit. Do not use tools in the presence of flammable liquids or gases.
- Guard against electric shock. Avoid body contact with earthed or grounded surfaces.
- Keep other people away. Do not let others, especially children, not involved in the work touch the tool or the extension lead and keep them away from the work area.
- Store idle tools. When not in use, tools should be stored in a dry locked-up place, out of reach of children.
- Do not force the tool. It will do the job better and safer at the rate for which it was intended.
- Use the right tool. Do not force small tools to do the job of a heavy duty tool. Do not use tools for purposes not intended; f or example do not use circular saws to cut tree limbs or logs.
- Dress properly. Do not wear loose clothing or jewellery, they can be caught in moving parts. Non-skid footwear is recommended when working outdoors. Wear protective hair covering to contain long hair.
- Use protective equipment. Use safety glasses. Use face or dust mask if cutting operations create dust.
- Connect dust extraction equipment. If devices are provided for the connection of dust extraction and collecting equipment, ensure these are connected and properly used.
- Do not abuse the cable. Never pull the cable to disconnect it from the socket. Keep the cord away from heat, oil and sharp edge.
- Secure work. Where possible use clamps or a vice to hold the work.
safer than using your hand. - Don’t overreach. Keep proper footing and balance at all time.
- Maintain tools with care. Keep cutting tools sharp and clean for better and safer performance. Follow instructions for lubricating and changing accessories.
Inspect tool cords periodically and if damaged have them repaired by an authorized service facility. Inspect extension cords periodically and replace if damaged. Keep handles dry, clean and free from oil and grease. - Disconnect tools. When not in use, before servicing and when changing accessories such as blades, bits, cutters, disconnect tools from the power supply.
- Remove adjusting keys and wrenches. Form the habit of checking to see that keys and adjusting wrenches are removed from the tool before turning it on.
- Avoid unintentional starting. Ensure switch is in “off” position when plugging in.
Use outdoor extension leads. When the tool is used outdoors, use only extension leads intended for outdoor use and so marked. - Stay alert. Watch what you are doing, use common sense and do not operate the tool when you are tired.
- Check damaged parts. Before further use of the tool, it should be carefully checked to determine that it will operate properly and perform its intended function. Check the alignment of moving parts, binding of moving parts, breakage of parts, mounting and any other conditions that may affect its operation. A guard or other part that is damaged should be properly repaired or replaced by an authorized service centre unless otherwise indicated in this instruction manual. Do not use the tool if the switch does not turn it on and off.
- WARNING. The use of any accessory or attachment other than one recommended in this instruction manual may present a risk of personal injury.
- Have your tool repaired by a qualified person. This electric tool complies with the relevant safety rules. Repairs should only be carried out by a qualified person using original spare parts, otherwise this may result in considerable danger to the user.
ADDITIONAL SAFETY RULES FOR MITRE SAWS
- This saw is recommended for cutting wood, non-ferrous metal and plastic only.
NOTE: The TCG blade comes with this product is not suitable for cutting metals. - Never use a saw blade which is not recommend in this owner’ manual.
- Do not use saw blades with high speed steel (HSS) or damaged or deformed.
- Do not use the saw without guards in position, in good working order properly maintained.
- Replace the table insert when worn.
- Use only saw blades recommended by the manufacturer and which conforms to EN847-1.
- Connect your mitre saw to a dust collecting device (1. D. ☒ 32mm) when sawing.
- Select saw blades in relation to the material to be cut.
- Check the maximum depth of cut.
- When sawing long work pieces, always use extra support to provide better support, and use clamps or other clamping devices.
- Wear suitable personal protective equipment when necessary, this could include:
- hearing protection to reduce the risk of induced hearing loss ;
- eye protection;
- respiratory protection to reduce the risk of inhalation of harmful dust;
- gloves for handling saw blades (saw blades shall be carried in a holder wherever practicable) and rough material.
WARNING!
Ensure that the arm is securely fixed when bevelling Keep the floor area around the machine level, well maintained and free of loose materials e.g. chips and cut-offs.
Use correctly sharpened saw blades. Observe the maximum speed marked on the saw blade.
When fitted with laser, no exchange with different type of laser is permitted.
Repair s shall only be carried out by the laser m anufacturer or an authorised agent .
Refrain from removing any cut-offs or other parts of the workpiece from the cutting area whilst the machine is running and the saw head is not in the rest position.
Ensure that the machine is always fixed to a bench, whenever possible.
- The operator is adequately trained in the use adjustment and operation of the machine .
- Provide for adequate room lighting at your workpiece or for adequate lighting of the immediate work area.
- Refrain from removing any cut-offs or other parts of the workpiece from the cutting area whilst the machine is runninga nd the saw head is not the rest position.
- Never stand on this tool. Serious injuries could occur when this tool tips over or when coming in contact with the saw blade.
- Never use the mitre saw near flammable liquids, vapors, or gases.
- Remove all nails that may be in the workpiece to prevent sparking that could cause a fire.
- To avoid fire or toxic reaction, never use gasoline, naphtha acetone, lacquer thinner or similar highly volatile solvents to clean the mitre saw.
- Keep the saw with proper footing on a table to decrease noise and vibration.
- Always use the designated carrying handle for transportation.
SYMBOLS V ………… volts A……….. amperes
Hz……….. hertz W…………. watts
min……… minutes~……. alternating current
h……….. hours ⧈ Class II Construction
I ⋯⋯⋯⋯…ON O …………… OFF
min -1 ⋯⋯⋯⋯⋯⋯⋯..revolutions per minute
Wear safety goggles
Wear ear protection
Wear a breathing mask
Read and understand instruction manual: to reduce the risk of injury, user and all bystanders must read and understand instruction manual before using this product.
Keep hands away from blade: Failure to keep your hands away from the blade will result in serious personal injury
ENVIRONMENTAL PROTECTION
Waste electrical products should not be disposed of with household waste. Please recycle where facilities exist. Do not dispose of electrical appliances as unsorted municipal waste, use separate collection facilities. Contact your local government for information regarding the collection systems available. If electrical appliances are disposed of in landfills or dumps, hazardous substances can leak into the groundwater and get into the food chain, damaging your health and wellbeing. When replacing old appliances with new once, the retailer is legally obligated to take back your old appliance for disposal at least for free of charge. Disposal of discarded material shall be in accordance with local environmental regulations.
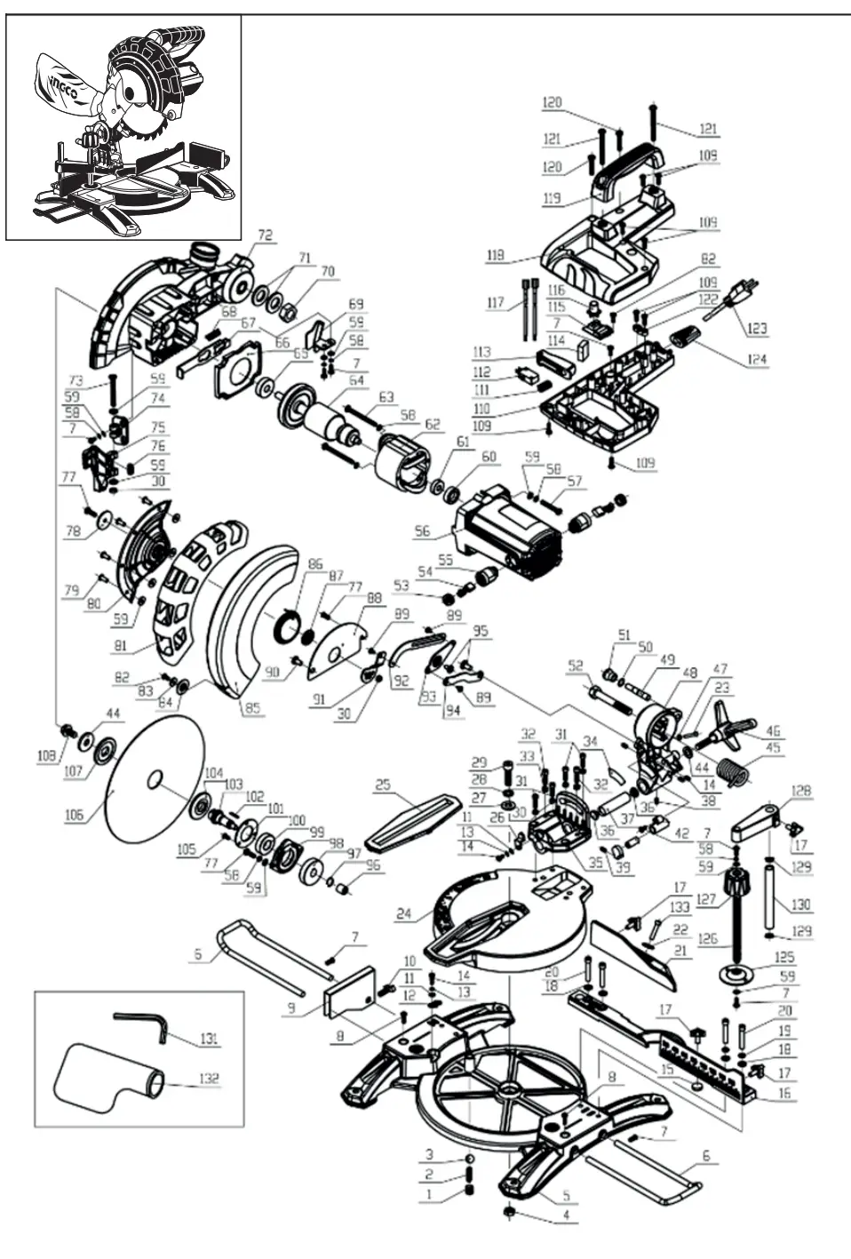
EXPLODED VIEW
BMS14007 , UBMS14007 , BMS14007-4 , BMS14007-6 , BMS14007-8 , BMS1400

| NO. | Part Description | Qty | NO. | Part Description | Qty |
| 1 | Screw M10X10 | 1 | 36 | Bracket | 1 |
| 2 | Spring | 1 | 37 | Cap of Rocker Pin | 2 |
| 3 | Steel Ball Φ8.5 | 1 | 38 | Rocker Pin | 1 |
| 4 | Nut M8 | 1 | 39 | Screw/8.8 M4X8 | 1 |
| 5 | Base | 1 | 40 | Screw/8.8 M4X8 | 1 |
| 6 | Bracket | 2 | 41 | Screw M4X16 | 1 |
| 7 | Screw M5X12 | 9 | 42 | Flat washer Φ20XΦ8X2 | 1 |
| 8 | Screw M5X8 | 2 | 43 | Big Spring | 1 |
| 9 | Bracket Baffle | 1 | 44 | Trident Wheel | 1 |
| 10 | Nut M6 | 1 | 45 | Nut M5 | 1 |
| 11 | Screw M6×15 | 1 | 46 | Connect Head | 1 |
| 12 | Flat washer Φ8XΦ4X0.5 | 2 | 47 | Upper Limited Sheath | 1 |
| 13 | Label | 1 | 48 | Oil seal 5 | 1 |
| 14 | Standard spring washer 4 | 2 | 49 | Cap of Sheath | 1 |
| 15 | Screw M4X12 | 5 | 50 | Bolt M10X70 | 1 |
| 16 | Washer | 1 | 51 | Cap of Brush Holder | 2 |
| 17 | Big Fence | 1 | 52 | Carbon Brush | 2 |
| 18 | Knob | 4 | 53 | Brush Holder | 2 |
| 19 | Flat washer Φ12XΦ6X1 | 4 | 54 | Housing | 1 |
| 20 | Standard spring washer 6 | 2 | 55 | Screw M5X35 | 4 |
| 21 | Screw M6X30 | 4 | 56 | Standard spring washer 5 | 11 |
| 22 | Active Fence | 1 | 57 | Flat washer Φ10XΦ5X0.5 | 20 |
| 23 | Flat washer Φ18XΦ6X1.5 | 1 | 58 | Bearing Housing | 1 |
| 24 | Screw M5X25 | 1 | 59 | Bearing 608 | 1 |
| 25 | Rotation Plate | 1 | 60 | Stator | 1 |
| 26 | Slotted Plate | 1 | 61 | Screw ST5X60 | 2 |
| 27 | Sign Label | 1 | 62 | Armature | 1 |
| 28 | Flat washer Φ16XΦ8X1 | 1 | 63 | Bearing 6200 | 1 |
| 29 | Standard spring washer 8 | 1 | 64 | Anti-wind Ring | 1 |
| 30 | Screw M8X25 | 1 | 65 | Lock | 1 |
| 31 | Nut M5 | 6 | 66 | Spring | 1 |
| 32 | Screw M5X20 | 4 | 67 | Blade Protection | 1 |
| 33 | Screw M6X20 | 2 | 68 | Nut M10 | 1 |
| 34 | Nut M6 | 2 | 69 | Flat washer Φ20XΦ10X2 | 2 |
| 35 | Label | 1 | 70 | Blade Cover | 1 |
| 71 | Screw M5X40 | 1 | 102 | Inner Flange | 1 |
| 72 | Lock Base | 1 | 103 | Screw M4X8 | 3 |
| 73 | Lock Trigger | 1 | 104 | Blade | 1 |
| 74 | Spring | 1 | 105 | Outer Flange | 1 |
| 75 | Screw M5X16 | 4 | 106 | Screw M8X16 | 1 |
| 76 | Retainer Plate | 1 | 107 | Screw ST4X16 | 8 |
| 77 | Revit 5*12 | 3 | 108 | Down Handle | 1 |
| 78 | Cleading | 1 | 109 | Spring | 1 |
| 79 | Sheath | 1 | 110 | Switch | 1 |
| 80 | Screw ST4X10 | 2 | 111 | Switch Trigger | 1 |
| 81 | Flat washer Φ13XΦ4X1 | 1 | 112 | Capacitance | 1 |
| 82 | Guide Pulley | 1 | 113 | Laser Switch | 1 |
| 83 | Transparent Cover | 1 | 114 | Switch Button | 1 |
| 84 | Coil Spring | 1 | 115 | Lead Wire | 2 |
| 85 | Board | 1 | 116 | Upper Handle | 1 |
| 86 | Positioning Plate | 1 | 117 | Handle | 1 |
| 87 | Revit | 3 | 118 | Screw M5X30 | 2 |
| 88 | Screw | 1 | 119 | Screw ST5X65 | 2 |
| 89 | Retainer Plate | 1 | 120 | Cable clamp | 1 |
| 90 | Upper Connecting Rod | 1 | 121 | Cable | 1 |
| 91 | Middle Connecting Rod | 1 | 122 | Cable Armor | 1 |
| 92 | Lower Connecting Rod | 1 | 123 | Vise Clamp | 1 |
| 93 | Screw | 2 | 124 | Vise Bolt | 1 |
| 94 | Needle Bearing(HK0810) | 1 | 125 | Vise Handle | 1 |
| 95 | Spring Washer 12 | 1 | 126 | Connect Bar | 1 |
| 96 | Gear | 1 | 127 | Stand Bar Cover | 2 |
| 97 | Front Cover | 1 | 128 | Stand Bar | 1 |
| 98 | Bearing 6002 | 1 | 129 | Wrench | 1 |
| 99 | Press Cover | 1 | 130 | Dust Bag | 1 |
| 100 | Square Key 4x4x12 | 1 | 131 | Screw M5X25 | 1 |
| 101 | Spindle | 1 |

INGCO Global

www.ingco.com
MADE IN CHINA
0621.V01
INGCO TOOLS CO., LIMITED
No. 45 Songbei Road, Suzhou
Industrial Park, China.
























