kits
Precise Timer 1 second…99 minutes
AVT 1995
Instructions![]()

AVT1995 Precise Timer 1 second…99 minutes
https://serwis.avt.pl/manuals/AVT1995_EN.pdf
Timer designed for precise countdown of preset time intervals in the range of 1 second…99 minutes. It enables entering the countdown time in minutes and seconds. Its resolution in the range from 1 second to 9 minutes and 59 seconds is 1 second, while in the range of 10.99 minutes it increases to 10 seconds. The integrated relay and easy, intuitive operation qualify the unit for the implementation of timing functions in uncomplicated automation systems.
Specifications
- maximum timer range – 99 minutes
- executive circuit – relay 230 VAC / 8 A
- relay connector NO or NC (normally open or normally closed)
- settings memory
- supply: 8…12 VDC / 80 mA
- board sizes: 58×48 mm and 53×27 mm
Circuit description
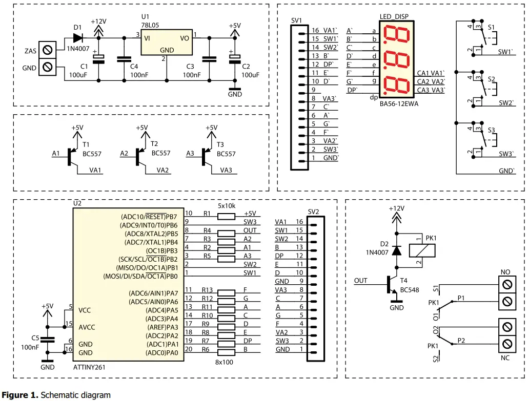
Figure 1 shows schematic diagram of the timer. The device is designed to be supplied with 8-12VDC.
Rectifier diode D1 protects the circuit from incorrect polarity. Supply voltage is stabilised by U1, while capacitors C1… C4 ensure that it is adequately filtered.
The operation of the timer is controlled by an ATtiny26 microcontroller timed by an internal clock signal. Its operating status is reflected on a triple seven-segment display with a common anode.
Cathodes of the 3-digit multiplexed LED display are connected via current-limiting resistors R5.R12 to the PA0-PA7 ports of the microcontroller. Function of the keys that switch on the power supply to the displays is performed by transistors T1-T3 controlled from ports PB2-PB4. For settings and timer control, the unit is equipped with 3 buttons marked S1, S2 and S3.
Signals from the buttons are routed to ports PB0 and PB1 and PB6, the active level is logical ‘0’. A relay of type RM84P12 (coil 12 VDC, contacts 8 A/230 VAC) is used as the executive circuit. To extend the timer’s functionality, the NC and NO contacts are provided for the relay.

Mounting and start-up
The timer must be mounted on two PCBs, the design of which is shown in Figure 2.
Mounting of the circuit is typical and should not cause any problems; it follows a standard procedure, starting with the smallest components and ending with the largest. Once the two boards have been mounted, connect them together using an angled goldpin strip.
If the circuit is mounted without any errors, using a preprogrammed microcontroller and with efficient components, it will work as soon as it is energized.
When controlling a load of significant power, attention must be paid to the load on the relay contacts and PCB tracks. To improve their load capacity, the exposed tracks can be additionally tinned or, even better, a copper wire can be laid over them and soldered.
Operation
Operation of the timer is simple and intuitive. The S1 and S2 buttons are used to increase and decrease values, while the S3 button is used to start countdown. Each time S2 is pressed, the value will increase and each time S1 is pressed, the value will decrease. To change the value faster without having to press the button repeatedly, press and hold the respective button. On the three-digit display, in the range of 1 second from 9 minutes and 59 seconds, the setting resolution is 1 second, while above this range it increases to 10 seconds. The set value is remembered in non-volatile memory, so you do not need to re-enter it when the device is restarted. A blinking dot next to the unit digit indicates that the timer is running.
Once the countdown has started, you can stop the timer at any time by pressing the S3 button. In this mode, the digits on the display will start blinking.
Pressing the S3 button again briefly resumes the countdown, while holding the S3 button longer returns the device to its initial value. When using the timer, you should be aware that the timer may be subject to a certain degree of inaccuracy, particularly in the minutes range.
List of elements
Resistors:
R1-R5: …………………10 kΩ (brown-black-orange-gold)
R6-R13:……………….100 Ω (brown-black-brown-gold)
Capacitors:
C1, C2:…………………100 μF !
C3-C5: …………………100 μF (can be labelled 104)
Semiconductors:
D1, D2:………………..1N4007 !
U1:……………………….78L05 !
U2:……………………….ATtiny261 + base
T1-T3:………………….BC557 (BC558) !
T4: ……………………….BC547 (BC548) !
LED1: …………………..display AD5636
Other:
PK1:……………………..relay RM84P12 (or similar)
S1-S3:………………….microswitch button
SV1:……………………..goldpin 1×16pin
ZAS, NO, NC: ……..screw terminals

Begin assembly by soldering the components onto the board in order of size from smallest to largest.
When mounting components marked with an exclamation mark, pay attention to their polarity.
Frames with diagrams of the leads and symbols of these components on the PCB and photographs of the assembled kit may be helpful.
Access the high-resolution images using links and download the PDF.
https://serwis.avt.pl/manuals/AVT1995_EN.pdf


AVT SPV Sp. z o.o.
Leszczynowa 11 Street,
03-197 Warsaw, Poland
https://sklep.avt.pl/![]()
This symbol means do not dispose of your product with your other household waste.
Instead, you should protect human health and the environment by handing over your waste equipment to a designated collection point for the recycling of waste electrical and electronic equipment.
AVT SPV reserves the right to make changes without prior notice.Installation and connection of the appliance not in accordance with the instructions, unauthorised modification of components and any structural alterations may cause damage to the appliance and endanger persons using it. In such a case, the manufacturer and its authorised representatives shall not be liable for any damage arising directly or indirectly from the use or malfunction of the product.
The self-assembly kits are intended for educational and demonstration purposes only. They are not intended for use in commercial applications. If they are used in such applications, the purchaser assumes all responsibility for ensuring compliance with all regulations
AVT1995


















