AVT1990 Adjustable Power Supply
for Contact Boards
Instruction Manual

![]()
AVT1990 Adjustable Power Supply for Contact Boards
Universal power supply to fit SD12NW prototype boards and others with an internal pin lead spacing of approximately 49mm. It provides for stepless adjustment of the output voltage via a potentiometer. The power supply, together with the prototyping board, allows quick creation of projects without soldering.
Specifications
- output voltage stepless adjustment
- integrated voltmeter
- load capacity: up to 0.5A
- integrated reverse polarity protection
- ability to obtain two independent voltages on the contact board
- supply voltage: 12÷24 VDC
- board size: 35×62 mm
Circuit description
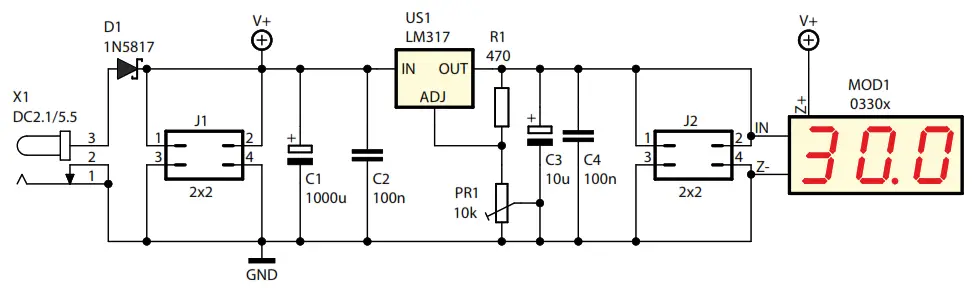
The diagram is shown in Figure 1. The actual voltage stabiliser is the US1 integrated circuit. It is the wellknown LM317 chip. It works here in its basic application layout and therefore does not require a detailed description of the operating principle. A significant advantage of the stabiliser used is that the output is short-circuit-proof to earth and thermally protected against overheating. These safeguards will guarantee long and trouble-free operation in any electronic technician’s workshop. The output voltage of the power supply is adjustable with potentiometer PR1 over a very wide range. Not to complicate the circuit, an adjustment potentiometer was used in the form of a single potentiometer with a convenient adjustment shaft. The power supply circuit can be used at voltages up to 24 V and currents up to 500 mA. The voltmeter used is a universal module for measuring voltages in the range 0V – 99.9 V and is powered by 3 V – 30 V, in this case the input voltage of the power supply.

Figure 1. Schematic diagram of the contact board power supply
Mounting and start-up
Printed circuit design is shown in Figure 2. Power supply board size is 35 x 62 mm. Typical printed circuit mounting that requires no further explanation. The board is double-sided mainly due to the goldpin mounting of the J1 and J2 connectors on the soldered side. If they were only soldered on the underside of the board, after several insertions and removals of the power supply from the contact board, the solder points would be torn out which would damage the board. By soldering through two layers and metallizing in between, the power supply board will be much more resistant to damage. The stabiliser radiator is also soldered to the board, which will avoid bending the chip feet. The power supply board is designed to work with SD-12NW contact boards, but it is important to know that different versions of prototype boards are commercially available with different supply rail spacing.
The MOD1 voltmeter will either have wires attached to it or it will have no wires, depending on the version. In this case, add three sections of e.g., silver or kynar. To secure it to the module board, fasten it with M2 screws to two sleeves with an internal thread on one side and an external thread on the other, as in the model in the photos. The spacer sleeves with external threads, mounted on the board, can be additionally soldered – they are made of brass, which is easily soldered. To make it easier to determine the polarity of the J1, J2 and X1 connectors, the descriptive layer includes + and – symbols, as well as a symbol for the internal structure of the DC connector.

Figure 2. Contact board power supply mounting diagram
List of elements
Resistors:
R1: ………………………..470 Ω
PR1:………………………10 kΩ + adjustment shaft
Capacitors:
C1: ………………………..1000 μF !
C2, C4:………………….100 μF (can be labelled 104)
C3: ………………………..10 μF !
Semiconductors:
D1:………………………..1N5817 ! or similar
US1: ……………………..LM317 !
Other:
X1: ………………………. DC 2.1/5.5 socket
J1, J2: …………………..goldpin 2×2
MOD1: ……………….. voltmeter module 0330x (any colour)
H1:………………………..radiator DY-CN
Mounting elements
Begin assembly by soldering the components onto the board in order of size from smallest to largest. When mounting components marked with an exclamation mark, pay attention to their polarity. Photographs of the assembled kit may be helpful. To access high-resolution images, download the
https://serwis.avt.pl/manuals/AVT1990_EN.pdf

This symbol means do not dispose of your product with your other household waste. Instead, you should protect human health and the environment by handing over your waste equipment to a designated collection point for the recycling of waste electrical and electronic equipment.
AVT SPV reserves the right to make changes without prior notice.Installation and connection of the appliance not in accordance with the instructions, unauthorised modification of components and any structural alterations may cause damage to the appliance and endanger persons using it. In such a case, the manufacturer and its authorised representatives shall not be liable for any damage arising directly or indirectly from the use or malfunction of the product.
The self-assembly kits are intended for educational and demonstration purposes only. They are not intended for use in commercial applications. If they are used in such applications, the purchaser assumes all responsibility for ensuring compliance with all regulations
AVT SPV Sp. z o.o.
Leszczynowa 11 Street,
03-197 Warsaw, Poland
https://sklep.avt.pl/
https://serwis.avt.pl/manuals/AVT1990_EN.pdf
![]()


















