TX3-TOUCH-S15B-WR and
TX3-TOUCH-S15S-WR
Surface Mount Touch Screen
User Guide
![]() | ![]() |
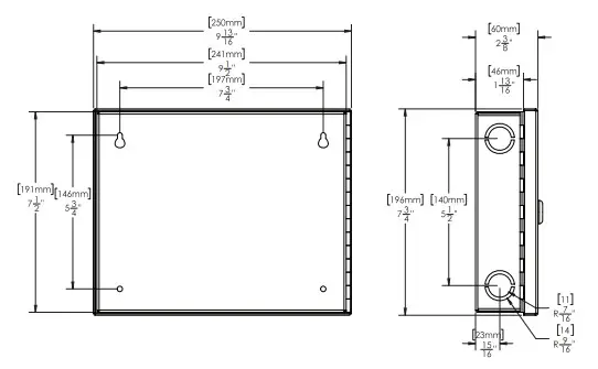
Mount the Enclosure
The enclosure mounts on the wall. Mount the enclosure right-side up (the Mircom logo on the door is in the lower right corner).
Y ou need:
4 fasteners appropriate for the wall that you are mounting the enclosure on.
- Find a suitable location for the enclosure.
- Mark the back mounting locations of the two top screws. Ensure that at least one screw is over a wall stud.
- Place the fasteners halfway into the wall in the two top keyhole locations and wall stud.
- Place the enclosure onto the fasteners, then lower it so that the fasteners fi t in the narrow part of the keyholes.
- Screw the other fasteners into the remaining holes.
- Tighten all fasteners into place.
Warning: To prevent water from entering the unit, use an elbow connector to run the wires to one of the three knockouts on the back.
The elbow connector must point downwards.
Installation Prerequisites
- Verify that the building telephone infrastructure is operational. When wiring an NSL installation it may be necessary to check each resident’s line.
- Ensure there is a provision for a ground circuit. The Telephone Access System assembly must be grounded by a qualifi ed electrician. An improperly grounded unit can result in equipment malfunction and void the warranty.
- Use the latest Telephone Access System controller fi rmware. Mircom periodically updates panel fi rmware and Confi gurator Software to add features and correct any minor inconsistencies. For information about the latest fi rmware or software visit the ‘Manuals and Downloads’ section of the Mircom website at www.mircom.com

Warning: Turn the power off before wiring.
Install all power supplies outside the enclosure.
Wiring Requirements
Unless specifi ed otherwise, all wiring is a maximum length of 1000 ft (304.8 m).
RS-485: Maximum total length: 4000 ft (1219.2 m) Use twisted shielded pair.
Door Strike: The door strike power supply depends on the door strike power requirements.
Maximum Power Supply Wire Distances
| Gauge | Distance |
| 16 | 125 ft (38.1 m) |
| 14 | 200 ft (60.96 m) |
| 12 | 320 ft (97.536 m) |
| 10 | 500 ft (152.4 m) |
AC Door Strike or Maglock 18 AWG

For a door strike: connect the jumper wire to the top pin of jumper JW8 (normally open).
For a maglock: connect the jumper wire to the bottom pin of jumper JW8 (normally closed).
Auxiliary Door (Output 2) 18 AWG

Outputs 2-4
Contact ratings for
outputs 2-4: 125 VAC / 2 A, 30 VDC / 1 A
DC Door Strike (Output 1) 18 AWG

The maximum supply for the AC or DC Power Supply for Door Strike must not exceed: 28 VAC / 1 A max , 30 VDC / 1 A max
Alternative Wiring for Dry Contact

DIP Switch Settings for RS-485 Address

Each Touch Screen must have a unique RS-485 address.
Use DIP switches 1-6 to set the RS-485 network address. See LT-969 for details.
Leave DIP switch 7 on.
Warning: Turn the power off before wiring.
Postal Lock (Input 1) Fire Alarm Override (Input 2) Door Contact (Input 3) 22 AWG

For more details, see LT-996 and LT-969 on the Mircom website and the USB fl ash.
Mircom technical support: 1-888-647-2665
RS-485
Maximum total length: 4000 ft (1219.2 m) for 22 AWG Use twisted shielded pair. See LT-996 for complete details.

Ground and Power
Mount the TX3-PS24-5A 24 VDC, 156 W Power Supply

Attention: Install the power supply indoors, and outside the Touch Screen enclosure.
To surface mount the power supply enclosure:
You need 4 fasteners appropriate for the wall that you are mounting the enclosure on.
- Find a suitable location for the power supply enclosure, such as over a wall stud.
- Using the enclosure as a template, mark the two top mounting hole locations. Ensure that at least one side is over a wall stud.
- Remove the enclosure and place two wall fasteners halfway into the marked hole locations.
- Place the enclosure onto the fasteners and lower it so that the fasteners fi t in the narrow part of the keyholes.
- Screw the other two fasteners into the two remaining holes.
- Tighten all four fasteners into place.
Note: The enclosure can also be mounted directly onto the drywall using anchors.
WARNING
To ensure the security of occupants, change the level 3 passcode from its default setting.
See LT-995 on mircom.com for details.
Connect the Power
- Set the voltage selectable switch on the power supply to the appropriate voltage.
The voltage selectable switch can be set to either 115 V or 230 V. - Connect the load power supply wires to the Touch Screen terminal screws as shown in step 10.
- Connect the other end of the load power supply wires the Load terminals.
- Connect the building power supply wires to the Line terminals as shown below.
- Turn the power on by pressing the power button.
To building

Connect the UPS
Follow the manufacturer’s instructions included with TX3-TOUCH-UPS-KIT.
See the Mircom document LT-6714, included with TX3-TOUCH-UPS-KIT, for instructions on:
- Connecting the USB cable to the TX3 Touch.
- Installing the APC PowerChute Personal Edition Software (only on existing TX3 Touch installations).
- Connecting the power cable from the TX3-PS24-5A power supply to the uninterruptible power supply.
| Mircom http://www.mircom.com CANADA – Main Offi ce 25 Interchange Way Vaughan, ON L4K 5W3 Tel: (888) 660-4655 (905) 660-4655 | U.S.A 4575 Witmer Industrial Estates Niagara Falls, NY 14305 Tel: (888) 660-4655 TECHNICAL SUPPORT Tel: 1-888-647-2665 |
For more details, see LT-996 and LT-969 on the Mircom website and the USB fl ash.
Mircom technical support: 1-888-647-2665
© Mircom 2021
Printed in Canada
Subject to change without prior notice
LT-6678 rev 2




















