Time Electronics 7194A Pneumatic Pressure Calibration Pump
Introduction
Description
The 7194A benchtop pneumatic pressure pump is a dual pressure source which can be adjusted and stabilized quickly and easily. With a long pump lever, high output pressures can be reached and a high-quality screw press is incorporated to allow fine pressure adjustment settings within 0.1 mbar (10 Pa). A pump isolation valve shuts-off the pump from the system under pressure to keep the output stable under calibration.
A built-in gas-liquid trap protects the pump from moisture and dirt. Any residual liquid in the pump will be vented out via the vent port which incorporates a hose connection to allow collection of liquids. Two finger-tight connectors installed on the pump allow the user to connect and disconnect devices’ under test, as well as reference gauges quickly and easily.
The 7194A is simple to operate, with features that make it ideal for calibrating pressure transducers, precision pressure gauges, gauge comparison as well as many other pressure instruments. It is particularly suitable for applications where high pressure is required without the use of hydraulic pumps or nitrogen cylinders.
Specifications
- Media:
- Air
- Generated Pressure Range:
- 0.95 bar vacuum to 200 bar pressure (14 psi vacuum to 3000 psi pressure)
- Over Pressure Range:
- To 235 bar (3500 psi)
- Pressure Setting Resolution:
- 0.1 mbar / 10 Pa
- Material: Ram/adapters:
- 316 SS. Body: Steel/aluminum. Seals: Buna-N
- Pressure Connections:
- 1/4” BSP (1/4” NPT, M20 or other if specified)
- Weight:
- 6.8 kg (15 lbs)
- Dimensions:
- 540 x 270 x 130 mm

- 540 x 270 x 130 mm
Options
TEG Digital Pressure Gauges
7194A-CC Carry Case (with 2 gauge slots)
MK-7194A Pump Maintenance Kit
- 2 x Valve pads
- 2 x Valve cores
- 2 x Single valve
- 1 x Torsional spring
- 1 x Guarded switch
- 1 x O-ring (1.5X2) used for high-pressure cylinder
- 3 x O-ring (4X2) used for high-pressure cylinder
- 2 x O-ring (6.75X1.78) used for reversing rod
- 1 x O-ring (22X2) used for low-pressure piston
- 1 x X-ring (13.94X2.62) used for high-pressure piston
- 1 x X-ring (34.52X3.53) used for low-pressure piston
Controls 
- Pressure Ports (specified on order: 1/4” BSP, 1/4” NPT, M20)
- Pressure Lever
- Pressure/Vacuum Selector (pull out for pressure, push in for vacuum)
- Selector – Safety Switch
- Fine Adjust Handles (turn clockwise to increase pressure)
- Clean-out port
- Isolating Valve (isolate the DUT from pressurizing system)
- Release Valve (turn clockwise to close, anti-clockwise to open)
- Vent port
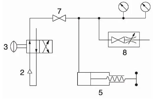
Air Routine 
Operation


Operating Precautions & Troubleshooting
Operating Precautions
- Do not exceed the safety pressure limit
- Compressed air may cause problems in explosive or hazardous environments
- Do not shift the selector to vacuum mode whilst under pressure
- Do not over-tighten connectors
- Store the pump in a dry and clean environment
Troubleshooting
| Problem | Causes | Solution |
| Cannot pressurise device under test | Hard to pump pressure lever | Check isolating valve is open Check airline for blockages |
| Pressure lever pumps but pressure is not increasing | Check release valve is closed Check pressure/vacuum selector is pulled out (for pressure). Check for leaks on device under test Check for leaks on output connection Check sealing ring on clean-out port | |
| Difficult to use fine adjust | Output pressure is unstable when using fine adjust | Check the isolating valve is closed |
| Slow leak, output pressure dropping. | Check reference gauge and device under test is tightly screwed on and connection seal washer. Check release valve is closed Check pressure/vacuum selector is engaged correctly. |
Warranty and Servicing
Warranty
Time Electronics products carry a one-year manufacturer’s warranty as standard. Time Electronics products are designed and manufactured to the highest standards and specifications to assure the quality and performance required by all sectors of industry. Time Electronics products are fully guaranteed against faulty materials and workmanship. Should this product be found to be defective, please contact us using the below details. Inform us of the product type, serial number, and details of any fault and/or the service required. Please retain the supplier invoice as proof of purchase.
This warranty does not apply to defects resulting from action of the user such as misuse, operation outside of specification, improper maintenance or repair, or unauthorized modification. Time Electronics’ total liability is limited to repair or replacement of the product. Note that if Time Electronics determine that the fault on a returned product has been caused by the user, we will contact the customer before proceeding with any repair.
Calibration and Repair Services
Time Electronics offers repair and calibration services for all the products we make and sell. Routine maintenance by the manufacturer ensures optimal performance and condition of the product. Periodic traceable or accredited calibration is available.
Contacting Time Electronics
Online:
Please visit www.timeelectronics.com and select Technical Support from the Contact links. From this page, you will be able to send information to the Time Electronics service team who will help and support you.
By phone:
+44 (0) 1732 355993
By email:
[email protected]
Returning Instruments
Prior to returning your product please contact Time Electronics. We will issue a return merchandise authorization (RMA) number that is to accompany the goods returning. Further instructions will also be issued prior to shipment. When returning instruments, please ensure that they have been adequately packed, preferably in the original packing supplied. Time Electronics Ltd will not accept responsibility for units returned damaged. Please ensure that all units have details of the service required and all relevant paperwork.
Send the instrument, shipping charges paid to:
Time Electronics Ltd
Unit 5, TON Business Park,
2-8 Morley Road,
Tonbridge, Kent, TN9 1RA.
United Kingdom.
Tel: +44(0)1732 355993
Fax: +44(0)1732 350198
Email: [email protected]
Web Site: www.timeelectronics.com
Disposal of your old equipment
- When this crossed-out wheeled bin symbol is attached to a product it means the product is covered by the European Directive 2002/96/EC.
- All electrical and electronic products should be disposed of separately from the municipal waste stream via designated collection facilities appointed by the government or the local authorities.
- The correct disposal of your old appliance will help prevent potential negative consequences for the environment and human health.
- For more detailed information about disposal of your old appliance, please contact your city office, waste disposal service or return to Time Electronics.
© 2021 Time Electronics Ltd.
All rights reserved. Nothing from this manual may be multiplied, or made public in any form or manner, either electronically or hard copy, without prior written consent from Time Electronics Ltd. This also applies to any schematics, drawings and diagrams contained herein.
This manual provides operating and safety instructions for the Time Electronics product. To ensure correct operation and safety, please follow the instructions in this manual.
Time Electronics reserves the right to change the contents, specifications and other information contained in this manual without notice.

























