RENISHAW CARTO Compensate

Legal information
Safety
Before using the laser system, consult the XL laser safety information booklet
(Renishaw part no. M-9908-0363) or the XM laser safety information booklet
(Renishaw part no. M-9921-0202).
Disclaimer
WHILE CONSIDERABLE EFFORT WAS MADE TO VERIFY THE ACCURACY OF THIS DOCUMENT AT PUBLICATION, ALL WARRANTIES, CONDITIONS, REPRESENTATIONS AND LIABILITY, HOWSOEVER ARISING, ARE EXCLUDED TO THE EXTENT PERMITTED BY LAW.
RENISHAW RESERVES THE RIGHT TO MAKE CHANGES TO THIS DOCUMENT AND TO THE EQUIPMENT, AND/OR SOFTWARE AND THE SPECIFICATION DESCRIBED HEREIN WITHOUT OBLIGATION TO PROVIDE NOTICE OF SUCH CHANGES.
Trade marks
RENISHAW® and the probe symbol are registered trade marks of Renishaw plc. Renishaw product names, designations and the mark ‘apply innovation’ are trade marks of Renishaw plc or its subsidiaries. Other brand, product or company names are trade marks of their respective owners.
Terms and conditions of warranty
Unless you and Renishaw have agreed and signed a separate written agreement, the equipment and/or software are sold subject to the Renishaw Standard Terms and Conditions supplied with such equipment and/or software, or available on request from your local Renishaw office.
Renishaw warrants its equipment and software for a limited period (as set out in the Standard Terms and Conditions), provided that they are installed and used exactly as defined in associated Renishaw documentation. You should consult these Standard Terms and Conditions to find out the full details of your warranty.
Equipment and/or software purchased by you from a third-party supplier is subject to separate terms and conditions supplied with such equipment and/or software. You should contact your third-party supplier for details.
© 2019–2021 Renishaw plc. All rights reserved.
This document may not be copied or reproduced in whole or in part, or transferred to any other media or language by any means, without the prior written permission of Renishaw.
Renishaw plc. Registered in England and Wales.
Company no: 1106260.
Registered office: New Mills, Wotton-under-Edge, Gloucestershire, GL12 8JR, UK.
Introduction
This software uses data from the XL-80 laser, XM-60 multi-axis calibrator and XR20-W rotary axis calibrator to create error compensation tables for specific machine controllers.
Compensate currently supports the following error compensation options:
| Manufacturer | Model | Options |
| Siemens | 840D | VCS A3, A5 and A5 Plus |
| Siemens | 840D | Pitch error compensation |
| Heidenhain | iTNC 530 and TNC 640 | Pitch error compensation |
| Fanuc | 30i series | Pitch error compensation |
| Renishaw | Generic output | Pitch error compensation |
| Renishaw | Generic output | 6DoF error compensation |
Home screen
The home screen allows the user to create a new volumetric or pitch error compensation project, create a new compensation project from an existing project or open an existing project. Selecting an existing project will load the machine configuration and axis information from the existing project. To return to the home screen at any point, select the arrow icon.

Settings
Theme – Choose whether Compensate has a ‘light’ or ‘dark’ appearance.
Application – Compensate will open the output folder by default after generating the compensation file and will not supress the warning to overwrite the output file.
Help improve CARTO – Choose whether to share technical information to help improve CARTO.
Help – Launch help content and user guides.
About – Version information for CARTO.
Notifications – Software notifications, for example, check for updates.
Interface
The image below highlights the main features of the Compensate interface.

| 1 | Optional fields | 4 | CARTO test selection | 6 | Optical (PSD) offset (volumetric only) | |||
| 2 | Machine configuration | 5 | Machine position of XM-60 test (volumetric only) | |||||
| 7 | Axis selection/squareness values | |||||||
| 3 | Axis information | |||||||
Compensation settings
Optional fields
- Calibration date – Date the file was created.
- Operator – Enter the name of the operator conducting the test.
- Customer – Enter the name of customer, if required.
- User comment – Enter any information that may be useful when referring to the project.
- Temperature – Environmental temperature during the measurement.
- Machine type – Type of machine tool.
- Machine number – Serial number of the machine.
- Machine producer – Name of machine tool builder.
- Control type – Type of CNC.
- Control number – Number of CNC.
- Control producer – Producer of controller.
- Control software version – Version of the CNC software when the compensation project was created.
Machine configuration
- Controller – Type of controller being compensated.
- Display channel names in ISO 230-1 standard – Switch the displayed error channel names between ISO and VDI standard.
- Channel – The machine channel to be compensated.
- Compensation type – Select either unidirectional or bidirectional compensation.
- Run direction – When applying unidirectional compensation, select the forward run, the reverse run, or an average of the two.
- Calculation type – Choose between incremental and absolute error compensation.
- Compensation units – Select the compensation units.
- Length/positional unit – The length units of the machine tool.
- Deviation unit and decimal precision – The number of decimal places displayed for linear and straightness error values.
- Angular unit and decimal precision – The number of decimal places displayed for angular error values.
- Compensation resolution – Set the compensation resolution to be used.
- Sign convention – Set the sign of the compensation output to ‘as errors’ or ‘as compensation’.
- Target unit and resolution – Select the target units and resolution to be used.
- Reference position – Set the compensation reference position.
- Compensation start – Set the compensation start position.
- Compensation end – Set the compensation end position.
- Compensation spacing – Set the compensation spacing to be used.
- Number of compensation points – Adjust the number of compensation points to be used.
- Add file – Add a measurement file directly from the Explore database.
- Delete file – Remove a measurement file from the Compensate project.
- Analyse – Select the ‘analyse’ icon to open Explore with the data from the selected test. For more detail on using Explore, refer to the CARTO Explore user guide (Renishaw part no. F-9930-1008).
- Select rotary mode – Choose between linear and rotary compensation.
Machine configuration – Volumetric
- Kinematic chain – This describes the kinematic chain from the workpiece to the tool.
Examples:
- FXYZ: The workpiece is fixed to the frame and the kinematic chain to the tool tip is X-Y-Z (MCS-UCS).
- YFXZ: The Y axis moves the workpiece and the X-Z axes move the tool.
- Averaging mode – This allows the user to switch between two compensation types:
- Averaging on, Unidirectional – One table of compensation values with a backlash value.
- Averaging off, Bidirectional – Separate values for forward and reverse directions.
- Channel – The axis channel. Only used on multi-channel machine tools.
- Squareness is positive – This keyword selects the definition of the squareness angles:
- RIGHT_HANDED xwz > 0: the angle between X and Z is smaller than 90°.
- LARGER_THAN_90 xwz > 0: the angle between X and Z is greater than 90°.
Controller-specific configuration – Volumetric
Siemens 840D volumetric compensation
- Compensation mode – Compensate only supports capture mode ‘All errors’.
(Compensate uses the ‘All errors’ method which allows the user to capture all the laser measurements before any 3D compensation is applied. This method relies on the user accurately measuring the position of the optics and nonmoving axes for each set-up). - Interpolation boundary – Volumetric Compensation Software (VCS) can apply two VCS files, for example, measured at different ambient temperatures or with tools having different weights. The user provides the actual temperature or weight between the two interpolation boundary values.
- Channel identifier – The machine channel to be compensated. This value is also used to generate the VCS file name.
- Applied Chanax name – Optional keyword; by default, VCS compensates the three geometry axes. If this is not required, the considered axes must be specified using these keywords. The values on the right side of the assignment must be valid names of the channel axes; that is, elements in the machine data 20080 AXCONF_CHANAX_NAME_TAB.
- Axis identifier – Number associated with the specified axis. This number is also used to generate the VCS file name.
- Machine position – The machine position for the two stationary axes when the measurement is captured
- Optical offset – The distance (±10 mm) from the Position Sensitive Device (PSD) in the receiver back to the spindle gauge line (see diagram of optical offset for sign convention) in the direction of the machine co-ordinates.
- Axis – The axis (X,Y, Z) for the machine position and optical offset.
Combined test
- Select the axis for combined compensation – The compensation output can be created at any time during the measurement process. This means that the VCS file can be tested with data from one, two or three axes. This is useful if there is a need to verify each axis after it has been measured.
Squareness
The squareness measurement can be taken using any of the following products:
- QC20-W ballbar
- XK10 alignment laser
- XL-80 laser interferometer
- Granite square
The squareness values are entered manually into Compensate. If using the QC20-W ballbar and ‘LARGER_THAN_90’, the values shown in the Ballbar 20 software are the correct sign convention to be entered into Compensate.
Controller-specific configuration – Pitch
Siemens 840D pitch error compensation
- Machine compensation used – Select whether to use Scale or DriveEncoder for the applied compensation.
- Active modulo function – Enable or disable the modulo function on the controller.
Heidenhain iTNC 530 and TNC 640 pitch error compensation
- Separate backlash values – Select whether the calculated backlash values are included in the compensation output file.
- Compensation mode – For XM-60 tests, choose linear only or linear and straightness compensation.
- Compensation output – Select whether to generate a new compensation file or merge the linear data with an existing compensation file.
Fanuc 30i series pitch error compensation
- Import parameter file (CNCPARA.txt) – Browse and import the CNC parameter file from the machine controller that is being compensated.
- Axis selected – The axis to be compensated.
- Minimum extreme – The physical negative extreme position of the machine.
- Maximum extreme – The physical positive extreme position of the machine.
- Error at reference position – Set the error at the reference position.
- Compensation point number of negative extreme – These parameters specify the register positions in the pitch error table where the compensation values will be stored. The negative extremes should be chosen such that all compensation points can be stored in a register position between 0 and 1535.
- Reference counter size – This can be identified by taking a back-up of the pitch error table and opening it in a text viewer. The reference counter size can be identified by looking at the number between N and Q on the first line of the table.
An example is shown below:
N10000Q0PO
In this case, the default reference counter size is 10000 for all Fanuc 30i series controllers. This is defined by the machine builder and should not be changed.
Renishaw volumetric and pitch error compensation
- Type – Choose between LEC.REN and LEC2.REN for the file output format.
- Use legacy format – Enable or disable the legacy file format.
File format
When generating a compensation file, Compensate creates a file in a controller specific format which can be transferred directly to the controller.
Volumetric verification
Once the VCS file has been transferred to the machine tool, the compensation must be verified.
This can be done using one of the following methods:
XM-60 – Measure three different locations for each axis for a consistent result throughout the machine’s volume.
QC20-W – Capture multiple tests in multiple locations for a consistent result throughout the machine’s volume. This test is representative of machine interpolation.
XL-80 – Capture body diagonals that pass through the volume of the machine.
Probing – Measure different length bars with a machine tool probe. This is the same process as used for verification of CMM error mapping.
Siemens 840D volumetric compensation process
Machine preparation

Mount and align hardware (XM)

Create and load compensation file (without squareness)

Squareness measurement

Create and load VCS compensation with squareness values

Pitch error compensation process
Machine preparation

Mount and align hardware

Optical offset
Optical offset is the distance measured from the PSD to the gauge line and centre line of the machine tool spindle.
For each measured axis there will be three offset distances and associated sign conventions. Optical offset is critical for knowing the placement of the hardware when the test was carried out and these offsets are applied to the volumetric compensation table.
Receiver reference position
The PSD location is the reference point on the XM-60 receiver from which all measurements must be taken.
When looking at the front face of the receiver, the reference is the centre of the PSD aperture, located bottom left.

When looking at the side of the receiver, the PSD location is 39 mm from the front face.

Machine reference position
Optical offsets must be measured to these spindle locations.
The spindle centre line is the reference for all horizontal offsets.

The spindle gauge line is the reference for all vertical offsets.

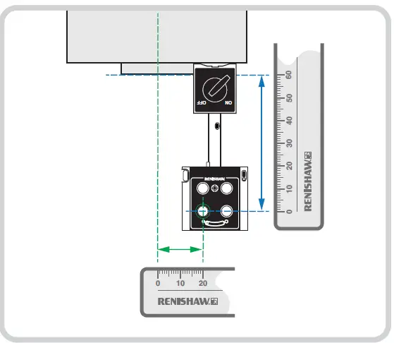
Measuring the optical offset
In the example set-up below there are three clear offsets from the PSD location to the spindle centre line and spindle gauge line.
The offset distances can be measured using a ruler.
The receiver has a horizontal offset from the spindle centre line.
In the example, the offset distance is 50 mm.

The receiver has a horizontal offset from the spindle centre line.
In the example, the offset distance is 20 mm.
There is also a vertical offset from the spindle gauge line.
In the example, the offset distance is 60 mm.

Machine sign convention
To ensure correct sign convention for optical offset, you must understand the machine sign convention. The two machine variants below appear to perform differently. When the handwheel is driven in a positive direction, the moving elements are in opposite directions.

On closer inspection, the machines are actually the same.
The machine sign convention is determined by the direction the tool travels in relation to the workpiece (denoted below as ‘tool positive direction’).
Tool positive direction is required to determine optical offset sign convention.

Optical offset sign convention
The optical offset sign convention must be entered into the software with the offset distance.
Optical offset sign convention is the direction from the PSD to the spindle compared to the tool positive direction.

| Offset direction | Offset direction |
| If the PSD to spindle direction is the same as the tool positive direction | Offset has a positive offset sign |
| If the PSD to spindle direction is opposite to the tool positive direction | Offset has a negative offset sign |
The example below shows the measured optical offset distances and sign conventions.
Linear offset – the ‘PSD to spindle direction’ is opposite to the ‘tool positive direction’. The optical offset is −50 mm.

Horizontal offset – the ‘PSD to spindle direction’ is opposite to the ‘tool positive direction’. The optical offset is −20 mm.
Vertical offset – the ‘PSD to spindle direction’ is the same as the ‘tool positive direction’. The optical offset is +60 mm.

Renishaw plc
New Mills, Wotton-under-Edge
Gloucestershire, GL12 8JR
United Kingdom
T +44 (0)1453 524524
F +44 (0)1453 524901
E [email protected]
www.renishaw.com
For worldwide contact details, visit www.renishaw.com/contact















