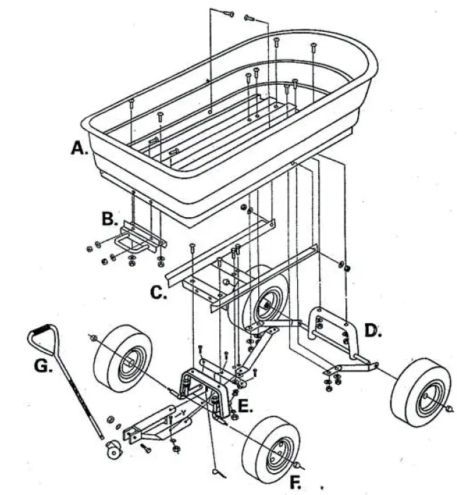
kamody GA-75-DC GARDEN CART

Mounting instructions
Parts list:
- A. Cart body
- B. Locking mechanism
- C. Front frame
- D. Back axle
(together with right and left prop) - E. Front axle support
- F. Front axle
- G. Wheels
Fasteners list:
- A. Screw M8x60 (1)
- B. Screw M8x20 (12)
- C. Screw M8x20 (2)
- D. Nut M8 (15)
- E. Washer M8 (15)
- F. Washer (4)
- G. Nut M12 (4)

















