Contents hide
BOSCH QV Series Single Stage Ultra Quiet Water Source Heat Pump Instructions

COMPRESSOR REPLACEMENT
Tools required
- Flat head screwdriver
- Utility knife
- Awl
- 1/2″ Socket with long extension
- Pipe cutter for 3/8″ – 7/8″ copper
- Brazing Equipment
Instructions
- Turn off power and apply “Lock Out TagOut”: a. Remove line voltage connections and ensure there is no power supply to the lines.
- Remove unit front access panel.

Figure 1. Access panel removal - Recover all refrigerant from heat pump utilizing standard refrigerant recovery techniques.
- Removing Electrical Box
a. Remove screws holding Electrical Box to unit base and to unit corner post. See Figure 2.
b. Carefully unplug wire ties and wiring (Compressor, motor, reversing valve, high- and low-pressure switch, freeze and condensate sensors) preventing from freely moving the electrical box.
NOTE: Mark wires to facilitate re-wring later.
- Follow encapsulation and compressor replacement instructions based on unit configuration:
a. For Vertical units pages 3 to 5.
b. For Horizontal units pages 6 to 7.
Vertical Configuration
Encapsulation and compressor replacement instructions
Compressor Encapsulation parts overview are shown on figures 3 & 4 to use later as reference in the instruction section.

Figure 3. Front encapsulation panels

Figure 4. Side encapsulation panels
- Remove compressor encapsulation screws that attach the encapsulation to the divider (Qty 4). See Figure 5

Figure 5. Divider encapsulation screw locations - Cut pipes shown on figure 6 to remove reversing valve assembly.
- Remove Reversing valve assembly.
- Remove (and save to re-install later)insulation pads around suction and discharge pipes. See figure 12.
- Remove screws holding encapsulation panel. See figure 7.

Figure 7. Encapsulation screw locations - Remove encapsulation panel #3.

Figure 8. Encapsulation panel #3 removal - Remove the 1/2″ compressor bolts attaching the compressor to the unit and remove the compressor. NOTE: Remove side encapsulation panels #4 and #5 for easier clearance to compressor.

- Unplug power harness from old compressor and un-braze Suction and discharge from old compressor.
- Braze suction and discharge to the new compressor and re-install compressor power plug. As soon as pipes are brazed, cover to prevent compressor contamination.
- Re-assemble encapsulation panels #1 and #2. See figure 10.

Figure 10. Encapsulation panels #1 and #2 reassembly - New compressor installation
a. Place new compressor in the unit with encapsulation panels #1 and #2 already attached. NOTE: Maintain a clearance of 1/8″ between encapsulation and pipes.
b. Re-install compressor bolts. - Encapsulation re-installation
a. If removed (at step 7), re-install encapsulation panels #4 and #5 and insert screws attaching panels to the divider.
b. Screw front encapsulations panels #1 to divider.
c. Route compressor power plug through encapsulation panel #3 electrical wires opening.
Figure 11. Opening for electrical wires
d. Re-install front encapsulation panel #3.
e. Re-install suction and discharge pads. See figure 12
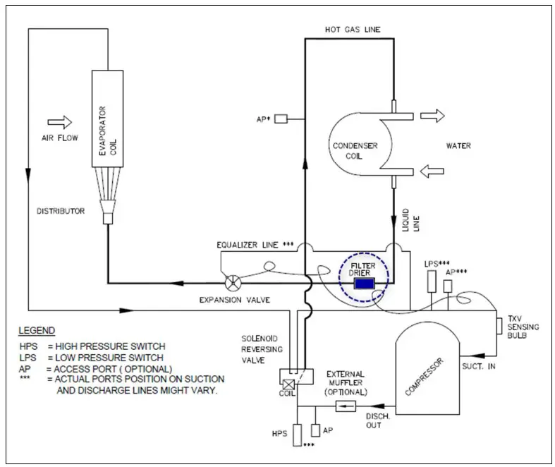
Figure 12. Suction and discharge pads - Install a filter drier between TXV and water coil. See Figure 18.
- Re-braze reversing valve assembly pipes.
Horizontal Configuration
Encapsulation and compressor replacement instructions
- Based on unit configuration refer to figure 13 to locate:
a. Encapsulation panels (marked as “A” and “B”)
b. Screws
c. Suction/discharge insulation pads - Remove screws shown holding encapsulation panels marked as “A” and “B”.
- Remove (and save to re-install later) suction/discharge insulation pads, If applicable based on unit configuration.


QV/WQ 48, 60 HZ LH, RH
No encapsulation removal required to accesscompressor. Removing main unit access panel allow for access to compressor.
Figure 13. Location for encapsulation panels (marked A, B), screws and compressor suction/discharge pads to be removed per unit configurations. - 4Remove encapsulation panels.

Two panels (A & B) for QV/WQ 36,42 HZ RH
- Compressor removal:
a. Unplug power harness from compressor
b. Un-braze Suction and discharge pipes from compressor ports. See figure 15.
c. Remove the 1/2″ compressor bolts attaching the compressor to the unit.
d. Remove compressor from unit.
Figure 15. Compressor suction and discharge ports.
- New compressor installation
a. Place new compressor in the unit.
b. Re-braze suction and discharge pipes.
c. Re-install compressor power plug
d. Re-install compressor bolts - Encapsulation re-installation
a. Re-assemble encapsulation panels removed on steps 1-4 maintaining a clearance of 1/8″ between encapsulation and pipes. For QV/WQ 36,42 HZ RH when attaching panels “A” and “B” route
compressor power plug through encapsulation electrical wires opening (see figure 17) between the two panels.
b. Re-install suction/discharge pads removed on step 3, if applicable based on unit configuration.
- Install a filter drier between TXV and water coil. See Figure 18.
Unit re-wiring and recharge
1) Re-install and re-wire Electrical Box. Refer to main unit wiring instructions.
2) Evacuate the unit and recharge according to unit nameplate.
If you have any questions regarding the information provided in this document, please contact the Bosch Technical Support
Department by phone at 1-800-283-3787, or via email at [email protected]
COMPRESSOR REPLACEMENT



































