WSG119 Roulette Electronics Kit
Instructions
Soldering

Resistor

- Yellow,
- Red,
- Black
CAPACITOR

Watch the polarity !
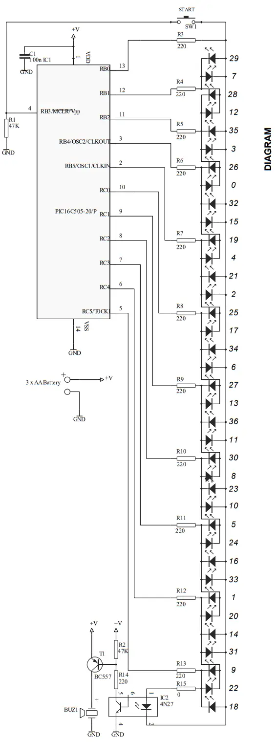
0 : Yellow
32,19,21,25,34,27,36,30,23,5,16,1,14,9,18,7,12,3Red
15,4,2,17,6,13,11,8,10,24,33,20,31,22,29,28,35,2Green
BATTERY HOLDER 



TO ALL RESIDENTS OF THE EUROPEAN UNION
Important environmental information about this product
This symbol on this unit or the package, indicates that disposal of this unit after its lifecycle could harm the environment. Do not dispose the unit as unsorted municipal waste; it should be disposed by a specialized company for recycling. This unit should be returned to your distributor or to a local recycling service. Respect the local environmental rules. If any doubt contact your local authorities about waste disposal rules.






















