Kubler RLI500 Bearingless Encoders User Manual

Incremental, large hollow shaft reference signal, magnetic

Thanks to its installation depth of min. 10 mm, the bearingless magnetic rotary encoder RLI500, comprising a magnetic ring and sensor head, is ideally suited for plants and machinery where space is very tight. The non-contact measuring principle allows for error-free use even under harsh environmental conditions, as well as ensuring a long service life. In contrast to our measuring system
RLI200, a single reference signal is also implemented here. IP68 / IP69k protection, special encapsulation technology and tested resistance to cyclic humidity and damp heat offer the highest levels of reliability, even in exposed outdoor use.
This bearingless encoder can be mounted on shafts with a diameter up to max. 350 mm.

Hard-wearing and robust
- High shock and vibration resistance.
- Sturdy housing with IP67 protection. Option: special housing for maximum resistance against condensation (IP68 / IP69k, resistance to cyclic humidity acc. to EN 60068-3-38 as well as damp heat acc. to EN 60068-3-78).
- Non-contact measuring system, free from wear, ensures a long service life
Fast start-up
- Function display via LED.
- Large mounting tolerance between magnetic band and sensor head.
- Requires very little installation space.
- Slotted hole fixing ensures simple alignment
Order code RLI500

a Magnetic ring mounting method
1 = Press fit 1)
2 = Hub screw
3 = Screwed flange 1)
b Model
1 = IP67, standard
2 = IP68 / IP69k and humidity tested
acc. to EN 60068-3-38, EN 60068-3-78
c Output circuit / Supply voltage
1 = RS422 / 4.8 … 26 V DC
2 = Push-pull / 4.8 … 30 V DC
d Type of connection
1 = radial cable, 2 m [6.56‘] PUR
A = radial cable, special length PUR *)
*) Available special lengths 2) (connection type A):
3, 5, 8, 10, 15, 20 m [9.84, 16.40, 26.25, 32.80, 49.21, 65.62‘]
order code expansion .XXXX = length in dm
ex.: 8.RLI500.2112A.04096.0700.0030 (for cable length 3 m)
e Pulses per revolution
2048, 3200, 4096, 6400 (for hollow shaft ø 70 mm)
(e.g.: 2048 pulses => 02048)
f Hollow shaft diameter
0700 = 70 mm [2.76“] 3)
Optional on request
other pulse rates
– other hollow shaft diameter
(up to max. 350 mm)
Press fit

Hub screw

Screwed flange

- On request.
- Cable lengths >10 m only possible with supply voltage >10 V.
- With magnetic ring mounting method 1 or 3 on request.
Bearingless encoders
Accessories / Display type 572
| Position display, 6-digit | with 4 fast switch outputs and serial interface with 4 fast switch outputs and serial interface and scalable analog output | 6.572.0116.D05
6.572.0116.D95 |
| Position display, 8-digit | with 4 fast switch outputs and serial interface | 6.572.0118.D05 |
| with 4 fast switch outputs and serial interface | ||
| and scalable analog output | 6.572.0118.D95 |
Further accessories can be found in the accessories section or in the accessories area of our website at: www.kuebler.com/accessories
Additional connectors can be found in the connection technology section or in the connection technology area of our website at: www.kuebler.com/connection_technology
Technical data
| Mechanical characteristics | ||
| Maximum speed | 12000 min-1 | |
| Protection | model 1 model 2 | IP67 acc. to EN 60529 IP68 / IP69k acc. to EN 60529, DIN 40050-9 and humidity tested acc. to EN 60068-3-38, EN 60068-3-78 |
| Working temperature | -20 °C … +80 °C [-4 °F … +176 °F] | |
| Shock resistance | 5000 m/s2, 1 ms | |
| Vibration resistance | 300 m/s2, 10 … 2000 Hz | |
| Pole gap | 5 mm from pole to pole | |
| Housing (sensor head) | aluminum | |
| Cable | 2 m [6.56‘] , PUR 8 x 0.14 mm2 [AWG 26], shielded, may be used in trailing cable installations | |
| Status LED | green red | pulse index error; speed too high or magnetic fields too weak |
| CE compliant acc. to | EMC guideline 2014/30/EU RoHS guideline 2011/65/EU | |
Terminal assignment
| Output circuit | Type of connection | Cable (isolate unused cores individually before initial start-up) | |||||||||
| 1, 2 | 1, A | Signal: | 0 V | +V | A | B | 0 | H | |||
| Core color: | WH | BN | GN | YE | GY | PK | BU | RD | shield 2) | ||
+V: Supply voltage encoder +V DC
0 V: Supply voltage encoder ground GND (0 V) A, : Incremental output channel A
B, : Incremental output channel B 0, : Reference signal
H: Plug connector housing (shield)
Bearingless encoders
Mounting orientation and permissible mounting tolerances

Distance sensor head / magnetic ring: 0.1 … 1.5 [0.004 0.06]
(1 [0.04] recommended)

Offset

Tiltin

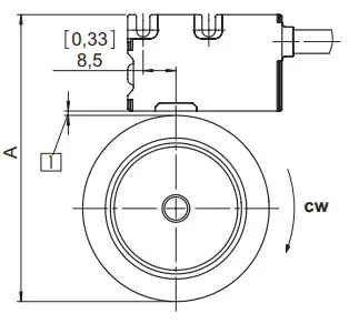
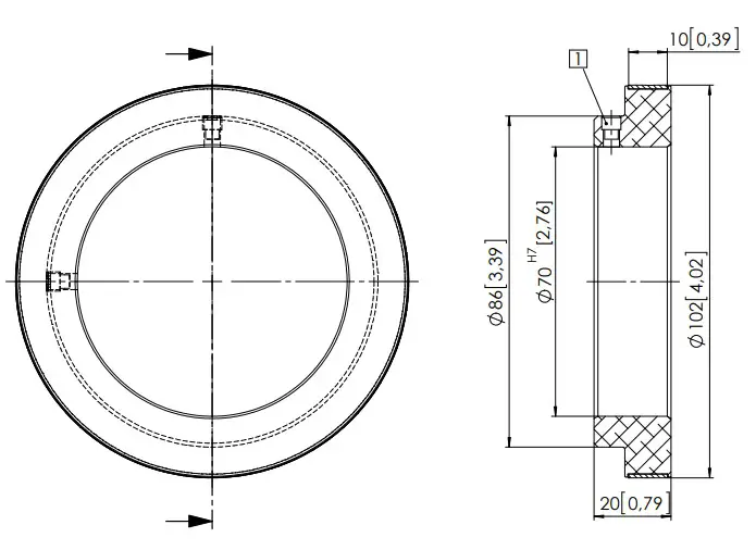
Dimensions
Dimensions in mm [inch]
Sensor head

Magnetic ring (hub screw) pulse rate 2048. 3200, 4096, 6400

M5 set screw Fritz Kübler GmbH, subject to errors and changes. 08/2021


















