Autonics E58 Series 58 mm Diameter Incremental Rotary Encoders

Thank you for choosing our Autonics product
Read and understand the instruction manual and manual thoroughly before using the product.
For your safety, read and follow the below safety considerations before using. For your safety, read and follow the considerations written in the instruction manual, other manuals and the Autonics website. Keep this instruction manual in a place where you can find easily. The specifications, dimensions, etc. are subject to change without notice for product improvement. Some models may be discontinued without notice. Follow the Autonics website for the latest information.
Product Information
The E58 Series Incremental Rotary Encoders are devices used to measure incremental changes in rotary position. They have a 58 mm diameter and are available in different shaft types, resolutions, and output phases, with options for a totem pole, NPN open collector, voltage output, and line driver control outputs. The unit must be installed on a device panel for use and cannot be used in places with flammable/explosive/corrosive gas, high humidity, direct sunlight, radiant heat, vibration, impact, or salinity. It should also not be used near equipment that generates strong magnetic forces or high-frequency noise and strong alkaline, strong acidic substances. The unit should be used within its rated specifications to avoid fire or product damage.
Product Usage Instructions
- Ensure a fail-safe device is installed when using the unit with machinery that may cause serious injury or substantial economic loss.
- Do not use the unit in places with flammable/explosive/corrosive gas, high humidity, direct sunlight, radiant heat, vibration, impact, or salinity.
- Install the unit on a device panel before use.
- Do not connect, repair, or inspect the unit while connected to a power source.
- Check connections before wiring.
- Do not disassemble or modify the unit.
- Use the unit within its rated specifications.
- Do not short the load.
- Do not use the unit near equipment that generates strong magnetic forces or high-frequency noise and strong alkaline, strong acidic substances.
Ordering Information
For selecting the specified model, follow the Autonics website. The following options are available:
- Shaft type: SC (Shaft clamping type), SS (Shaft synchro type), H (Hollow type), HB (Hollow Built-in type)
- Shaft outer diameter / Shaft inner diameter
- Resolution Number
- Output phase: 2 (A, B), 3 (A, B, Z), 4 (A, A, B, B), 6 (A, A, B, B, Z, Z)
- Control output: T (Totem pole output), N (NPN open collector output), V (Voltage output), L (Line driver output)
- Connection: Shaft type, Hollow Built-in type
Product Components
- Shaft type: Product, Instruction manual
- Shaft Synchro Clamping type: Product, Instruction manual, Bolt Coupling Bracket
- Hollow type: Product (+ bracket), Instruction manual
- Hollow Built-in type: Product (+ bracket), Instruction manual
Note: Connections for totem pole / NPN open collector/voltage output are made using M17 6-pin layout with pin colors Black (OUT A), White (OUT B), Orange (OUT Z), Brown (+V), and Blue (GND). Connections for line driver output are made using Pin 1 (Black) for OUT A and Pin 2 (Red) for OUT A.
Safety Considerations
- Observe all ‘Safety Considerations’ for safe and proper operation to avoid hazards.
- symbol indicates caution due to special circumstances in which hazards may occur.
Warning: Failure to follow instructions may result in serious injury or death.
- Fail-safe device must be installed when using the unit with machinery that may cause serious injury or substantial economic loss. (e.g. nuclear power control, medical equipment, ships, vehicles, railways, aircraft, combustion apparatus, safety equipment, crime / disaster prevention devices, etc.)
- Failure to follow this instruction may result in personal injury, economic loss or fire.
- Do not use the unit in the place where flammable / explosive / corrosive gas, high humidity, direct sunlight, radiant heat, vibration, impact or salinity may be present.
- Failure to follow this instruction may result in explosion or fire.
- Install on a device panel to use.
- Failure to follow this instruction may result in fire.
- Do not connect, repair, or inspect the unit while connected to a power source.
- Failure to follow this instruction may result in fire.
- Check ‘Connections’ before wiring.
- Failure to follow this instruction may result in fire.
- Do not disassemble or modify the unit.
- Failure to follow this instruction may result in fire.
Caution: Failure to follow instructions may result in injury or product damage.
- Use the unit within the rated specifications.
- Failure to follow this instruction may result in fire or product damage.
- Do not short the load.
- Failure to follow this instruction may result in fire.
- Do not use the unit near the place where there is the equipment which generates strong magnetic force or high frequency noise and strong alkaline, strong acidic exists.
- Failure to follow this instruction may result in product damage.
Cautions during Use
- Follow instructions in ‘Cautions during Use’.
- Otherwise, It may cause unexpected accidents.
- 5 VDC
, 12 – 24 VDC
power supply should be insulated and limited voltage / current or Class 2, SELV power supply device. - For using the unit with the equipment which generates noise (switching regulator, inverter, servo motor, etc.), ground the shield wire to the F.G. terminal.
- Ground the shield wire to the F.G. terminal.
- When supplying power with SMPS, ground the F.G. terminal and connect the noise canceling capacitor between the 0 V and F.G. terminals.
- Wire as short as possible and keep away from high voltage lines or power lines, to prevent inductive noise.
- For Line driver unit, use the twisted pair wire which is attached seal and use the receiver for RS-422A communication.
- Check the wire type and response frequency when extending wire because of distortion of waveform or residual voltage increment etc. by line resistance or capacity between lines.
- This unit may be used in the following environments.
- Indoors (in the environment condition rated in ‘Specifications’)
- Altitude max. 2,000 m
- Pollution degree 2
- Installation category II
Cautions during Installation
- Install the unit correctly with the usage environment, location, and the designated specifications.
- Do not load overweight on the shaft.
- Do not put strong impact when insert a coupling into shaft.
- Failure to follow this instruction may result in product damage.
- When fixing the product or coupling with a wrench, tighten under 0.15 N m.
- If the coupling error (parallel misalignment, angular misalignment) between the shaft increases while installation, the life cycle of the coupling and the encoder can be shortened.
- Do not apply tensile strength over 30 N to the cable.
Ordering Information
This is only for reference, the actual prodcut does not support all combinations. For selecting the specified model, follow the Autonics website.
![]()
- Shaft type
- SC: Shaft clamping type
- SS: Shaft synchro type
- H: Hollow type
- HB: Hollow Built-in type
- Shaft outer diameter / Shaft inner diameter
- 6: Ø 6 mm
- 10: Ø 10 mm
- 12: Ø 12 mm
- Resolution
- Number: Refer to resolution in ‘Specifications’
- Output phase
- 2: A, B
- 3: A, B, Z
- 4: A, A, B, B
- 6: A, A, B, B, Z, Z
- Control output
- T: Totem pole output
- N: NPN open collector output
- V: Voltage output
- L: Line driver output
- Power supply
- 5: 5 VDC
±5% - 24: 12 – 24 VDC
±5%
- 5: 5 VDC
- Connection: Shaft type, Hollow Built-in type
- No mark: Axial cable type
- C: Axial cable connector type
- CR: Axial connector type
- CS: Radial connector type
- Hollow type
- No mark: Radial cable type
- C: Radial cable connector type
Product Components
| Shaft type | Shaft Clamping type | Shaft Synchro type | Hollow type | Hollow Built- in type |
| Product Components | Product, Instruction manual | Product (+ bracket), Instruction manual | ||
| Bolt | × 10 | × 8 | × 4 | × 4 |
| Coupling | × 1 | × 1 | – | – |
| Bracket | × 1 | × 2 | – | – |
Sold Separately
- Connector cable: CID6S-□, CID9S-□
Connections
- Unused wires must be insulated.
- The metal case and shield cable of encoders must be grounded (F.G.).
- F.G. (Frame Ground) must be grounded separately.
Totem pole / NPN open collector / Voltage output
| Pin | Color | Function | Pin | Color | Function |
| 1 | Black | OUT A | 4 | Brown | +V |
| 2 | White | OUT B | 5 | Blue | GND |
| 3 | Orange | OUT Z | 6 | Shield | F.G. |
- M17 6-pin layout

Line driver output
| Pin | Color | Function | Pin | Color | Function |
| 1 | Black | OUT A | 5 | White | OUT B |
| 2 | Red | OUT A | 6 | Gray | OUT B |
| 3 | Brown | +V | 7 | Orange | OUT Z |
| 4 | Blue | GND | 8 | Yellow | OUT Z |
| – | 9 | Shield | F.G. | ||
- M17 9-pin layout

Inner Circuit
- Output circuits are identical for all output phase.
Totem pole output

Voltage output

NPN open collector output

Line driver output

Output Waveform
- The rotation direction is based on facing the shaft, and it is clockwise (CW) when rotating to the right.
- Phase difference between A and B: T4±T8 (T = 1 cycle of A)
Totem pole / NPN open collector / Voltage output

Line driver output

Specifications
| Model | E58□□-□- □-T-□-□ | E58□□-□- □-N-□-□ | E58□□-□- □-V-□-□ | E58□□-□- □-L-□-□ |
| Resolution | 1 / 2 / 5 / 12 PPR 01) 10 to 8,000 PPR model | |||
| Control output | Totem pole output | NPN open collector output | Voltage output | Line driver output |
| Output phase | A, B, Z | A, B, Z | A, B, Z | A, A, B, B, Z, Z |
| Inflow current | ≤ 30 mA | ≤ 30 mA | – | ≤ 20 mA |
| Residual voltage | ≤ 0.4 VDCᜡ | ≤ 0.4 VDCᜡ | ≤ 0.4 VDCᜡ | ≤ 0.5 VDCᜡ |
| Outflow current | ≤ 10 mA | – | ≤ 10 mA | ≤ -20 mA |
| Output voltage (5 VDCᜡ) | ≥ (power supply -2.0) VDCᜡ | – | – | ≥ 2.5 VDCᜡ |
| Output voltage (12 – 24 VDCᜡ) | ≥ (power supply -3.0) VDCᜡ | – | – | ≥ (power supply -3.0) VDCᜡ |
| Response speed 02) | ≤ 1 ㎲ | ≤ 0.5 ㎲ | ||
| Max. response freq. | 300 kHz | |||
| Max. allowable revolution 03) | 5,000 rpm | |||
| Approval | ᜢ ᜫ | ᜢ ᜫ | ᜢ ᜫ | ᜫ |
- Depending on the control ouput, only A, B or A, A, B, B are output.
- Based on cable length: 2 m, I sink: 20 mA
- Select resolution to satisfy Max. allowable revolution ≥ Max. response revolution. [max. response revolution (rpm) = max. response frequency resolution × 60 sec]
| Shaft type | Shaft clamping type | Shaft synchro type | Hollow type | Hollow Built-in type |
| Starting torque | ≤ 0.004 N m | ≤ 0.009 N m | ||
| Inertia moment | ≤ 15 g·cm2 (1.5 × 10-6 kg·m2) | ≤ 20 g·cm2 (2 × 10-6 kg·m2) | ||
| Allowable shaft load | Radial: ≤ 10 kgf, Thrust: ≤ 2.5 kgf | Radial: ≤ 2 kgf, Thrust: ≤ 1 kgf | ||
| Unit weight (packaged) | Varies according to connection type | |||
| Cable type, cable connector type | ≈ 310 g (≈ 420 g) | ≈ 285 g (≈ 395 g) | ≈ 270 g (≈ 380 g) | ≈ 270 g (≈ 380 g) |
| Connector type | ≈ 230 g (≈ 340 g) | ≈ 205 g (≈ 315 g) | – | ≈ 200 g (≈ 310 g) |
| Power supply | 5 VDC 12 – 24 VDC |
| Current consumption | Totempole, NPN open collector, Voltage output: ≤ 80 mA (no load) Line driver output: ≤ 50 mA (no load) |
| Insulation resistance | Between all terminals and case: ≥ 100 MΩ (500 VDC |
| Dielectric strength | Between all terminals and case: 750 VAC∼ 50 / 60 Hz for 1 minute |
| Vibration | 1 mm double amplitude at frequency 10 to 55 Hz (for 1 minute) in each X, Y, Z direction for 2 hours |
| Shock | ≲ 75 G |
| Ambient temp. | -10 to 70 ℃, storage: -25 to 85 ℃ (no freezing or condensation) |
| Ambient humi. | 35 to 85%RH, storage: 35 to 90%RH (no freezing or condensation) |
| Protection rating | IP50 (IEC standard) |
| Connection | Shaft type, Hollow Built-in type : Axial cable type / Axial cable connector type / Axial connector type / Radial connector type model Hollow type: Radial cable type / Radial cable connector type model |
| Cable spec. | Ø 5 mm, 5-wire (Line driver output: 8-wire), shield cable cable type: 2 m, cable connector type: 250 mm |
| Wire spec. | AWG24 (0.08 mm, 40-core), insulator diameter: Ø 1 mm |
| Connector spec. | Totem pole, NPN open collector, Voltage output: M17 6-pin socket type Line driver output: M17 9-pin socket type |
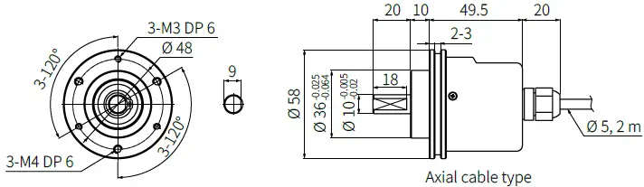
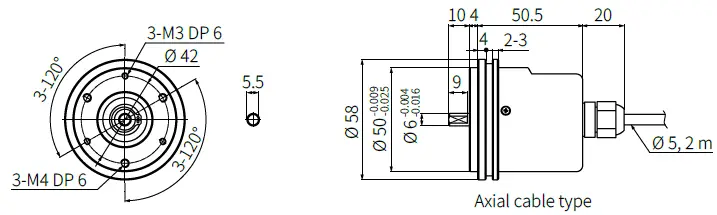
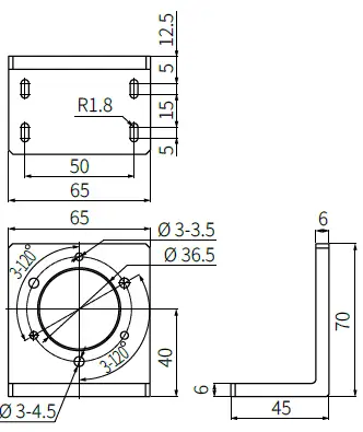
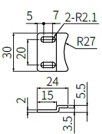
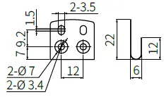
Dimensions
- Unit: mm, For the detailed drawings, follow the Autonics website.
- Following items are based on cable type.
Refer to ‘Specifications’ for detailed specifications of cable, wire and connector.
Shaft clamping type

Shaft synchro type

Hollow type

Hollow Built-in type

Bracket (E58SC)

Bracket (E58SS)

Bracket (E58H / HB)

Coupling

- Parallel misalignment: ≤ 0.25 mm
- Angular misalignment: ≤ 5°
- End-play: ≤ 0.5 mm
CONTACT
- 18, Bansong-ro 513Beon-gil, Haeundae-gu, Busan, Republic of Korea, 48002
- www.autonics.com
- TEL: +82-2-2048-1577
- [email protected]


















