Netzer DS-37 Absolute Rotary Encoder

Product Overview
Overview
The DS-37 absolute position Electric Encoder™ is a revolutionary position sensor originally developed for harsh environment critical applications. Currently, it performs in a broad range of applications, including defense, homeland security, aerospace, and medical and industrial automation. The Electric Encoder™ non-contact technology relies on an interaction between the measured displacement and a space/time-modulated electric field.
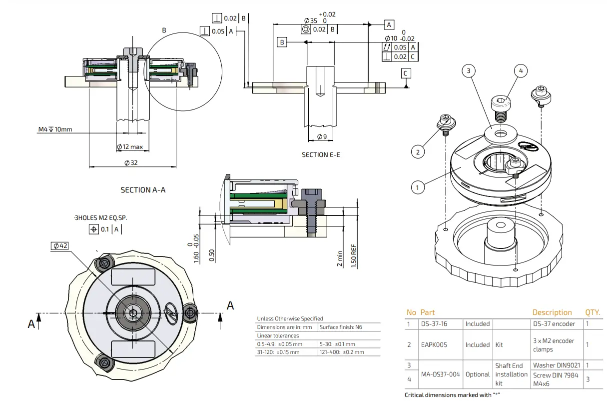
The DS-37 Electric Encoder™ is semi-modular, i.e., its rotor and stator are separate, with the stator securely housing the rotor.
- Encoder stator
- Encoder rotor
- Encoder mounting clamps
- Rotor holder
- Cable interface


Installation flow chart

Encoder mounting

The encoder rotor (2) attaches to the host shaft by pressing it against a dedicated shoulder (b). A screw and washer or circular spring and washer at the end of the shoulder maintain pressure. The encoder stator (1) is centered by circumferential step (a) and attached to the host stator (c) using three M2 Encoder clamps.
Note: DO NOT use screw-locking materials contain Cyanoacrylate which interact aggressively with the sensor body made of Ultem.
Encoder stator / Rotor relative position
The rotor is floating, therefore, for proper relative axial mounting distance “H” between the shaft shoulder (b) and stator mounting recess (a) should be 1.5 mm nominal. For ease of mechanical mounting compensation by rotor shims, the recommended distance is 1.6 – 0.05 mm, yielding analog. The optimal recommended amplitude values are middle of the range according to those shown in the Encoder Explorer software and vary according to the encoder type.

The DS-37 amplitudes compensation:
Mechanical compensate by using 50 um shims below the rotor (available as DS37-R-00 kit). Verify proper rotor mounting with the Encoder Explorer tools “Signal analyzer” or “Mechanical installation verification.”

Unpacking
Standard order
The package of the standard DS-37 contains the encoder with 250mm shildedd cable AWG30.
Optional accessories:
- DS37-R-00 Kit, Rotor mounting shims: x10 stainless steel 50um thick rotor mounting shims.
- MA-DS37-004 Kit, end of stepped shaft installation kit (M4x6, washer).
- EAPK005 Kit, encoder mounting clamps,(3 clamps, M2x4).
- CNV-0003 RS-422 to USB converter (with USB internal 5V power supply path).
- NanoMIC-KIT-01, RS-422 to USB converter. Setup & Operational modes via SSi /BiSS interface.
- DKIT-DS-37-16-DF-0C, Mounted SSi encoder on rotary jig, RS-422 to USB converter and cables.
- DKIT-DS-37-16-EF-0C, Mounted BiSS encoder on rotary jig, RS-422 to USB converter and cables.
Electrical interconnection
This chapter reviews the steps required to electrically connect the encoder with digital interface (SSi or BiSS-C).
Connecting the encoder
The encoder has two operational modes:
Absolute position over SSi or BiSS-C:
This is the power-up default mode.

SSi / BiSS interface wires color code

Setup mode over NCP (Netzer Communication Protocol)
This service mode provides access via USB to a PC running Netzer Encoder Explorer application (on MS Windows 7/10). Communication is via Netzer Communication Protocol (NCP) over RS-422 using the same set of wires.
Use the following pin assignment to connect the encoder to a 9-pin D-type connector to the RS-422/USB converter CNV-0003 or the NanoMIC.
Electric encoder interface, D Type 9 pin Female

Electrical connection and grounding
The encoder does NOT come with specified cable and connector, however, do observe grounding consideration:
- The cable shield does not connect to the power supply return line.
- Ground the host shaft to avoid interference from the host system, which could result in encoder internal noise.
Note: 4.75 to 5.25 VDC power supply required.

Software installation
The Electric Encoder Explorer (EEE) software:
- Verifies Mechanical Mounting Correctness
- Offsets Calibration
- Sets up general and signal analysis
This chapter reviews the steps associated with installing the EEE software application.
Minimum requirements
- Operating system: MS windows 7/ 10,(32 / 64 bit)
- Memory: 4MB minimum
- Communication ports: USB 2
- Windows .NET Framework, V4 minimum
Installing the software
- Run the Electric Encoder™ Explorer file found on Netzer website: Encoder Explorer Software Tools
- After the installation you will see Electric Encoder Explorer software icon on the computer desktop.
- Click on the Electric Encoder Explorer software icon to start.
Mounting verification
Starting the Encoder Explorer
Make sure to complete the following tasks successfully:
- Mechanical Mounting
- Electrical Connection
- Connecting Encoder for Calibration
- Encoder Explore Software Installation
Run the Electric Encoder Explorer tool (EEE)
Ensure proper communication with the encoder: (Setup mode by default).
- (a) The status bar indicates successful communication.
- (b) Encoder data displays in the encoder data area. (CAT No., Serial No.)
- (c) The position dial display responds to shaft rotation.

Perform mounting verification & rotation direction selection before calibration to ensure optimal performance.
Observing the installation at the [Tools – Signal Analizer] window is also recommended.
Mechanical installation verification
The Mechanical Installation Verification provides a procedure that will ensure proper mechanical mounting by collecting raw data of the fine and coarse channels during rotation.
- (a) Select [Mechanical Mounting Verification] on the main screen.

- (b) Select [Start] to initiate the data collection.
- (c) Rotate the shaft in order to collect the fine and coarse channel data.

- (d) At the end of successful verification, the SW will show “Correct Mechanical Installation.”

- (e) If the SW indicates “Incorrect Mechanical Installation,” correct the mechanical position of the rotor, as presented in paragraph 3.3 – “Rotor Relative Position.”

Calibration
Offset calibration
For optimal performance of the Electric Encoders, the inevitable DC offset of the sine and cosine signals must be compensated over the operational sector.
After successfully completing the Mounting Verification procedure:
- (a) Select [Calibration] on the main screen.

- (b) Start the data acquisition while rotating the shaft.
- The progress bar (c) indicates the collection progress.
Rotate the axis consistently during data collection-covering the working sector of the application end to end-by default the procedure collects 500 points over 75 seconds. Rotation speed is not a parameter during data collection. Data collection indication shows for the fine/coarse channels, a clear “thin” circle appears in the center (d) (e) with some offset.
Offset compensated fine / Corse channel
CAA calibration
The following calibration aligns the coarse/fine channel by collecting data from each point of both channels.
Select [Continue to CAA Calibration]
In the CAA angle calibration window, select the relevant option button from the measurement range options (a):
- Full mechanical rotation – shaft movement is over 10deg – recommended.
- Limited section – define operation of the shaft in a limited angle defined by degrees in case of <10deg
- Free sampling modes – define the number of calibration points in the total number of points in the text box. The system displays the recommended number of points by default. Collect a minimum of nine points over the working sector.
- Click the [Start Calibration] button (b)
- The status (c) indicates the next required operation; the shaft movement status; the current position, and the next target position to which the encoder should be rotated.
- Rotate the shaft/encoder to the next position and click the [Continue] button (c)
- the shaft should be in STAND STILL during the data collection. Follow the indication/interactions during the cyclic process for positioning the shaft –> stand still –> reading calculation.
- Repeat the above step for all defined points. Finish (d)
- Click the [Save and Continue] button (e).
The last step saves the offsets CAA parameters, completing the calibration process.
Setting the encoder zero point
The zero position can be defined anywhere in the working sector. Rotate the shaft to the desired zero mechanical position.
Go into “Calibration” button at the top menu bar, press “Set UZP”.
Select “Set Current Position” as zero by using the relevant option, and click [Finish].
Jitter test
Perform a jitter test to evaluate the quality of the installation; the jitter test presents the reading statistics of absolute position readings (counts) over time. Common jitter should be up +/- 3 counts; higher jitter may indicate system noise.
In case the reading data (blue dots) are not evenly distributed on a thin circle, you may experience “noise” in your installation (check shaft/stator grounding).
Operational Mode
SSi / BiSS
Operational mode indication of the SSi / BiSS Encoder interface available by using the NanoMIC.
For more information read about NanoMIC on Netzer website
The operational mode presents the “real” SSi / BiSS interface with 1MHz clock rate. Protocol SSi
Mechanical drawings




























