Autonics ENH Series Incremental Manual Handle Type Rotary Encoder
Thank you for choosing our Autonics product.
Read and understand the instruction manual and manual thoroughly before using the product.
For your safety, read and follow the below safety considerations before using. For your safety, read and follow the considerations written in the instruction manual, other manuals, and the Autonics website. Keep this instruction manual in a place where you can find it easily. The specifications, dimensions, etc. are subject to change without notice for product improvement. Some models may be discontinued without notice.
Follow the Autonics website for the latest information.
Safety Considerations
- Observe all ‘Safety Considerations’ for safe and proper operation to avoid hazards.
- The symbol indicates caution due to special circumstances in which hazards may occur.
Warning
Failure to follow instructions may result in serious injury or death.
- Fail-safe devices must be installed when using the unit with machinery that may cause serious injury or substantial economic loss. (e.g. nuclear power control, medical equipment, ships, vehicles, railways, aircraft, combustion apparatus, safety equipment, crime/disaster prevention devices, etc.) Failure to follow this instruction may result in personal injury, economic loss or fire.
- Do not use the unit in a place where flammable/explosive/corrosive gas, high humidity, direct sunlight, radiant heat, vibration, impact or salinity may be present.
Failure to follow this instruction may result in an explosion or fire. - Install on a device panel to use.
Failure to follow this instruction may result in fire. - Do not connect, repair, or inspect the unit while connected to a power source. Failure to follow this instruction may result in fire.
- Check ‘Connections’ before wiring. Failure to follow this instruction may result in fire.
- Do not disassemble or modify the unit. Failure to follow this instruction may result in fire.
Caution
Failure to follow instructions may result in injury or product damage.
- Use the unit within the rated specifications.
Failure to follow this instruction may result in fire or product damage. - Do not short the load.
Failure to follow this instruction may result in fire. - Do not use the unit near a place where there is equipment that generates strong magnetic force or high-frequency noise and strong alkaline, strong acidic exists. Failure to follow this instruction may result in product damage.
Cautions during Use
- Follow instructions in ‘Cautions during Use’.
Otherwise, It may cause unexpected accidents. - 5 VDC=, 12 – 24 VDC= power supply should be insulated and limited voltage/current or Class 2, SELV power supply device.
- For using the unit with the equipment which generates noise (switching regulator, inverter, servo motor, etc.), ground the shield wire to the F.G. terminal.
- Ground the shield wire to the F.G. terminal.
- When supplying power with SMPS, ground the F.G. terminal and connect the noise-canceling capacitor between the 0 V and F.G. terminals.
- Wire as short as possible and keep away from high voltage lines or power lines, to prevent inductive noise.
- For the Line driver unit, use the twisted pair wire which is attached seal, and use the receiver for RS-422A communication.
- Check the wire type and response frequency when extending wire because of distortion of waveform or residual voltage increment etc. by line resistance or capacity between lines.
- This unit may be used in the following environments.
- Indoors (in the environment condition rated in ‘Specifications’)
- Altitude max. 2,000 m
- Pollution degree 2
- Installation category II
Cautions during Installation
- Install the unit correctly with the usage environment, location, and designated specifications.
- When fixing the product with a wrench, tighten it under 0.15 N m.
Ordering Information
This is only for reference, the actual product does not support all combinations. For selecting the specified model, follow the Autonics website. ![]()
- Resolution
Number: Refer to the resolution in ‘Specifications’ - Click stopper position
- Normal “H”
- Normal “L”
- Control output
- T: Totem pole output
- V: Voltage output
- L: Line driver output
- Power supply
- 5: 5 VDC= ±5%
- 24: 12 – 24 VDC= ±5%
Product Components
- Product
- Instruction manual
Connections
- Unused wires must be insulated.
- The metal case and shield cable of encoders must be grounded (F.G.).
Totem pole/Voltage output
| Pin | Function | Pin | Function |
| 1 | +V | 4 | OUT B |
| 2 | GND | 5 | – |
| 3 | OUT A | 6 | – |
Line driver output
| Pin | Function | Pin | Function |
| 1 | +V | 4 | OUT B |
| 2 | GND | 5 | OUT A |
| 3 | OUT A | 6 | OUT B |

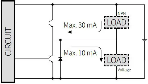
Inner Circuit
- Output circuits are identical for all output phase.
Totem pole output

Line driver output

Voltage output

Output Waveform
- The rotation direction is based on facing the shaft, and it is clockwise (CW) when rotating to the right.
- Phase difference between A and B: T/4±T/8 (T = 1 cycle of A)
- Click stopper position Normal “H” or Normal “L”: It shows the waveform when the handle is stopped.
Totem pole/Voltage output

Line driver output

Specifications
| Model | ENH-□-□-T-□ | ENH-□-□-V-□ | ENH-□-□-L-5 |
| Resolution | 25 / 100 PPR model | ||
| Control output | Totem pole output | Voltage output | Line driver output |
| Output phase | A, B | A, B | A, B, A, B |
| Inflow current | ≤ 30 mA | – | ≤ 20 mA |
| Residual voltage | ≤ 0.4 VDC= | ≤ 0.4 VDC= | ≤ 0.5 VDC= |
| Outflow current | ≤ 10 mA | ≤ 10 mA | ≤ -20 mA |
| Output voltage (5 VDC=) | ≥ (power supply -2.0) VDC= | – | ≥ 2.5 VDC= |
| Output voltage (12 – 24 VDC=) | ≥ (power supply -3.0) VDC= | – | – |
| Response speed 01) | ≤ 1 ㎲ | ≤ 1 ㎲ | ≤ 0.2 ㎲ |
| Max. response freq. | 10 kHz | ||
| Max. allowable revolution 02) | Normal: ≤ 200 rpm, Peak: ≤ 600 rpm | ||
| Starting torque | ≤ 0.098 N m | ||
| Allowable shaft load | Radial: ≤ 2 kgf, Thrust: ≤ 1 kgf | ||
| Unit weight (packaged) | ≈ 260 g (≈ 330 g) | ||
| Approval | |||
- Based on cable length: 1 m, I sink: 20 mA
- Select a resolution to satisfy Max. allowable revolution ≥ Max. response revolution [max. response revolution (rpm) = max. response frequency/resolution × 60 sec]
| Model | ENH-□-□-T-□ | ENH-□-□-V-□ | ENH-□-□-L-5 |
| Power supply | 5 VDC= ± 5% (ripple P-P: ≤ 5%) / 12 – 24 VDC= ± 5% (ripple P-P: ≤ 5%) model | 5 VDC= ± 5% (ripple P-P: ≤ 5%) | |
| Current consumption | ≤ 40 mA (no load) | ≤ 50 mA (no load) | |
| Insulation resistance | Between all terminals and case: ≥ 100 MΩ (500 VDC= megger) | ||
| Dielectric strength | Between all terminals and case: 750 VAC– 50 / 60 Hz for 1 minute | ||
| Vibration | 1 mm double amplitude at frequency 10 to 55 Hz (for 1 minute) in each X, Y, Z direction for 2 hours | ||
| Shock | ≲ 50 G | ||
| Ambient temp. | -10 to 70 ℃, storage: -25 to 85 ℃ (no freezing or condensation) | ||
| Ambient humi. | 35 to 85%RH, storage: 35 to 90%RH (no freezing or condensation) | ||
| Protection rating | IP50 (IEC standard) | ||
| Connection | Terminal block type | ||
Dimensions
- Unit: mm, For the detailed drawings, follow the Autonics website.

Contact Information
18, Bansong-ro 513Beon-gil, Haeundae-gu, Busan, Republic of Korea, 48002
www.autonics.com | +82-2-2048-1577 | [email protected].




















