Netzer DS-58 Absolute Rotary Encoder

Preface
Version: 3.0 Nov. 2021
Applicable documents
- DS-58 Electric Encoder data sheet
ESD protection
As usual for electronic circuits, during product handling do not touch electronic circuits, wires, connecters or sensors without suitable ESD protection. The Integrator / operator shall use ESD equipment to avoid the risk of circuit damage.
Product overview
Overview
The DS-58 absolute position Electric Encoder™ is a revolutionary position sensor originally developed for harsh environment critical applications. Currently it performs in a broad range of applications, including defense, homeland security, aerospace, and medical and industrial automation. The Electric Encoder™ non-contact technology relies on an interaction between the measured displacement and a space/ time modulated electric field.
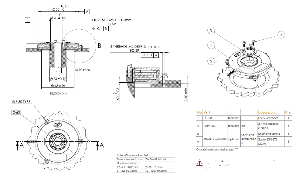
The DS-58 Electric Encoder™ is semi-modular, i.e., its rotor and stator are separate, with the stator securely housing the rotor.
- Encoder stator
- Encoder rotor
- Encoder mounting clamps
- Encoder cable

Installation flow chart

Encoder mounting

The encoder rotor (2) attaches to the host shaft by pressing it against a dedicated shoulder (b). A screw and washer or circular spring and washer at the end of the shoulder maintain pressure. The encoder stator (1) is centered by circumferential step (a) and attached to the host stator (c) using three encoder clamps .
Note: DO NOT use screw locking materials contain Cyanoacrylate which interact aggressively with the sensor body made of Ultem.
Encoder stator / Rotor relative position
The rotor is floating, therefore, for proper relative axial mounting distance “H” between the shaft shoulder (b) and stator mounting recess (a) should be 1.5 mm nominal. For ease of mechanical mounting compensation by rotor shims, the recommended distance is 1.6-0.05 mm.
The optimal recommended amplitude values are middle of the range according to those shown in the Encoder Explorer software and vary according to the encoder type.
The DS-58 amplitudes compensation:
Mechanicaly compensate by using 50 um shims below the rotor (available as DS58-R-00 kit).
Verify proper rotor mounting with the Encoder Explorer tools “Signal analyzer” or “Mechanical installation verification.”
Note: for more information please read paragraph 6
Unpacking
Standard order
The package of the standard DS-58 contains the encoder with 250mm shildedd cable AWG30.
Optional accessories:
- DS-58-R-01 Kit, Rotor mounting shims : x10 stainless steel 50um thick rotor mounting shims.
- MA-DS58-20-002, DS-58-20 INT KIT, Middle of shaft stepped shaft.
- MA-DS58-20-004, DS-58-20 INT KIT, Shaft end ,stepped shaft.
- EAPK005 Kit, encoder mounting clamps, (3 screws M2x4).
- CNV-0003 RS-422 to USB converter (with USB internal 5V power supply path).
- NanoMIC-KIT-01, RS-422 to USB converter with full digital interface for both NCP & high speed SSI/Biss and AqB (with USB internal 5V power supply path).
- DKIT-DS-58-SG-S0, Mounted SSi encoder on rotary jig, RS-422 to USB converter and cables.
- DKIT-DS-58-IG-S0, Mounted BiSS encoder on rotary jig, RS-422 to USB converter and cables.
Electrical interconnection
This chapter reviews the steps required to electrically connect the encoder with digital interface (SSi or BiSS-C).
Connecting the encoder
The encoder has two operational modes:


Absolute position over SSi or BiSS-C:
This is the power-up default mode
SSi / BiSS interface wires color code
- Clock + Grey
Clock - Clock – Blue
- Data – Yellow
Data - Data + Green
- GND Black Ground
- +5V Red Power supply
Setup mode over NCP (Netzer Communication Protocol)
This service mode provides access via USB to a PC running Netzer Encoder Explorer application (on MS Windows 7/10). Communication is via Netzer Communication Protocol (NCP) over RS-422 using the same set of wires.
Use the following pin assignment to connect the encoder to a 9-pin D-type connector to the RS-422/USB converter CNV-0003 or the NanoMIC.
Software installation
The Electric Encoder Explorer (EEE) software:
- Verifies Mechanical Mounting Correctness
- Offsets Calibration
- Sets up general and signal analysis
This chapter reviews the steps associated with installing the EEE software application.
Minimum requirements
- Operating system: MS windows 7/ 10,(32 / 64 bit)
- Memory: 4MB minimum
- Communication ports: USB 2
Installing the software
- Run the Electric Encoder™ Explorer file found on Netzer website: Encoder Explorer Software Tools
- After the installation you will see Electric Encoder Explorer software icon on the computer desktop.
- Click on the Electric Encoder Explorer software icon to start.
Mounting verification
Starting the Encoder Explorer

Make sure to complete the following tasks successfully:
- Mechanical Mounting
- Electrical Connection
- Connecting Encoder for Calibration
- Encoder Explore Software Installation
Perform mounting verification & rotation direction selection before calibration to ensure optimal performance.
It is also reccomended to observe the instaletion at the [Tools – Signal Analizer] window.
Mechanical installation verification

The Mechanical Installation Verification provides a procedure that will ensure proper mechanical mounting by collecting raw data of the fine and coarse channels during rotation.
- Select [Start] to initiate the data collection.
- Rotate the shaft in order to collect the fine and coarse channels data.
- At the end of a successful verification, the SW will show “Correct Mechanical Installation.”

- If the SW indicates “Incorrect MechanicalInstallation,” correct the mechanical position of the rotor, as presented in paragraph 3.3 – “Rotor Relative Position.”
Calibration
New feature
Auto-Calibration option enabled. Refer to document: Auto-calibration-feature-user-manual-V01
Offset calibration
For optimal performance of the Electric Encoders, the inevitable DC offset of the sine and cosine signals must be compensated over the operational sector.
After successfully completing the Mounting Verification procedure:
- Select [Calibration] on the main screen.
- Start the data acquisition while rotating the shaft.
The progress bar (c) indicates the collection progress.
Rotate the axis consistently during data collection-covering the working sector of the application end to end-by default the procedure collects 500 points over 75 seconds. Rotation speed is not a parameter during data collection. Data collection indication shows for the fine/coarse channels, a clear “thin” circle appears in the center (d) (e) with some offset.
CAA calibration
The following calibration aligns the coarse/fine channel by collecting data from each point of both channels.
Select [Continue to CAA Calibration]
In the CAA angle calibration window, select the relevant option button from the measurement range options (a):
- Full mechanical rotation – shaft movement is over 10deg – recommended.
- Limited section – define operation of the shaft in a limited angle defined by degrees in case of <10deg
- Free sampling modes – define the number of calibration points in the total number of points in the text box. The system displays the recommended number of points by default. Collect a minimum of nine points over the working sector.
- Click the [Start Calibration] button (b)
- The status (c) indicates the next required operation; the shaft movement status; the current position, and the next target position to which the encoder should be rotated.
- Rotate the shaft/encoder to the next position and click the [Continue] button (c) – the shaft should be in STAND STILL during the data collection. Follow the indication/interactions during the cyclic process for positioning the shaft –> stand still –> reading calculation.
- Repeat the above step for all defined points. Finish (d)
- Click the [Save and Continue] button (e).
The last step saves the offsets CAA parameters, completing the calibration process.
Setting the encoder zero point
The zero position can be defined anywhere in the working sector. Rotate the shaft to the desired zero mechanical position.
Go into “Calibration” button at the top menu bar, press “Set UZP”.
Select “Set Current Position” as zero by using the relevant option, and click [Finish].
Jitter test
Perform a jitter test to evaluate the quality of the installation; the jitter test presents the reading statistics of absolute position readings (counts) over time. Common jitter should be up +/- 3 counts; higher jitter may indicate system noise.
In case the reading data (blue dots) are not evenly distributed on a thin circle, you may experience “noise” in your installation (check shaft/stator grounding).
Operational Mode
SSi / BiSS
Operational mode indication of the SSi / BiSS Encoder interface available by using the NanoMIC.
For more information read about NanoMIC on Netzer website
The operational mode presents the “real” SSi / BiSS interface with 1MHz clock rate.
Protocol SSi
Protocol BiSS

Mechanical drawings
Shaft – End installation (step)

WARNING
Do not use Loctite or other glues containing Cyanoacrylate. We recommend to use 3M glue – Scotch-Weld™ Epoxy Adhesive EC-2216 B/A.
DS-58 end shaft spring, MP-03037

Shaft – MID installation (step)

WARNING
Do not use Loctite or other glues containing Cyanoacrylate. We recommend to use 3M glue – Scotch-Weld™ Epoxy Adhesive EC-2216 B/A.




















