
Manual
Version March 2022

NOMADA 12V105Ah
User Manual Nomada 12V105Ah
Dear customer,
This manual contains all the necessary information to install, use and maintain the Nomada 12V105Ah Li-ion battery. We kindly ask you to read this manual carefully before using the product. In this manual, the Nomada 12V105Ah Li-ion battery will be referred to as: the Li-ion battery. This manual is meant for the installer and the user of the Li-ion battery. Only qualified, certified personnel may install and perform maintenance on the Li-ion battery. Please consult the index at the start of this manual to locate information relevant to you.
During the use of the product, user safety should always be ensured, so installers, users, service personnel, and third parties can safely use the Li-ion battery.
Copyright© Super B All rights reserved. Licensed software products are owned by Super B or its subsidiaries or suppliers, and are protected by national copyright laws and international treaty provisions. Super B products are covered by Dutch and foreign patents, issued and pending. Information in this publication supersedes that in all previously published material. Specifications and price change privileges reserved. Super B is a registered trademark of Super B.
For more information please contact:
Super B Lithium Power B.V.
Europalaan 202
7559 SC Hengelo (Ov) The Netherlands
Tel: +31(0)88 00 76 000
E-mail: [email protected]
www:www.super-b.com
Safety guidelines and measures
General
- Do not short-circuit the Li-ion battery.
- Treat the Li-ion battery as described in this manual.
- Do not dismantle, crush, puncture, open, or shred the Li-ion battery.
- Do not expose Li-ion battery to heat or fire. Avoid exposure to direct sunlight.
- Do not remove the Li-ion battery from its original packaging until required for use.
- In the event of electrolyte leaking, do not allow the liquid to come in contact with the skin or eyes. If contact has been made, wash the affected area with water and seek medical advice.
- Always use a class 2 charger which is specifically provided for use with a Lithium Iron Phosphate battery (LiFePO4)
- Observe the plus (+) and minus (-) marks on the Li-ion battery and equipment and ensure correct use.
- Do not mix batteries of different manufacture, capacity, size, or type.
- Keep the Li-ion battery clean.
- Secondary batteries need to be charged before use. Always use a correct charger (see charging manual on our website) and refer to this manual for proper charging instructions.
- Do not leave the Li-ion battery on prolonged charge when not in use.
- After extended periods of storage, it may be necessary to charge and discharge the Li-ion battery several times to obtain maximum performance.
- Retain the original product documentation for future reference.
- Disconnect the Li-ion battery from the equipment when not in use.
- Do not charge the Li-ion battery below 0°C.
Warning! Keep the Li-ion battery away from dust and contamination. Place the Li-ion battery in well ventilated areas.
Disposal

Dispose the Li-ion battery in accordance with local, state, and federal laws and regulations. Batteries may be returned to the manufacturer. Do not mix with other (industrial) waste.
Introduction
Product description
The Nomada 12V105Ah is a modular Lithium Iron Phosphate rechargeable battery. The Li-ion battery has a compact and lightweight modular design which means you can easily scale up your energy system. The unique combination of state-of-the-art technology and smart software makes this Li-ion battery a robust, safe, and easy-to-use energy storage solution.
The Li-ion battery uses safe Lithium Iron Phosphate (LiFePO4) technology. With its integrated battery management system the Li-ion battery is protected from deep discharging, overcharging, and overheating.
Warning! It is required to use a Super B Battery Communication Interface (BCI) in combination with an external disconnect device or a Super B Battery Interface Box (BIB), for safe operation of the Nomada 12V105Ah Li-ion battery
Intended use
The Nomada 12V105Ah Li-ion battery serves as an energy source of 12V in power systems for recreational vehicles, commercial vehicles, leisure boats, commercial vessels, and stationary applications. Potential applications for this Li-ion battery include: off grid power supply, marine power supply, medium for (renewable) energy storage, and (traction) battery for vehicles. Using it as a starter battery is not possible. Up to 4 batteries can be connected in series or in parallel to increase the total capacity up to 420Ah. When using more than 4 batteries in series or parallel always consult Super B.
Glossary of Terminology
| BMS | Battery Management System |
| Charge cycle | A period of use from fully charged, to fully discharged, and fully recharged again. |
| Endurance Life-cycle | The product’s maximum lifespan, achieved by following the guidelines presented in this manual. |
| BCI | Battery Communication Interface |
| BIB | Battery Interface Box |
| LiFeP04 | Lithium Iron Phosphate |
| SoC | State of charge |
| CCCV | Constant Current – Constant Voltage |
| DoD | Depth of Discharge |
Table 1. Glossary of Terminology
Used symbols
The following icons will be used throughout the manual:
Warning! A warning sign indicates severe damage to the user and/or product may occur when a procedure is not carried out as described.
Caution! A caution sign indicates that problems may occur if a procedure is not carried out as described. It may also serve as a reminder to the user.
Product specifications
Product features
- Modular traction battery
- Lithium Iron Phosphate (LiFePO4): Safe Li-ion technology
- Integrated BMS (Battery Management System),
- BIB or BCI with disconnect device (relay) is required
- PC+ABS (UL94 V-0) flame-retardant battery casing
- Terminals for 2 x M8 bolts
- External fuse needed
- Wired communication interface: CANopen
- Easy CAN bus interconnection
- Battery monitoring and history storage
- Adaptive cell balancing
- Configurable in serial or parallel connection
- Independent temperature sensor for DNV type approved battery
Technical specifications
Electrical specifications
| Nominal capacity | 105Ah |
| Energy | 1344Wh |
| Nominal voltage | 12.8V |
| Open circuit voltage | 13.2V |
| Self discharge | <3% per month |
Mechanical specifications
| Dimensions (LxWxH) | 437 x 90 x 175 mm / 17.2” x 3.5” x 6.9” |
| Weight | 10 kg / 22 lbs |
| Case material | PC+ABS (UL94 V-0) flame-retardant battery casing |
| Ingress protection | IP66 |
| Cell type / chemistry | Prismatic – LiFePO4 |
Table 3. Mechanical specifications
Charge & discharge specifications
| Charge method | CCCV |
| Charge voltage | 14.3V – 14.6V |
| Max charge current | 105A |
| End of discharge voltage | 10V |
| Max discharge current continous | 315A |
| Max discharge pulse current (10 sec, SoC >60%) | 525A |
Table 4. Charge and discharge specifications
Temperature specifications
| Charge temperature | 0°C to 55°C / 32°F to 131°F1 |
| Discharge temperature | -20°C to 55°C / -4°F to 131°F |
| Storage temperature short-term (<1 month) | -20°C to 45°C / -4°F to 113°F |
| Storage temperature long-term (>1 month) | 0°C to 35°C / 32°F to 95°F |
| Relative humidity | 10-90% |
Table 5. Temperature specifications
1 Do not charge the Li-ion battery below 0°C / 32°F
Compliance specifications
| Certifications | CE, FCC, UN 38.3, DNV, UL 1642 (Cells), UN ECE R10.06, ES-TRIN |
| Shipping classification | UN 3480 |
Table 6. Compliance specifications
General product specifications
| Battery designation | IFpP/36/130/195/[4S]M/-20+50/90 |
| Cycle life | >3500 (1C charge/discharge, DoD 100%)2 |
Table 7. General product specifications
2 The cycle life value given above is an indication at 23°C. The Li-ion battery cycle life depends strongly on temperature and the applied charging and discharging loads.
Environmental conditions
Warning! The Li-ion battery may only be used in conditions specified in this manual. Exposing the Li-ion battery to conditions outside the specified boundaries may lead to serious damage to the product and/or the user.
Use the Li-ion battery in a dry, clean, dust-free, well-ventilated area. Do not expose the Li-ion battery to fire, solvents or excessive heat.
Scope of delivery

| 1. (1x) Nomada 12V105Ah lithium battery 2. (4x) M8 Bolt 3. (4x) M8 Spring washer | 4. (4x) M8 Plain washer 5. (2x) Terminal protection cap |
Connections

1. Con 1 (CANopen; 5-pin “micro” style connector female)
2. Con 2 (CANopen; 5-pin “micro” style connector male)
3. Con 3 (Independent temperature sensor output, DNV type approved model only) (5-pin “micro” style connector female)1
4. Terminal + (2x M8)
5. Terminal – (2x M8)
1Note: Con 3 is only available for the DNV type approved model, as standard the battery is delivered without this optional connector, for further details and detailed information on how to use this connector please contact Super B
Con 1 & 2 (CANopen; 5-pin “micro” style connector)
| PIN # | Signal | Description |
| 1 | CAN_SHLD | Optional CAN Shield |
| 2 | CAN_V+ | Optional CAN external positive supply (dedicated for supply of transceiver and optocouplers. if galvanic isolation of the bus node applies) |
| 3 | CAN_GND | Ground / 0V |
| 4 | CAN_H | CAN_H bus line (dominant high) |
| 5 | CAN_L | CAN_L bus line ( dominant low) |
Table 8. Con 1 & 2 (CANopen; 5-pin “micro” style connector)
Con 3 (Optional independent temperature sensor connector)
| PIN # | Signal | Description |
| 1 | SHIELD | Optional shielding (connected to CAN shield) |
| 2 | VPLUS | Power supply for independent temperature sensor (connected to CAN V+) voltage range: 12-24V (max. 30V) |
| 3 | VMIN | GND / 0V (connected to CAN GND) |
| 4 | NC | Do not connect |
| 5 | SWITCH OUTPUT | Open drain output for temperature sensor (active low signal, fused 150mA, self-resetting) |
Table 9. Con 3 (Sensor output; 5-pin “micro” style connector)
LED Indicators

| D1 (Green) | D2 (Yellow) | D3 (Red) | Mode | |
| 1 | Off | Off | Off | Empty / Deep discharge |
| 2 | Off | Off | On | Alarm mode |
| 3 | On | Off | Off | Operational mode |
| 4 | Flashing | Off | Off | Operational mode (Idle)1 |
| 5 | Off | On | Off | Warning mode |
Table 10. LED Mode
1 When the Li-ion battery is in operational mode and the battery is not being charged or discharged, the Green LED indicator flashes every 3 seconds.
Peripheral equipment
Obligatory
In order for the Li-ion battery to be used safely, a BIB or BCI in combination with an external disconnect device must be installed. Not installing a BIB or BCI with an external disconnect device will lead to serious damage to the Li-ion battery and can pose high safety risks for users and the environment. When a BIB or BCI with an external disconnect device is not installed the warranty of the Li-ion battery will be void.
Optional Components
The Li-ion battery can be used in combination with a number of (Super B) products:
| Article name | EAN code |
| CAN Cable 0.6m Male to Female | 8.71853E+12 |
| CAN Cable 1m Male to Female | 8.71853E+12 |
| CAN Cable 2m Male to Female | 8.71853E+12 |
| CAN Cable 5m Male to Female | 8.71853E+12 |
| CAN Cable 10m Male to Female | 8.71853E+12 |
| BIB LV12V350A V2 | 8.71853E+12 |
| BIB LV24V350A V2 | 8.71853E+12 |
| BIB LV48V350A V2 | 8.71853E+12 |
| BIB LV12V600A V2 | 8.71853E+12 |
| BIB LV24V600A V2 | 8.71853E+12 |
| BIB LV48V600A V2 | 8.71853E+12 |
| Be in Charge Monitoring Kit | 8.71853E+12 |
| BCI | 8.71853E+12 |
| Touch Display | 8.71853E+12 |
| Touch Display + Cable 5m | 8.71853E+12 |
| CAN Terminator Male Low Profile | 8.71853E+12 |
| CAN Terminator Female Low Profile | 8.71853E+12 |
| CAN Cable 0.25m angled male to angled female | 8.71853E+12 |
| CAN Cable 1m angled male to angled female | 8.71853E+12 |
| CAN Cable 2.5m angled male to angled female | 8.71853E+12 |
| Cable 0.2m Y-split angled male to straight male-female | 8.71853E+12 |
| Battery Bracket for 1 Nomada | 8.71853E+12 |
| Battery Bracket for 4 Nomada’s | 8.71853E+12 |
| Nomada battery connection strip series | 8.71853E+12 |
| Nomada battery connection strip parallel | 8.71853E+12 |
Table 11. Optional components that can be used in combination with the Li-ion battery
Installation
General information
Warning! Never install or use a damaged Li-ion battery.
Warning! Always use a proper fuse which fits the system needs.
Warning! Do not reverse-connect the Li-ion battery (polarity).
When connecting several batteries in series or parallel, always use batteries of the same brand, type, age, capacity and state of charge.
Unpacking
Check the Li-ion battery for damage after unpacking. If the Li-ion battery is damaged, contact your reseller or Super B. Do not install or use the Li-ion battery if it is damaged!
Preparing the battery for use
Caution! Do not operate the Li-ion battery beyond published maximum specifications.
Caution! Charging at deep discharge conditions can lead to venting, excessive heat, or thermal runaway of the cells.
Caution! This Li-ion battery stores fault conditions internally, like excessive charge current or deep discharge situations. Super B uses this information in the warranty process.
Warning! Do not overcharge the Li-ion battery.
Placement of the battery
Before it is used, the Li-ion battery must be positioned in such a way that it will not move around in its compartment during use. The Li-on battery may be placed on its long side, but not upside down or on its short side. If necessary, the Li-ion battery may be fixed in place by means of Super B mounting brackets. The brackets can be screwed in place by means of bolts or screws.

Figure 4. Placement of the battery
Connection wires
Use appropriate wire for the connection wires to prevent overheating and unnecessary losses. Use appropriate fuses matching the wires and load. Super B suggests to use 95mm2 connection wires. Connection wires with smaller diameters can cause overheating or unnecessary losses.
Using the BIB (Battery Interface Box)
Warning! Do not connect a load or charger directly on the Li-ion battery, always connect these devices at the load side of the BIB.

Consult with Super B for the BIB installation instructions.
Using the BCI (Battery Communication Interface) with a normal relay

Figure 6. Connecting a Li-ion battery to the BCI
Consult with Super B for the BCI installation instructions.
Disconnecting the Li-ion battery
- Turn off any device or charger the Li-ion battery is connected to.
- Disconnect the negative wire from the – terminal of the Li-ion battery.
- Disconnect the positive wire from the + terminal of the Li-ion battery.
Connecting Li-ion batteries in series and parallel
Connecting Li-ion batteries in series.
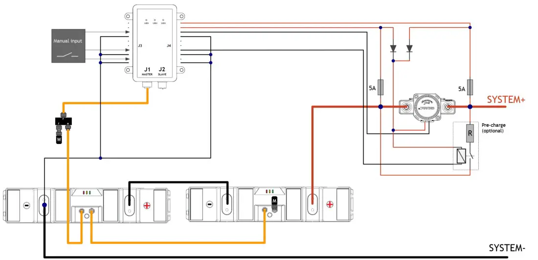
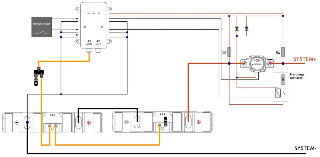
Caution! When connecting multiple batteries in series or parallel make sure that the SoC of all batteries is 100% to avoid unbalance in the battery bank.
Caution! Before connecting 4 or more batteries in series, always consult Super B
Caution! Depending on the installation a precharge circuit might be needed. For further information consult Super B or your dealer.

Figure 7. Batteries connected in series with external disconnect device and BCI.
Connecting Li-ion batteries in parallel
Caution! Before connecting 2 or more Li-ion batteries in parallel, the Li-ion batteries must be charged to 100% SoC.
Caution! For more than 4 Li-ion batteries in parallel connection consult Super B or your dealer.
Caution! Depending on the installation a precharge circuit might be needed. For further information consult Super B or your dealer.
Caution! Make sure that the disconnect device (relay) used, is suitable for the maximum continous (dis)charge current of the system.
OK: Equally divided battery current. All batteries contribute equally to the current into the load.
NOT OK: Current not equally divided. Batteries closest to load will have the highest contribution to the current into the load, whereas batteries further away from load will have lesser current contribution. Wear and tear will be higher on the Li-ion battery close to the load.
Connecting Li-ion batteries in series and parallel
Caution! Before connecting 4 or more Li-ion batteries in series and parallel, the Li-ion batteries must be charged to 100% SoC. !
Caution! For more than 4 Li-ion batteries in series and parallel connection consult Super B or your dealer.
Caution! Depending on the installation a precharge circuit might be needed. For further information consult Super B or your dealer.

CANopen interface
The CANopen interface of the Li-ion battery must be used for communication with the BCI/ BIB and can be used for monitoring purposes. The Li-ion battery can be monitored using the Battery Monitor software and the touch screen display. To use the Battery Monitoring Software, the CAN bus of the Li-ion battery needs to be connected by means of CAN-to-USB interface to the computer on which the monitoring software and the USB drivers are installed. More information about the CANopen bus can be found at the CiA website: www.can-cia.org.
CAN Bus network topology
The CAN Bus must be used in a bus network topology. Do not use a ring- or a star topology. The maximum CAN bus length is limited. The Li-ion battery has a fixed bitrate of 250kbps.
In table 11 is an overview of these restrictions.
| Bit rate | Bus length (L) | Max. stub length (S) | Accumulated stub length |
| 250 kbps | 250 m | 11 m | 55 m |
Termination Resistors
The CAN bus requires termination at the two ends of the bus. The USB-to-CAN interface may be connected anywhere to the CAN bus.
Use these resistors at the end nodes to prevent reflections on the line. The value of this resistor should be ±120 ohms.
Please note that the terminator can be connected directly to the second connector on the Li-ion battery by using the available Super B terminators.
CAN bus power
Due to the galvanic isolation between the BMS and the Li-ion battery’s CAN interface an external power supply is needed on the CAN bus.
The CAN bus can be powered through the CAN power cable (see figure 9). This situation may occur when a USB-to CAN interface is directly connected to the Li-ion battery. When using the SB BCI with one Li-ion battery, the CAN power cable is required.
When using the SB BCI with 2 to 16 Li-ion batteries, the CAN power cable isn’t required. The power is provided by the BCI.

Independent temperature sensor (optional)
For certain applications or systems which require our DNV Type Approved model, a 3rd connector is designed, to allow connection to an independent temperature sensor. The connector is only available on the Nomada Li-ion battery with DNV Type Approval, and a standard Li-ion battery does is not equipped with this 3rd connector. This sensor works independently from the BMS and is not electrically connected to the BMS, it is used as a redundant temperature guard.
It measures the battery temperature and switches at a fixed level, to send out a signal informing the user (or Energy Management System), that the battery has reached a temperature level that is too high.
The internal circuit can be powered from the CAN bus power, or by using the input connections within the Con 3 connector. The temperature sensor output is a fused open-drain output, pulling the signal line low when the temperature sensor has been activated. The sensor trip level is ~75°C.
In large installations where more than one independent battery sensor needs to be observed, the signal from all the Li-ion batteries can be connected in parallel, using a special y-split cable (see paragraph 3.6.2). Please contact Super B for more information about this connection, DNV application information, and supplied accessories.
Battery use
General information
Warning! It is required to use a Super B Battery Communication Interface (BCI) in combination with an external disconnect device or a Super B Battery Interface Box (BIB), for safe operation of the Li-ion battery.
Warning! In case of an undervoltage shutdown the charging current must be very low until a safe voltage is achieved.
Warning! Follow the safety guidelines and measures of chapter 1.
Caution! Charge the Li-ion battery before use.
Caution! Do not cover the + and – sign as they contain a integrated pressure relief mechanism.
Charging
Warning! Never charge the Li-ion battery with a charging current larger than the maximum charge current specified in chapter 3.2.3
Warning! Stop charging when the Li-ion battery switches to alarm mode (the external disconnect device will switch off).
Caution! To charge the Li-ion battery, use a charger which follow Super B’s charging profile (see charging manual which can be found on the Super B website).
- Connect the charger to the Li-ion battery as described in paragraph 4.
- Charge the Li-ion battery in case of an under-voltage shutdown or if the state of charge drops below 20% to preserve the lifespan of the Li-ion battery.
Battery balancing
During the battery lifespan, the cells within the Li-ion battery may be unbalanced due to high discharge currents and short float charge periods. This may result in a loss of capacity and unbalanced cells. The cells can be manually balanced by applying a constant voltage of 14.4 V and a current between 500mA and 800mA to the Li-ion battery
Reading the battery’s State of Charge (SoC)
The Li-ion battery’s State of Charge can only be read by CAN communication.
Battery Monitoring Software
Super B battery monitoring software offers the possibility to monitor the parameters of the Liion battery, such as cell voltage or temperature. It also enables one to download a complete recording of the Li-ion battery’s properties over time. The battery monitoring software and hardware are not included with the Li-ion battery. An overview of these products is given in paragraph 3.6.2.
Battery History Recording
The battery history can be downloaded with the battery monitor software. This recording can only be accessed by a reseller or Super B for evaluation.
Inspection and cleaning
General information
Warning! Never attempt to open or dismantle the Li-ion battery! The inside of the Li-ion battery does not contain serviceable parts.
- Disconnect the Li-ion battery from all loads and charging devices before performing cleaning and maintenance activities (see paragraph 4.5).
- Place the enclosed protective caps over the terminals before cleaning and maintenance activities to avoid making a short circuit.
Inspection
- Inspect for loose and/or damaged wiring and contacts, cracks, deformations, leakage, or damage of any other kind. If damage to the Li-ion battery is found, it must be replaced. Do not attempt to charge or use a damaged Li-ion battery. Do not touch the liquid from a ruptured Li-ion battery.
- Observe and note the run time that a new and fully-charged Li-ion battery provides for powering your product. Use this new run time as a basis to compare run times for older batteries. The run time of the Li-ion battery will vary depending on the products’ configuration and its application.
- Routinely check the Li-ion battery’s SOC. Lithium Iron Phosphate batteries have some level of selfdischarge (<3% per month) when not in use or stored.
- Consider replacing the Li-ion battery if you note either one of the following conditions:
– The Li-ion battery run time drops below about 80% of the original run time.
– The Li-ion battery charge time increases significantly.
Cleaning
If necessary, clean the Li-ion battery with a soft, dry cloth. Never use liquids, solvents, or abrasives to clean the Li-ion battery.
Storage
Follow the storage instructions below to optimize the lifespan of the Li-ion battery. If these instructions are not followed and the Li-ion battery has no charge remaining when it is checked, consider it to be damaged. Do not attempt to charge or use it. Replace it with a new Li-ion battery. See paragraph 3.2.4 for storage temperature conditions.
- Charge or discharge the Li-ion battery to 80% of its capacity before storage.
- Disconnect the Li-ion battery from all loads and, if present, the charging device.
- Place the terminal covers over the terminals during storage.
- Charge the Li-ion battery to 80% of its capacity every year.
Transportation
Always check all applicable local, national, and international regulations before transporting a Lithium Iron Phosphate battery.
Transporting an end-of-life, damaged, or recalled Li-ion battery may, in certain cases, be specifically limited or prohibited. The transport of the Li-ion battery falls under hazard class UN3480, class 9. For transport over water, air, and land, the Li-ion battery falls within packaging group PI965 Section II.
Disposal and recycling
Always discharge the Li-ion battery before disposal. Use electrical tape or other approved covering over the terminals to prevent short circuits. Battery recycling is encouraged. Dispose of the Li-ion battery in accordance with local, state, and federal laws and regulations.
Troubleshooting
| Problem | Possible reason | Solution |
| The capacity of the Li-ion battery has decreased | The cells within the batteries are not properly balanced or the Li-ion battery is worn out. | Perform one full charge cycle to balance the cells (see chapter 5 for balancing). |
| The Li-ion battery cannot be charged/discharged | The Li-ion battery has been deeply discharged. The BMS is now in “fault condition”. | Disconnect all loads and charge the Li-ion battery. Then press the reset button on the BIB / BCI for at least 10-15 seconds to resolve the “fault condition”. |
| The Li-ion battery has been overcharged. The BMS is now in “fault condition”. | Stop charging the Li-ion battery and press the reset button on the BIB / BCI for at least 10-15 seconds to resolve the “fault condition”. | |
| The Li-ion battery has overheated. The BMS is now in “fault condition”. | Stop charging the Li-ion battery and disconnect all loads and wait for the Li-ion battery to cool down. Then press the reset button on the BIB / BCI for at least 10-15 seconds to resolve the “fault condition”. |
Table 13. Troubleshooting
Warranty and liability
No rights can be derived from this document. Any installation or use contrary to these instructions may void the warranty granted to you. Please refer to the sales agreement for warranty and other provisions applicable to your purchase. If the product is defective, please contact the dealer, reseller or retailer that you purchased the product from. Super B’s liability for any of its products is limited to the corresponding provisions under mandatory applicable law.

For more information please contact:
Super B Lithium Power B.V.
Europalaan 202
7559 SC Hengelo (Ov) The Netherlands
Tel: +31 (0)88 0076 000
E-mail: [email protected]
www.super-b.com
Manual March 2022




















