ABOUTWATER AA-27 Basin Mixer

Tools needed

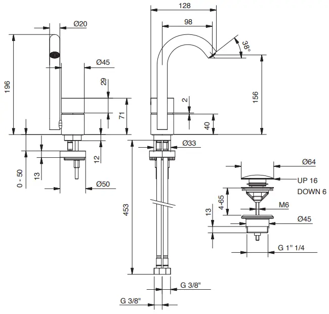
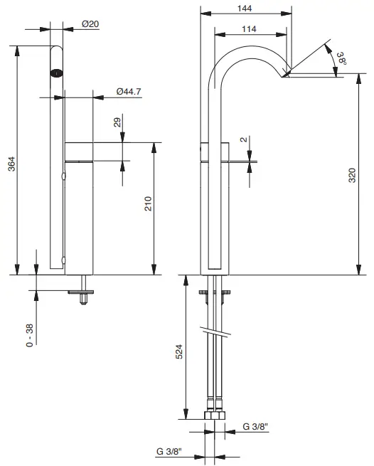
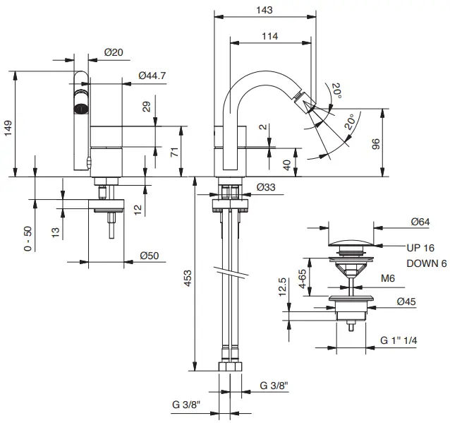
Dimension
Y004F

Y006WF

Y008F

Technical data
- Minimum pressure 1 BAR
- Maximum pressure 10 BAR
- Recommended working pressure 2-5 BAR
- Maximum water temperature 80°
- Maximum water temperature recommended 65°
- Maximum in-let pressure difference (hot – cold) 1.5 BAR
Operating instructions
These mixers can be used with cumuli’s boilers or instantaneous water heaters.
Warning
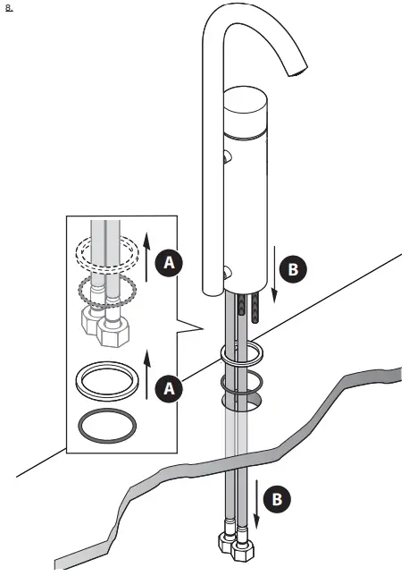
The supplying pipes must be carefully cleaned before installation.
Remember that the hot water supply must ALWAYS be connected to the tube on the LEFT.
Installation Instructions








On first use or following prolonged periods of inactivity, do not use the first half-liter of drinking water dispensed.
Shut off the plumbing system in the event of a long absence. Check the water tightness regularly
Customer Support
Fratelli Fantini SpA
via Buonarroti, 4
28010 Pella (NO) Italia
T +39 0322 918411 r.a.
F +39 0322 969530
www.aboutwater.it
www.fantini.it
[email protected]


















