
Part No.HD108
Water Top Up Unit
Installation Instructions
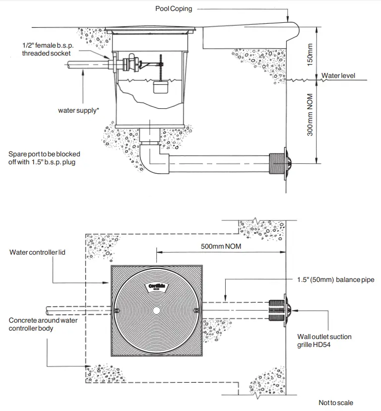
HD108 Water Top Up Unit




Part No.HD108
Water Top Up Unit
Installation Instructions



Download manual
Here you can download full pdf version of manual, it may contain additional safety instructions, warranty information, FCC rules, etc.