BFt Pillar B 275 Hydrulic Painted Steel Bollard

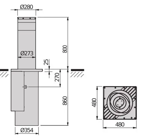
DIMENSION

Automatic high-strength anti-terrorism hydraulic bollard with the incorporated hydraulic control unit. Suitable for protecting sensitive sites, thanks to the special “sD” version, which keeps the shaft raised in case of a power failure and with public installations where, in the standard version, the shaft Lowers automatically when the power is cut.
PILLAR B 275/800.6C

D113812 00002- PERSEO CBE 230.P SD- Recommended
- Control unit with U-Link, receiver and incorporated heating Circuit (to -4U) Tor electrO-mechanical and hydrauliC bollards. Lan manage up to 4 bollards at the same time (or up to 1 Xpass 330/1200)
- Application: Control panel for operating1 to 4 automatic bollards, single-phase (in parallel) (or max. 1 Xpass 330/1200)
- Board power supply: 230V single phase
- Output power: 230Vac single-phase, 12A max.
- Main features: removable terminal blocks, digital programming. 3-digit display. Proxima programmer connector, dual-channel receiver 2048 codes included, heater for operation to -40’C, complete support for anti-terrorism bollards, 11 inputs, 9 outputs.
- Main features: U-Link interconnectivity, automatic reclosing, separate open and close, pre-flashing, deadman control, automatic or semi-automatic, opening and closing limit switch management, arranged for UPS.


RECOMMENDED ACCESSORIES


What is U-Link?
The technology that gives you more power
U-Link, Universal Link, is an exclusive BFT platform that can be used to create high-tech ecosystems. In Home Access Automation, it can be used to communicate with all home access automation devices of any brand. This saves you time and allows you to Control everything easily and without any worries.
- It is intuitive
Easy to install and to use - It is scalable
YOu can add as many devices as you want - It is flexible
It allows you to create groups of interConnected products - It is practical
Works with or without an internet connection - It is functional
Its settings can be controlled remotely using dedicated applications
Everything on one screen
find out more about this amazing technology A world-exclusive plattorm that can be used to create high-tech ecosystems oftering a vast range of solutions for many different sectors.
This proprietary plattorm which is a key teature of BFT products, thanks to the B-EBA cards and the Clonix U-Link receiver, is suitable for any protocol or product for access automation (including BFT products non-BFT ones and older versions) and it can be used in a variety of difterent sectors. This means any device becomes a smart device which can be interconnected with other systems, using a language that is becoming universal.
U-Control HOME
U-Control HOME is the application that allows you to open the gate to your home and to remotely control BFT automations using your own smartphone. The iOS version can be used to automatically open the automation when you are close to it.


















