PHOENIX 4038500 DryMAX BLE LGR Dehumidifier

The Phoenix DryMAX BLE BLE LGR Dehumidifier
We’ve added Bluetooth functionality to DryMAX. You can now stream all of your psychrometric data by Bluetooth to the FREE DryLINK app or an app you may already use for your drying jobs. Go to https://usephoenix.com/drylink/ecosystem/ for more information on the DryLINK Ecosystem.
The feedback on the stacking of the AirMAX was so positive we made sure to build it into the Phoenix DryMAX BLE. We’ve also added an advanced graphical control panel which puts all the information on homescreen in an easily understandable format. A new Status Bar is located at the top of the new control panel to give you instant feedback about the dehumidifier from across the room. Remove only four fasteners and you have easy access to service the unit.
- Built in Bluetooth
- LGR Capacity – Removes moisture even in dry conditions for deep drying.
- Energy Efficiency – Removes 80 pints at AHAM while drawing only 5.7 amps.
- Smallest Footprint Large Category Dehumidifier.
- Slide Out Handle with Recessed Wheels for Easy Maneuverability and Compact Storage.
- Integrated Cord and Hose Management for Transportation and Storage.
- Easy to read, industry graphical control panel.
- Status Light Indicator – Tell at a Glance What Operating Mode the Unit is in.
- Integrated, Superior Stacking for Transportation and Storage.
- 170 CFM – Optimized process air speeds drying and provides static pressures for ducting.
- Plastic Housing – Rugged roto-molded housing resists dents and scratches
- Outlet Ducting – 10” lay flat exhaust.
- Pleated Media Air Filter – MERV 10
- Lighted cord – Easy to determine power to the unit.
Read the operation and maintenance instructions carefully before using this unit. Proper adherence to these instructions is essential to obtain maximum benefit from your Phoenix DryMAX BLE dehumidifier.
WARNING:
- It is designed to be used INDOORS ONLY.
- If used in a wet area, plug it into a GROUND FAULT INTERRUPTER.
- DO NOT use the Phoenix DryMAX BLE as a bench or table.
- It must always be used in the horizontal position.
- Never operate a unit with a damaged power cord. If the power cord is damaged, it must be replaced by the manufacturer, its service agent, or a similarly qualified person in order to avoid a hazard.
- Do not unplug the unit by pulling on the cord. Grasp the plug firmly and pull it out of the wall socket or power receptacle.
- This appliance is not intended for use by persons (including children) with reduced physical, sensory or mental capabilities, or lack of experience and
knowledge, unless they have been given supervision or instruction concerning use of the appliance by a person responsible for their safety.
- The appliance shall be installed in accordance with national wiring regulations.
- Please allow one foot of clearance for the inlet and outlet
Safety Certifications
The Phoenix DryMAX BLE conforms to unified standard UL 60335-2-40 and CSA standard C22.2.60335-2-40.
Specifications
- Part No. 4038500 (RED) 4038550 (BLUE) 617B (Green)
- Power 5.7 amps, 110-120 VAC, Grounded
- Water 80 pints/day @ AHAM (80°F, 60%)
- Removal Charge Blower 170 CFM without external ducting Refrigerant 1 lb, 3 oz. R-410A
- Operating Range 33°F to 110°F
- Filters Duct: 9” x 12” x 1” Pleated Media MERV-10
- Options Outlet – 10” Lay-Flat
- Cord Length 25 ft
- Warranty Five years; 1st year 100% of Parts and Labor 2nd-5th year 100% of sealed refrigeration system parts
Patent: thermastor.com/patents
Operation
Place dehumidifier inside structure, place condensate hose into a drain, or a very large container, and turn on. To decrease drying times, make sure all windows and doors are closed to the outside and seal off the wet area from any unaffected areas.
Transporting
The Phoenix DryMAX BLE features a high-impact roto-molded housing which protects the unit. It is recommended the units are properly secured for transport. The Phoenix DryMAX BLE must always be on its base when transported by vehicle. It may be tipped upright to utilize its handle and back for loading and moving by hand.
Electrical Requirements
The Phoenix DryMAX BLE plugs into a common grounded outlet on a 15 amp circuit. It draws 5.7 amps at 80°F, 60% RH. If used in a wet area, a ground fault interrupter (GFI) is required. If an extension cord is required, it must have a minimum of 14 gauge conductors if 25 feet long or less and 12 gauge conductors if greater than 25 feet long.
Control Panel
When presented with Control Panel Selection Boxes in the control panel the white box with the black lettering will be the active selection.
Control Panel Key Light Bar
- Green Pulsing = The system is running correctly but the compressor is off.
- Green = The system is running normally and the compressor is on.
- Blue = The system is running normally but the unit is in defrost.
- Red = Reservoir full, check the pump, float switch, or condensate hose.
Startup
When the unit is plugged in you will see the Phoenix logo followed by the Standby Screen

Plugged In – Standby Mode

When plugged in but without pushing the power button, the display will communicate to the user that the machine is in Standby mode and ready to be powered on. In Standby Mode, the display will also show the current job and life hours on the fourth line.
Light Bar = Off
The Powering Up screen allows the compressor time to acclimate before starting up.
Light Bar = Pulsing

Power Button
When the dehumidifier is plugged in it will enter stand-by mode.

Press the button to turn the dehumidifier on. The unit will begin the Powering Up sequence and you will see this screen:

Press and hold the Power button to turn the dehumidifier off. The dehumidifier will go through a powering-down cycle.
The default shut-down time is three minutes plus 20 seconds for a final purge. The shutdown time can be changed be scrolling through the menu to this screen.
IMPORTANT
- Unplugging the unit without running the shutdown sequence will allow water to remain in the unit after use.
- Tilting the unit more than 70 degrees on the handle side or more than 20 degrees on the non-handle side may result in water spillage.
- Tilting the unit without running the final purge may result in water spillage.
PURGE Button
During normal operation the pump automatically cycles when the reservoir is full.
Press the button to remove condensate manually from the reservoir.
Dashboard
Dashboard while in Humidistat Mode When the machine is dehumidifying the unit will display:
- Inlet = Temperature and RH/Grains
- Outlet = Temperature and RH/Grains
- Hours = Job hours and Life hours
- Grain Depression/Gram Depression = Grains/Grams per pound value will automatically be displayed with the RH SetPoint
- Light Bar = On
- Color = Green
Navigation
- Press the NEXT key to advance to the next screen or to enter a value
- Press the SET key to scroll through available values.
- The White Box indicates the selected choice when two boxes are presented.
- Press the Purge key to return to the dashboard
Purging
- Press the PURGE button to purge the machine.
- The display will communicate to the user that the machine is purging on the fourth line of the dashboard and show a 20 second countdown timer. This will momentarily replace grain depression until the machine has finished purging.

The display will also communicate to the user that the machine is auto purging in the fourth line of the dashboard and show a 30 second countdown timer.
Condensate Removal
The Phoenix DryMAX BLE is equipped with an internal condensate pump to remove the water that is condensed during dehumidification. This allows the condensate to be pumped up to 23 feet with the attached hose. If the condensate must be pumped more than 23 feet above the unit, a second pump must be added to relay the condensate. The condensate pump automatically purges when the reservoir is full. Use the PURGE button to manually remove condensation. For help with the “Reservoir full: check float, pump, and hose” error see section 5.3 Troubleshooting

Defrosting
The display will communicate to the user that the machine is defrosting on the fourth line of the dashboard. This will momentarily replace grain depression until the machine has finished defrosting.
- Light Bar = On
- Color = Blue
Defrost Cycle
If the low side refrigerant temperature drops due to excessive frost formation on the evaporator coil and below the temperature set point, the thermistor activates the PLC and Status Light Indicator. The compressor is cycled off and on by the thermistor temperature measurement. The air mover will continue to run, causing air to flow through the evaporator coil and melt the ice when the compressor is off. When the air temperature and/or humidity increases, the evaporator temperature will rise and the thermistor will end the defrost cycle at the temperature set point.
- Light Bar = Blue
Shut Down Sequence/Power Down time

Press the Set button to adjust the Power Down Time in one minute increments ranging from 3 – 20 minutes.
The Power Down Time allows the blower to run to remove water from the coil and to allow the evaporator to acclimate to the ambient conditions. At the end of the shutdown time the unit will automatically purge to remove any remaining water.
The proper shutdown is dependent on conditions. Increasing your shutdown time will help ensure there is no residual water in the unit.
IMPORTANT
- Unplugging the unit without running the shutdown sequence will allow water to remain in the unit after use.
- Tilting the unit more than 70 degrees on the handle side or more than 20 degrees on the non-handle side may result in water spillage.
- Tilting the unit without running the final purge may result in water spillage.
Scrolling Through the Menus
Device Name The following information is displayed on this screen:

- Device Name = You can change this on the DryLINK App
- UUID = The unique identifier for the Bluetooth Radio
Job Hours
Press and hold the key for three seconds to reset the job hours from any screen.
The life hours are fixed and cumulative from the first use.
Inlet Dew Point
The screen displays the ambient dew point.
RH Calibration
The Intake RH Reset allows you to calibrate the DryMAX to match your favorite meter. Use the Set Key to increase the reading on the screen with your meter.
Push the Set and Next keys at the same time to lower the number on the Intake RH Reset.
Bluetooth
The Bluetooth functionality comes from the factory set to “On”. In the on position the DryMAX BLE is capable of transmitting data and receiving commands using the Phoenix DryLINK app or other compatible apps.For further information see the DryLINK Quick Start Guide or use the QR code to go to our website.
QR Code to take you to the DryLINK web page.
Temperature Units
- Press the Set button to toggle the temperature units between F° and C°
- Press the Next button to confirm selection and advance to the next screen.
Water Units
Press the Set button to toggle the humidity units between RH, grains, and g/Kg. This will affect the readout on the right of the home screen on lines one and two which show the inlet and outlet conditions.
Humidistat Mode
The default mode is Humidistat “Off”
Press the Set button to toggle the Humidistat Mode On/Off.

Press the Next button to advance to the next screen. If Humidistat mode is enabled, then proceed to Humidistat Set point. Else, proceed to Humidity Units.
Humidistat Set Point
- Press the Set button to adjust the set point RH% in 5% increments ranging from 20% RH to 80% RH and then looping back to 20% RH.
- Press the Next button to confirm selection and advance to the next screen.
Humidistat Fan Mode
- Press the Set button to toggle the Humidistat Fan mode from Always On to Auto.
- Press the Next button to confirm selection and advance to the next screen.
About
The about screen provides the following information:
- VIHW: Part Number for the Display Board
- VIFW: Firmware Version on the Display Board
- PWHW: Part Number for the Power Board
- PWFW: Firmware Version on the Power Board
- UUID: The unique identifier for the Bluetooth Radio
Condensate Removal
The Phoenix DryMAX BLE is equipped with an internal condensate pump to remove the water that is condensed during dehumidification. This allows the condensate to be pumped up to 23 feet with the attached hose. If the condensate must be pumped more than 23 feet above the unit, a second pump must be added to relay the condensate. The condensate pump automatically purges when the reservoir is full. Use the PURGE button to manually remove condensation.
Ducting
A wire duct collar is supplied to allow 10” lay-flat duct to be attached to the Phoenix DryMAX BLE outlet. Lay-flat plastic ducting is available; see section 6 Options and Accessories. To attach ducting to the wire duct collar, put the plastic duct end through the collar center and roll the duct end outward so that it overlaps the outside of the collar. The duct and collar may then be quickly attached to the Phoenix DryMAX BLE by snapping the collar over the four exhaust tabs.
Defrost Cycle
If the low side refrigerant temperature drops due to excessive frost formation on the evaporator coil and below the temperature set point, the thermistor activates the PLC and Status Light Indicator. The compressor is cycled off and on by the thermistor temperature measurement. The air mover will continue to run, causing air to flow through the evaporator coil and melt the ice when the compressor is off. When the air temperature and/or humidity increases, the evaporator temperature will rise and the thermistor will end the defrost cycle at the temperature set point
POWER Button
When the dehumidifier is plugged in it will enter stand-by mode.
Press the
button to turn the dehumidifier on. The unit will begin the Powering Up sequence and you will see this screen:
Press and hold the
to turn the dehumidifier off. The dehumidifier will go through a powering-down cycle.
The default shut-down time is three minutes plus 20 seconds for a final purge. The shutdown time can be changed be scrolling through the menu to this screen.
IMPORTANT Unplugging the unit without running the shutdown sequence will allow water to remain in the unit after use. If the unit is tilted more than 20 degrees on the non-handle side, water may spill out of unit.
PURGE Button
During normal operation the pump automatically cycles when the reservoir is full.
Press the
button to remove condensate manually from the reservoir.
Maintenance
Air Filter
The Phoenix DryMAX BLE is equipped with a pleated media air filter that must be checked regularly. The standard filter is a MERV-10 high efficiency filter. Operating the unit with a dirty filter will reduce the dehumidifier’s capacity and efficiency and may cause the compressor to cycle off and on unnecessarily. The filter can generally be vacuumed clean several times before needing replacement. Replacement filters can be ordered from the manufacturer or purchased locally if available IMPORTANT: DO NOT operate the unit without the filter or with a less effective filter as the coils inside the unit could become clogged and require disassembly to clean.
Storage and Freeze Protection
There are two issues to consider when the Phoenix DryMAX BLE is stored between uses and both pertain to water trapped in the unit. The first is biological growth and the second is damage caused by freezing. The effects of the trapped water can be greatly reduced if precautions are taken to remove as much as possible before storage.
- Use the pump PURGE button to reduce the water level in the reservoir.
- Stretch the hose flat to drain it completely. Raise one end above your head and spool hose while draining water out the other end.
- To reduce biological growth flush the unit with a bio-fungicide that is approved for use with copper, aluminum and polyethylene. To flush:
- a. Run the hose to a drain.
- b. Plug in the unit but do not turn it on.
- c. Remove the air filter. Slowly pour a quart of the antimicrobial through the heat exchanger
- d. Hold in the pump purge switch to reduce the water level in the reservoir.
- e. Flush with water.
- If the unit will be exposed to freezing temperatures, after purging, pull back the filter and pour 1 cup (8oz) of a propylene glycol based anti-freeze through the heat exchanger. It will flow down into the pump reservoir. Do NOT purge the solution out of the unit.
- Dirty filters should be changed prior to long term storage to prevent biological growth on the filter.
Service
WARNING: Servicing the Phoenix DryMAX BLE with its high pressure refrigerant system and high voltage circuitry presents a health hazard which could result in death, serious bodily injury, and/or property damage. Only qualified service people should service this unit.
CAUTION: Do not operate unit without the top cover in place.
Running Diagnostics
Diagnostic Mode
- Contact Phoenix Tech Support for help with Diagnostic Mode – 800.533.7533.
- Diagnostics mode is used by our technical support team to help diagnose problems

- Press the Next button for 3 seconds to enter Diagnostic Mode. This action can also be performed at any time while the machine is powered on.
- If Alerts are active, press the Next button to advance to the next screen. Otherwise, press the Next button again to return to the Dashboard.
Diagnostic Mode – Pump
- Press the Set button to toggle the Pump On/Off.
- Press the Next button to advance to the next screen.
Diagnostic Mode – Float Switch
- This display will communicate to the user the current status of the Float Switch.
- Press the Next button to advance to the next screen.
- The float switch will be “Up” or “Down”.
Diagnostic Mode – Fan
- Press the Set button to toggle the Fan On/Off.
- Press the Next button to advance to the next screen.
Diagnostic Mode – Compressor
Press the Set button to toggle the Compressor On/Off. Press the Next button to advance to the next screen.
Diagnostic Mode – Display Test
Press the Set button to start the Display test.
Diagnostic Mode – Refrig. Test
The display will communicate to the user the following information during a Refrigeration Test:
- Inlet = Temperature and RH/Grains
- Outlet = Temperature and RH/ Grains
- Hours = Life hours only.
- Evaporator Coil = Temperature
- Countdown timer = 20 minutes
Once the 20 minute countdown timer has expired, the display will automatically advance to show the refrigeration test results. The display will communicate to the user either “Refrig. test passed” or “Refrig. test failed”.
Press the Next button to return to the first diagnostic test or press and hold the Next button for 3 seconds to return to the Dashboard.
Technical Description
The Phoenix DryMAX BLE uses a refrigeration system similar to an air conditioner’s to remove moisture from incoming air and to add heat to the air that is discharged. Hot, high pressure refrigerant gas is routed from the compressor to the condenser coil. The refrigerant is cooled and condensed by giving up its heat to the air that is about to be discharged from the unit. The refrigerant liquid then passes through a filter/drier and capillary tubing which cause the refrigerant pressure and temperature to drop. It next enters the evaporator coil where it absorbs heat from the incoming air and evaporates. The evaporator operates in a flooded condition, which means that all the evaporator tubes contain liquid refrigerant during normal operation. A flooded evaporator should maintain constant pressure and temperature across the entire coil, from inlet to outlet. The mixture of gas and liquid refrigerant enter the compressor after leaving the evaporator coil. The compressor evacuates the cool refrigerant gas from the accumulator and compresses it to a high pressure and temperature to repeat the process.
Troubleshooting
Reservoir Full: Check Float, Pump, and Hose Error
If the float is up for 60 seconds the status bar will turnred and the screen will display “Reservoir full: check float, pump, and hose”. To clear this error the float must go down.
Make sure the condensate hose is not kinking or blocked, make sure the float can go up and down freely. If you cannot resolve this error call tech support at 800-533-7533. If left on, the unit will try to pump every eight minutes.
No dehumidification, control does not light up and unit will not turn on from power button.
- Unit unplugged or no power to outlet
- Defective control board
- Loose connection in internal wiring
Some dehumidification, air mover runs continuously but compressor only runs sporadically.
- Unit is in defrost cycle, DEFROST light on
- Defrost thermistor defective or loose
- Loose connection in compressor circuit
- Defective compressor overload
- Defective compressor
- Defective control board
- Upper housing is not sealed to lower housing
No dehumidification, air mover runs but compressor does not.
- Bad connection in compressor circuit
- Safety float switch closed, check pump reservoir
- Defective compressor capacitor
- Defective compressor overload
- Defective compressor
- Defective control board
Air mover does not run. Compressor runs briefly but cycles on and off.
- Loose connection in blower circuit
- Obstruction prevents impeller rotation
- Defective air mover
Unit removes some water but not as much as expected.
- Air temperature and/or humidity have dropped
- Humidity and/or temperature measurement is out of calibration
- Defective defrost thermistor
- Defective humidity sensor
Unit runs but does not pump water
- Hose kinked or plugged
- Pump motor defective
- Bad connection in pump circuit
- Hose disconnected internally
- Float switch
Unit pumps water automatically but not when PURGE button is pushed
- Bad connection in PURGE button circuit
- Defective control board
Evaporator coil frosted continuously, low dehumidifying capacity.
- Defrost thermistor loose or defective
- Low refrigerant charge
- Dirty air filter or restricted air flow
- Upper housing is not sealed to lower housing
Compressor runs with POWER button OFF.
- Defective control board
Air Mover
The air movement is created by an impeller.
If defective, the complete assembly must be replaced.
- Unplug power cord
- Remove the exhaust grill
- Disconnect the impeller leads
- Remove the impeller bracket
- Remove the four screws holding the impeller to the mounting plate
- Reassemble the new impeller using the above procedure in reverse
Thermistor Probe
A thermistor is used to sense the temperature of the evaporator coil. It is inserted into the evaporator coil thru the top. To replace the thermistor probe:
- Unplug the dehumidifier
- Remove the top housing (3/8” driver)
- Pull thermistor probe up and out of evaporator coil
- Remove control panel by removing 4 screws (T20 Torx)
- Unthread thermistor probe wire from harness
- Unplug thermistor probe connector on control board
- Reassemble thermistor probe and dehumidifier using the above procedure in reverse
Condensate Pump
The internal condensate pump removes water that collects in the reservoir. To replace the condensate pump:
- Unplug the unit
- Remove the top housing (3/8” driver)
- Cut cable ties and unplug pump connector

- Remove 3/8 bolts securing pump bracket

- Compress hose clamps to remove hoses attached to pump

- Remove 2 of the 11/32 nuts holding pump to bracket

- Replace the pump, hose, wiring, bolts, and housing in the reverse order
Float Switch
The float safety switch activates the pump when the water rises too high in the condensate reservoir. The float switch also turns off the compressor until the water level lowers and disengages the switch.
IMPORTANT: If the float switch is stuck in the up position for more than 60 seconds, a reservoir full error will occur.
The possible causes of this error are as follows:
- Broken pump
- Blockage on hose
- Mechanical binding of the float switch.
To replace the float switch:
- Unplug the unit
- Remove top housing (3/8” driver)
- Check to see that the float moves freely. If the float needs to be replaced proceed to step 4

- Remove control panel by removing 4 screws (T20 Torx)

- Remove white connector with black/white wire from back of control board

- Unscrew the float switch from the bracket

- Replace the float switch
Options & Accessories
- 4037046 Air Filter, Pleated 9” x 12” x 1” MERV-10
- 4024935 Lay-Flat Duct 10” Round x 250’ Roll
- 4041595 DryMAX Bluetooth Board Upgrade
- To order, contact Therma-Stor LLC at 1-800-533-7533.
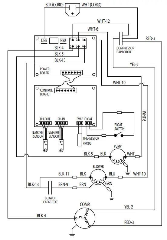
Wiring Diagram
Service Parts
LIMITED WARRANTY
Warrantor:
Therma-Stor LLC
4201 Lien Rd. Madison, WI 53704
Telephone: 1-800-533-7533
Who Is Covered: This warranty extends only to the original end-user of the Phoenix DryMAX BLE dehumidifier and may not be assigned or transferred.
Year One: Therma-Stor LLC warrants that, for one (1) year the Phoenix DryMAX BLE dehumidifier will operate free from any defects in materials and workmanship, or Therma-Stor LLC will, at its option, repair or replace the defective part(s), free of any charge.
Year(s) Two Through Five: Therma-Stor LLC further warrants that for a period of five (5) years, the condenser, evaporator, and compressor of the Phoenix DryMAX BLE dehumidifier will operate free of any defects in material or workmanship, or Therma-Stor LLC, at its option, will repair or replace the defective part(s), provided that all labor and transportation charges for the part(s) shall be borne by the end-user.
Year(s) One Through Seven: Materials and workmanship of the housing are covered.
End-User Responsibilities: Warranty service must be performed by a Servicer authorized by Therma-Stor LLC. If the end-user is unable to locate or obtain warranty service from an authorized Servicer, he should call Therma-Stor LLC at the above number and ask for the Therma-Stor Service Department, which will then arrange for covered warranty service. Warranty service will be performed during normal working hours.
The end-user must present proof of purchase (lease) upon request, by use of the warranty card or other reasonable and reliable means. The end-user is responsible for normal care. This warranty does not cover any defect, malfunction, etc. resulting from misuse, abuse, lack of normal care, corrosion, freezing, tampering, modification, unauthorized or improper repair or installation, accident, acts of nature or any other cause beyond Therma-Stor LLC’s reasonable control.
Limitation and Exclusions: If any Phoenix DryMAX BLE Dehumidifier part is repaired or replaced, the new part shall be warranted for only the remainder of the original warranty period applicable thereto (but all warranty periods will be extended by the period of time, if any, that the Phoenix DryMAX BLE Dehumidifier is out of service while awaiting covered warranty service).
UPON THE EXPIRATION OF THE WRITTEN WARRANTY APPLICABLE TO THE Phoenix DryMAX BLE DEHUMIDIFIER OR ANY PART THEREOF, ALL OTHER WARRANTIES IMPLIED BY LAW, INCLUDING MERCHANTABILITY AND FITNESS FOR A PARTICULAR PURPOSE, SHALL ALSO EXPIRE. ALL WARRANTIES MADE BY THERMA-STOR LLC ARE SET FORTH HEREIN, AND NO CLAIM MAY BE MADE AGAINST THERMA-STOR LLC BASED ON ANY ORAL WARRANTY. IN NO EVENT SHALL THERMA-STOR LLC, IN CONNECTION WITH THE SALE, INSTALLATION, USE, REPAIR OR REPLACEMENT OF ANY Phoenix DryMAX BLE DEHUMIDIFIER OR PART THEREOF BE LIABLE UNDER ANY LEGAL THEORY FOR ANY SPECIAL, INDIRECT OR CONSEQUENTIAL DAMAGES INCLUDING WITHOUT LIMITATION WATER DAMAGE (THE END-USER SHOULD TAKE PRECAUTIONS AGAINST SAME), LOST PROFITS, DELAY, OR LOSS OF USE OR DAMAGE TO ANY REAL OR PERSONAL PROPERTY.
Some states do not allow limitations on how long an implied warranty lasts, and some do not allow the exclusion or limitation of incidental or consequential damages, so one or both of these limitations may not apply to you.
Legal Rights: This warranty gives you specific legal rights, and you may also have other rights which vary from state to state.
USEPHOENIX.COM | 800-533-7533
































