Schneider Electric EVB1A7PAKI Charging Station

Product Information
The EVlink Smart Wallbox is a charging station for electric vehicles. The product has a charging station life cycle and requires specific equipment, tools, and accessories for installation. The product has technical characteristics and installation design that need to be followed for proper installation. The product comes with a user guide and safety instructions.
Product Usage Instructions
- Read the user guide and safety instructions carefully before attempting to install, operate, or maintain the product.
- Ensure that you have all the required equipment, tools, and accessories for installation.
- Follow the installation design provided in the user guide for proper installation.
- Connect the charging station to the power supply according to the instructions provided in the user guide.
- Switch on the charging station and perform electrical tests to ensure that it is functioning properly.
- Configure the charging station according to your requirements as described in the user guide.
- Fit the cover and attach labels as directed in the user guide.
- Test the charging station system and perform first level diagnostic tests as directed in the user guide.
- Dispose of packaging materials according to local regulations and recycling guidelines.
INTRODUCTION
This document includes the general descriptions and/or technical characteristics of the products mentioned. It shall not be used to define or determine the suitability or reliability of these products for specific user applications. It is the responsibility of each user or integrator to conduct full and appropriate risk analysis, evaluation and testing of the products regarding the application to be used and the running of this application. Neither Schneider Electric nor any of its affiliated companies or subsidiaries shall be held liable for the incorrect use of the information contained in this document. If you have suggestions, improvements or corrections to be made to this publication, please inform us. No part of this document can be reproduced in any form whatsoever or by any means whatsoever, whether electronic, mechanic or photocopied, without the prior authorization of Schneider Electric. All the relevant local safety regulations must be observed during installation and use of this product. For safety reasons and in order to guarantee compliance with the documented system data, only the manufacturer is authorised to conduct repairs on the components. When the equipment is used for applications involving technical safety requirements, follow the appropriate instructions. Failure to use the Schneider Electric software or approved software with our hardware products may lead to injuries, damages or malfunctions. Failure to respect this instruction may lead to bodily injuries or material damages. © 2021 Schneider Electric. All rights reserved.
Safety instructions
NOTICE
Read these instructions carefully, and look at the equipment to become familiar with the device before trying to install, operate, or maintain it. The following special messages may appear throughout this documentation or on the equipment to warn of potential hazards or to call attention to information that clarifies or simplifies a procedure.
The addition of this symbol to a “Danger” or “Warning” safety label indicates that an electrical hazard exists which will result in personal injury if the instructions are not followed. This is the safety alert symbol. It is used to alert you to potential personal injury hazards. Obey all safety messages that follow this symbol to avoid possible injury or death.
DANGER indicates a hazardous situation which, if not avoided, will result in death or serious injury.
WARNING indicates a hazardous situation which, if not avoided, could result in death or serious injury.
CAUTION indicates a hazardous situation which, if not avoided, coult result in minor or moderate injury.
NOTICE is used to address practices not related to physical injury.
PLEASE NOTE
- Electrical equipment should be installed, operated, serviced, and maintained only by qualified personnel.
- No responsibility is assumed by Schneider Electric for any consequences arising out of the use of this material.
- A qualified person is one who has skills and knowledge related to the construction and operation of electrical equipment and its installation, and has received safety training to recognize and avoid the hazards involved.
- Vehicle adapters and extension cords cannot be used.
- This equipment cannot be used to control the room ventilation upon request from the vehicle.
About this guide
Overview
Aim of this document
This document describes how to install EVlink Smart Wallbox charging stations.
Area of application
- This installation guide covers the following EVlink Smart Wallbox charging stations:
- 7-kW charging stations with T1 or T2 cable attached and key locking system or RFID reader. Sales reference: EVB1A7P••I.
- 22-kW charging stations with T1 or T2 cable attached and key locking system or RFID reader. Sales reference: EVB1A22PC•I.
Related documents
The following documents can be downloaded from our site www.se.com: search for the document reference or use the QR code.
| Document | Commercial reference | Customers reference | Download link |
|
Description of the modem |
EVP3MM |
NNZ2678201 | ![]() |
|
Pedestal assembly guide | EVP2PBSSG1 EVP2PBSSG2 EVP2PBSSGC |
NNZ25554 | ![]() |
|
Badge management |
EVP1BNS |
HRB60015 | ![]() |
|
Electric Vehicle simulation tool |
EVA1SADS |
DOCA0179EN | ![]() |
|
EVlink Commissioning Guide |
– |
DOCA0060EN | ![]() |
|
Charging station user manual EVlink Smart Wallbox EVB1•••• |
EVB1A•••• |
NHA95096 | ![]() |
Description

Dimensions and weight

Description of the charging station exterior

- A. Type 2 vehicle connector
- B. Type 1 vehicle connector
- C. Key locking system (depending on model)
- D. Charging cable
- E. Product label
- F. QR code
- G. Stop/Restart button and status indicator light
- H. RFID reader (depending on model)
Note: Class 1 products are suitable for both indoor and outdoor use. The product is also suitable for use in restricted and non-restricted areas but is not suitable for use in extreme conditions. It can be used wall-mounted, floor-standing or on the ground via a pedestal.
Charging station life cycle

Required equipment, tools, and accessories
Equipment not supplied
- Dowels

- Screws

- Washers

- Shielded RJ45 male connectors

- Cat 5E or Cat 6 Ethernet cable

Tools

For tests

- Electric vehicle simulation kit EVA1SADS.
- Or electric vehicle.
Technical characteristics
- Protection class: IP54 (IEC 60529 ed 2.0)
- Mechanical protection class: IK10 (IEC 62262 ed 1.0)
- Vehicle connector: Type 1 or Type 2 (IEC 62196-1 ed 3.0, IEC 62196-2 ed 2.0)
- Operating temperature: -30°C to +50°C
- Storage temperature: -40°C to +80°C
Electrical data
- Power supply (depending on model):
- 220-240 Vac, 50/60 Hz
- 380-415 Vac, 50/60 Hz
- Rated charging current:
- T1/T2 vehicle connector: 10 A to 32 A (factory setting 32 A)
- Power consumption of each conditional input (power limitation and deferred start): 5 mA with 24 V DC
- Diagram of the earthing system:
- TN-S, TN-C-S, TT
- IT: may require the addition of an isolating transformer for charging of certain vehicles
Communication
- 3 Ethernet ports
- Badges compatible with the station’s RFID badge reader:
- Standard 13.56 MHz, ISO/IEC 14443 A & B, ISO/IEC 15693 protocols
- Mifare Ultralight, Mifare Classic, Calypso
- For other badges, please contact us
Certification
- IEC/EN 61851-1 ed 3.0
- IEC/EN 61851-21-2 ed 1.0
- IEC/EN 62196-1 ed 3.0
- IEC/EN 62196-2 ed 2.0
Environment
Green Premium product:
- Compliant with the RoHS European directive
- Compliance with the REACh European regulation
- Product Environmental Profile according to the PEP eco passport programme
- End-of-life instructions (EoLi) are available
Radio Equipment Conformity
Hereby, Schneider Electric Industries, declares that this electric vehicle charging station EVlink Smart Wallbox is in compliance with the essential requirements and other relevant provisions of Radio Equipment Directive 2014/53/EU. The EU declaration of conformity for EVlink Smart Wallbox – EVB1 can be downloaded on se.com and EV18061103 EU declaration of conformity for EVlink – EVB1 with RFID can be downloaded on se.com/docs. RFID operating frequency bands in which the radio equipment operates: 13.56 MHz. Maximal H field < 42 dBmA/m at 10 m distance. Charging station without radio equipment are 2014/30/EU, 2014/35/EU compliant.
Installation design
Constraints on the electrical installation Diagram of the earthing system
- TN-S, TN-C-S or TT.
- IT: Compatible with single-phase IT networks. Some vehicles may require the addition of an isolation transformer.
For three-phase IT networks, the addition of an isolation transformer is required.
Earth connections for a cluster of stations
- An additional earth connection must be added at a maximum of every 10 EVReady sockets maximum.
- All earth connections must be connected to one another.
Earth resistance
- Some electric vehicles measure the earth resistance and may not start charging if it is above a given threshold. Refer to the vehicle’s technical documentation.
- For compliance of the installation with the EV Ready and ZE Ready labels, the earth resistance must not exceed 100 Ω.
- In all cases, the earth resistance must be lower than the maximum value defined in the enforceable electrical installation standards.
- Power supply and protective devices to be added in the electrical installation
| Charging station rated current | ||||
| 10-16 A 1-Ph | 16-32 A 1-Ph | 10-16 A 3-Ph | 16-32 A 3-Ph | |
| Protection against overload and short circuits | 20 A curve B or C (1) | 40 A curve C | 20 A curve C or D (1) (2) | 40 A curve C |
| Differential protection | 30 mA B type | 30 mA B type | 30 mA B type | 30 mA B type |
- According to coordination with upstream protections.
- According to the risk of inadvertent triggering linked to the inrush current of the vehicle at the start of charging.
It is recommended to use the “Acti9 iID B type for EV” (commercial references: A9Z51225, A9Z51240, A9Z51440, A9Z51425). If not available in the country, it can be replaced with the “Acti9 iID B-SI type” (commercial references: A9Z61225, A9Z61240, A9Z61425, A9Z61440). If compliance with the EV Ready or ZE Ready label is requested, an undervoltage release (MNx) must be combined with the charging station circuit breaker. The determination of the protections and the section of the cables must be done in accordance with the local standards in force, using the following information and respecting the constraints of the electrical installation. In particular, the protection chosen must meet the requirements of IEC 61851-1 ed3.0 §13.3 by limiting the value of I²t to 80,000A²s swhich can be provided by Schneider Electric protections from the Acti9 range fulfilling the function. For more information about the protection devices to be used, please consult your Regional Sales Office. The protection models are provided for information only and Schneider Electric cannot be held responsible for them. Recommended protection: Acti9 iC60 4P 40A curve C + iMNx(iMNx to be expected if not integrated in the charging station)It is recommended to use the “Acti9 iID B type for EV” (commercial references: A9Z51225, A9Z51240, A9Z51440, A9Z51425). If not available in the country, it can be replaced with the “Acti9 iID B-SI type” (commercial references: A9Z61225, A9Z61240, A9Z61425, A9Z61440). If compliance with the EV Ready or ZE Ready label is requested, an undervoltage release (MNx) must be combined with the charging station circuit breaker. The determination of the protections and the section of the cables must be done in accordance with the local standards in force, using the following information and respecting the constraints of the electrical installation. In particular, the protection chosen must meet the requirements of IEC 61851-1 ed3.0 §13.3 by limiting the value of I²t to 80,000A²s swhich can be provided by Schneider Electric protections from the Acti9 range fulfilling the function. For more information about the protection devices to be used, please consult your Regional Sales Office. The protection models are provided for information only and Schneider Electric cannot be held responsible for them. Recommended protection: Acti9 iC60 4P 40A curve C + iMNx(iMNx to be expected if not integrated in the charging station)
Lightning protection
One surge arrester per socket is recommended for high keraunic levels, or mandatory if required by local regulations.
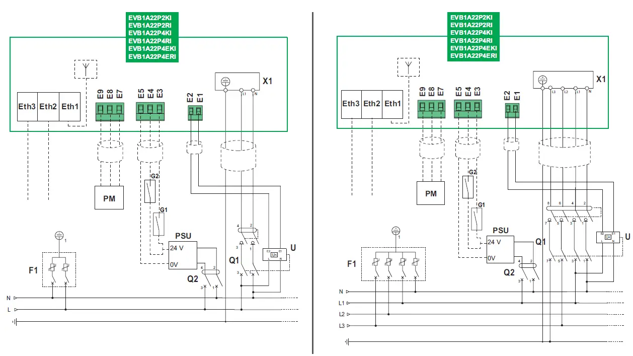
Conditional inputs
- Power limitation
- Vehicle connected

Limitation of current defined during configuration of the charging station
Deferred start


- Q1 : Protection against overloads and short circuits and differential protection
- Q2 : Protection against overloads and short circuits
- F1 : Protection against overvoltage
- U : MNx no-volt tripping element (optional, except for compliance with EV Ready label)
- G1 : Power limitation switch
- G2 : Deferred start switch
- PM : Energy meter
- PSU :230 V AC / 24 V DC – 1 W power supply
- X1 : Power terminal block
- Eth1 : Ethernet port 1
- Eth2 : Ethernet port 2
- Eth3 : Ethernet port 3
- E1, E2 : Terminal block for no-volt tripping element
- E3 : Conditional input for power limitation
- E4 : Conditional input for a deferred start
- E5 :0 V of 24 V DC auxiliary power supply
- E7 … E9 :Terminal block for Modbus interface E7 0V / E8 D0 / E9 D1
Contents

- Solely for RFID stations
RISK OF DAMAGING THE CHARGING STATION
- Protect the charging station from dust and water while attaching the support.
- Attach the charging station to a flat support in compliance with standards and applicable local laws (flatness tolerance < 2 mm/m).
- Use screws, washers and plugs suitable for the wall material.
- Failure to follow these instructions can result in equipment damage.
Wall mounting

Entry of cables via the top or bottom

Entry of cables by the rear


Pedestal mounting
It is possible to mount the charging station on a pedestal supplied separately as an accessory (Reference EVP2PBSSG1 EVP2PBSSG2 EVP2PBSSGC).
Refer to document NNZ25554 for the description of how to mount one or more charging stations on a pedestal.
Inside view

- A Connection information
- B Conditional inputs
- C Ethernet ports
- D Power terminal block
- E Connection of the no-volt tripping element
- F Modbus connector
- G Cable inputs
- H Power input
POWER
HAZARD OF ELECTRIC SHOCK, EXPLOSION OR ARC FLASH
- Turn off all power supplying this equipment before working on the equipment.
- Use a Voltage Tester of appropriate rating.
- Do not turn on the charging station if the earth resistance measured is higher than the threshold defined in the enforceable regulations.
- Failure to follow these instructions will result in death or serious injury.
RISK OF ELECTROSTATIC DISCHARGE OR OVERVOLTAGE
- Do not touch the electronic boards.
- Use antistatic protections when making connections inside the charging station.
- Failure to follow these instructions can result in equipment damage.


Undervoltage release (Option)

Conditional inputs (Option)

Ethernet communication
- A straight or crossover cable can be used.
- Depending on the cross-section of the Ethernet cable, adaptation may be required:
- Replace the male RJ45 connector with a female socket.
- Use a patch cord.

Modbus (to external meter)

Modem (Option)

Note: a modem supplied separately may be installed as an accessory (P/N EVP3MM). The Ethernet cable to connect the charging station to the modem is not provided. It must be 20 cm or longer. For connection to the modem refer to service instruction NNZ2678201.
Switching on and electrical tests
- HAZARD OF ELECTRIC SHOCK, EXPLOSION OR ARC FLASH
- Wear suitable personal protective equipment (PPE) and follow all safety procedures.
- Failure to follow these instructions will result in death or serious injury.
Closure of the charging station power supply circuit breaker

Undervoltage release (MNx) test

Switching on and electrical tests
- Differential protection test

The residual current circuit breaker must be checked periodically to ensure correct operation.To check operation of the residual current circuit breaker after installation:
- Close the circuit breaker upstream from the terminal (Q1).
- Press the test button on the front panel of the residual current circuit breaker.
- The residual current circuit breaker must trip immediately.
- Otherwise, the residual current circuit breaker is defective. Change it immediately.
Configuring the charging station
- HAZARD OF ELECTRIC SHOCK, EXPLOSION OR ARC FLASH
- Wear suitable personal protective equipment (PPE) and follow all safety procedures.
- Failure to follow these instructions will result in death or serious injury.
Configuring the charging station
The charging station must be configured before it is commissioned. The configuration tool is embedded in the station. It is accessible via any computer connected to the charging station. For a detailed description of the configuration, see document DOCA0060EN.
Note
- The rated charging current on the T2 / T2S power socket is factory set at 32 A. It can be set to a different value.
- The charging station is factory configured to accept all compatible RFID badges (depending on the model). Access control must be activated in the configuration tool.

Computer configuration
Step Action
- Check that your computer is connected by Ethernet cable to the charging station and that the station is powered up.
- Open the Properties menu of your computer.
- Click “Connect to local network”.
- Click “Properties”.
- Open the Internet protocol TCP/IP v4 properties.
- Set the static IP address properties as follows (make sure to write down the settings before you change them in order to return to the initial configuration if necessary) :
- IP address: 192.168.0.x (where x is an integer from 241 to 249)
- Subnet mask: 255.255.255.0
- No default gateway
- No DNS
- No proxy
Logging on to the configuration tool
Step Action
- Open your web browser and enter http://192.168.0.102 in the URL address bar.
- Select the language.
- Enter the user name and password.
- On the first connection, log on as administrator:
- User name: admin
- Password: ADMIN
IMPORTANT NOTE
The password can be changed. Caution: if you lose the password it must be reset by returning to the factory settings (call your customer support for the procedure).
Disconnecting from the configuration tool
Step Action
- Exit the configuration tool.
- Return the computer to its initial configuration.
- Disconnect the Ethernet cable.
Configuring the charging station
Fitting the cover

Attaching labels

Fitting the front

Cable storage

Charging station system test
In the absence of an available electric vehicle, check that the charging station is functioning correctly with the vehicle simulator (reference EVA1SADS) and its guide DOCA0179EN.
First level diagnostic

First level diagnostic
Count the number of times the indicator light flashes. See the table below. For more information and a second-level diagnosis, please refer to DOCA0117.
Number of flashes Probable origin of the error Action required
- 5 Communicating with the charging station
- Switch off the charging station then turn it back on.
- If the problem persists, contact Schneider Electric customer support after noting the sales reference and serial number on the product label.
- 6 Charging station
- Contact Schneider Electric customer support after noting the sales reference and serial number on the product label.
- 7 Electric vehicle
- Contact the electric vehicle dealer.
- 8 Charging cable
- Unplug then plug the cable back in on the vehicle.
- If the problem persists, contact Schneider Electric customer support after noting the sales reference and serial number on the product label.
- 10 Configuring the charging station
- Check the charging station configuration settings.
- If the problem persists, contact Schneider Electric customer support after noting the sales reference and serial number on the product label.
Any other value Undetermined
First level diagnostic
Recycling packaging
- The packaging materials from this equipment can be recycled.
- Please help protect the environment by recycling them in appropriate containers. Thank you for helping to protect the environment.
Schneider Electric Industries SAS
- 35, rue Joseph Monier
- CS 30323
- F – 92506 Rueil Malmaison Cedex www.se.com
- NHA95018-09
Schneider Electric Limited
- Stafford Park 5
- Telford TF3 3BL
- United Kingdom www.se.com

References
Schneider Electric Global | Global Specialist in Energy Management and Automation
Schneider Electric Global | Global Specialist in Energy Management and Automation
Product Documentation & Software downloads | Schneider Electric
Schneider Electric Global | Global Specialist in Energy Management and Automation
Product Documentation & Software downloads | Schneider Electric































