LSI Modbus Sensor Box User Manual

1 Introduction
Modbus Sensor Box (code MDMMA1010.x, herein called MSB) is an electronic device produced by LSI LASTEM that allows the easy and fast connection of environmental sensors with PLC/SCADA systems; for instance, the photovoltaic applications need frequently interfacing different types of radiance sensor (sometimes with their own calibration factor), temperature sensors and anemometers with the systems for supervision and monitoring of the installations.
MSB assures flexibility, reliability and the LSI LASTEM precision, together with the advantages of a standard communication protocol that has been tested on-the-job for years: Modbus RTU®.
The instrument measures the following parameters:
- Nr. 1 voltage channel for the measuring of signals coming from radiometers (pyranometers/solarimeters) or from generic voltage or current signals 4 ÷ 20 mA;
- Nr. 2 channels for temperature sensors with Pt100 (product variant 1) or Pt1000 (product variant 4) thermal resistance;
- Nr. 1 channel for frequency signal (taco-anemometer).
- Nr. 1 channel for connection to the sensor for the measurement of the thunderstorm front distance (cod. DQA601.3), from here simply named lightning sensor; the channel is managed from FW revisions 1.01.
The sampling rate (reading cycle of the input signals) has been set at 1 second, except the lightning sensor sampled with a programmable time rate. The instrument uses the instantaneous date, sampled within a programmable period (processing rate) and fixed in advance in order to supply a set of statistic processing; both the instantaneous data and the statistical processing can be transferred by means of Modbus protocol.
MSB is housed inside a small, proof container that can be easily installed.
1.1 Notes about this manual
Document: INSTUM_03369_en – Update on the 12th of July 2021.
The information contained in this manual may be changed without prior notification. No part of this manual may be reproduced, neither electronically or mechanically, under any circumstance, without the prior written permission of LSI LASTEM.
LSI LASTEM reserves the right to carry out changes to this product without timely updating of this document.
Copyright 2012-2021 LSI LASTEM. All rights reserved.
2 Product installation
2.1 General safety rules
Please read the following general safety rules in order to avoid injuries to people and prevent damages to the product or to possible other products connected with it. In order to avoid any damages, use this product exclusively according to the instructions herein contained.
The installation and maintenance procedures must be carried-out only by authorized and skilled service personnel.
Install the instrument in a clean, dry and safe place. Humidity, dust and extreme temperatures can deteriorate or damage the instrument. In such environments we recommend the installation inside suitable containers.
Power the instrument in a suitable manner. Pay attention and observe the power supplies like indicated for the model in your possession.
Carry-out all connections in a suitable manner. Pay strict attention to the connection diagrams supplied with the instrument.
Do not use the product in case of suspected malfunctions. In case of suspected malfunction, do not power the instrument and contact authorized technical support immediately.
Do not set working the product in presence of water or condensing humidity.
Do not set working the product in an explosive atmosphere.
Before you carry-out any operation on electrical connections, power supply system, sensors and communication apparatus:
- Disconnect the power supply
- Discharge the accumulated electrostatic discharges touching an earthed conductor or apparatus
2.2 Internal components layout
Picture 1 shows the components layout inside the box. The terminal block is connected to a Pt100 sensing element (applicable for product variant 1 only), usable for measuring the instrument internal temperature; this is referred as Temperature 2 sensor. If you wish to use the instrument input as an additional measuring point, compared to those already available Temperature 1, you can remove the Pt100 sensor and use the board terminals for the external temperature sensor.

- PWR-ON, OK/Err, Tx-485, Rx-485: see §6.2.
- SW1: select the anemometer power option:
- Pos. 1-2: LSI LASTEM anemometer with internal photo-diode.
- Pos. 2-3: generic anemometer with power sourced from the board terminals Power In.
- SW2: select the measurement scale for the tension input:
- Pos. 1-2: 0 ÷ 30 mV.
- Pos. 2-3: 0 ÷ 1000 mV.
- SW3: instrument reset hardware (push-button).
- SW4: select the insertion of the termination resistor (120 ) on RS-485 bus line:
- Pos. 1-2: resistor inserted.
- Pos. 2-3: resistor not inserted.
2.3 Mechanical fastening
The installation of the apparatus can be carried-out on the wall by means of 4 wall plugs, and 6 mm screws, using the holes placed on the back panel.
MSB is a precision measurement apparatus, but it is subject to thermal creep (even though minimum); for this reason, we recommend to place the apparatus in a shady area and safe from atmospheric agents (even if it is not expressly necessary).
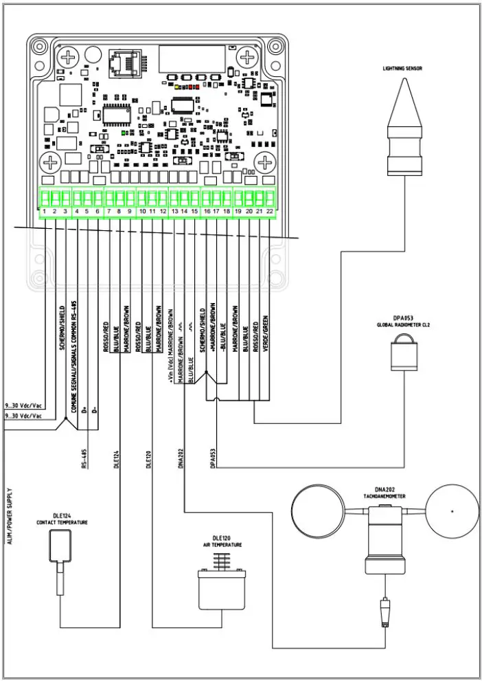
2.4 Electrical connection
Power the instrument according to the technical specifications. Particularly you will get the correct operation using the suitable earthing of the power lines and communication lines.
Under the cover of the box, you can find the diagram that shows the electrical wiring of the RS-485 communication line and sensors; it’s summed up through the following table:

(*) Wire 3 is used for line compensation; it is connected to the Pt100/Pt1000 sensor in the same point where wire 2 is connected too. Avoid connecting a shortcut bridge between wire 2 and 3 on the MSB terminal board: in this way the line resistance compensation does not work properly and consequently the temperature reading is altered by the line resistance. It is also not correct, in case of use of a 4 wire Pt100/Pt1000 sensor, short-circuit the wires 3 and 4: in this case leave disconnected the wire 4.
Please use as a reference the connection diagram under the MSB box cover.
(**) Applicable for product variant 4 only: temperature 2 is supplied from factory via a Pt100 sensor for measuring MSB internal temperature. Remove this sensor from the board terminals if this input is needed to be used for an external temperature sensor.
(***) Based on product variant.
(****) Requires FW 1.01 or successive.
At first perform the connection of the sensors running the cables inside the holes of cable-guides; the unused cable-guides must be closed, using, for example, one piece of cable. Tighten the cable-guides appropriately in order to avoid the seepage of dust, humidity or animals inside the container.
At the end connect the power supply cables. The lighting of the green LED on the MSB card confirms the presence of electrical current (see §6.2).
In principle we recommend dividing the power supply lines from the measurement lines used for the connection of the sensors with MSB, in order to reduce the possible electromagnetic disturbances to a minimum; so avoid the use of the same raceways for these different types of wiring. Insert the line terminations resistor on both the ends of the RS-485 bus (switch SW4).
The lightning sensor internally uses a very sensitive device able to receive radio-frequency signals; in order to optimize its reception capability of thunder bolt radio emissions, it is recommended to position the sensor in a proper place far from devices possibly causing electro-magnetic disturbance as, in example, radio transmission apparatus or power switching devices. The ideal position of this sensor is where any electric or electronic device are absent.
2.4.1 Serial line 2
The connection to the serial communication line nr. 2 is carried-out through female 9 pin connector available inside the instrument. Connect MSB to PC using a standard DTE/DCE cable (not inverting). MSB uses Rx/Tx signals only, so the 9 pin D-Sub connector cabling can be reduced to only use poles 2, 3 and 5.
Consider that the serial line 2 electrical signals are available also on-board terminals 21 and 22, permitting the communication operations with the lightning sensor. Don’t use both serial connections in the same time, use alternatively the board terminals and the 9-pin serial connector (connect the first and disconnect the second, or vice versa).
3 System programming and management
MSB is equipped with several functions that can be programmed easily through a terminal emulation program (for example Windows HyperTerminal or any other commercial or free program that can be downloaded from Internet).
The programming of the apparatus is carried-out connecting the PC serial line (through USB/ RS-232 adapter or native) to the serial line 2 of MSB (see §0). The terminal program should be programmed as follow:
- Bit rate: default 9600 bps;
- Parity: none;
- Terminal Mode: ANSI;
- Echo: disabled;
- Flow control: none.
MSB supplies the access to its functions through an easy menu interface. The menu availability is depending on configuration state of the lighting sensor (see §0):
- If the lightning sensor is not enabled, just press Esc in any moment until the configuration menu appears on the terminal.
- When the lightning sensor in enabled in MSB, use one of these methods, assuring anyway that the sensor is actually disconnected from MSB terminals (see §2.4):
- If it is not desired to restart MSB, press `#’ multiple times until the menu appears.
- If MSB can be restarted, press its reset button (see §2.2), or remove and apply again the power; when the configuration menu appears on the terminal, quickly press Esc.
The configuration menu has the following items:
Main Menu:
- About…
- Commune. PARAM.
- Sampling
- Data Tx
- Default config.
- Save config.
- Restart system
- Statistics
You can access to the different functions pressing, on terminal, the numeric keypad corresponding to the desired item. The next function may be a new menu or the request to change the selected parameter; in this case it is shown the current value of parameter and the system awaits for the input of a new value; press Enter to confirm the new inputted value, or press Esc to return to previous menu without changing the selected parameter; the Esc key also performs the move to previous menu.
Note: when you need to express decimal values use the dot as decimal separator for numbers input.
3.1 Lightning sensor usage
LSI LASTEM Modbus Sensor Box User Manual
MSB share the RS-232 communication line for the PC connection with the line used to communicate with the lightning sensor; for this reason, some precaution needs to be taken to configure MSB and a use the lightning sensor with it. The right system use is therefore to connect one device at a time.
Having to change the MSB configuration, assure to disconnect the lightning sensor, then take access to the setup menu (see §0). Follow these instructions:
- Change the configuration parameters as needed; particularly the parameter Sampling Lightning sensor Polling rate, when different from zero it activates the sensor power line (clamp 19, see §2.4).
- Record the newly parameters just modified (Save config command).
- Enable the communication with the lightning sensor using the command Sampling Lightning
Sensor Activate. - Within 10 seconds disconnect the RS-232 serial line with the PC and re-establish the electrical connection with the sensor; after this time MSB provide to reprogram and sampling the sensor using the defined time rate.
- If a longer time was needed to restore the sensor connection, is anyway possible to restart MSB with the reset button; after a while MSB take care to operate with the sensor as indicated in the step 4.
Having to reprogram MSB one more time, disconnect the lightning sensor and follow the instruction as indicated at §0.
After the MSB restart, the measurement value from the lightning sensor should be ready after a maximum time of 10 seconds plus the sampling rate defined for its polling.
3.2 Default settings
Configuration parameters that can be changed with the programming menu have default values, set by LSI LASTEM, as reported in the following table:

The programming menu of MSB offers following functions:
About
To display the registry data of the instrument: mark, serial number and version of the program.
Communic. param.
For each of two communication lines (1= RS-485, 2= RS-232) it allows to program some parameters useful for communication between MSB and the external apparatus (PC, PLC, etc.), particularly:
- Bit rate, Parity and Stop bits: it allows to modify the serial communication parameters for each of two serial lines. Note that Stop bit=2 can be done only when Parity is set to none.
- Network address: the network address of the instrument. It is especially necessary for Modbus protocol, in order to find (in univocal way) the instrument respect to the others connected on the same RS-485 communication line.
- Modbus param.: it offers the possibility to modify some parameters that are typical of Modbus protocol, particularly:
- Swap floating point: it is useful in case the host system requires the inversion of two 16 bit registers, which represent the floating point value.
- Floating point error: it shows the value used when MSB has to specify an error datum in the registers that collect the floating-point data.
- Integer error: it shows the value used when MSB has to specify an error datum in the registers that collect the integer format data.
Sampling
It includes the parameters that adjust the sampling and the processing of detected signals from the inputs, particularly:
- Voltage input channel: parameters referred to voltage input:
- Channel kind: kind of input (from radiometer o from voltage or current generic signal). Warning: changing this parameter requires the same change in the position of jumper JP1 as indicated by the message text on the terminal.
- Conversion param.: conversion parameters of voltage signal in the values that represent the measured quantity; in case a radiometer is used, it is needed the entry of a single value that corresponds to the sensitivity of the sensor, expressed in µV/W/m2 or mV/W/m2; this value is shown in the calibration certificate of the sensor; in case of input through generic signal are required 4 parameters, relevant to the input scale (expressed in mV) and to corresponding output scale (expressed in the unit of measurement of measured quantity); for example if at voltage input is connected a sensor with output 4 ÷ 20 mA, that correspond to a quantity with scale level 0 ÷ 10 m, and the current signal produces at MSB input, by means of a drop resistance of 50 , a voltage signal from 200 to 1000 mV, for two input/output scales have to be inputted following values respectively: 200, 1000, 0, 10.
- Anemometer param.: it allows to program the linearization factors relative to the anemometer connected to frequency input. MSB supplies the right parameters for the management of LSI LASTEM mod. DNA202 and DNA30x anemometer families; possible other anemometers can be linearized introducing up to 3 factors of the polynomial function that represents the response curve of the sensor. For example, if there is an anemometer with linear response of 10 Hz#mmm_s frequency, the polynomial will have to be programmed with following values: X0: 0.0; X1: 0.2; X3: 0.0. If instead we have available a table that supplies the values of non-linear response curve, it is recommended the use of a spreadsheet and of the calculation of tendency line of Y-X scatter diagram that represents the data of the table; displaying the polynomial equation (up to third degree) of tendency line, we can obtain the Xn values to be inputted in MSB. Otherwise, in order to obtain the direct value of the frequency, set: X0: 0.0; X1: 1.0; X3: 0.0.
- Lightning sensor: parameters related to the lightning sensor:
- Activate: activate after about 10 seconds the communication with the sensor without having to restart MSB; use this command as indicated at §0.
- Polling rate [s, 0-60, 0=disabled]: set the sampling rate of the thunderstorm distance measured by the lightning sensor; default is zero (not power sensor and not polled, so serial line 2 is always available for configuration operations with PC).
- Outdoor: set the operating environment of the sensor: outdoor (True) or Indoor (False); default value: True.
- Number of lightnings: number of electric discharges needed to let the sensor to calculate the thunderstorm distance; if greater than 1 let the sensor to ignores sporadic discharges detected in short time, thus avoiding false lightning detections; allowed values: 1, 5, 9, 16; default value: 1.
- Lightning absence: corresponds to the time, in minutes, in which the absence of detection of electrical discharges determines the return of the system to the condition of absence of lightning (100 km); default value: 20.
- Auto watchdog threshold: determines an automatic sensitivity of the sensor with respect to the detected background noise; when this parameter is set to True it determines that the sensor ignores the value set in the Watchdog threshold parameter; default value: True.
- Watchdog threshold: sets the sensitivity of the sensor to electrical discharges on a scale of 0 ÷ 15; higher is this value, and lower is the sensor sensitivity to the discharges, therefore greater is the risk of not detecting discharges; lower is this value, higher is the sensitivity of the sensor, therefore greater is the risk of false readings due to background discharges and not due to real lightning strikes; this parameter is active only when the Auto watchdog threshold parameter is set to False; default value: 2.
- Spike rejection: sets the sensor’s ability to accept or reject false electric discharges not due to lightning strikes; this parameter is additional to the Watchdog threshold parameter and allows to set an additional filtering system to unwanted electrical discharges; the parameter has a scale from 0 to 15; a low value determines a lower ability of the sensor to reject false signals, therefore it determines a greater sensitivity of the sensor to disturbances; in the case of installations in areas without disturbance it is possible / advisable to increase this value; default value: 2.
- Reset statistic: the True value disables the statistical calculation system inside the sensor which determines the distance from the storm front considering a series of lightning strikes; this determines that the distance calculation is made only considering the last single electrical discharge measured; default value: False.
- Elaboration rate: it is the processing time used for the supplying of statistic data (mean, minimum, maximum, totalization values); values included into the correspondent Modbus registries are updated according to the time expressed by this parameter.
LSI LASTEM
Modbus Sensor Box User Manual Data Tx This menu allows the execution of a rapid diagnostic operation to check the sampled data and processed by MSB; directly from the terminal emulation program, it is possible evaluate the right signals acquisition by the instrument:
- Tx rate: it shows the transmission rate of data to terminal.
- Start Tx: it starts the transmission according to the specified rate; it is proposed the measures sampled by means of MSB (the display sequence is from input 1 to input 4), updating the display automatically; press Esc to stop the transmission of data to terminal.
Default config.
After request to confirm the operation, this command set all parameters to their initial values (factory configuration); store this configuration in memory using the command Save config. and hardware reset the instrument or use the command Restart system in order to activate the new operating mode.
Save config.
After request to confirm the operation, it runs the final storage of all changes to parameters previous modified; please note that MSB changes its operation immediately from the first variation of each parameter (excepted the serial bit rates, that need the instrument re-start necessarily), in order to allow the immediate evaluation of the executed modification; re-starting the instrument without the execution of final storage of the parameters, it is produced the operation of MSB corresponding to the situation preceding the modification of parameters.
Restart system
After request to confirm the operation, it runs the restart of the system; warning: this operation cancels the variation of any parameters that have been modified but not definitively stored.
Statistics
This menu allows the display of same statistic data relative to the operation of the instrument, particularly:
- Show: it shows the time from last start or re-start of the instrument, the time from last reset of statistical data, the statistical counts relevant to the communications executed on two serial communication lines (number of received and transferred byte, number of total received messages, wrong messages and transferred messages). For further information about these data read §6.1.
- Reset: it resets the statistical counts.
3.4 Minimal configuration
In order to operate the MSB with its Modbus system correctly, you usually have at least to set as follow:
- Network address: the default set value is 1;
- Bit rate: the default set value is 9600 bps;
- Parity: the default set value is Even;
- Sampling: it is necessary set the parameters of this menu according to the typical data of the used sensors (radiometer sensitivity, anemometer type).
After modification of the parameters remember to store them definitively through Save config. command and re-start the system in order to make them active (reset button, switch off/switch on or Restart system command). It is possible to check if the instrument works in the right way using the Data Tx function, available on the configuration menu.
3.5 Restart of the instrument
MSB can be restarted through menu (see §0) or acting on reset button placed under the connector of serial line 2. In both cases the changes to configuration, made through menu and not saved, will be cancelled completely.
4 Modbus protocol
MSB implements the Modbus protocol in slave RTU mode. The controls Read holding registers (0x03) and Read input registers (0x04) are supported for access to acquired data and calculated by the device; both commands supply the same result.
Information available in the Modbus registers regard the instantaneous values (last sampled according to the acquisition rate of 1 s), and the processed values (mean, minimum, maximum and totalization of the sampled data in the period set by the processing rate).
The instantaneous and processed data are available in two different formats: floating point and integer; in the first case the datum is included in two consecutive registers of 16 bit and it is expressed in 32 bit IEEE754 format; the storage sequence in two registers (big endian or little endian) is programmable (see §0); in the second case each datum is included in a single 16 bit register; its value, as it does not have any floating point, is multiplied by a factor fixed according to the type of measurement it represents and therefore it has to be divided by the same factor in order to obtain the primary factor (expressed with right decimals); the table below shows the multiplication factor for each measurement:

Take into consideration that the reading of integer values of frequency (if the linearization coefficients have been correctly set, see §0 – Anemometer param.) cannot exceed the value 3276.7 Hz.
It is possible use the Modpoll program in order to check the connectivity through Modbus in an easy and fast way: it is a free program that can be downloaded from site www.modbusdriver.com/modpoll.html.
You can use Modpoll by command line of Windows or Linux prompt. For example, for Windows version you can execute the command:
Modpoll a 1 r 1 c 20 t 3:float b 9600 p even com1
Replace com1 with port really used by PC and, if necessary, the other communication parameters, in case they have been modified in comparison with the default parameters set in MSB. Responding to command the program executes the second query of MSB and displays the results on video display unit. Through r and c parameters it is possible fix the measures and their processing that MSB requires. For further information about the commands use h parameter.
Wanting to use an Ethernet/ RS-232/ RS-485 converter, Modbus requests can be encapsulated inside TCP/IP using this command (for example considering the Ethernet converter available on port 7001 and IP address 192.168.0.10):
Modpoll m enc a 1 r 1 c 20 t 3:float p 7001 192.168.0.10
4.1 Addresses map
LSI LASTEM Modbus Sensor Box User Manual
Following table shows the relation between the address of Modbus register and sampled value (instantaneous) or calculated (statistic processing).



5 Specifications
- Sensors Inputs
- Sensors sampling rate: all inputs sampled at 1 Hz
- Input for low range voltage signals
- Scales: 0 ÷ 30 mV
- Resolutions: < 0.5 µV
- Impedance: 1.6 * 1010
- Accuracy (@ Tamb. 25 °C): < ±5 µV
- Calibration/scaling: according to the selected use; if by radiometer/solarimeter
through sensitivity value noticeable from certificate; if by generic sensor through
input/output scale factors
- Input for High range voltage signals
- Scales: 0 ÷ 1000 mV
- Resolutions: < 20 µV
- Accuracy (@ Tamb. 25 °C): < 130 µV
- Calibration/scaling: according to the selected use; if by radiometer/solarimeter
through sensitivity value noticeable from certificate; if by generic sensor through
input/output scale factors
- Input for Pt100 thermal resistance (product variant 1)
- Scale: -20 ÷ 100 °C
- Resolution: 0.04 °C
- Accuracy (@ Tamb. 25 °C): < ±0.1 °C Thermal drift: 0.1 °C / 10 °C Compensation of the line resistance: error 0.06 °C /
- Input for Pt1000 thermal resistance (product variant 4)
- Scale: -20 ÷ 100 °C
- Resolution: 0.04 °C
- Accuracy (@ Tamb. 25 °C): < ±0.15 °C (0 <= T <= 100 °C), < ±0.7 °C (-20 <= T <= 0 °C)
- Thermal drift: 0.1 °C / 10 °C
- Compensation of the line resistance: error 0.06 °C /
- Input for frequency signals
- Scale: 0 ÷ 10 kHz
- Level of input signal: 0 ÷ 3 V, supported 0 ÷ 5 V
- Power output for anemometer, sourced from general power in (rectified and filtered) or for photodiode (LSI LASTEM anemometer) 3.3 V limited to 6 mA (selectable mode by switch)
- Signal input for anemometer pulse output, open collector
- Resolution: 1 Hz
- Accuracy: ±0.5 % measured value
- Linearization/scale adaption: through polynomial function of third degree (default
values for LSI LASTEM anemometers, or programmable for different types of
sensors)
- Input for lightning sensor, thunderstorm front distance measurement
- Measurement scale: 1 ÷ 40 km expressed in 15 values: 1, 5, 6, 8, 10, 12, 14, 17, 20, 24, 27, 31, 34, 37, 40. Value representing thunderstorm absence: 100 km.
- Sampling with programmable time rate: from 1 to 60 s.
- Processing of the measurements
- All processed measures with common rate programmable from 1 to 3600 s
- Application on all measurements of calculations of mean, minimum, maximum and total
- Communication lines
- RS-485
- Connection on terminal board with two wires (half duplex mode)
- Serial parameters: 8 data bit, 1 or 2 stop bit programmable (2 stops allowed only when parity set to none), parity (none, odd, even), bit rate programmable from 1200 to 115200 bps
- Modbus RTU communication protocol for reading of sampled and processed measures (values expressed in floating point 32 bit IEEE754 format or in 16 bit whole format)
- Line termination 120 resistor insertable by switch
- Galvanic insulation (3 kV, according to rule UL1577)
- RS-232
- 9 poles Sub-D female connector, DCE, used only Tx/Rx/Gnd signals
- Serial parameters: 8 data bit, 1 or 2 stop bit programmable (2 stops allowed only when parity set to none), parity (none, odd, even), bit rate programmable from 1200 to 115200 bps
- 12 Vdc power output on pin 9, enabled by system configuration
- Rx and Tx TTL signals available on board terminals 21 and 22
- Configuration protocol of the apparatus through terminal program
- RS-485
- Power
- Input voltage: 9 ÷ 30 Vdc/Vac
- Power consumption (excluded all external device/sensor feeding): < 0.15 W
- Electrical protections
- Against electrostatic discharge, on all sensor inputs, on RS-485 communication line, on power line
- Maximum power that can be dispelled: 600 W (10/1000 µs)
- Environmental limits
- Operative temperature: -40 ÷ 80 °C
- Temperature of warehousing/transport: -40 ÷ 85 °C
- Mechanics
- Box sizes: 120 x 120 x 56 mm
- Fastening holes: nr. 4, 90 x 90, size Ø4 mm
- Box material: ABS
- Environmental protection: IP65
- Weight: 320 g
6 Diagnostic
6.1 Statistical information
LSI LASTEM Modbus Sensor Box User Manual
MSB collects some statistics data that can be useful for diagnostics of possible operation problems. The statistics data can be obtained through menu for programming and management of the system (see §0) and through the proper menu entry.
The activation of display of statistics data produces the following result:
Power on time: 0000 00:01:00 Statistical info since: 0000 00:01:00
Com Rx bytes Tx bytes Rx msg Rx err msg Tx msg 1 0 1 0 0 0 2 11 2419 0 0 0
Here below you can read the meaning of displayed information:
- Power on time: power-up time of the apparatus or from last reset [dddd hh:mm:ss].
- Statistical info since: time from last reset of statistics [dddd hh:mm:ss].
- Com: number of serial ports of apparatus (1= RS-485, 2= RS-232).
- Rx bytes: number of bytes received from serial port.
- Tx bytes: number of bytes transferred from serial port.
- Rx msg: total number of messages received from serial port (Modbus protocol for serial port 1,TTY/CISS protocol for serial port 2).
- Rx err msg: number of wrong messages received from serial port.
- Tx msg: number of messages transferred from serial port.
For further information about the above information look it up in the §6.1 .
6.2 Diagnostic LEDs
Through the lighting of LEDs mounted on electronic card, the instrument shows the following information:
- Green LED (PWR-ON): it lights to signal the presence of power supply on board terminals 1 and 2.
- Red LEDs (Rx/Tx-485): they signal the communication with host.
- Yellow LED (OK/Err): it shows the operation of the instrument; the flashing type of this LED signals possible operation errors, as you can see in the table below:

Possible errors pointed out by MSB are shown by means of a proper message displayed in the menu of statistics that is proposed during the access to the functions of the instrument through terminal (see §0); the access in the statistic menu produces the reset of the error signaling (also through LED), till next error detection. For further information about the errors managed by the instrument look it up in §6.3.
6.3 Trouble shooting
The table below shows the causes of some problems detected by the system and the pertinent remedies that it can be adopted. In case of errors detection by the system, we recommend to check the statistical data too (§6.1) in order to have a complete picture of the situation.



7 Maintenance
MSB is a precision measurement apparatus. In order to maintain the specified measurement precision over the time, LSI LASTEM recommends to check and re-calibrate the instrument every two years.
8 Disposal
MSB is a device with high electronic content. In accordance with the standards of environmental protection and collection, LSI LASTEM recommends handling MSB as waste of electrical and electronic equipment (RAEE). For this reason, at the end of its life, the instrument must be kept apart from other wastes.
LSI LASTEM is liable for the compliance of the production, sales and disposal lines of MSB, safeguarding the rights of the consumer. Unauthorized disposal of MSB will be punished by the law.![]()
9 How to contact LSI LASTEM
In case of problem contact the technical support of LSI LASTEM sending an e-mail to [email protected], or compiling the technical support request module at www.lsi-lastem.com.
For further information make reference to addresses and numbers below:
- Phone number: +39 02 95.414.1 (exchange)
- Address: via ex S.P. 161 Dosso n. 9 – 20049 Settala (Milano)
- Web site: www.lsi-lastem.com
- Commercial service: [email protected]
- After-sales service: [email protected]
10 Connection drawings




















