
THE TRUSTED NAME IN STRENGTH EQUIPMENT
WNER’S MANUAL F-G20-TVMOUNT

CAUTION!
Read all precautions and instructions in this manual before using equipment.
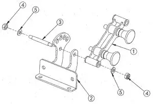
Spare parts list
| No. | Description | Note | Qty |
| 1 | adjust connection frame | 1 | |
| 2 | 7102 adjust connection frame | 1 | |
| 3 | outer shaft | ∅10*85*m10 | 2 |
| 4 | lock nut | M10 | 4 |
| 5 | washer | ∅10 | 8 |
| 6 | television plate | 1 | |
| 7 | spring gasket | ∅10 | 4 |
| 8 | hezagon holt | M10*20 | 4 |
Bolt length meter

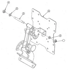
Assembly step-1 explosion drawing

| No. | Description | Note | Qty |
| 1 | adjust connection frame | 1 | |
| 2 | 7102 adjust connection frame | 1 | |
| 3 | outer shaft | ∅10*85*m10 | 1 |
| 4 | lock nut | M10 | 2 |
| 5 | washer | ∅10 | 2 |
Assembly step-1 drawing

Assembly step-1 installation instruction
1 Assembly adjust connection frame-1 on 7102 adjust connection frame-2 using outer shaft-3 ∅ washer-5 then using M10 lock nut4 to fix it.
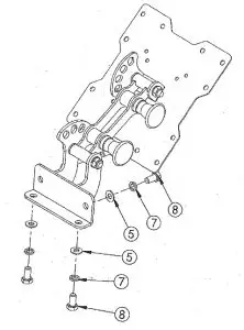
Assembly step-2 explosion drawing

| No. | Description | Note | Qty |
| 6 | television plate | 1 | |
| 3 | outer shaft | ∅10*85*M10 | 1 |
| 4 | lock nut | M10 | 2 |
| 5 | washer | ∅10 | 2 |
Assembly step-2 drawing

Assembly step-2 installation instruction
1 Assembly television plate-6 on adjust connection frame-1 using outer shaft-3, ∅10 washer-5 and fixt it using M10 lock nut-4.
Assembly step-3 exploding drawing

| No. | Description | Note | Qty |
| 7 | spring gasket | ∅10 | 2 |
| 5 | washer | ∅10 | 2 |
| 8 | hexagon holt | M10*20 | 2 |
Assembly step-3 drawing

Assembly step-3 installation instruction
1 The M10*20 hexagon holt-8, ∅10 washer-5m ∅10 spring gasket-7 use together with main machine. The three parts can’t use alone.
WARNING ![]()
Before using this equipment, read and understand the complete Owner’s Manual, instructions, and warnings.
Inspect the product before each use and do not use if any parts are missing or in need of repair.
Use caution when using this product and following all instructions and warnings at all times.
Do not allow children to use or play near this product.
You should consult a physician before starting an exercise program, stop exercising immediately if you feel pain or tightness in your chest, become short of breath, or feel faint or discomfort, and consult a doctor immediately.
RELEASE OF LIABILITY: By using this product, you acknowledge that all exercise and strength training, including the use of this product, entails known, unknown, and unanticipated risks which could result in physical or emotional injury or death. You further acknowledge and accept these risks, and agree that you are using this equipment at your own risk and hereby release, discharge, indemnify and hold harmless Forece USA, LLC and its resellers and manufactures from any risk, injury, death, or damage resulting from the use of the product. This release includes, but is not limited to, any risks, dangers, or injuries including death caused by the negligence of Force USA, LLC, or others, and is to the fullest extent permitted by law.













