IGHT QWH50SD Wall Mount Alarm Sounder with Special Warning Sound User Manual
Thank you for purchasing Qlight ’s products. Please read this user manual carefully prior to installation and operation to ensure safe and correct use.
Precautions for Safety
Failure to follow the instructions below may cause a loss of life or serious physical injury.
- During wiring or maintenance, please completely turn off the power of the product. (Failure to follow this may lead to an electric shock.)
- Do not install the product in locations that subjects it to excessive dust or water other than the conditions designated by the IP protection ratings indicated for each product. (Failure to follow these instructions maycause a fire to the product, electric shock, physical injury, malfunction or damage to the product.)
- Do not alter or repair this product. If maintenance or repair service is required, please contact your local Qlight contact point. (Failure to follow these instructions may lead to fire, electric shock, or product damage.)
- Please apply the correct voltage to the product. (Failure to follow these instructions may lead to fire, electric shock, or product damage.)
- When the product is applied to a condition that may impact lives or property, please make sure to have a double safety device. (Failure to follow this may cause damage to property, fire, electric shock and loss of life.)
Precautions for Correct Use
Failure to follow the proper instructions may cause damage to property, the product, or malfunction of the product that would void the warranty.
- Please remove any objects that can interrupt ventilation around the product.
- Please turn off the power of the product immediately if it fails to operate properly.
- Carefully wire the product according to each product’s specification.
- Please be careful in preventing chemicals such as thinner, benzene, etc. in contact with the surface of the product.
- Do not apply excessive force/impact to the product.
- Failure to follow any of the instructions above may cause malfunction or damage to the product, fire, and electric shock.
Ordering Specifications
| QWH50 | 110/220 | LC |
| [Model number] | [Voltage | [Sound selection] |
| QWH35 | 12/24 | (Blank) |
| QWH35SD | DC12V-24V | Standard type |
| QWH50 | 110/220 | LC Type |
| QWH50SD | AC110V-220V | Uses external contact |
Product Specifications
| Model number | Voltage | Current | Sound Pattern and Volume | Certi- ficate | Weight |
| QWH35 Built-in Sound TypeQWH35SD MP3 Sound Type | DC12V-24V | Max.0.930A | · Bit Input : 5Ch (SD card Type)· Binary Input : 31Ch· Warning Sounds : 115dB· MP3 Messages :113d6 | 0.90kg | |
| AC110V-220V | Max.0.300A | ||||
| DC12V-24V | Max.0.980A | 1.00kg | |||
| AC110V-220V | Max.0.270A | ||||
| QWHSO Built-in Sound TypeQWH5OSD MP3 Sound Tyope | DC12V-24V | Max.3.480A | · Bit Input : 5Ch (SD card Type)· Binary Input : 31Ch· Warning Sounds : 123dB· MP3 Messages : 118dB | 2.70kg | |
| AC110V-220V | Max.0.460A | ||||
| DC12V-24V | Max.4.310A | 2.80kg | |||
| AC110V-220V | Max.0.530A |
※ UL Listed : DC12V/24V
- Protection rating : IP66
- Ambient operating temperature : -50℃ to +60℃(QWH35, QWH50)
-20℃ to +50℃(QWH35SD, QWH50SD)
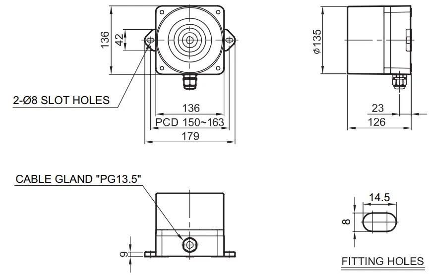
Dimensions
QWH35/ QWH35SD
QWH50/ QWH50SD
Sound Selection – Using Internal Switch (Built-in Sound Type)
- For built-in sound type, use ‘Sound Channel Selection Switch’ located inside the product in order to select the type of sound. (For sound configuration chart, please refer to page 5 and 6)

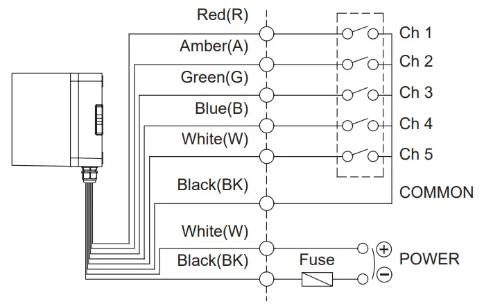
Wiring Instruction for LC Type
- LC type product with exposed sound selection signal line is avaliable upon request. Please refer to the diagram below for wiring.
EXTERNAL CONTACT
EXTERNAL TRANSISTOR-NPN
- External power line – UL1015 AWG18(0.75sq) x 2C 400mm
- External signal line – UL1007 AWG22(0.3sq) 400mm
- For DC type, the polarity of black line is negative(-).
Caution
- Supplying power to the common line or signal lines may cause malfunction of the product.
Bit/ Binary Input Method Depending on Wiring Method
Bit Input Mode
- Bit input mode(using external line) allows you to select one of five sound options by switching on one of the 5 channels. (Ch1 – Ch5)
- Total of 5 sound options are configurable.
Binary Input Mode
- Binary input mode(using external line) allows you to receive multiple inputs by using the 5 channels (Ch1 – Ch5) to configure one of 31 sound options.
- Total of 31 sound options are configurable.
※ The channel selection method using a transistor is the same as the external contact method, please refer to the figure on the right.
※ The switch figure to the right explains how to wire the external contacts of a signal line product. If the product is not a signal line product, use the channel selection switch attached inside the product.
Parts Definition and Installation
QWH35
QWH35SD

SD cards are sold separately
Installation

- First, make taps or holes that match the product mounting bolts locations on the mounting surface①.
- The mounting hole of this product is 9mm in diameter (long hole).
- If the tap is machined, fasten the bolt through the mounting hole of the product.
- When machining a hole, insert the bolt through the product, insert it into the hole, and tighten the nut from the opposite side of the mounting surface.
- Install a flat washer and a spring washer to the bolt if the product can experience severe vibration and shock.
- Tap Machining

- Hole Machining

Precautions for installation
- In case of outdoor applications, install the product in the upright position. Do not install the product horizontal or upside-down positions where water can potentially penetrate into the product and impact it’s operation.

Parts Definition and Installation
QWH50
QWH50SD

- SD cards are sold separately
Installation

- First, make taps or holes that match the product mounting bolts locations on the mounting surface ①.
- The mounting hole of this product is 9mm in diameter (long hole).
- If the tap is machined, fasten the bolt through the mounting hole of the product.
- When machining a hole, insert the bolt through the product, insert it into the hole, and tighten the nut from the opposite side of the mounting surface.
- Install a flat washer and a spring washer to the bolt if the product can experience severe vibration and shock.
Tap Machining

Hole Machining
Installation Environment and Degree of Protection
- This product is designed for indoor and outdoor use with protection rating of IP66.
- If the product is installed in locations that subject it to excessive dust or water other than the designated IP protection ratings indicated(IP66), it may cause malfunction or damage to the product.
- After installing the cable, tighten the cable entry as same level of protection rating of the product and seal it so that dust and moisture can not penetrate into the product.
- For further information, please visit our website (www.qlight.com).
Operation Parts Configuration
QWH35/ QWH50(Built-in sound type)
QWH35
QWH50
- Built-in sound type product supports binary input 31 channels.
- Sound channel selection switch
(For more information, please refer to Page 5, “Types and Combina- tions of sounds.”) - Volume dial
(For more information, please refer to Page 6, “Volume Adjustment”.)
QWH35SD/ QWH50SD(SD Card type-MP3)
QWH35SD
QWH50SD
- Sound channel selection switch
(For more information, please refer to Page 5, “Types and Com bina- tions of sounds.”) - volume dial
(For more information, please refer to Page 6, “Volume Adjustment”.) - Sound setting switch
(For more information, please refer to Page 6, “Selecting the Built-in Sound and External Sound (SD card)”.) - Play mode setting switch
(For more information, please refer to Page 7, “Play Mode Setting”.)
SD card slot
(For more information, please refer to Page 7, “Selecting an SD card and saving sound files”.)
Sound Type and Combination Manual
Binary Input – Playing Built-in Sound
- When playing the built-in sound, select the sound in binary input mode.
- In binary input mode, you can choose one sound from 31 sounds by configuring the 5 channels.
- Available in QWH35/ QWH50/ QWH35SD/ QWH50SD models.
| Binary input method sound configuration | ||||||
ON(1)OFF(0)![]() | Type of sound | |||||
| No. | 1 | 2 | 3 | 4 | 5 | |
| 0 | 0 | 0 | 0 | 0 | 0 | No sound |
| 1 | 0 | 0 | 0 | 0 | 1 | Rel rel rel |
| 2 | 0 | 0 | 0 | 1 | 0 | Slow Ambulance PI-PO |
| 3 | 0 | 0 | 0 | 1 | 1 | Oit Oit warning sound |
| 4 | 0 | 0 | 1 | 0 | 0 | Emergency WA-U(Yelp) |
| 5 | 0 | 0 | 1 | 0 | 1 | Pi- buzzer |
| 6 | 0 | 0 | 1 | 1 | 0 | 7 Short PI. / 1 Long |
| 7 | 0 | 0 | 1 | 1 | 1 | Pi o Pi o |
| 8 | 0 | 1 | 0 | 0 | 0 | Phone Ring |
| 9 | 0 | 1 | 0 | 0 | 1 | Pi- buzzer |
| 10 | 0 | 1 | 0 | 1 | 0 | Pi pi pi short |
| 11 | 0 | 1 | 0 | 1 | 1 | Di o Di o 2 tones buzzer |
| 12 | 0 | 1 | 1 | 0 | 0 | Oit Oit warning sound |
| 13 | 0 | 1 | 1 | 0 | 1 | Slow Ambulance PI-PO |
| 14 | 0 | 1 | 1 | 1 | 0 | Slow Di o Di o |
| 15 | 0 | 1 | 1 | 1 | 1 | Fast Li o li o |
| 16 | 1 | 0 | 0 | 0 | 0 | Fire.A-ANG |
| 17 | 1 | 0 | 0 | 0 | 1 | Fast Ambulance PI-PO |
| 18 | 1 | 0 | 0 | 1 | 0 | Slow Ambulance PI-PO |
| 19 | 1 | 0 | 0 | 1 | 1 | Ri ro ri ro warning sound |
| 20 | 1 | 0 | 1 | 0 | 0 | Repeat Di-o 3 times |
| 21 | 1 | 0 | 1 | 0 | 1 | Fire.A-ANG |
| 22 | 1 | 0 | 1 | 1 | 0 | Ambulance PI-PO |
| 23 | 1 | 0 | 1 | 1 | 1 | Slow Fire.A-ANG |
| 24 | 1 | 1 | 0 | 0 | 0 | Pi-pi- buzzer low frequency |
| 25 | 1 | 1 | 0 | 0 | 1 | Pi-pi- buzzer high frequency |
| 26 | 1 | 1 | 0 | 1 | 0 | Di-di- buzzer high frequency |
| 27 | 1 | 1 | 0 | 1 | 1 | Di-di- buzzer low frequency |
| 28 | 1 | 1 | 1 | 0 | 0 | Rising Po-ong |
| 29 | 1 | 1 | 1 | 0 | 1 | Fast Ambulance PI-PO |
| 30 | 1 | 1 | 1 | 1 | 0 | Rising frequency |
| 31 | 1 | 1 | 1 | 1 | 1 | Repeat A-ANG |
Bit Input – Playing External Sound (SD Card)
- User can save sounds(MP3) to the SD card and able to select 1 sound from 5 saved sounds.
- User can save 5 sounds.
- Available in QWH35SD/ QWH50SD models
| Bit input method sound source configuration | ||||||
ON(1)OFF(0)![]() | Type of sound | |||||
| No. | 1 | 2 | 3 | 4 | 5 | |
| 0 | 0 | 0 | 0 | 0 | 0 | No sound |
| 1 | 1 | 0 | 0 | 0 | 0 | Custom sound 1(01_xxx.mp3) |
| 2 | 0 | 1 | 0 | 0 | 0 | Custom sound2(02_xxx.mp3) |
| 3 | 0 | 0 | 1 | 0 | 0 | Custom sound3(03_xxx.mp3) |
| 4 | 0 | 0 | 0 | 1 | 0 | Custom sound4(04_xxx.mp3) |
| 5 | 0 | 0 | 0 | 0 | 1 | Custom sound5(05_xxx.mp3) |
Binary Input – Playing External Sound (SD Card)
- The user can save sounds(MP3) to the SD card and able to select the sound in binary input mode.
- Binary input mode chooses one of the 31 sounds by combining the on/ off switch of the 5 different channels to the associated tone.
- Available on QWH35SD/ QWH50SDmodels.
| Binary input method sound source configuration | ||||||
ON(1)OFF(0)![]() | Type of sound | |||||
| No. | 1 | 2 | 3 | 4 | 5 | |
| 0 | 0 | 0 | 0 | 0 | 0 | No sound |
| 1 | 0 | 0 | 0 | 0 | 1 | Custom sound1(01_xxx.mp3) |
| 2 | 0 | 0 | 0 | 1 | 0 | Custom sound2(02_xxx.mp3) |
| 3 | 0 | 0 | 0 | 1 | 1 | Custom sound3(03_xxx.mp3) |
| 4 | 0 | 0 | 1 | 0 | 0 | Custom sound4(04_xxx.mp3) |
| 5 | 0 | 0 | 1 | 0 | 1 | Custom sound5(05_xxx.mp3) |
| 6 | 0 | 0 | 1 | 1 | 0 | Custom sound6(06_xxx.mp3) |
| 7 | 0 | 0 | 1 | 1 | 1 | Custom sound7(07_xxx.mp3) |
| 8 | 0 | 1 | 0 | 0 | 0 | Custom sound8(08_xxx.mp3) |
| 9 | 0 | 1 | 0 | 0 | 1 | Custom sound9(09_xxx.mp3) |
| 10 | 0 | 1 | 0 | 1 | 0 | Custom sound10(10_xxx.mp3) |
| 11 | 0 | 1 | 0 | 1 | 1 | Custom sound11(11_xxx.mp3) |
| 12 | 0 | 1 | 1 | 0 | 0 | Custom sound12(12_xxx.mp3) |
| 13 | 0 | 1 | 1 | 0 | 1 | Custom sound13(13_xxx.mp3) |
| 14 | 0 | 1 | 1 | 1 | 0 | Custom sound14(14_xxx.mp3) |
| 15 | 0 | 1 | 1 | 1 | 1 | Custom sound15(15_xxx.mp3) |
| 16 | 1 | 0 | 0 | 0 | 0 | Custom sound16(16_xxx.mp3) |
| 17 | 1 | 0 | 0 | 0 | 1 | Custom sound17(17_xxx.mp3) |
| 18 | 1 | 0 | 0 | 1 | 0 | Custom sound18(18_xxx.mp3) |
| 19 | 1 | 0 | 0 | 1 | 1 | Custom sound19(19_xxx.mp3) |
| 20 | 1 | 0 | 1 | 0 | 0 | Custom sound20(20_xxx.mp3) |
| 21 | 1 | 0 | 1 | 0 | 1 | Custom sound21(21_xxx.mp3) |
| 22 | 1 | 0 | 1 | 1 | 0 | Custom sound22(22_xxx.mp3) |
| 23 | 1 | 0 | 1 | 1 | 1 | Custom sound23(23_xxx.mp3) |
| 24 | 1 | 1 | 0 | 0 | 0 | Custom sound24(24_xxx.mp3) |
| 25 | 1 | 1 | 0 | 0 | 1 | Custom sound25(25_xxx.mp3) |
| 26 | 1 | 1 | 0 | 1 | 0 | Custom sound26(26_xxx.mp3) |
| 27 | 1 | 1 | 0 | 1 | 1 | Custom sound27(27_xxx.mp3) |
| 28 | 1 | 1 | 1 | 0 | 0 | Custom sound28(28_xxx.mp3) |
| 29 | 1 | 1 | 1 | 0 | 1 | Custom sound29(29_xxx.mp3) |
| 30 | 1 | 1 | 1 | 1 | 0 | Custom sound30(30_xxx.mp3) |
| 31 | 1 | 1 | 1 | 1 | 1 | Custom sound31(31_xxx.mp3) |

Volume Adjustment
- The volume output of this product is adjustable.
- Turn the volume dial clockwise to increase the volume, and turn counter clockwise to decrease the volume.
- There will be no sound when the dial is put at MIN.

Selection between Built-in Sound and External Sound (SD Card Type)
- To play built-in sounds, set the sound set- ting switch to the OFF (0) position.
- To play an external sound on the SD card, insert the SD card into SD card slot and set the sound setting switch to ON (1).

Play Mode Setting
- Can select between channel input methods (bit/ binary) and various playback modes.
- Use a (-) flat screwdriver to rotate one space at a time (regardless of the direction of rotation).
- Switch 0 and 9 have no function.
Play mode switch
Can rotate regardless of direction
※ setting withdrawal in 3 is SD
| PLAY MODE | ||
| 1 | Bit Input Mode |
|
| 2 | Binary Input Mode |
|
| 3 | Bit Input HoldPlayback Mode |
|
| 4 | Binary Input HoldPlayback Mode |
|
| 5 | Bit Input SoundReduction Mode |
|
| 6 | Binary Input SoundReduction Mode |
|
| 7 | Bit Input Sequence Memory Playback Mode |
|
| 8 | Test Mode |
|
SD Card Specifications and Sound Saving Manual

- SD card specifications
- Use standard SD card.
- Mini SD or Micro SD also can be used with adaptor.
- SD, SDHC type supported
- Storage capacity : Max. 32GB
- Class : No specification
- Please save the MP3 sound file on the SD card as shown below.
- Create an “MP3_FILE” folder on the SD card and save the MP3 file in the following file format.
- MP3 file format
- When saving files, please save them in order.
- Please start saving after formatting the SD card.
- The length of the file name must not exceed 40 characters.
Example
01_Fire.mp3
02_Emergency.mp3
03_For Elise.mp3
31_Cuckoo’s Waltz.mp3
Wiring Instruction for Terminal Block
QWH35(Built-in Sound Type)/ QWH35SD(SD Card Type)
QWH35-DC type

QWH35-AC type
QWH50(Built-in Sound Type)/ QWH50SD(SD Card Type)
QWH50-DC type
QWH50-AC type

- Please wire up the power line into terminal ①.
- Please use ‘O’ type or ‘U’ type wire terminal for safe wiring.
- AC type : Can be wired regardless of polarity.
- DC type : Please refer to above figure and carefully follow the wiring instructions.
Operation Method and Setting
| Model number | Built-in sound | When playing a built-in sound | When playing an external sound (SD Card) | |
| Binary input | Bit input | Binary input | ||
| QWH35 QWH50 | 31 types of sounds | Play one of 31 special warningsounds | Play one of the 5 user-recorded sounds | – |
| QWH35SD QWH50SD | 31 types of sounds | Play one of 31 special warningsounds | Play one of the 5 user-recorded sounds | Play one of the 31 user-recorded sounds |
QWH35/ QWH50
When Using a Built-in Sound in Binary Input Mode
- Use ‘Channel Selection Switch’ to select one of the 31 built in sounds.
- For more information, see page 5 ‘Sound Selection’ section.
- For LC type product, refer to page2 ‘Bit/ Binary Input Method According to Wiring Method’ section for detailed manual of channel selection method.
QWH35SD/ QWH50SD
When Using a Built-in Sound in Binary Input Mode
※ Sound switch setting → Play mode switch setting→ Channel selection
- Set the sound setting switch to OFF to select the built-in sound.
- For more information, please refer to page 6 ‘Selecting between Built-in Sound and External Sound’.
- Select one of 4 modes(2, 4, 6, or 8) by using play mode setting switch.
- Mode 8 is a test mode and the sound of channel 1 is continuously played. (In this case, channel selection is disabled.)
- For more information, please refer to page7, ‘Play Mode Setting’.
- Use the channel selection switch to select one of t he 31 built in sound.
- For more information, please refer to page5, ‘Binary Input – Use Built-in Sound Source’.
- For Extracted sound selection signal line type(LC) product, refer to page2 ‘Bit/ Binary Input Method According to Wiring Method’ for details of channel selection method.
When Using an External Sound Source (SD Card) in Bit Input Mode
※ Insert SD card → Sound switch setting → Play mode switch setting → Channel selection
- Please refer to page 7 ‘SD Card Specifications and Sound Saving Manual’ to see how to save sound files.
- Supports up to 5 user-defined sounds.
- Insert the SD card into the SD card slot.
- Set the No. 1 switch of the sound switch to ON to select external sound.
- For more information, please refer to page 6 ‘Selection between Built-in Sound and External Sound (SD Card Type)’
- Use the Play mode setting switch to select 1, 3, 5, 7 or 8 mode.
- Mode 8 is a test mode which continuously plays channel 1. (In this case, channel selection is disabled.)
- For more information, refer to page7, ‘Play Mode Setting’.
- To select a channel, use the terminal block in the back side of the product to select one of the 5 user-defined sounds.
- For more information, please refer to page 5 ‘Bit Input – Use External Sound (SD Card)’
- For external signal line type (LC) products, please refer to page 2 ‘Bit/ Binary Input Method Depending on Wiring Method’.
When Using an External Sound Source (SD Card) Source in Binary Input Mode
※ Insert SD card → Sound switch setting → Play mode switch setting → Channel selection
- Please refer to page 7 ‘SD Card Specifications and Sound Saving Manual’ to see how to save sound files.
- Supports up to 5 user-defined sounds.
- Insert the SD card into the SD card slot.
- Set the No. 1 switch of the sound setting switch to ON to select external sound.
- Use the play mode setting switch to select 1, 3, 5, 7 or 8 mode.
- Mode 8 is a test mode which continuously plays channel 1. (In this case, channel selection is disabled.)
- For more information, refer to page7 ‘Play Mode Setting’.
- Use the sound select switch to select the one of the 31 user- defined sounds.
- For more information, please refer to page 6 ‘Binary Input – Playing External Sound (SD Card)’.
- For external signal line type (LC) products, please refer to page 2 ‘Bit/ Binary Input Method Depending on Wiring Method’.
Technical Certification
- Qlight products are designed to meet strict quality and technical standards. Thus, the Qlight brand is widely recognized for its high quality and technical innovations from leading institutions around the world.
For your safety
Specification and dimensions listed in this catalogue subject to change without notice for product quality improvement. The newest product information is available on our website.(www.qlight.com ) Please read the instruction manual attached to the product carefully before installation and use.
Qlight Co., Ltd. www.qlight.com | [email protected]
Head Office | Suite #1510, STX-V Tower, 128 Gasan digital 1-ro, Geumcheon-gu, Seoul, Korea Tel. +82-2-2679-6152(Toll free. +82-80-328-2222) Fax. +82-2-2679-6154 Factory | 185-25, Mukbang-ro, Sangdong-myeon, Gimhae-si, Gyeongsangnamdo, Korea Tel. +82-55-328-1111(Toll free. +82-80-328-1111) Qlight OverSEAs Sales Dept | 704 Nakdong-daero, Sasang-gu, Busan, Korea(Eomgung-Dong) Tel : +82-51-620-4100 Qlight Public Relations & Marketing Team Office | 704 Nakdong-daero, Sasanggu, Busan, Korea(Eomgung-Dong) Tel. +82-51-245-0017
Qlight USA, Inc. wwww.qlight.com ww.qlightusa.com | [email protected]
3003 North First Street, Suite #341, San Jose, CA 95134 USA Tel. +1 – 408 – 519 – 5740 Fax. +1 – 408 – 519 – 5739
SHANGHAI Qlight Electronic Co., Ltd. www.qlight.com www.qlightcn.com | [email protected] China Factory/ Shanghai Sales Office | #19, Nanda Road, Baoshan Area, Shanghai, China Tel. +86 – 21 – 6651 – 7100 Fax. +86 – 21 – 6315 – 3929 China Factory Site 2 (Qidong) | #33, Haiyan Road, Qidong High-tech Industrial Development Zone, Qidong, Jiangsu Province, China Tel +86- 513- 8384- 9999 Fax +86- 513- 8384- 9910
Product Operation Inquiry / Customer Support +82-51-620-4100 You can expect prompt service if you have exact information such as model name, symptom, telephone number and address.
※ALL PRODUCT, PRODUCT SPECIFICATIONS AND DATA ARE SUBJECT TO CHANGE WITHOUT NOTICE TO IMPROVE RELIABILITY, FUNCTION OR DESIGN OR OTHERWISE. Head office : Suite #1510, STX-V Tower, 128 Gasan digital 1-ro, Geumcheon-gu, Seoul, Korea (Postal Code : 08507) Factory : 185-25, Mukbang-Ro, Sangdong-Myeon, Gimhae-Si, Gyeongsangnam Do, Korea (Postal Code : 50805) For your safety Specification and dimensions listed in this catalogue subject to change without notice for product quality improvement. The newest product information is available on our website.(www.qlight.com) Please read the instruction manual attached to the product carefully before installation and use. www.qlight.com EN – QWH35 – 2201A

























