HAVIT Lightning HV1628T-BLK-240V-SQ Divad Bollard Light

Divad Bollard Light Installation Instructions
Product Specifications

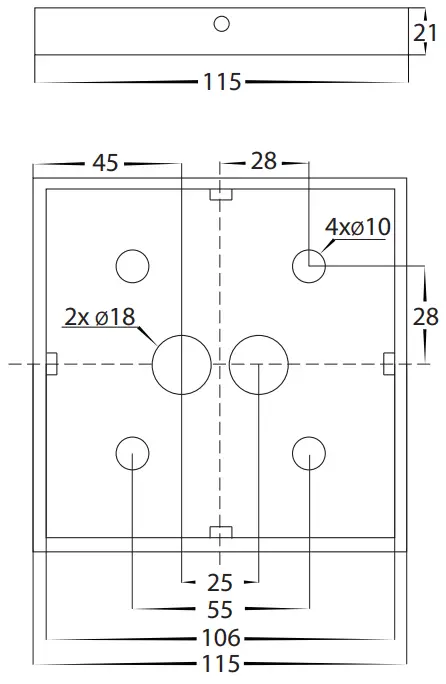
Mounting Base

HV1628 Dimensions
HV1629 Dimensions
Important Safety Issues
- This product must De installed by a qualined electrician according to A>/NZS 300.
- Ensure all electrical mains are disconnected before any installation.
- Modification of this product will void any warranty
- Havit Lighting does not take responsibility for wrong installation, incorrect use, or use of installation material that does not belong to the system.
- When installing low voltage fittings, Voltage to fitting must be within +or- 59% of voltage required, if not within this allowance warranty will be voided.
- Aluminium and 304SS fittings must not be installed within 5km of any salt water environments.
- All o-rings and seals must be in place correctly to maintain warranty
- When installing surface mounted bollards, base plate must be installed on concrete or concrete pad, Fitting should not be installed under ground level, all holes including cable entry must be
- silliconed to prevent any water penetration into fitting, silicone must also be applied around fitting at ground level. Failure to do this will void warranty
- This form may be updated at any time due to product improvements, please check online installation form for most current version.
Steps for Installation: HV1628T-BLK-240V+HV1629T-BLK-240V
- Make sure that the electrical circuit is free of voltage (master switch off).
- Remove baseplate from fitting by removeing 4x allens screws on side of fitting and set aside.
- Install baseplate in desired location using appropriate screws for application. The screws supplied are mild steel which must be replaced with higher grade if there is anychance of them being affected by water. The location of baseplate must be installed on either concrete or concrete base and cannot be installed under ground level.
- Seal all holes in the base plate including cable entry and screw holes.
- Locate IP rated junction box within ftting. Undo SCrews from junction box and remove cover.
- Insert cable through cable gland on junction box. If your cable is not circular you must fix entry of your cable to maintain IP rating. Failure to do so will void warranty.
- Connect the cable using wire with earth. Connect earth first, then live and neutral wires.
- Reattach Cover to IP rated junction box making sure Screws are tight and seals are still in place.
- Affhx the bollard to the baseplate by reattaching the 4 allen screws removed earlier making sure these are tight to reduce any movement in bollard
- Colour temperature is set to 3000K. Io change, remove top from fritting by loosening allen screws on side of fitting. Select desired colour temperature by moving switch
located on bottom of top. - Attach cover by tightening allen screws making sure the seals are still in place to avoid any water penetration.
- All connections must be carried out carefully, inspect all contacts before switching back on the electric circuit.
Steps for Installation: HV1628T-BLK-24V+HV1629T-BLK-24V
- Make sure that the electrical circuit is free of voltage (master switch off).
- Remove baseplate from fitting by removeing 4x allens screws on side of fitting and set aside.
- Install baseplate in desired location using appropriate screws for application. The screws supplied are mild steel which must be replaced with higher grade if there is any
chance of them being affected by water. The location of baseplate must be installed on either concrete or concrete base and cannot be installed under ground level. - Seal all holes in the base plate including cable entry and screw holes.
- Locate iP rated junction box within itting. Undo screws from junction box and remove cover.
- Insert cable through cable gland on junction box. If your cable is not circular you must fhx entry of your cable to maintain IP rating. Failure to do sO will void warranty.
- Use an appropriate 24v DC LED Driver – DO NOT CONNECT LIGHT FITTING DIRECT TO 240V
- Connect the cable, Connect live then neutral wires.
- Reattach cover to IP rated junction box making sure screws are tight and seals are still in place.
- Affix the bollard to the baseplate by reattaching the 4 allen screws removed earlier making sure these are tight to reduce any movement in bollard.
- Colour temperature is set to 3000K. To change, remove top from fitting by loosening allen screws on side of fitting. Select desired colour temperature by moving switch located on bottom of top.
- Attach cover by tightening allen screws making sure the seals are still in place to avoid any water penetration.
- All connections must be carried out carefully, inspect all contacts before switching back on the electriC circuit.
Warranty Terms & Conditions
Additional Information
Contact Details:
- ADDRESS: 143 Beauchamp Road Matraville NSW 2036 Australia
- Tel: 02 9381 8300
- Fax: 02 9666 8881
- Email: [email protected]
- Web: www.havit.com.au




















