SLG-10 SLG Series Low Profile Automatic Coffee Grinder
User Guide
READ AND SAVE THESE INSTRUCTIONS
NOTICE TO INSTALLER: Please leave this booklet with the machine.
KEY FEATURES/SPECIFICATIONS/SYSTEM REQUIREMENTS
Key Features
- Easy to Use – Fully automatic operation.
- Large Grinding Burrs- Provide faster, more efficient operation.
- Highly Accurate and Consistent Throw – For even distribution, and dust reduction.
- Constant, uniform grind.
- Powerful 1/2 hp Motor – Equipped with safety circuit breaker.
| MODEL # | DESCRIPTION | PHASE | VOLTS | AMPS | WIRE | WATTS | HERTZ |
| SLG-10 | Coffee Grinder Single | 1 PH | 120 V | 8.0 A | 2W + G | 960 W | 50/60 Hz |
| EXPORT | |||||||
| SLG-30 | Coffee Grinder Single, Export | 1 PH | 230 V | 8.0 A | 2W + G | 1320 W | 50/60 Hz |
Specifications (Selected Models)
Electrical Supply Requirements
| MODEL # | HEIGHT | WIDTH | DEPTH | SHIP WEIGHT | SHIP CUBE |
| SLG-10 | 20.66” [52.5 cm] | 8.00” [20.3 cm] | 14.52” [36.9 cm] | 42.00 lbs [19.1 kg] | 4.16 cu. ft. [0.12 m3] |
| EXPORT | |||||
| SLG-30 | 20.66” [52.5 cm] | 8.00” [20.3 cm] | 14.52” [36.9 cm] | 42.00 lbs [19.1 kg] | 4.16 cu. ft. [0.12 m3] |
IMPORTANT SAFEGUARDS
Symbols
This is the safety alert symbol. It is used to alert you to potential physical injury hazards. Obey all safety messages that follow this symbol t o avoid possible injury or death.
DANGER – Indicates a hazardous situation that, if not avoided, will result in death or serious injury.
WARNING – Indicates a hazardous situation that, if not avoided, could result in death or serious injury.
CAUTION – Indicates a hazardous situation that, if not avoided, could result in minor or moderate injury.
NOTICE – Indicates a situation that, if not avoided, could result in property damage.
IMPORTANT – Provides information and tips for proper operation.
SANITATION REQUIREMENTS
WARNING – is product can expose you to chemicals including Acrylamide and Bisphenol A (BPA), which are known to the State of California to cause cancer and birth defects or other reproductive harm. For more information visit www.P65Warnings.ca.gov.
Important Safeguards/Conventions
WARNING:
- Make sure that this appliance is installed and grounded according to the INSTALLATION INSTRUCTIONS by qualified personnel before attempting to use it. Failure to follow the INSTALLATION INSTRUCTIONS could result in personal injury or void the warranty.
- This appliance is designed for commercial use. Any service other than cleaning and preventive maintenance should be performed by an authorized Wilbur Curtis service technician.
- To reduce the risk of fire or electric shock: DO NOT open the service panels. There are no user-serviceable parts inside.
- Clean the appliance completely before using it for the first time, according to the CLEANING INSTRUCTIONS. Clean it regularly as instructed in the CLEANING INSTRUCTIONS.
- Use this appliance only for its intended use, grinding coffee.
- This appliance is not intended for use by persons (including children) with reduced physical, sensory or mental capabilities or lack of experience and knowledge unless they have been given supervision or instruction concerning the use of the appliance by a person responsible for their safety. Children should be supervised to ensure that they do not play with the appliance.
- Avoid spillage onto the power (mains) connector.
CE Requirements
- This appliance must be installed in locations where it can be overseen by trained personnel.
- For proper operation, this appliance must be installed where the temperature is between 5°C to 35°C.
- This appliance is not suitable for outdoor use.
- The appliance shall not be tilted more than 10° for safe operation.
- An electrician must provide electrical service as specified in conformance with all local and national codes. For safe use, an all-pole disconnection must be incorporated into the fixed wiring in accordance with the wiring rules outlined in clause 7.12.2 of IEC 60335 for meeting the minimum electrical safety of this standard.
- This appliance must not be cleaned by a water jet.
- This appliance can be used by persons aged 18 years and above if they have been given supervision or instruction concerning the use of the appliance in a safe way and if they understand the hazards involved.
- Keep the appliance and its cord out of reach of children aged less than 18 years.
- Appliances can be used by persons 18 years and above with reduced physical, sensory or mental capabilities or lack of experience and knowledge if they have been given supervision or instruction concerning the use of the appliance in a safe way and understand the hazards involved.
- Children under the age of 18 years should be supervised to ensure they do not play with the appliance.
- If the power cord is ever damaged, it must be replaced by the manufacturer or authorized service personnel with a special cord available from the manufacturer or its authorized service personnel in order to avoid a hazard.
- The machine must not be immersed for cleaning.
- Cleaning and user maintenance shall not be made by children unless they are older than 18 years and supervised.
- This appliance is intended to be used in households and similar applications such as:
— staff kitchen areas in shops, offices, and other working environments;
— by clients in hotels, motels, and other residential type environments;
— bed and breakfast type environments. - This appliance is not intended to be used in applications such as:
— farmhouses - Access to the service areas is permitted by Authorized Service personnel only.
- The A-Weighted sound pressure level is below 70 dBA.
INSTALLATION INSTRUCTIONS
WARNING: Installation is to be performed only by a qualified installer.
WARNING: Improper electrical connection may result in an electric shock hazard. This grinder must be properly grounded.
IMPORTANT: Observe all governing codes and ordinances.
Installation Instructions
Installation Requirements
- A secure surface capable of supporting the weight of the appliance.
- For units without an attached cord set Appropriately sized, UL listed, grounding type power cable to meet the electrical specifications for the appliance. If you have questions about the correct cable size and length, consult a qualified installer. If the appliance will be hard-wired to a junction box, the power cable must be long enough so that the unit can be moved for cleaning underneath.
- A grounded electrical connection to an electrical circuit that meets the electrical specifications of the appliance (see SPECIFICATIONS). The circuit must be protected by the appropriate sized circuit breaker. If you are not certain that the existing circuit meets the requirements for your unit, consult a licensed electrician.
Leveling
WARNING: Use the leveling legs to level the grinder only. Do not use them to adjust the grinder height. Do not extend them higher than necessary.
- Position the unit on a level countertop. Level it left to right and front to back by turning the bottom of the legs.
Connecting the Power Plug (units with a pre-installed power cord that with be plugged into a power receptacle) - If not already installed, install the appropriate type of power plug for your locality. Consult local electrical codes to determine the approved type of power plug for your region.
continued…
Connecting the Power Cord to A Junction Box (units with pre-installed power cord, if applicable)
WARNING: Turn off the power to the junction box at the circuit breaker panel before connecting the power cable. Lock out and tag the circuit breaker - If the power cord will be connected directly to the junction box, connect the power cable wires to the terminals in the junction box. See the ELECTRICAL SCHEMATIC for the power supply requirements.
Connect the Power Cable - On units with a power connector on the back panel, connect a C20 IEC power cord (not supplied) compatible with the electrical outlet installed in the facility and that meets specifications.

- Connect the power cord to the appropriate type of electrical outlet.

WARNING: Connect the power cord only to the appropriate type and size of an electrical outlet. If the electrical outlet is not compatible with the power cord, have it upgraded by a licensed electrician. Do not modify the power plug. Do not use an extension cord. Do not use a power cord/plug that is damaged. - Turn on the circuit breaker supplying power to the electrical outlet or junction box.
OPERATING INSTRUCTIONS
The grinder is factory preset for optimal performance.
![]() | ||
| 1. Lift off the hopper lid and pour in whole coffee beans. | 2. Replace the lid. | 3. Place a clean paper filter into the brew basket. |
![]() | ||
| 4. Slide the brew basket all the way back into the brew basket rails. | 5. Push the START button on the front panel. The grinder will start to grind coffee into the brew basket. It will stop at the set volume. | 6. Wait for the grinder motor to stop before removing the brew basket. |
CLEANING INSTRUCTIONS
WARNING: Disconnect the power cord before cleaning.
WARNING: DO NOT immerse the grinder in water or any other liquid. Avoid spilling liquid into the ground housing during cleaning.
NOTICE – Do not use cleaning liquids, compounds, or powders containing chlorine (bleach) or corrosives. These products promote corrosion and will damage the finishes. USE OF THESE PRODUCTS WILL VOID THE WARRANTY.
Cleaning the Grinder – As Needed
The following cleaning process requires a mild solution of dish-washing detergent and warm water, and GRINDZTM Grinder Cleaner Tablets (Curtis PN WC-79002). The grinder cleaner tablets not only clean the grinder mechanism but also eliminate the taste and odor left behind when grinding flavored coffee.
- Disconnect the power cord.
- Brush coffee grounds from the dispensing spout. Wipe off the surrounding area.
- Prepare a mild cleaning solution of dish-washing detergent in warm water. Wipe exterior surfaces with a cloth moistened with the cleaning solution.
- Dry the exterior surfaces with a clean soft cloth. Polish exterior stainless steel surfaces with stainless steel polish.
- With the power cord disconnected, remove the coffee beans from the hopper.
- Plug the power cord into the electrical outlet.
- Place an empty container under the grinder chute and run the grinder until all coffee is purged from the housing.
- Pour 2.5 oz. (75 g.) of grinder cleaner tablets into the hopper.
- Run the grinder until all of the cleaners empty from the chute.
- Re-fill the grinder with fresh, whole bean coffee.
- Run the grinder constantly for 35 seconds to purge the residual cleaner from the mechanism.
ROUGH-IN DRAWINGS
SLG

ILLUSTRATED PARTS/RECOMMENDED PARTS
SLG – Main Chassis – Exploded View

SLG – Main Chassis – Parts List
| ITEM # | PART # | DESCRIPTION |
| 1 | WC-9178 | COVER, HOPPER SLG |
| 2 | WC-38027 | LABEL, SW PANEL SLG |
| 3A | WC-13300¹ | WIRE, HARNESS SLG-10/SHG-10 (NOT SHOWN) |
| 3B | WC-1392² | HARNESS, ASSY SHG-30, SLG-30 (NOT SHOWN, INCLUDES POWER CORD, ITEM 12B) |
| 4 | WC-9169 | HOPPER, COFFEE BEAN SLG |
| 5 | WC-6551 | COVER, FRONT SLG |
| 6* | WC-101 | SWITCH, ON/OFF NON-LIT SPST MOMENTARY 3/6A 250/120V |
| 7* | WC-628 | TIMER, 120/240V .5-60 Secs. SHG/SLG |
| ITEM # | PART # | DESCRIPTION |
| 8A | WC-1408¹ | CORD GRIP, 7/8” O.D. |
| 8B | WC-1419² | CORD GRIP, 13/16” O.D. THREAD, |
| 9 | WC-1504 | BREAKER, CIRCUIT 10A 120/250 VAC |
| 10 | WC-6550 | RAILS, GRINDERS SLG/ISLG/DHG |
| 11* | WC-3502 | LEG, 8-32 STUD SCREW BUMPER |
| 12A | WC-12001 | CORD, 14/3 SJTO 6’ BLK W/PLUG |
| 12B | WC-1203-1022 | CORD, 16A SJT 6’ BLK W/CONNECT ORS GEM- 5N-30 |
| 13 | WC-4426 | SCREW, 8-32×3/8 PH HEAD TRUSS |
* RECOMMENDED PARTS T O STOCK
¹ DOMESTIC UNITS,
² EXPORT UNITS
Grinder Motor Assembly
| ITEM # | PART # | DESCRIPTION |
| 1 | WC-37283* | KIT, GRINDER CHUTE DHG/ILGD/SH |
| 2A | WC-9135 | MOTOR, SLICING GRINDER ASSY 120V SLG/DHG/ ILGD/ILGS/SHG |
| 2B | WC-91062 | MOTOR, SLICING GRNDR ASSY 220V |
| 3 | WC-91026 | CAPACITOR, COFFEE GRINDER ASSY SLG/DHG/ ILGD |
| 4 | WC-91024 | SHEAR, DRIVE COFFEE GRINDER NI+SN PLATING SLG/DHG/ILGD |
| 5 | WC-9107-6* | DISC, SHEAR COFFEE GRINDER 6PK |
| 6A | WC-91015 | SCREW AND THRUST PIN, ADJUSTING ASSY SLG/ DHG/ILGD (NEWER UNITS) |
| 6B | WC-9111 | PIN, THRUST GRINDERS (OLDER UNITS) |
| ITEM # | PART # | DESCRIPTION |
| 7A | WC-91050 | BURR, COMPLETE SET SLICING (NEWER UNITS) |
| 7B | WC-91045 | BURR, SET CRUSH HIGH FLOW ILGD /TL-ILGD STATIONARY/REVOLVING (OLDER UNITS) |
| 8 | WC-91021 | SPRING, TENSION COFFEE GRINDER SLG/DHG/ ILGD |
| 9A | WC-91051 | FEEDWORM, SLICING GSG (NEWER UNITS) |
| 9B | WC-91020 | WORM, FEEDING ASSY SLG/DHG/ILGD CHUNG SUK (OLDER UNITS) |
“Recommended parts to stock
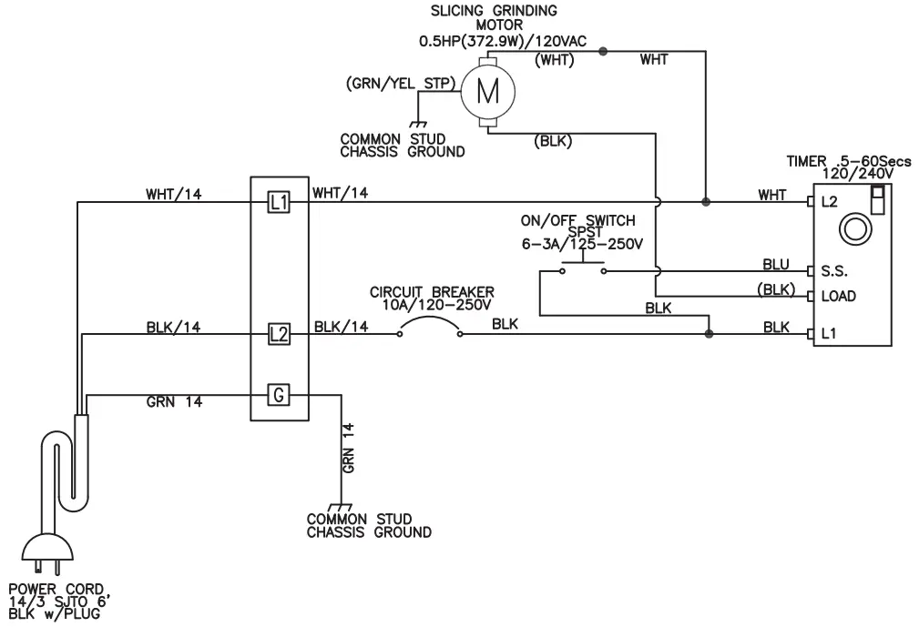
ELECTRICAL SCHEMATICS

| ELECTRICAL RATING TABLE | ||||
| Model | Voltage V | Amps A | Hertz Hz | # of Conductor Wires |
| SHG-10 | 120 | 8.0 | 50/60 | 2 |
| SLG-10 | 120 | 8.0 | 50/60 | 2 |
- ALL WIRES SHALL BE MIN 18AWG PVC PER UL1015. NOTES: UNLESS OTHERWISE SPECIFIED.
- USE THIS DIAGRAM FOR ALL OTHER MODELS WITH ADDED PREFIX LETTERS AND/OR SUFFIX NUMBERS ON THEIR PART NUMBERS HAVING THE SAME ELECTRICAL RATINGS.
| VOLTAGE: | SEE TABLE | WIRE DIAGRAM | |
| WATTAGE: | SEE TABLE | ||
| AMPERAGE: | SEE TABLE | ||
| HERTZ: | SEE TABLE | ||
| WIRES. | 2W+G | ||
| PART NUMBER WD SHG 1 0 | REVISION: E | ||
| PHASE: | 1-PH | ||
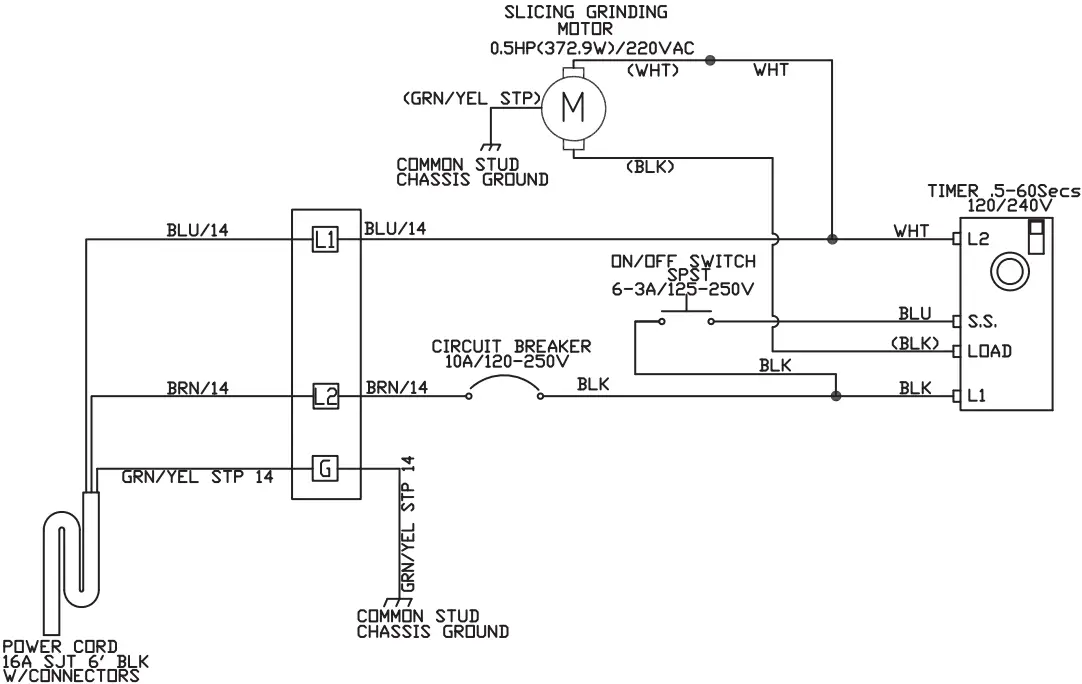
INCOMING POWER
220-240Vac IPH
2W+G 50/60 Hz 
| ELECTRICAL RATING TABLE | |||||
| PART # | Model # | Voltage V | Amps A | Hertz Hz | # of Conductor Wires |
| WD-SHG-30 | SHG-30 | 220 | 8.0 | 50/60 | 2 |
| 230 | 9. | ||||
| 240 | 10. | ||||
| WD-SLG-30 | SLG-30 | 220 | 8.0 | ||
| 230 | 9. | ||||
| 240 | 10. | ||||
| VOLTAGE: | SEE TABLE | WIRE DIAGRAM | |
| WATTAGE: | SEE TABLE | ||
| AMPERAGE: | SEE TABLE | ||
| HERTZ: | SEE TABLE | ||
| WIRES. | 2W+G | ||
| PART NUMBER SEE TABLE | REVISION: D | ||
| PHASE: | 1-PH | ||
- ALL WIRES SHALL BE MIN 18AWG PVC PER UL1015. NOTES! UNLESS OTHERWISE SPECIFIED.
- USE THIS DIAGRAM FOR ALL OTHER MODELS WITH ADDED PREFIX LETTERS AND/OR SUFFIX NUMBERS ON THEIR PART NUMBERS HAVING THE SAME ELECTRICAL RATINGS.
TROUBLESHOOTING GUIDE
WARNING: Electric Shock Hazard – the procedures in this TROUBLESHOOTING GUIDE are to be performed only by a qualified service technician. Disconnect power when replacing components. Neither Wilbur Curtis Co., Inc. nor the seller can be held responsible for the interpretation of this information, or any liability in connection with its use.
Troubleshooting Guidelines
- This troubleshooting guide identifies some, but not all, of the possible causes for common problems that can occur.
- Use this troubleshooting guide along with the appropriate ELECTRICAL SCHEMATIC.
Grinder Does Not Grind Coffee – Motor Does Not Run
- Check to make sure that the power cord is connected and that the circuit breaker connected to the electrical outlet is not off or tripped.
- Check the circuit breaker on the back of the unit. Push in on the button to reset. If the button pops back out when you try to start the grinder, check for electrical shorts inside the unit, for example, a shorted motor.
- Check for power in the timer module. If it is not getting power, trace backward from the timer module to the power cord using the ELECTRICAL SCHEMATIC to find the wire or component that is preventing the timer from getting power.
- If the timer is getting power, press the start switch and check for power across the LOAD and L2 terminals. If there is power out of the timer, go to step 6.
- If there is power in the timer, but no power out when the start switch is pressed, check the start switch and switch wiring harness. If the switch and wiring harness are OK, replace the timer.
- If there is power across the timer LOAD and L2 terminals when the start switch is pressed, check for power at the input terminals of the motor. If there is power at the input terminals of the motor, but it does not run, either the motor capacitor or the motor itself is defective.
Grinder Does Not Grind Coffee – Motor Runs
- Disconnect power and check to make sure the funnel-feeding beans into the grinder are not clogged/jammed.
- Check for a broken shear disk. See Replacing a Broken Shear Disk.
Coffee Too Course or Too Fine
- Disconnect power and check to make sure the grinder motor housing cover is straight and properly seated.
- Try adjusting the grinding burrs. See Grinder Adjustment Procedure. If adjusting the grinding burrs does not work, the grinding burrs may be worn and require replacement.
Grinder Shuts Off Before Brew Basket Is Filled
To adjust the volume of coffee ground, see Setting the Timer
Setting the Timer
WARNING: Electric Shock Hazard – Turn off power while removing and replacing the timer cover. Keep hands, other body parts, and tools clear of electrical wiring during the following procedures.
- Take off the timer cover, located behind the hopper, on top of the unit. The timer is found inside the cover.
- The timer controls are a HIGH/LOW switch and a dial with a corresponding scale. The switch allows you to select the inner or outer scale on the dial. The outer scale range is 1/2 second through 15 seconds. The inner scale range is 2 seconds to 60 seconds.
- Test a new adjustment by grinding some coffee. When the results are satisfactory, reinstall the timer cover.

Seconds Ounces (Estimated) Seconds Ounces (Estimated) 4 1.0 15 3.8 5 1.3 20 5.0 6 1.5 25 6.3 7 1.8 29 7.5 8 2.0 34 8.8 10 2.5 39 10.0 12 3.0 43 11.3 TIMER SETTINGS
IMPORTANT: Use the above time settings as a general guide. Actual amounts will vary with the grinding burr setting and the specific coffee variety used. After changing the timer, weigh the output, then make adjustments if necessary
Grinder Adjustment Procedure
WARNING: Electric Shock Hazard – Turn off power while removing and replacing the front cover. Keep hands, other body parts, and tools clear of electrical wiring during the following procedures.
The grinder can be adjusted to make the ground coffee finer or more coarse. Adjusting the grinder may affect the output volume. To compensate, adjust the timer (see Setting the Timer). 
- Remove the coffee beans from the hopper.
- Run the grinder to clear the grinding burrs of remaining coffee.
- Disconnect the power cord.
- Remove the front cover.
- Locate the adjusting screw and lock nut on the front of the grinder motor. Loosen the lock nut (1).
- Run the motor during adjustment, turning the adjustment screw (2) clockwise will result in a finer grind. If you hear the grinding burrs starting to touch, immediately, back off 1/8th turn. Turning the screw counterclockwise will produce a coarser grind.
- To lock in the setting, hold the adjustment screw in place with a screwdriver and tighten the lock nut.
- Grind some coffee beans to determine if the desired fineness/coarseness has been achieved.
- Disconnect the power cord and replace the front cover.
Replacing a Broken Shear Disk

- Remove the coffee beans from the hopper.
- Disconnect the power cord.
- Remove the front cover.
- On the grind motor assembly, take out the two thumb screws and remove the housing cover.
- Pull out the grinding burr/feed worm assembly. The inner half of the grinding burrs will remain within the housing.
- Separate the shear cap and shear drive. The broken shear disk should fall out from the slot on the drive.
- Inspect the housing and clean out any coffee or debris. Look for something that could have gotten caught inside the housing that would have caused the shear disk to break.
- Re-insert the feed worm and grinding burr on the motor shaft.
- Push the shear to drive through the burr/feed worm assembly and align the large slot with the tongue on the motor shaft.
- Rotate the burr/feed worm assembly to align the slot with the narrow slot on the shear drive.
- Slip a new shear disk into the slot. Cover it with the shear cap.
- Replace the grind cap and thumb screws.
- Replace the front cover.
- Reconnect the power cord.
PRODUCT WARRANTY
Wilbur Curtis Co., Inc. certifies that its products are free from defects in material and workmanship under normal use. The following limited
warranties and conditions apply:
3 years, parts and labor, from the original date of purchase on digital control boards
2 years, parts, from the original date of purchase on all other electrical components, fittings, and tubing
1 year, of labor, from the original date of purchase on all other electrical components, fittings, and tubing
Additionally, Wilbur Curtis Co., Inc. warrants its grinding burrs for four (4) years from the date of purchase. Stainless steel components are warranted for two (2) years from the date of purchase against leaking or pitting. Replacement parts are warranted for ninety (90) days from the date of purchase or for the remainder of the limited warranty period of the equipment in which the component is installed.
All in-warranty service calls must have prior authorization. For authorization, call the Technical Support Department at 800-995-0417.
Additional conditions may apply. Go to www.wilburcurtis.com to view the full product warranty information.
CONDITIONS & EXCEPTIONS
The warranty covers the original equipment at the time of purchase only. Wilbur Curtis Co., Inc., assumes no responsibility for substitute replacement parts installed on Curtis equipment that has not been purchased from Wilbur Curtis Co., Inc. Wilbur Curtis Co., Inc. will not accept any responsibility if the following conditions are not met. The warranty does not cover:
- Adjustments and cleaning: The resetting of safety thermostats and circuit breakers, programming, and temperature adjustments are the responsibility of the equipment owner. The owner is responsible for proper cleaning and regular maintenance of this equipment.
- Replacement of items subject to normal use and wear: This shall include, but is not limited to, spray heads, faucets, light bulbs, shear disks, “O” rings, gaskets, silicone tubing, silicone elbows, canister assemblies, whipper chambers, and plates, mixing bowls, agitation assemblies, and whipper propellers.
The warranty is void under the following circumstances:
- Improper operation of equipment: The equipment must be used for its designed and intended purpose and function.
- Improper installation of equipment: This equipment must be installed by a professional technician and must comply with all local electrical, mechanical, and plumbing codes.
- Improper voltage: Equipment must be installed at the voltage stated on the serial plate supplied with this equipment.
- Improper water supply: This includes, but is not limited to, excessive or low water pressure and inadequate or fluctuating water flow rate.
- Damaged in transit: Equipment damaged in transit is the responsibility of the freight company and a claim should be made with the carrier.
- Abuse or neglect (including failure to periodically clean or remove lime accumulations): The manufacturer is not responsible for variation in equipment operation due to excessive lime or local water conditions. The equipment must be maintained according to the manufacturer’s recommendations.
- Unauthorized repair or modification: This equipment must be serviced only by qualified service technicians, using factory-specified pads to factory specifications.
- Modified/Missing Serial Tag: The serial number label (tag) must not be defaced or removed.
Repairs and/or Replacements are subject to Curtis’ decision that the workmanship or parts were faulty and the defects showed up under normal use. All labor shall be performed during regular working hours. Overtime charges are the responsibility of the owner. Charges incurred by delays, waiting time, or operating restrictions that hinder the service technician’s ability to perform service are the responsibility of the owner of the equipment. This includes institutional and correctional facilities. Wilbur Curtis Co., Inc. will allow up to 100 miles, round trip, per in-warranty service call.
Return Merchandise Authorization (RMA): All claims under this warranty must be submitted to the Wilbur Curtis Technical Support Department prior to performing any repair work or return of this equipment to the factory. All returned equipment must be properly re-packaged in the original carton and received by Curtis within 45 days following the issuance of an RMA. No units will be accepted if they are damaged in transit due to improper packaging. NO UNITS OR PARTS WILL BE ACCEPTED WITHOUT A RETURN MERCHANDISE AUTHORIZATION (RMA). THE RMA NUMBER MUST BE MARKED ON THE CARTON OR SHIPPING LABEL. All warranty claims must be submitted within 60 days of service. Invoices will not be processed or accepted without an RMA number. Any defective parts must be returned in order for warranty invoices to be processed and approved. All in-warranty service calls must be performed by an authorized service agent. Call the Wilbur Curtis Technical Support Department to find an agent near you.
Contact Information
Wilbur Curtis Co., Inc.
6913 Acco Street | Montebello, CA 90640 US
Phone: 323-837-2300
Toll-Free: 800-421-6150
Email: [email protected]
Web: www.wilburcurtis.com
A.M. – 4:00 P.M. PT
Email: [email protected]
030818NC
F-10048 rev
Connecting the Power Plug (units with a pre-installed power cord that with be plugged into a power receptacle)
Connecting the Power Cord to A Junction Box (units with pre-installed power cord, if applicable)
Connect the Power Cable






















