GSG-3BLK GSG Series Automatic Coffee Grinder
User Guide
See the brewer user guide for brewing instructions
READ AND SAVE THESE INSTRUCTIONS
NOTICE TO INSTALLER: Please leave this booklet with the machine.
IMPORTANT SAFEGUARDS
Symbols
This is the safety alert symbol. It is used to alert you to potential physical injury hazards. Obey all safety messages that follow this symbol to avoid possible injury or death.
DANGER – Indicates a hazardous situation that, if not avoided, will result in death or serious injury.
WARNING – Indicates a hazardous situation that, if not avoided, could result in death or serious injury.
CAUTION – Indicates a hazardous situation that, if not avoided, could result in minor or moderate injury.
NOTICE – Indicates a situation which, if not avoided, could result in property damage.
IMPORTANT – Provides information and tips for proper operation.
SANITATION REQUIREMENTS
WARNING – This product can expose you to chemicals including Acrylamide and Bisphenol A (BPA), which are known to the State of California to cause cancer and birth defects or other reproductive harm. For more information visit www.P65Warnings.ca.gov.
Important Safeguards/Conventions
WARNING:
- Make sure that this unit is connected to a grounded electrical circuit when in use.
- This unit is designed for commercial use. Any service other than cleaning and preventive maintenance should be performed by an authorized Wilbur Curtis service technician.
- Keep hands, arms, and other items away from hot surfaces during operation.
- This appliance is not intended for use by persons (including children) with reduced physical, sensory or mental capabilities or lack of experience and knowledge unless they have been given supervision or instruction concerning the use of the appliance by a person responsible for their safety. Children should be supervised to ensure that they do not play with the appliance.
- Avoid spillage onto the power (mains) connector.
CE Requirements
- This appliance must be installed in locations where it can be overseen by trained personnel.
- This appliance is not suitable for outdoor use.
- This appliance must not be cleaned by a water jet.
- This appliance can be used by persons aged 18 years and above if they have been given supervision or instruction concerning the use of the appliance in a safe way and if they understand the hazards involved.
- Keep the appliance and its cord out of reach of children aged less than 18 years.
- Appliances can be used by persons 18 years and above with reduced physical, sensory or mental capabilities or lack of experience and knowledge if they have been given supervision or instruction concerning the use of the appliance in a safe way and understand the hazards involved.
- Children under the age of 18 years should be supervised to ensure they do not play with the appliance.
- If the power cord is ever damaged, it must be replaced by the manufacturer or authorized service personnel with a special cord available from the manufacturer or its authorized service personnel in order to avoid a hazard.
- The machine must not be immersed for cleaning.
- Cleaning and user maintenance shall not be made by children unless they are older than 18 years and supervised.
- This appliance is intended to be used in households and similar applications such as:
– bed and breakfast type environments. - This appliance is not intended to be used in applications such as:
– farmhouses
CLEANING INSTRUCTIONS
WARNING: HOT SURFACES – To avoid injury, allow the satellite stand to cool before cleaning.
NOTICE – Do not use cleaning liquids, compounds, or powders containing chlorine (bleach) or corrosive. USE OF THESE PRODUCTS WILL VOID THE WARRANTY.
Cleaning the Satellite Stand – As Needed
WARNING: DO NOT immerse the satellite stand in water or any other liquid. Do not allow liquids to get into the Intellifresh® connector during cleaning. To avoid an electric shock hazard, disconnect the power.
- Disconnect the power cord or turn off power to the circuit supplying power at the circuit breaker panel.
- Remove the satellite(s). Wipe exterior surfaces with a damp cloth to remove spills and debris. Dry with a soft clean cloth.
- Once dry, reconnect power.
ROUGH-IN DRAWINGS

GEM5XN – Exploded View

Parts List
| ITEM | PARTS | DESCRIPTION |
| 1 | WC 38535 | LABEL, SLIDE CONTAINER TO CONTACT BACK PANEL |
| 2 | WC-38504 | LABEL, WARNING SHOCK HAZARD |
| 3 | WC-571 K-R | KIT, IF CONNECTOR- RIGHT |
| 4 | WC-61307 | HOLDER, CONNECTOR FEMALE GEMTIF |
| 5 | WC-390611 | LABEL, FRONT GEM5XN CURTIS |
| 6 | WC-13425-101 | ADAPTER ASSY, IF CONNECTORS (NOT SHOWN) |
| 7 | WC-165 | SWITCH, WARMER (RED) 120V SPST 20A/250V |
| 7A 8 | WC-166 WC-1408 | SWITCH, WARMER (RED) 250V SPST 20A/250V CORD GRIP, 7/8″ O.D. |
| 8A | WC-1522 | SOCKET, POWER INLET 16A/250V |
| 9 | WC-13435 | HARNESS ASSY, COMPLETE GEM5IFT |
| 9A | WC-13458-105 | HARNESS ASSY, COMPLETE GEM5)(TIFT30 |
| 10 | WC-1200 | CORD, 14/3 SJTO 6′ BLK W/PLUG |
| 11 | WC-3533 | BUMPER, RUBBER 1″ DIA |
| 12 | WC-3540 | LEG, 1-1/2″ NON-ADJUSTABLE 3/8-16 THRD 1-5/8″ DIA. |
| 13 | WC-38631 | LABEL, USE ONLY GEM3XIFT |
| 14 | WC-38149 | LABEL, UNIVERSAL WARNING (NOT SHOWN) |
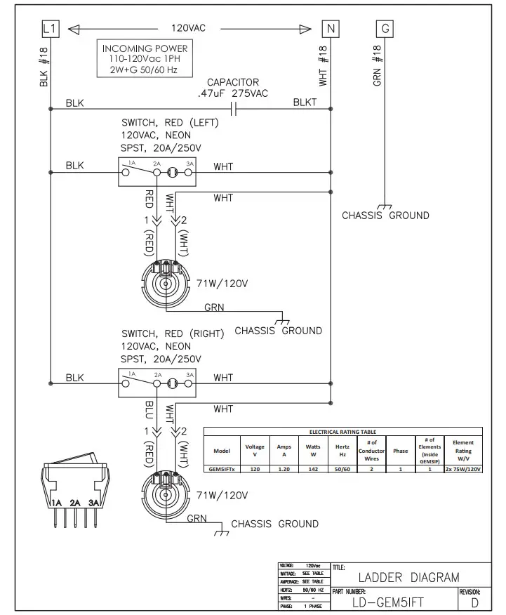
ELECTRICAL SCHEMATICS
GEM5IFT, GEM5XTIFT

GEM5XTIFT30

PRODUCT WARRANTY
Wilbur Curtis Co., Inc. certifies that its products are free from defects in material and workmanship under normal use The following limited warranties and conditions apply 3 years, parts and labor, from the original date of purchase on digital control boards 2 years, parts, from the original date of purchase on all other electrical components, fittings and tubing 1 year, labor, from the original date of purchase on all other electrical components, fittings and tubing Additionally, Wilbur Curtis Co., Inc. warrants its grinding burrs for four (4) years from the date of purchase. Stainless steel components are warranted for two (2) years from the date of purchase against leaking or pitting. Replacement parts are warranted for ninety (90) days from the date of purchase or for the remainder of the limited warranty period of the equipment in which the component is installed.
All in-warranty service calls must have prior authorization. For authorization, call the Technical Support Department at 800-995-0417. Additional conditions may apply. Go to www.wilburcurtis.com to view the full product warranty information.
CONDITIONS & EXCEPTIONS
The warranty covers the original equipment at the time of purchase only. Wilbur Curtis Co., Inc., assumes no responsibility for substitute replacement parts installed on Curtis equipment that has not been purchased from Wilbur Curtis Co., Inc. Wilbur Curtis Co., Inc. will not accept any responsibility if the following conditions are not met. The warranty does not cover:
- Adjustments and cleaning: The resetting of safety thermostats and circuit breakers, programming, and temperature adjustments are the responsibility of the equipment owner. The owner is responsible for proper cleaning and regular maintenance of this equipment.
- Replacement of items subject to normal use and wear: This shall include but is not limited to, spray heads, faucets, light bulbs, shear disks, “0” rings, gaskets, silicone tubing, silicone elbows, canister assemblies, whipper chambers, and plates, mixing bowls, agitation assemblies, and whipper propellers.
The warranty is void under the following circumstances:
- Improper operation of equipment: The equipment must be used for its designed and intended purpose and function.
- Improper installation of equipment: This equipment must be installed by a professional technician and must comply with all local elec mechanical and plumbing codes.
- Improper voltage: Equipment must be installed at the voltage stated on the serial plate supplied with this equipment
- Improper water supply: This includes, but is not limited to, excessive or low water pressure and inadequate or fluctuating water flow rate.
- Damaged in transit: Equipment damaged in transit is the responsibility of the freight company and a claim should be made with the carrier.
- Abuse or neglect (including failure to periodically clean or remove lime accumulations): The manufacturer is not responsible for variation in equipment operation due to excessive lime or local water conditions. The equipment must be maintained according to the manufacturer’s recommendations.
- Unauthorized repair or modification: This equipment must be serviced only by qualified service technicians, using factory-specified parts to factory specifications.
- Modified/Missing Serial Tag: The serial number label (tag) must not be defaced or removed.
Repairs and/or Replacements are subject to Curtis’ decision that the workmanship or parts were faulty and the defects showed up under normal use All labor shall be performed during regular working hours. Overtime charges are the responsibility of the owner. Charges incurred by delays, waiting time, or operating restrictions that hinder the service technician’s ability to perform service is the responsibility of the owner of the equipment. This includes institutional and correctional facilities. Wilbur Curtis Co., Inc. will allow up to 100 miles, round trip, per in-warranty service call.
Return Merchandise Authorization (RMA): All claims under this warranty must be submitted to the Wilbur Curtis Technical Support Department prior to performing any repair work or return of this equipment to the factory. All returned equipment must be properly re-packaged in the original carton and received by Curtis within 45 days following the issuance of an RMA. No units will be accepted if they are damaged in transit due to improper packaging. NO UNITS OR PARTS WILL BE ACCEPTED WITHOUT A RETURN MERCHANDISE AUTHORIZATION (RMA). THE RMA NUMBER MUST BE MARKED ON THE CARTON OR SHIPPING LABEL. All warranty claims must be submitted within 60 days of service. Invoices will not be processed or accepted without an RMA number. Any defective parts must be returned in order for warranty invoices to be processed and approved. All in-warranty service calls must be performed by an authorized service agent. Call the Wilbur Curtis Technical Support Department to find an agent near you.
Contact Information
Wilbur Curtis Co., Inc.
6913 Acco Street | Montebello, CA 90640 US
Phone: 323-837-2300 | Toll Free: 800-421-6150
Email: [email protected] | Web: www.wilburcurtis.com
For the latest speci cations and information go to www.wilburcurtis.com
Toll Free: 800-995-0417 | Monday – Friday 5:30 A.M. – 4:00 P.M. PT
Email: [email protected]


















