GSG Series Automatic Coffee Grinder
Instruction Manual
READ AND SAVE THESE INSTRUCTIONS
NOTICE TO INSTALLER: Please leave this booklet with the machine.
KEY FEATURES/SPECIFICATIONS/SYSTEM REQUIREMENTS
Key Features
- Easy to Use – Fully automatic operation.
- Large grinding Burrs – Provide faster; more efficient operation.
- Highly Accurate and Consistent Throw – For even distribution, dust reduction.
- Constant, uniform grind.
- Powerful 1/2 hp Motor – Equipped with safety circuit breaker.
Specifications (Selected Models)
Electrical Supply Requirements
| MODEL* | DESCRIPTION | PHASE | VOLTS | AMPS | WIRE | WATTS | HERTZ |
| 6SG-3BLK | Coffee Grinder Single | 1 PH | 120 V | 8.0 A | 2W +G | 960 W | 50/60 Hz |
| EXPORT | |||||||
| GSG-3BLK-31 | Coffee Grinder Single. Export | 1 PH | 230 V | 4.0 A | 2W +G | 920 W | 50/60 Hz |
Dimensions
| MODEL # | HEIGHT | WIDTH | DEPTH | SHIP WEIGHT | SHIP CUBE |
| GSG-3BLK | 25.63″ [65.1 cm] | 7.22″ [18.3 cm] | 15.07″ [38.3 cm] | 52.0 lbs [23.6 kg] | 4.36 cu. ft. [0.132m3] |
| EXPORT | |||||
| GSG-3BLK-31 | 25.63″ [65.1 cm] | 7.22″ [18.3 cm] | 15.07″ [38.3 cm] | 52.0 lbs [23.6 kg] | 4.36 cu. ft. [0.132m3] |
IMPORTANT SAFEGUARDS
| This is the safety alert symbol. It is used to alert you to potential physical injury hazards. Obey all safety messages that follow this symbol to avoid possible injury or death. | |
| DANGER – Indicates a hazardous situation which, if not avoided, will result in death or serious injury. | |
| WARNING – Indicates a hazardous situation which, if not avoided, could result in death or serious injury. | |
| CAUTION – Indicates a hazardous situation which, if not avoided, could result in minor or moderate injury | |
| NOTICE – Indicates a situation which, if not avoided, could result in property damage. | |
| IMPORTANT – Provides information and tips for proper operation. | |
| SANITATION REQUIREMENTS |
WARNING – This product can expose you to chemicals including Acrylamide and Bisphenol A (BPA), which are known to the State of California to cause cancer and birth defects or other reproductive harm. For more information visit www.P65Warnings.ca.gov.
Important Safeguards/Conventions
WARNING:
- Make sure that this appliance is installed and grounded according to the INSTALLATION INSTRUCTIONS by qualified personnel before attempting to use it. Failure to follow the INSTALLATION INSTRUCTIONS could result in personal injury or void the warranty
- This appliance is designed for commercial use. Any service other than cleaning and preventive maintenance should be performed by an authorized Wilbur Curtis service technician.
- To reduce the risk of fire or electric shock, DO NOT open the service panels. There are no user serviceable parts inside.
- Clean the appliance completely before using it for the first time, according to the CLEANING INSTRUCTIONS. Clean it regularly as instructed in the CLEANING INSTRUCTIONS.
- Use this appliance only for its intended use, grinding coffee.
- This appliance is not intended for use by persons (including children) with reduced physical, sensory or mental capabilities or lack of experience and knowledge, unless they have been given supervision or instruction concerning use of the appliance by a person responsible for their safety. Children should be supervised to ensure that they do not play with the appliance.
- Avoid spillage onto the power (mains) connector.
CE Requirements
- This appliance must be installed in locations where it can be overseen by trained personnel.
- For proper operation, this appliance must be installed where the temperature is between 5°C to 35°C.
- This appliance is not suitable for outdoor use.
- Appliance shall not be tilted more than 10° for safe operation.
- An electrician must provide electrical service as specified in conformance with all local and national codes. For safe use, an all-pole disconnection must be incorporated into the fixed wiring in accordance with the wiring rules outlined in clause 7.12.2 of IEC 60335 for meeting the minimum electrical safety of this standard.
- This appliance must not be cleaned by water jet.
- This appliance can be used by persons aged from 18 years and above if they have been given supervision or instruction concerning use of the appliance in a safe way and if they understand the hazards involved.
- Keep the appliance and its cord out of reach of children aged less than 18 years.
- Appliances can be used by persons 18 years and above with reduced physical, sensory or mental capabilities or lack of experience and knowledge if they have been given supervision or instruction concerning use of the appliance in a safe way and understand the hazards involved.
- Children under the age of 18 years should be supervised to ensure they do not play with the appliance.
- If the power cord is ever damaged, it must be replaced by the manufacturer or authorized service personnel with a special cord available from the manufacturer or its authorized service personnel in order to avoid a hazard.
- Machine must not be immersed for cleaning.
- Cleaning and user maintenance shall not be made by children unless they are older than 18 years and supervised.
- This appliance is intended to be used in household and similar applications such as:
– staff kitchen areas in shops, offices and other working environments;
– by clients in hotels, motels and other residential type environments;
– bed and breakfast type environments. - This appliance not intended to be used in applications such as:
– farm houses - Access to the service areas permitted by Authorized Service personnel only.
- The A-Weighted sound pressure level is below 70 dBA.
INSTALLATION INSTRUCTIONS
WARNING: Installation is to be performed only by a qualified installer.
WARNING: Improper electrical connection may result in an electric shock hazard. This grinder must be properly grounded.
IMPORTANT: Observe all governing codes and ordinances.
Installation Instructions
Installation Requirements
- A secure surface capable of supporting the weight of the appliance.
- For units without an attached cord set: Appropriately sized, UL listed, grounding type power cable to meet the electrical specifications for the appliance. If you have questions about the correct cable size and length, consult a qualified installer. If the appliance will be hard wired to a junction box, the power cable must be long enough so that the unit can be moved for cleaning underneath.
- A grounded electrical connection to an electrical circuit that meets the electrical specifications of the appliance (see SPECIFICATIONS). The circuit must be protected by the appropriate sized circuit breaker. If you are not certain that the existing circuit meets the requirements for your unit, consult a licensed electrician.
Leveling
WARNING: Use the leveling legs to level the grinder only. Do not use them to adjust grinder height. Do not extend them higher than necessary.
- Position the unit on a level counter top. Level it left to right and front to back by turning the bottom of the legs.
Connecting the Power Plug (units with pre-installed power cord that with be plugged into a power receptacle) - If not already installed, install the appropriate type of power plug for your locality. Consult local electrical codes to determine the approved type of power plug for your region.
Connecting the Power Cord to A Junction Box (units with pre-installed power cord, if applicable)
WARNING: Turn off power to the junction box at the circuit breaker panel before connecting the power cable. Lock out and tag the circuit breaker. - If the power cord will be connected directly to the junction box, connect the power cable wires to the terminals in the junction box. See the ELECTRICAL SCHEMATIC for the power supply requirements.
Connect the Power Cable - On units with a power connector on the back panel, connect a C20 IEC power cord (not supplied) compatible with the electrical outlet installed in the facility and that meets specifications.

- Connect the power cord to the appropriate type of electrical outlet.

WARNING: Connect the power cord only to the appropriate type and size electrical outlet. If the electrical outlet is not compatible with the power cord, have it upgraded by a licensed electrician. Do not modify the power plug. Do not use an extension cord. Do not use a power cord/plug that is damaged. - Turn on the circuit breaker supplying power to the electrical outlet or junction box.
OPERATING INSTRUCTIONS
Grinding Coffee
The grinder is factory preset for optimal performance.
![]() | ||
| 1 Turn the selector knob to the desired grind. | 2 Open the hopper lid and fill with fresh, whole coffee beans. | 3 Close the lid. |
![]() | ||
| 4 Place a coffee bag underneath the spout and lift the bag up into it. 5 Press the (green) START bu | tton. The grinder will start to grind coffee into the bag. | 6 When grinding is finished, lower the bag to stop the motor, or press the (red) STOP button. |
Adjusting the Grind Texture
The grinder can be adjusted to make the ground coffee more fine or more course. Adjusting the grinder may affect the output volume, so grinding may take slightly longer or shorter than before.
![]() | ||
| 1 Disconnect the power cord and remove the beans from the hopper. | 2 Turn the selector knob all the way clockwise (ESPRESSO position). | 3 Locate the two set screws, under the selector knob. Use an 1/8th inch hex wench to loosen the screws one turn each. Remove the knob. |
![]() | ||
| 4 Reconnect power and run the grinder. Using a flat blade screwdriver, turn the adjustment screw slowly clockwise until you hear the grinding burrs making a clicking noise, then, back off the screw 1/8th turn (counter-clockwise). | 5 Reinstall the knob (ESPRESSO position).
| |
CLEANING INSTRUCTIONS
WARNING: Disconnect the power cord before cleaning.
WARNING: DO NOT immerse the grinder in water or any other liquid. Avoid spilling liquid into the grind housing during cleaning.
NOTICE – Do not use cleaning liquids, compounds or powders containing chlorine (bleach) or corrosives. These products promote corrosion and will damage the finishes. USE OF THESE PRODUCTS WILL VOID THE WARRANTY.
Cleaning the Grinder – As Needed
The following cleaning process requires a mild solution of dish-washing detergent and warm water, and GRINDZTM Grinder Cleaner Tablets (Curtis PN WC-79002). The grinder cleaner tablets not only clean the grinder mechanism, but also eliminate the taste and odor left behind when grinding flavored coffee.
- Disconnect the power cord.
- Brush coffee grounds from the dispensing spout. Wipe off the surrounding area.
- Prepare a mild cleaning solution of dish-washing detergent in warm water. Wipe exterior surfaces with a cloth moistened with the cleaning solution.
- Dry the exterior surfaces with a clean soft cloth. Polish exterior stainless steel surfaces with stainless steel polish.
- With the power cord disconnected, remove the coffee beans from the hopper.
- Plug the power cord into the electrical outlet.
- Place an empty container under the grinder chute and run the grinder until all coffee is purged from the housing.
- Pour 2.5 oz. (75 g.) of grinder cleaner tablets into the hopper.
- Run the grinder until all of the cleaner empties from the chute.
- Re-fill the grinder with fresh, whole bean coffee.
- Run the grinder constantly for 35 seconds to purge the residual cleaner from the mechanism.
ROUGH-IN DRAWINGS

ILLUSTRATED PARTS/RECOMMENDED PARTS
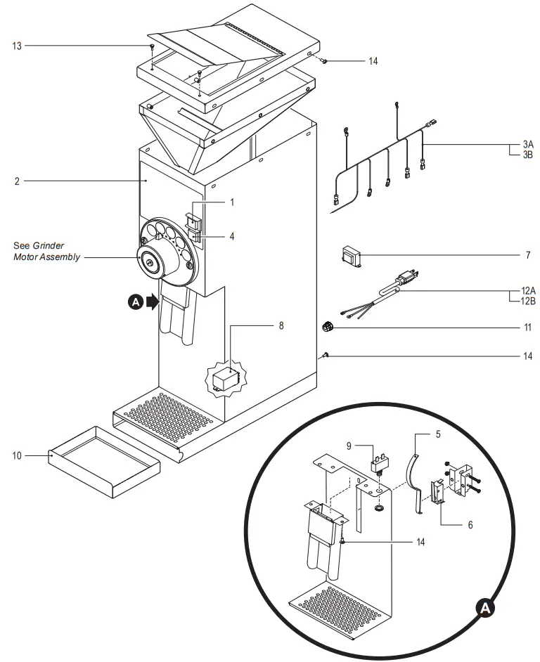
GSG – Main Chassis – Exploded View

ILLUSTRATED PARTS LIST
GSG – Main Chassis – Parts List
| ITEM # | PART # | DESCRIPTION | ITEM # | PART # | DESCRIPTION |
| 1 | WC-149 | SWITCH, PUSHBUTTON (GREEN)120V N.O. | 8 | WC-435 | RELAY, 120V 3POLE 15A USE ON GRINDERS |
| 2 | WC-38036 | LABEL, SW PANEL GSG | 9 | WC-1504 | BREAKER, CIRCUIT 10A 1201250 VAC |
| 3A | WC-13124¹ | HARNESS ASSY GSG-3BLK/RED | 10 | WC-9177 | DRAWER, GSG |
| 3B | WC-13416² | HARNESS ASSY, GSG-31 | 11 | WC-1408 | CORD GRIP, 7/8″ O.D. |
| 4 | WC-150 | SWITCH, PUSHBUTTON (RED) 120V N.O. | 12A | WC-1200¹ | CORD, 14/3 SJTO 6′ BLK W/PLUG |
| 5 | WC-6487 | LEVER, BAG SWITCH GSG | 12B 5N-30 | WC-1203-102² | CORD, 16A SJT 6′ BLK W/CONNECT ORS GEM- |
| 6 | WC-151 | SWITCH, MICRO GSG | 13 | CA-1044 | BUMPER, BUTTON BLACK |
| 7 | WC-7012 | TRANSFORMER, 60VA PRIMARY 208/240/480V SEC 120V | 14 | WC-4426 | SCREW, 8-32×3/8 PH HEAD TRUSS |
¹ DOMESTIC UNITS,
² EXPORT UNITS
Recommended Parts to Stock
| ITEM # | PART # | DESCRIPTION |
| 8 | WC-435 | RELAY, 120V 3POLE 15A USE ON GRINDERS |
Grinder Motor Assembly

Grinder Motor Assembly – Parts List
| ITEM # | PART # | DESCRIPTION | ITEM S | PART # | DESCRIPTION |
| 1 | WC-9170 | COVER, HOUSING | 10 | WC-4826 | SCREW, 10-32 UNFx3/8 L BINDER HEAD CAP SCREW |
| 2A | WC-9135¹ | MOTOR, SLICING GRINDER ASSY 120V SLG/DHG/ ILGD/ILGS/SHG” | 11 | WC-4613 | SCREW, 5/16-18×1″ SLOT PAN HD |
| 2B | WC-91062² | MOTOR, SLICING GRNDR ASSY 220V” | 12 | WC-9175 | SPRING, DETENT |
| 3 | WC-91026 | CAPACITOR, COFFEE GRINDER ASSY SLG/DHG/ ILGD | 13 | WC-9174 | CAP, SPRING DETENT |
| 4 | WC-9109 | DRIVE, SHEAR DHG,SHG,SLG,ILGD | 14 | WC-39045 | LABEL, SELECTOR RING GSG |
| 5 | WC-9107-6* | DISC, SHEAR COFFEE GRINDER 6PK | 15 | WC-9199 | SCREW, ADJUSTING ASSY GSG |
| 6 | WC-39046 | LABEL SELECTOR KNOB GSG | 16 | WC-9172 | RING, DETENT GSG |
| 7 | WC-91050 | BURR, COMPLETE SET SLICING | 17 | WC-4512 | SCREW, 10-32×3/8 PAN HEAD (1000PK) |
| 8 | WC-9106 | SPRING, TENSION COFFEE GRINDER | 18 | WC-4309 | WASHER, #10, FLAT SS .20 ID x .44 OD x .06 THICK |
| 9 | WC-91051 | FEEDWORM, SLICING GSG (INCLUDES ITEM 7) | 19 | WC-9171 | KNOB, SELECTOR |
| 20 | WC-4832 | SCREW, 1/4-20×1″ SET SLOTED SS CUP POINT |
¹ DOMESTIC UNITS,
² EXPORT UNITS
* Recommended parts to stock
** Includes items 3, 4, 5, 7, 8, 9 and 10
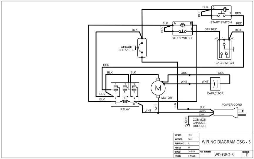
ELECTRICAL SCHEMATICS

- ALL WIRES SHALL BE 18 AWG UL APPROVED APPLIANCE WIRE. NOTES (unless otherwise specified):
- DO NOT CHANGE NOR SUBSTITUTE WIRE COLORS.
- PART NUMBER MAY BE FOLLOWED BY WORD OR LETTER SUFFIXES AFTER THE FIRST DASH AND A SECOND DASH IN ALPHA—NUMERIC FDRM PROVIDED THEY HAVE THE SAME ELECTRICAL SPECIFICATIONS AND RATINGS.
EXAMPLE: GSG-3BLK or GSG-3RED-01
THIS DAIGRAM MAY ALSO BE USED ON OTHER MODELS HAVING THE SAME ELECTRICAL SPECS AND RATINGS WITH DIFFERENT DASH NUMBERS AND FOLLOWED BY ALPHA SUFFIXES. EXAMPLE: GSG-10 or GSG-10BLK or GSG-10RED-01.

- ALL WIRES SHALL BE MIN 18AWG PVC PER ULI015. NOTE& UNLESS OTHERWISE SPECIFIED.
- USE THIS DIAGRAM FOR ALL OTHER MODELS WITH ADDED PREFIX LETTERS AND/OR SUFFIX NUMBERS ON THEIR PART NUMBERS HAVING THE SAME ELECTRICAL RATINGS.
TROUBLESHOOTING GUIDE
WARNING: Electric Shock Hazard – the procedures in this TROUBLESHOOTING GUIDE are to be performed only by a qualified service technician. Disconnect power when replacing components. Neither Wilbur Curtis Co., Inc. nor the seller can be held responsible for the interpretation of this information, or any liability in connection with its use.
Troubleshooting Guidelines
- This troubleshooting guide identifies some, but not all, of the possible causes for common problems that can occur.
- Use this TROUBLESHOOTING GUIDE along with the appropriate ELECTRICAL SCHEMATIC.
Grinder Does Not Grind Coffee – Motor Does Not Run
- Check to make sure that the power cord is connected and that the circuit breaker connected to the electrical outlet is not off or tripped.
- Check the circuit breaker on the back of the unit. Push in on the button to reset. If the button pops back out when you try to start the grinder, check for electrical shorts inside the unit, for example, a shorted motor.
- Check for 120 Vac across pins “B” and “7” on the relay. If the relay is not getting power, trace backwards from the relay to the power cord using the ELECTRIC SCHEMATIC to find the wire or component that is preventing the relay from getting power.
- If the relay is getting power, press the start switch and check for power across relay terminals “B” and “9”. If there is power out of the relay, go to step 6.
- If there is power into the relay, but no power out when the start switch is pressed, check the start switch and switch wiring harness. Also check the bag switch and the stop switch. The stop switch should be normally closed. If it is not, the grinder will not function. If the switches and wiring harness are OK, replace the relay.
- If there is power across relay terminals “B” and “9” when the start switch is press, check for power at the input terminals of the motor. If there is power at the input terminals of the motor, but it does not run, either the motor capacitor or the motor itself is defective.
Grinder Does Not Grind Coffee – Motor Runs
- Disconnect power and check to make sure the funnel feeding beans into the grinder is not clogged/jammed.
- Check for a broken shear disk. See Replacing a Broken Shear Disk on the following page.
Coffee Too Course or Too Fine
- Disconnect power and check to make sure the grinder motor housing cover is on straight and properly seated.
- Try adjusting the grinding burrs. See Adjusting the Grind Texture. in the OPERATING INSTRUCTIONS. If adjusting the grinding burrs does not work, the grinding burrs may be worn and require replacement.
Replacing a Broken Shear Disk
- Unplug the power cord.
- Empty the coffee beans out of the hopper.
- Locate the two set screws, under the selector knob. Using a 1/8th inch hex wench, loosen the screws one turn and remove the knob.
- Remove the housing cover, held in place by two slotted screws.
- Take off the shear cap.
- Pull out the feed worm/burr assembly.
- Remove and discard the broken shear disk.
- Clean out the housing. Look for and remove any debris that may have jambed the burrs, causing the shear disk to break.
- Reinsert the feed worm/burr assembly onto the motor shaft.
- Slide the shear drive through the center hole on the feed worm/burr assembly. The end with the large slot goes in first. Align this slot with the tongue on the motor shaft as you push in the shear drive.
- Rotate feed worm/burr assembly to align the narrow slot with the narrow slot on the shear drive.
- Insert a new shear disk into this slot and cover with the shear cap.
- Clean off the inside surfaces of the housing cover and reinstall it. If the housing cover doesn’t seat properly, the shear drive is probably not aligning with the motor shaft (repeat step 10).
- Plug in the power cord.

PRODUCT WARRANTY
Wilbur Curbs Co., Inc. certifies that its products are free from defects in material and workmanship under normal use. The following limited warranties and conditions apply:
3 years, parts and labor, from original date of purchase on digital control boards
2 years, parts, from original date of purchase on all other electrical components, fittings and tubing
1 year, labor, from original date of purchase on all other electrical components, fittings and tubing
Additionally, Wilbur Curtis Co., Inc. warrants its grinding burrs for four (4) years from the date of purchase. Stainless steel components are warranted for two (2) years from the date of purchase against leaking or pitting. Replacement parts are warranted for ninety (90) days from the date of purchase or for the remainder of the limited warranty period of the equipment in which the component is installed.
All in-warranty service calls must have prior authorization. For authorization, call the Technical Support Department at 800-995-0417. Additional conditions may apply. Go to www.wilburcurtis.com to view the full product warranty information.
CONDITIONS & EXCEPTIONS
The warranty covers original equipment at time of purchase only. Wilbur Curtis Co., Inc., assumes no responsibility for substitute replacement parts installed on Curbs equipment that have not been purchased from Wilbur Curtis Co., Inc. Wilbur Curtis Co., Inc. will not accept any responsibility if the following conditions are not met The warranty does not cover:
- Adjustments and cleaning: The resetting of safety thermostats and circuit breakers, programming and temperature adjustments are the responsibility of the equipment owner. The owner is responsible for proper cleaning and regular maintenance of this equipment.
- Replacement of items subject to normal use and wear: This shall include, but is not limited to, spray heads, faucets, light bulbs, shear disks, “0”rings, gaskets, silicone tubing, silicone elbows, canister assemblies, whipper chambers and plates, mixing bowls, agitation assemblies and whipper propellers.
The warranty is void under the following circumstances:
- Improper operation of equipment: The equipment must be used for its designed and intended purpose and function.
- Improper installation of equipment: This equipment must be installed by a professional technician and must comply with all local elec-trical, mechanical and plumbing codes. • Improper voltage: Equipment must be installed at the voltage stated on the serial plate supplied with this equipment.
- Improper water supply: This includes, but is not limited to, excessive or low water pressure and inadequate or fluctuating water flow rate.
- Damaged in transit: Equipment damaged in transit is the responsbilly of the freight company and a claim should be made with the carrier.
- Abuse or neglect (including failure to periodically clean or remove lime accumulations): The manufacturer is not responsible for variation in equpment operation due to excessive lime or local water conditions. The equipment must be maintained according to the manufacturer’s recommendations.
- Unauthorized repair or modification: This equipment must be serviced ony by qualified service technicians, using factory specified parts to factory specifications.
- Modified/Missing Serial Tag: The serial number label (tag) must not be defaced or removed.
Repairs and/or Replacements are subject to Curtis’ decision that the workmanship or parts were faulty and the defects showed up under normal use. All labor shall be performed during regular working hours. Overtime charges are the responsibility of the owner. Charges incurred by delays, waiting time, or operating restrictions that hinder the service technician’s ability to perform service is the responsibility of the owner of the equipment. This includes institutional and correctional facilities. Wilbur Curtis Co., Inc. will allow up to 100 miles, round trip, per in-warranty service call.
Return Merchandise Authorization (RMA): All claims under this warranty must be submitted to the Wilbur Curtis Technical Support Department prior to performing any repair work or return of this equipment to the factory. All returned equipment must be properly re-packaged in the original carton and received by Curtis within 45 days following the issuance of a RMA. No units will be accepted if they are damaged in transit due to improper packaging. NO UNITS OR PARTS WILL BE ACCEPTED WITHOUT A RETURN MERCHANDISE AUTHORIZATION (RMA). THE RMA NUMBER MUST BE MARKED ON THE CARTON OR SHIPPING LABEL. All warranty claims must be submitted within 60 days of service. Invoices will not be processed or accepted without a RMA number. Any defective parts must be returned in order for warranty invoices to be processed and approved. All in-warranty service calls must be performed by an authorized service agent Call the Wilbur Curtis Technical Support Department to find an agent near you.
Contact Information
Wilbur Curtis Co., Inc.
6913 Acco Street | Montebello, CA 90640 US
Phone: 323-837-2300
Toll Free: 800-421-6150
Email: [email protected]
Web: www.wilburcurtis.com
A.M. – 4:00 P.M. PT
Email: [email protected]
Connecting the Power Plug (units with pre-installed power cord that with be plugged into a power receptacle)
Connecting the Power Cord to A Junction Box (units with pre-installed power cord, if applicable)
Connect the Power Cable
























