NUVO ENERGY NE-GIK-100 Generator Integration Kit

Safety precautions
Installation, wiring, testing and service must be performed in accordance with all local and national electrical codes. Carefully read and follow the safety precautions outlined below.
DANGER HAZARD OF ELECTRIC SHOCK, EXPLOSION, OR ARC FLASH.
- a. Apply appropriate personal protective equipment (PPE) and follow safe electrical work practices. See SANS 10142-1 or applicable local standards.
- b. This equipment must only be installed and serviced by qualified electrical personnel.
- c. Turn off all power supplying this device and the equipment in which it is installed before working on the device or equipment.
- d. Always use a properly rated voltage sensing device to confirm power is off.
- e. Before performing visual inspections, tests, or maintenance on this equipment, disconnect all sources of electric power. Assume that all circuits are live until they have been completely de-energized, tested and tagged. Pay particular attention to the design of the power system. Consider all power supply sources, particularly the potential for backfeed.
- f. Replace all devices, doors and covers before turning on power to this equipment.
- g. Do not exceed the device’s ratings for maximum limits.
WARNING UNINTENDED OPERATION
Do not use the meter for critical control or protection applications where human or equipment safety relies on the operation of the control circuit. Failure to follow these instructions can result in death, serious injury or equipment damage.
WARNING INACCURATE DATA RESULTS
- a. Do not rely solely on data displayed on the front panel or in software to determine if the device is functioning correctly or compliant with all applicable standards.
- b. Do not use data displayed on the front panel or in software as a substitute for proper workplace practices or equipment maintenance.
Failure to follow these instructions can result in death, serious injury or equipment damage.
Overview
NE-GIK-100
The NE-GIK-100 is a PV-plant control and monitoring system that can be used in conjunction with backup generators. The kit is preassembled and wired with all the needed parts to enable control on any standard PV plant installation.
The system is compatible with all popular inverter brands and supports MODBUS RTU and TCP for controlling/monitoring inverters. The control system can implement grid-feed prevention or grid-export setpoints while connected to grid.
The generator integration is agnostic of generator manufacturer. The system uses an energy meter to measure the generator production and adjusting the PV production to enable the generator to run in an optimal condition. The generator integration enables fuel saving by utilizing the PV power to reduce the generator load.
The NE-GIK-100 kit is easy to install and commission and operates autonomously once commissioned.
NE-GIK-100 compatibility
The NE-GIK-100 is compatible with the below list of inverters manufacturers:
- Canadian Solar GS / GI Inverters
- Fronius Inverter – Sunspec
- Huawei SUN2000
- SMA Sunny Tripower and Solid-Q 50
- SolarEdge
- Sungrow SGxxxCX
For any other inverter support, please contact Nuvo Energy to assist with inverter drivers.
Specification
Electrical specification
| Characteristic | Value | |
| Electrical | Voltage Input (Load) | 3P&N, 100-277 V L-N |
| Voltage Input (Genset) | 1P&N, 100-277 V L-N | |
| Frequency | 50 / 60 Hz ±10% | |
| Current Input (CT) | 1A or 5A secondary | |
| Cables | RS-485 connection | Shielded twisted pair |
| Ethernet connection | RJ45 – 10/100Mbs | |
| Terminal cable sizes | Max 6mm2 | |
| Comms | RS485 | Modbus RTU |
| Ethernet 1 (Internet feed) | RJ45 10/100Mbs with DHCP | |
| Ethernet 2 (Inverter Comms) | Modbus TCP inverters only |
Mechanical specification
| Characteristic | Value | |
| Enclosure | Index Protection (IP) | IP65 |
| Description | Wall mount sheet metal enclosure | |
| Colour | RAL2000 (electric orange) | |
| Dimensions (mm) | (H) 550 x (W) 400 x (D) 220 |
Installation
Electrical requirements
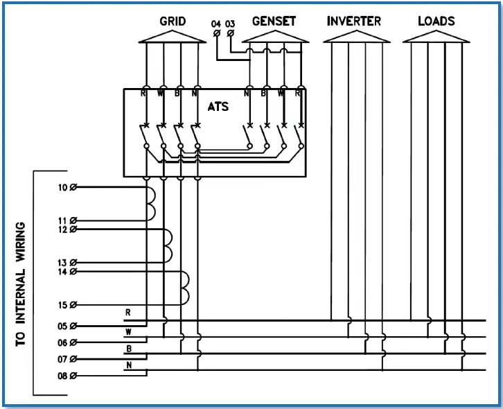
The NE-GIK-100 is designed to be used with the typical commercial generator wiring setup where all loads are connected after the generator/grid ATS (automatic transfer switch). The reason for this is that the energy meter needs to measure the full grid import while grid is connected, or the full generator production while the generator is running. Example diagram of the electrical system layout is shown in Figure 2. For systems that have additional loads that are connected before the ATS an additional energy meter is required. Please contact Nuvo Energy support to assist with the supply and commissioning of such a setup.
Requirements
The installation should be done by a qualified 3-phase electrician. The installation should be done during a power shutdown ensuring that no connection points have active power before starting the installation. Wiring and connections must comply with the national wiring standard for the country of installation.
- 3-phase + neutral voltage tie-in on the load side of the ATS.
- 1-phase + neutral voltage tie-in on the generator side of the ATS to detect generator startup.
- 3x CT’s rated above the maximum current feed from grid or generator. CT secondary should preferably be 5A, alternatively 1A.
- Modbus RTU or TCP communication to the inverters with shielded twisted pair cables. CAT5 or CAT6 shielded cable is preferred.
- Internet connectivity with an ethernet connection for data to be uploaded to the online portal.
- Earth connection.
Surge protection
The NE-GIK-100 does not have surge protection built in. Surge protection equipment should be installed on the client side of the connections to ensure protection against lightning or import surges.
Wiring
- NE-GIK-100 internal wiring

- External wiring location

- Customer wiring terminal descriptions
CUSTOMER WIRING TERMINALS Nr Function Wire Size Details 1 Modbus RTU (RS-485) A Max 6mm2 Remove the supplied 120Ω resistor and place at the end of the RS-485 line 2 Modbus RTU (RS-485) B Max 6mm2 3 Generator Phase-1 Max 6mm2 Voltage detection for generator start-up 4 Generator Neutral Max 6mm2 Neutral relevant to Generator Phase-1 5 Load Phase-1 Max 6mm2 Voltage connection on load side of the ATS 6 Load Phase-2 Max 6mm2 7 Load Phase-3 Max 6mm2 8 Load Neutral Max 6mm2 9 Earth Max 6mm2 System Earth 10 CT S1 (Phase-1) Max 6mm2 CT’s to be placed directly after the ATS and before the Solar tie- in or any loads are connected. 11 CT S2 (Phase-1) Max 6mm2 12 CT S1 (Phase-2) Max 6mm2 13 CT S2 (Phase-2) Max 6mm2 14 CT S1 (Phase-3) Max 6mm2 15 CT S2 (Phase-3) Max 6mm2 - Wiring Notes
- Modbus RTU
Communication from the NE-GIK-100 to any RS-485 inverter is done over an RS-485 Modbus RTU line. The cable used should be a shielded twisted pair cable, shielded CAT5 or shielded CAT6 is recommended. If the cable is exposed to direct sunlight a UV protected cable should be used.
Only use 1-pair of twisted cable for the communication, connecting terminal 1 (RS-485-A) on the first strand of the pair and terminal 2 (RS-485-B) on the second strand of the twisted pair. RS-485 lines should be connected in a daisy chain fashion as shown below, with minimal stub lengths at connection points.
A 120-ohm termination resistor should be connected to the last connection point. The 120-ohm resistor is provided pre-wired on the NE-GIK-100 RS-485 connection point. This resistor should be removed from this point when connecting the communication cable and be moved to the last inverter to be used as the termination resistor at the end of the RS-485 line. A maximum combined cable length for RS-485 communication is 1km under optimal conditions, ideally the combined cable length should not exceed 500m. If external noise exists, the cable shields should be connected to each other and earthed at a single point only. - Modbus TCP
Communication from the NE-GIK-100 to any Modbus TCP inverter is done over an ethernet cable. The cable used should be a shielded twisted pair cable, shielded CAT5 or shielded CAT6 is recommended. If the cable is exposed to direct sunlight a UV protected cable should be used. Plug the one end of the ethernet cable into port2 or port3 of the Mikrotik router inside the NE-GIK-100 kit, and the other end into your inverter. If more than two Modbus TCP inverters need to be connected and the inverters do not have a built in ethernet switch for daisy chain connections, it is recommended to use any standard ethernet switch with sufficient ports to expand the available ports on the router. - Generator Detect
The generator detect cables are wired on terminals 3 and 4. Terminal 3 should be wired to phase-1 of the generator before the transfer switch. Terminal 4 should be wired to the neutral line relating to the connection at terminal 3. No voltage should be measured between terminal 3 and 4 when the generator is off. 220 -240 VAC should be measured between terminals 3 and 4 when the generator is running, regardless of the transfer switch position. Terminal 3 and 4 powers an AC relay coil with a rated coil consumption of 5mA. The relay is in the top left-hand corner of the kit and has an LED indicating the status that can be used to test the generator detect signal. - Load Voltages
Terminals 5 to 8 are used to power the internal electronics and measurement reference voltage for the energy meter. These terminals should be connected to the load side bus bars of the transfer switch and should have voltage measured on them when the grid or generator is active.
The phase voltages connected to terminals 5 to 7 should be connected in the natural phase rotation order, which in most cases would be:- Terminal 5 = Red phase
- Terminal 6 = White phase
- Terminal 7 = Blue phase
- CT connection
Three CT’s are required for current measurement of the import power. The CT’s should be positioned directly after the transfer switch, before any loads are connected or the solar tie-in point. These CT’s should measure total grid import while on grid, or total generator production while on generator.
If the CT’s are in the incorrect position or any loads are connected before the CT’s, the export management and generator management will not operate as it should. Incorrect CT location or connections could result in damage of the generator. The CT’s should be sized according to the maximum possible import current from either the grid or generator. The CT secondary current should be 5A.- The CT connected to terminals 10 and 11 should be measuring the phase current relating to the voltage connection of terminal 5.
- The CT connected to terminals 12 and 13 should be measuring the phase current relating to the voltage connection of terminal 6.
- The CT connected to terminals 14 and 15 should be measuring the phase current relating to the voltage connection of terminal 7.
Please ensure that the CT’s are measuring positive current flow for import power from the grid or generator and that the CT S1 and S2 terminals are correctly wired to the terminals labelled for S1 and S2. For safety reasons, never disconnect the CT wires while current is flowing through the CT.
- Internet supply
The NE-GIK-100 requires an internet connection for data to be uploaded to the relevant online portal. This connection should be a standard LAN ethernet connection with DHCP IP provisioning activated by the host router. The RJ45 ethernet cable should be connected to port 1 on the Mikrotik router, labeled “Internet”.
To test the internet connection the user can connect a computer to an open ethernet port on the Mikrotik router and test for internet on the relevant computer. Alternatively connect to the router Wi-Fi as described in the commissioning process with any phone/tablet/computer and test for an internet while connected to the network.
- Modbus RTU
Inverter installation
Follow the inverter manufacturer guideline during inverter installation. Complete the inverter installation and commissioning procedure as supplied by the manufacturer before commencing with the NE-GIK-100 commissioning procedure.
Commissioning
Pre-commissioning checks
Before commissioning is started the below checklist should be completed to ensure the installation has been done correctly.
| Description | Checked |
| 1. Shielded RS-485 communication cable has been connected in a daisy chain fashion to all inverters as described in the installation procedure. | |
| 2. Termination resistor is installed at the end of the RS-485 line across the A and B terminals. | |
| 3. Generator detect pins have voltage only when the generator is on. (Measure between terminal 3 and 4 for 220-240VAC when the generator is on and 0VAC when the generator is off). | |
| 4. Voltage connections on terminals 5-8 have the correct phase rotation and voltage measurements and measure the correct voltage while grid is connected, or generator is running. | |
| 5. CT’s are connected in the correct phase order, current flow direction as well as S1 and S2 wiring is correct. | |
| 6. All inverters have been installed and commissioned to manufacturer specifications. |
Inverter setup
- Modbus address
All inverters must have a unique Modbus address, preferably starting from 1 for the first inverter and incrementing by 1 for each additional inverter. A maximum of 10 inverters are to be connected where the highest Modbus address will be 10. - Inverter IP
Modbus TCP inverters need to be setup with static IP’s starting from 192.168.160.101 and incrementing the 101 upwards for each inverter up to IP 192.168.160.110 for the 10th inverter.
Power up
Once the wiring is complete, and the inverters have been correctly setup, the system can be powered on. The NE-GIK-100 has only one single-phase circuit breaker that needs to be switched on to power up the control system. Switch this circuit breaker on and ensure that the Wattmon controller, power supply and Mikrotik router LED’s power on.
Ensure that the system stays on while grid supply is active as well as when the generator is supplying the load during grid fail conditions.
CT ratio setup
The CT ratio’s need to be programmed into the supplied meter after the system is connected and powered on. Once the CT ratios have been setup, check that the energy meter measurements are accurate to confirm correct voltage and CT wiring.
Schneider iEM3255 Setup
For a full description on how to setup the iEM3255 energy meter, please refer to the manufacturer user guide (iEM3000 series – Energy Meters – User Manual), currently available at https://www.se.com/uk/en/download/document/DOCA0005EN/
Below follows the basic setup procedure required for the system to operate.
- Enter the iEM3255 config menu:
- a. Press and hold OK and ESC at the same time for about 2 seconds.
- b. Enter the meter password, default password = 0010
- Press the down arrow once to display “CT & VT RATIO” and press OK to enter
- a. Set the CT secondary current value and press OK
- b. Set the CT primary current value and press OK
- Press ESC until “Exit Config” is displayed and press OK to finish.
To confirm the CT ratios are setup correctly, use a current clamp multimeter to measure each phase current and compare to the phase current measured with the energy meter measurements. Also confirm that the Power Factor (PF) is correct. To access these values on the iEM3255 follow the below steps:
- Press the down arrow until “V & I” is displayed and press OK
- a. Press the down arrow to read phase voltage and current values.
- Press the down arrow until “PF & F” is displayed and press OK
- a. Press the down arrow to view PF and Frequency values.
Software configuration
Network connection
Two options are available to connect a computer to the network for the software configuration, an ethernet cable to the router or Wi-Fi.
- Ethernet:
- Connect any standard ethernet/LAN cable to the Mikrotik router on port 2 and your laptop/computer.
- The computer IP assignment should be set to DHCP. Most computers are default on DHCP.
- Wi-Fi:
- Open your computer Wi-Fi menu and connect to the Wi-Fi with name “NE-GIK XXXX”, where the “XXXX” represents the serial number.
- The default password for the network is: GIK12345
- The computer IP assignment should be set to DHCP. Most computers are default on DHCP.
If you have successfully connected your internet connection to port 1 of the Mikrotik router, and connected to the NE-GIK network, your computer should have an internet connection as well, confirming successful connection.
Connecting to the Wattmon
After successfully connecting to the network follow the below steps to connect to the Wattmon:
- Open a browser on your computer, preferably Chrome or Firefox.
- Type the Wattmon IP in the address bar and press Enter: 192.168.160.55
- Login to the Wattmon with the below credentials:
- a. Username: wattmon
- b. Password: wattmon

- After logging in you should see the below dashboard of the Wattmon.

Setting up the Wattmon
After successfully connecting and logging into the Wattmon follow the below steps to setup the site details:
- On the menu in the upper left corner, select “Wattmon” and then “EZConfig Lite”.

- You should now see the below screen with the default setup displayed.

- By default, the setup has 1x 110kW Sungrow inverter added, with the control settings for grid-feed prevention and a standard generator spinning reserve of 140kW for the generator.
- Inverter settings:
- a. Start by selecting your inverter type from the dropdown menu under the device.
- b. Set the Bus option to Modbus RTU or TCP depending on the inverter type. i. Modbus TCP channel1 should be used for the first inverter on IP 192.168.160.101 and each inverter thereafter should use the next channel and IP up to channel10
- c. Some TCP inverters only work on specific modbus addresses, adjust the modbus address if required.
- d. Set the kW rating of the inverter.
- e. If you have more than 1 inverter, click on the “ADD INVERTER” button to add more inverters and repeat the steps above for each.
- f. If by accident too many inverters are added, click “ACTION” on the last inverter and select “Delete”
- Power meter setup:
- a. The power meter section sets the import control setpoints for the system. The “At Incomer” setpoints are applied when the system is running on grid and the “At Genset” setpoints are applied when the system is running on the generator.
- b. Grid connection setpoints, “At Incomer”:
- If grid-feed prevention (no export of excess solar) is required, the standard “At Incomer” settings of “Min kW” = 0 and “Max kW” = 4 can be used. This will keep the import power between 0kW and 4kW if sufficient solar is available to carry the full load.
- If export of excess solar is allowed, set, “At Incomer” “Min kW” to a negative value equal to the maximum allowed export and set “Max kW” 5kW more than “Min kW”. For example if 100kW of excess solar may be exported while on grid, set “Min kW” = -100 and “Max kW” = -95.
- c. Generator connection setpoints, “At Genset”:
- The recommended setpoint for a typical diesel generator is 30% of the maximum capacity of the generator to enable the generator to run at a spinning reserve of 30% and reduce carbon buildup. Please consult your generator manufacturer to confirm the required spinning reserve of the generator.
- Set the “At Genset” “Min kW” value to the generator spinning reserve, as calculated above or given by the manufacturer. If “Min kW” is below 100kW set the “Max kW” 10kW higher than the “Min kW” value. For “Min kW” values above 100kW, set the “Max kW” 20kW higher than the “Min kW” value.
- Example generator setpoints: For a 500kVA generator with a maximum generation capacity of 400kW, a 30% setpoint would be 400kW * 0.3 = 120kW. Set the “At Genset” “Min kW” = 120 and the “Max kW” = 140. This will allow the generator to produce at least 120-140kW of import power before the solar plant is requested to produce power. If the solar plant can carry sufficient excess load the generator will remain within the 120-140kW production setpoint with the solar supplying the balance.
- It is never recommended to have the generator “Min kW” setpoint below 20% of the generator maximum capacity. This could lead to carbon buildup, increasing the risk for generator failure. Additionally, when the setpoints are too low, varying loads could temporarily cause the solar to over produce before reacting to control commands and export power into the generator causing damage to the generator.
- The NE-GIK-100 should never be used as a tool to increase loads above the generator maximum capacity with the assistance of solar. The maximum load should always be less than the generator maximum capacity.
- Once all the settings have been entered and confirmed, click “SAVE AND GENERATE”.
- The generated configuration confirmation screen will appear.

- Click “REBOOT NOW”
- After the device has rebooted, return to the Dashboard to confirm the correct setup.
Confirm and test the configuration
After completing the Wattmon and inverter configuration, follow the below steps to ensure the correct operation of the system. Make sure all inverters are switched on and are operational.
- Return to the Wattmon Dashboard on your computer.
- Scroll down to the “Devices” section at the bottom of the main dashboard.

- Confirm that all devices have a green icon on the left. If a red icon is displayed a communication error exists, refer to the Troubleshooting section to repair the connection.
- Confirm that the energy meter readings are correct.
- a. In the “Devices” section at the bottom of the main dashboard, click on the energy meter name to display live energy meter data. Confirm that the current, voltage and power factor readings are correct.

- a. In the “Devices” section at the bottom of the main dashboard, click on the energy meter name to display live energy meter data. Confirm that the current, voltage and power factor readings are correct.
- Testing the generator control setpoints:
- a. To test the control setpoints the correct working conditions need to be met. There needs to be sufficient solar production to reduce the generator import to the required setpoint. If solar production is not enough or the load is too high for solar production limitation to be implemented, reduce the load to achieve the required conditions. As a rule of thumb, the load should be more than the “At Genset” “Max kW” but less than the “Max kW” + available solar at this time, to accurately test the control setpoints.
- b. Once the above conditions are in place, test the control conditions while connected to grid, simulating a generator start. To do this, press and hold the orange relay button, as displayed below, and view the Wattmon dashboard.

- c. While holding the relay button, view the Wattmon dashboard to confirm that the energy meter changes to the generator position. The solar production should reduce to achieve an import value that is between the “At Genset” “Min kW” and “Max kW” setpoints.
- d. Once you have confirmed the control setpoints are working, release the relay button to return to grid mode.
- e. See below example where the “At Genset” setpoints are set to 80-90kW with a load of 110kW. The solar is reduced to 25% production to achieve the import setpoint.

- f. Next start the generator under a grid loss condition and repeat the above steps to confirm that the inverters correctly syncronise with the generator and the control setpoints are applied correctly while the generator is running.
- Testing the grid control setpoints:
- a. To test the control setpoints the correct working conditions need to be met. There needs to be sufficient solar production to reduce the grid import to the required setpoint. If solar production is too low or the load is too high for solar production limitation to be implemented, reduce the load to achieve the required conditions. As a rule of thumb, the load should be less than the “At Incomer” “Max kW” + possible solar at this time, to accurately test the control setpoints.
- b. Once the above conditions are in place, test the control conditions while connected to grid.
- c. View the Wattmon dashboard to confirm that the energy meter is in the grid position. The solar production should be limited to achieve the import setpoints for grid.
- d. See below example for “At Incomer” setpoints set to 0-4kW.

Commissioning check
| Description | Checked |
| 1. NE-GIK-100 enclosure’s IP65 rating has not been compromised by the installation. | |
| 2. All wires are installed in accordance wiring standards of the applicable country. | |
| 3. The installation is earthed in accordance with the applicable wiring standards. | |
| 4. Communication cables are of the correct standard and installed correctly, as suggested by this manual. | |
| 5. RS-485 120Ω termination resistor is correctly installed at the end of the RS-485 communication bus. | |
| 6. Energy meter readings confirmed to be accurate by measuring and comparing with the meter values. | |
| 7. Inverter sizes correctly set in the software configuration. | |
| 8. Control setpoints correctly set in the software configuration. | |
| 9. Wattmon has communication to all inverters (Green icon in Wattmon dashboard) | |
| 10.Control operation in grid mode working correctly | |
| 11.Control operation in generator mode working correctly with generator supplying the load. | |
| 12.Internet connection tested. |
Site value recording
| Description | Value |
| 1. Commissioning date | |
| 2. Site name | |
| 3. Site address | |
| 4. NE-GIK-100 serial number | |
| 5. Inverter 1 size (kW) | |
| 6. Inverter 2 size (kW) | |
| 7. Inverter 3 size (kW) | |
| 8. Inverter 4 size (kW) | |
| 9. Inverter 5 size (kW) | |
| 10.Inverter 6 size (kW) | |
| 11.Inverter 7 size (kW) | |
| 12.Inverter 8 size (kW) | |
| 13.Inverter 9 size (kW) | |
| 14.Inverter 10 size (kW) | |
| 15.Total PV installed (kWp) | |
| 16.Generator max capacity (kW) | |
| 17.At Incomer – Min kW | |
| 18.At Incomer – Max kW | |
| 19.At Genset – Min kW | |
| 20.At Genset – Max kW |
Cloud Portal
If you would like to use the Nuvo Energy cloud portal to monitor your plant data, go to https://nuvoenergy.app/ and register an account. Once you are logged into your account, go to the “Add Plant” section of the portal and setup your plant with the serial number provided with your kit.
DNP3 (Optional)
NE-GIK-XXX products with the D3 extension on the part number have a DNP3-compatible gateway with software capabilities to interface with a DNP3 Master SCADA system. The DNP3 gateway is preconfigured with a default configuration, however each municipality could have a different DNP3 data requirement which would mean custom configuration of the gateway and software setup. Our team of technicians are available to assist with such a setup.
- DNP3 compatibility
The DNP3 configuration is currently compatible with the City of Cape Town Municipality SSEG Plant DNP3 SCADA INTERFACE as defined by the specification of 2020-11-25 by the City of Cape Town Municipality. Other interfaces will be supported in future when specification are released for relevant municipalities in South Africa. - DNP3 commissioning
As of the composition date of this document CoCT municipality does not have their master SCADA interface online. The DNP3 compatibility is tested on-site by the municipality with a local connection. Once the CoCT system is ready for connection, please contact Nuvo Energy for assistance with the setup to the CoCT master system.
Troubleshooting
Below follow the troubleshooting procedures. If the below does not resolve problems, contact your local supplier for support.
Inverter communication
- Check for a broken RS-485 cable at the relevant points where the communication error exists.
- The most common communication error on the RS-485 bus is that the A and B terminals are swopped. If all inverters have a communication error, swop the RS-485 A and B connection at the NE-GIK-100 connection at terminals 1 and 2. If only some inverters have a communication error, swop the RS-485 A and B connection at the relevant inverter.
- Confirm that the inverter is switched on.
- Confirm that all inverters have the correct addresses setup, duplicate or incorrect address setup will result in a communication error.
- Confirm that the cable used is the correct cable type and that the wiring notes have been taken into consideration as described in the installation section.
- Confirm that the RS-485 cable does not exceed the maximum suggested line length.
- Confirm that the RS-485 line is connected in a daisy chain fashion as described in the wiring section.
Power
- NE-GIK-100 not turning on
- Confirm that the input terminals 5-7 have the correct line voltage to Neutral (terminal 8).
- Confirm that the internal NE-GIK-100 single-phase circuit breaker is turned on.
- Turn off the supply power to the system and test the 5x fuses in the NE-GIK-100 for continuity. If a fuse has blown, first try and find a reason for the failure, thereafter, replace the fuse with the same rating and size fuse. Recommended fuse: 10X38 6A.
- Router not powered
- Check that the router power supply connector is fully inserted, as this could move during harsh shipping conditions.
- Generator mode not entered when the generator starts
- Confirm that input terminal 3 is connected to phase L1 of the generator and input terminal 4 is connected to the generator neutral.
- Confirm that the voltage measured between terminal 3 and 4 is 220-240VAC when the generator is running.
Nuvo Energy support
If you are not able to resolve any issues with the help of your local supplier or need commissioning assistance, please contact us at [email protected].



A 120-ohm termination resistor should be connected to the last connection point. The 120-ohm resistor is provided pre-wired on the NE-GIK-100 RS-485 connection point. This resistor should be removed from this point when connecting the communication cable and be moved to the last inverter to be used as the termination resistor at the end of the RS-485 line. A maximum combined cable length for RS-485 communication is 1km under optimal conditions, ideally the combined cable length should not exceed 500m. If external noise exists, the cable shields should be connected to each other and earthed at a single point only.


























