CRYSTORAMA DAN-406-VG Danielson Six Light Chandelier Instruction Manual
Overview

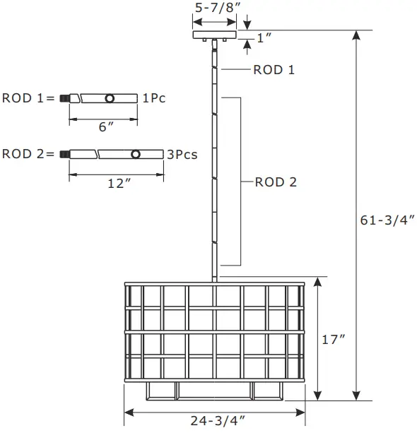
Dimension


Safety Instruction
![]() | ![]() |
| All electrical components must be installed by a licensed electrician in accordance with the National Electric Code and the appropriate local electrical codes. | You will need 6- Candelabra Base Bulb 40 Watts Recommended 60 Watts Max. USE LED BULBS FOR EXTENDED USE This fixture is Dry rated |

How to install
- Slip the center rod assembly along wire and thread onto the nipple located on the top of the light cluster.
- Slide the fabric shade inside the metal frame and secure it with clips.
NOTE: HIDE THE SEAMS OF THE SHADE BY ALIGNING IT WITH A VERTICAL METAL BAR. - Determine the preferred hanging height and adjust the required rods.
- Feed the wires through the rods and connect them together.
- Slip canopy kit along wire and thread it into the top of the rod assembly.
- Install the mounting screws into the matching holes in the mounting bar.
Secure the mounting bar to the outlet box with the outlet box screws. - Raise canopy allowing the mounting screws to protrude through the holes in the canopy, and secure with the ball nut.
- Install the bulbs(not included) into the socket.
WARNING: This product can expose you to Lead which is known to the state of California to cause cancer and/or birth defects or reproductive harm.
For more information go to: www.P65Warnings.ca.gov
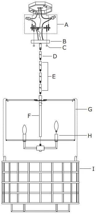
Part Number
- A. (1)-Mounting hardware
- B. (1)-Canopy kit W5-7/8’’xH1’’ #XRF404VGCAN5.875IN
- C. (2)-Ball nut #XRF400VGBANUT
- D. (1)-Rod D5/8’’xL6’’ #XRF404VGROD6IN
- E. (3)-Rod D5/8’’xL12’’ #XRF404VGROD12IN
- F. (1)-Center rod W1/2’’xL9-1/4’’ #XRF406VGSTEM9.25IN
- G. (1)-Fabric shade W24-1/4’’xH13-1/4’’ #XRF406SHA24.25IN
- H. (6)-Candle sleeve W7/8’’xL2-3/8’’
- I. (1)-Metal frame




















