ZIPPER ZI-BES350 Brick Cutting Machine

SAFETY SIGNS
SAFETY SIGNS
DEFINITION OF SYMBOLS
-
CE-Conformal! – This product complies with the EC-directives.
READ THE MANUAL! Read the user and maintenance carefully and get familiar with the con-trols in order to use the machine correctly and to avoid injuries and machine defects.
ATTENTION! Ignoring the safety signs and warnings applied on the machine as well as ignor-ing the security and operating instructions can cause serious injuries and even lead to death.
Stop and pull out the power plug before any break and engine maintenance!
Wear protective equipment!
Beware of dangerous electrical voltage!
Warning of crush injuries!
Hand injuries because of belt drive!
Sawblade rotation direction
Missing or non-readable security stickers have to be replaced immediately.
TECHNICS
Delivery content

| # | Description | Qty. |
| 1 | machine including saw blade and water pump | 1 |
| 5 | user manual | 1 |
Components
| description | description | ||
| 1 | saw blade guard | 10 | saw blade guard at brick carrier cart |
| 2 | motor | 11 | discharge valve |
| 3 | ON switch (machine) | 12 | table feet |
| 4 | AUS Schalter (Maschine ) / OFF switch (machine) | 13 | adjustable foot |
| 5 | Emergency Stop button | 14 | brick carrier cart |
| 6 | ON-OFF switch (water pump) | 15 | frame |
| 7 | saw irrigation valve | 16 | water pump |
| 8 | V-belt cover | 17 | wheel |
| 9 | saw blade |
Technical data
| Specification | |
| voltage | 380 V / 50Hz |
| motor power | 4000 W |
| motor speed | 1450 min-1 |
| saw blade speed | 1450 min-1 |
| saw blade dimension | Ø 600 x 30 x 4.5 (T 36) |
| max. cutting hight | 220 mm |
| max. cutting length | 600 mm |
| max cutting capacity | 600 x 300 x 250 mm |
| motor power water pump | 370 W |
| max. pump rate | 2,1 m3/h |
| brick carrier cart dimensions | 445 x 595 mm |
| V-belt (length, width) | 750 x 17 mm |
| table size | 720 x 1440 mm |
| table hight | 760 mm |
| sound pressure level LPA | 93 dB(A) |
| sound power level LWA | 100 dB(A) |
| weight gross | 210 kg |
| weight net | 185 kg |
| machine dimensions (LxWxH) | 1510 x 850 x 1585 mm |
| packaging dimensions (LxWxH) | 1480 x 780 x 1220 mm |
Dear Customer!
This manual contains information and important notes for safe commissioning and handling of the brick cutting machine ZI-ZSM600, hereinafter referred to as “machine” in this document. This manual is part of the machine and must not be removed. Save it for later reference and if you let other people use the machine, add this manual to the machine.
Please pay special attention to the chapter Safety!
Before first use read this manual carefully. It eases the correct use of the machine and prevents misunderstanding and damages of machine.
Due to the constant further development of our products, illustrations and contents may differ slightly. If you notice any errors, please inform us.
We reserve the right to make technical changes!
Check the goods immediately after receipt and make a note of any complaints on the consignment note when the delivery person takes them over!
Transport damage must be reported separately to us within 24 hours.
ZIPPER MASCHINEN GmbH cannot accept any liability for transport damage not noted.
Copyright © 2022
This documentation is protected by copyright. All rights reserved! In particular the reprint, the translation and the removal of photos and illustrations will be prosecuted.
The place of jurisdiction is the regional court Linz or the court responsible for 4707 Schlüsslberg is valid.
Customer Service Address
Z.I.P.P.E.R MASCHINEN GmbH
AT-4707 Schlüsslberg, Gewerbepark 8 Tel 0043 (0) 7248 61116 – 700
[email protected]
SAFETY
This section contains information and important notes on the safe commissioning and handling of the machine.
For your safety, read this manual carefully before commissioning. This will enable you to handle the machine safely and thus prevent misunderstandings as well as personal injury and damage to property. Pay special attention to the symbols and pictograms used on the machine as well as the safety information and danger warnings!
Intended use of the machine
The machine is intended exclusively for the following activities:
For wet cutting of cellular concrete blocks, bricks and concrete blocks within technical limits.
NOTE
ZIPPER MASCHINEN assumes no responsibility or warranty for any other use or use be- yond this and for any resulting damage to property or injury.
Technical Restrictions
The machine is designed for the work under the following conditions:
- Relative humidity: max. 70 %
- Temperature (for operation): +5° C to +40° C
- Temperature (Storage, Transport): -20° C to +50° C
Prohibited applications / Dangerous misuse
- Operating the machine without adequate physical and mental fitness.
- Operating the machine without knowledge of the manual.
- Modifying the machine design.
- Operating the machine outside the technical limits specified in this manual.
- Removing of the safety markings attached to the machine.
- Modifying, circumventing or disabling the safety devices of the machine.
The non-intended use or the disregard of the explanations and instructions described in this manual will result in the expiration of all warranty claims and compensation claims for damages against ZIPPER MASCHINEN GmbH.
User Requirements
The machine is designed to be operated by one person. The prerequisites for operating the machine are physical and mental fitness as well as knowledge and understanding of the operating instructions. Persons who, due to their physical, sensory or mental capabilities, inexperience or lack of knowledge, are unable to operate the machine safely must not use the machine without supervision or instruction by a responsible person.
Please note that locally applicable laws and regulations determine the minimum age of the operator and may restrict the use of this machine!
Work on electrical components or equipment may only be carried out by a qualified electrician or under the guidance and supervision of a qualified electrician.
Put on your personal protective equipment before working on the machine.
Safety devices
The machine is equipped with the following safety devices:
![]() | A self-locking Emergency Stop button to stop dangerous movements at any time. |
![]() | Safety guard (fixed): The saw blade guard is used to avoid touching the saw blade. |
![]() | Safety guard (fixed): To avoid contact with the saw blade. |
![]() | Safety guard (fixed): To avoid contact with the saw blade. |
General safety instructions
To avoid malfunctions, damage and health impairments when working with the machine, the following points must be observed in addition to the general rules for safe working:
- Check the machine for completeness and function before starting. Only use the machine if the separating and other non-separating protective devices required for machining have are fitted.
- Make sure that the guards are in good working order and properly maintained.
- Select a level, vibration-free surface as the installation area.
- Ensure sufficient space around the machine!
- Ensure sufficient lighting conditions at the workplace to avoid stroboscopic effects.
- Ensure a clean working environment.
- Keep the area around the machine free of obstacles (e.g. dust, cut parts, etc.).
- Only use tools that are in perfect condition and free of cracks and other defects (e.g. defor-mations).
- Remove tool keys and other adjustment tools before switching on the machine.
- Check the machine’s connections for strength before each use.
- Never leave the running machine unattended. Switch off the machine before leaving the working area and secure it against unintentional or unauthorized recommissioning.
- The machine may only be operated, maintained or repaired by persons who are familiar and who have been informed about the dangers arising from this work.
- Ensure that unauthorized persons keep a safety distance from the machine and keep children away from the machine.
- Always work with care and the necessary caution and never use excessive force.
- Do not overload the machine!
- Hide long hair under hair protection.
- Wear close fitting protective work clothing and suitable protective equipment (eye protection, ear protection, safety helmet, safety-shoes, and work gloves only when handling tools).
- Never wear loose jewellery, loose clothing or accessories (e.g. tie, scarf).
- Do not work on the machine if it is tired, not concentrated or under the influence of medication, alcohol or drugs!
- Shut down the machine and disconnect it from the power supply, before adjustment, changeover, cleaning, maintenance or repair work, etc. Before starting work on the machine, wait until all tools or machine parts have come to a complete standstill and secure the ma-chine against unintentional restart.
- Warning signs and/or stickers on the machine that are illegible or have been removed must be replaced immediately!
Electrical safety
- Make sure that the machine is grounded.
- Only use suitable extension cables.
- A damaged or tangled cable increases the risk of electric shock. Handle the cable with care. Never use the cable to carry, pull or disconnect the power tool. Keep the cable away from heat, oil, sharp edges or moving parts.
- Proper plugs and outlets reduce the risk of electric shock.
- Water entry into the machine increases the risk of electric shock. Do not expose the machine to rain or moisture.
- The machine may only be used if the power supply is protected by a residual current circuit breaker.
- Use the machine only when the ON-OFF switch is in good working order.
- Before connecting the machine always make sure that it is switches off.
Special safety instructions for this machine
- Ensure that the saw blade is cooled with water during the entire cutting process.
- Do not reach into the operating area of the saw blade while the machine is in use.
- Replace damaged or deformed saw blades immediately, they cannot be repaired. Use gloves for this purpose.
- Excessive noise can cause hearing damage or temporary / permanent loss of hearing. Wear a hearing protector certified according to health and safety regulations to limit exposure to noise.
Hazard warnings
Residual risks
Despite intended use, certain residual risk factors remain.
- Hazard due to contact with the saw blade
Risk of injury to fingers and hands due to the rotating saw blade if the workpiece is guided incorrectly. - Hazard due to defective saw blade
Regularly check the condition of the saw blade. - Risk of injury due to flying objects
Small objects can be caught by the saw blade and catapulted towards the user! Therefore, regularly clean the work surface. Ensure that no tools or other loose objects are left on the work surface. - Hazard of severe injuries due to material kick-back
- Hazard due to unintentional start-up of the machine
The power plug must be removed from the socket-outlet prior to any check or action carried out at the machine! - Hazard due to machine defects
If one or more parts of the machine are defective, the use of the machine is prohibited. De-fective parts must be replaced immediately. Only replacement parts which have been ap-proved by the manufacturer may be used. It is prohibited to make any changes to the ma-chine. - Hearing damage if the necessary hearing protection is not used
Hazardous situations
Due to the structure and construction of the machine, hazardous situations may occur which are identified in these operating instructions as follows:
DANGER
A safety instruction designed in this way indicates an imminently hazardous situation which, if not avoided, will result in death or serious injury.
WARNING
Such a safety instruction indicates a potentially hazardous situation which, if not avoided, may result in serious injury or even death.
CAUTION
A safety instruction designed in this way indicates a potentially hazardous situation which, if not avoided, may result in minor or moderate injury.
NOTICE
A safety note designed in this way indicates a potentially dangerous situation which, if not avoided, may result in property damage.
Regardless of all safety regulations, your common sense and your appropriate technical aptitude/training are and remain the most important safety factor in the error-free operation of the machine. Safe working depends on you!
TRANSPORT
If you transport the machine with a vehicle, ensure that the load is secured appropriately!
Transport the machine in its packaging to the place of installation. To manoeuvre the machine in the packaging, a pallet truck, forklift truck with the appropriate lifting force and a fork of at least 1200 mm length can be used. The specifications can be found in the chapter Technical data. For proper transport, also observe the instructions and information on the transport packaging regarding centre of gravity, lifting points, weight, means of transport to be used as well as the prescribed transport position etc. Ensure that the selected lifting equipment (crane, forklift, pallet truck, load sling, etc.) is in perfect condition.
Lifting and transporting the machine may only be carried out by qualified personnel with appropriate training for the lifting equipment used.
WARNING
Risk of injury from suspended or unsecured load!
Damaged or insufficiently strong hoists and load slings can result in serious injury or even
Before use, therefore, check hoists and load slings for adequate load-bearing capacity and perfect condition. Secure the loads carefully. Never stand under suspended loads!
Lifting the machine from a transport pallet
![]() |
|
ASSEMBLY
Preparation
Checking delivery content
Check the delivery immediately for transport damage and missing parts. Report any damage or missing parts to your dealer or the shipping company immediately. Visible transport damage must also be noted immediately on the delivery note in accordance with the provisions of the warranty, otherwise the goods are deemed to have been properly accepted.
Requirements for the installation site
The selected installation site must ensure a suitable connection to the electrical mains and must provide a water connection. Observe the safety requirements and the dimensions of the machine.
Place the machine on a level, solid surface. The chosen installation site of the machine must comply with the local safety regulations as well as the ergonomic requirements for a workplace with sufficient lighting conditions.
NOTE
The floor at the installation site must be able to bear the load of the machine!
When dimensioning the required space, take into account that the operation, maintenance and repair of the machine must be possible without restrictions at all times.
Assembly
WARNING
Handling the machine with the mains supply intact can result in serious injury or death. Therefore, do not connect the machine to the power supply before completing the as- Therefore, do not connect the machine to the power supply before completing the assembly.
The machine has been disassembled for transport and must be reassembled before use. Follow the instructions below and establish the electrical connection.
NOTICE: The machine is heavy! Lifting equipment used for lifting may only be used by qualified personnel with appropriate training.
![]() | Assembly table feet
NOTICE: One screw and nut per side is al- ready mounted. |
Electriclal connection
WARNING
Dangerous electrical voltage!
- The machine may only be connected to the mains supply and the associated checks carried out by a qualified electrician or under the instruction and supervi-sion of a qualified electrician!
- Check, whether the neutral connection and the protective grounding function properly.
- Check, whether the supply voltage and the frequency correspond to the specifications of the machine.
NOTICE
Deviation of the supply voltage and frequency
A deviation from the value of the supply voltage of ± 5% is permissible.
A short-circuit fuse must be provided in the power supply system of the machine!
- Use a supply cable of type H07RN (WDE282) or take the required cross-section of the supply cable from a current carrying capacity table. Pay attention to the measures for protection against mechanical damage.
- Make sure that the power source is protected by a residual current circuit breaker.
- Connect the device only to a properly grounded outlet.
- When using an extension cable, make sure that the dimension matches the connected load of the machine. The connection power can be found in the technical data, the correlation of cable cross-section and cable lengths can be found in the technical literature or obtain in-formation from a specialist electrician.
- A damaged cable must be replaced immediately.
Setting up a 400 V machine
| Plug connection 400V: | 5-wire: with N-conductor |
![]() | If a CEE plug (1) is available, the connection to the mains is made through an appropriately powered CEE coupling (L1, L2, L3, N and PE). |
![]() | After the electrical connection, check the correct running direction (rotation direction of the saw blade matches with the orientation of the arrow on the saw blade). If the machine runs in the wrong di- rection, swap two conductive phases, egg. L1 and L2, at the connec- tion plug. |
- The grounding conductor is yellow-green.
- Connect the supply cable to the corresponding terminals in the input box (L1, L2, L3, N and PE), see the figure below.
OPERATION
Only operate the machine when it is in a perfect condition. Before each operation, a visual inspection of the machine must be carried out. Safety devices and operating elements must be checked carefully. Check screw connections for damage and tight fit.
Operation instructions
Observe the following items prior to each start-up of the machine:
- Check the saw blade for proper condition and tight fit. Replace damaged or worn saw blades immediately.
- Check the locking screw for height adjustment of the saw blade for tightness.
- Fill the water basin with clean, cold water.
- The filter must be completely covered with water in the basin.
- Ensure that the water hose is not kinked at any position and the water flow valve is opened.
Handling
Switch the machine on and off
![]() |
|
NOTICE: After turning on the machine, wait until the saw blade has reached the maximum speed and the water pump delivers water to the saw blade. Only then start working.
NOTICE: The saw blade is still running after the machine has been turned off. There is a risk of injury.
Water cooling
![]() | Operation of the turn switch (1): The water cooling of the saw blade is started or stopped. |
![]()
|
|
Set the cutting height
![]() |
|
Cutting
![]() | Workpiece height NOTICE: Pay attention to the correct height of the workpiece.
|
![]() ![]() | Workpiece fixation NOTICE: The workpiece must be fixed on the brick carrier cart so that it CANNOT slip.
|
![]() | Example of correct use of the machine with regard to workpiece clamping: Workpiece securely fixed on sliding carriage Workpiece height / width / length < max. cut- ting capacity | |||||
| 1 | Cutting Trolley | 2 | Material to be cut | |||
| 3 | Fixing Parts | 4 | Saw | |||
CLEANING, MAINTENANCE, STORAGE, DISPOSAL
WARNING
Danger due to electrical voltage!
Handling the machine with connected power supply may result in serious injury or death.
- Always disconnect the machine from the power supply before maintenance or repair work and secure it against unintentional reconnection.
Cleaning
Regular cleaning guarantees the long service life of your machine and is a prerequisite for its safe operation.
NOTICE
Incorrect cleaning products can attack the finish of the machine. Do not use any solvents, nitro thinners or other cleaning products that could damage the machine’s finish. Observe the specifications and instructions of the cleaning agent manufacturer.
- Therefore, clean the machine after each use and remove any dust and other deposits with a damp cloth and, if necessary, with a mild detergent.
Maintenance
The machine is low-maintenance and only a few parts need to be serviced. Malfunctions or defects that could affect your safety must be repaired immediately!
- Before each operation, check the perfect condition of the safety devices.
- Regularly check the perfect and legible condition of the warning and safety labels of the machine.
- Use only proper and suitable tools.
- Use only original spare parts recommended by the manufacturer.
Maintenance plan
The type and degree of machine wear depends to a large extent on the operating conditions. The following intervals apply when the machine is used within the technical limits:
| Interval | Components | Action |
| Before usage | Saw blade | Check for damage and replace if necessary |
|
After usage | Maschine | Clean |
| Water pump | Rinse the water pump sufficiently with fresh water to remove deposited sediments! | |
| Water basin | Drain and clean the water basin | |
| Filter | Clean the filter | |
| V-belt system | Clean if necessary | |
| Once a week | Locking screw for height ad- justment of the saw blade | Check for tight fit |
| Guide rails of the brick carrier cart | Check and clean Lubricate with Oil (HLP46) | |
| Once a month | Nuts, screws | Check for tight fit |
| Semiannual | V-belt | Check its condition and tension; replace it if necessary |
Assembly / change saw blade
![]() ![]()
| CAU TION Risk of injury! Wear protective gloves when changing the saw blade.
NOTICE: Attention left-hand thread!
NOTICE: Pay attention to the rotation direc- tion of the saw blade.
|
Clean the filter
|
|
|
Clean the brick carrier cart rails
![]() | Remove dirt and debris from the guide rails (1). |
Tension / change of V-belt
![]() | Loosen the two screws (2, 3) of the V-belt cover (1) and remove the V-belt cover. |
![]() | |
![]()
| Check the V-belt tension: Use thumb pressure to check the flexibility of the V-belt. Tensioning
Change
NOTICES: Always change both V-belts at the same time, never replace a single belt! |
Storage
Store the machine in a dry, frost-proof and lockable place when not in use. Make sure that unauthorized persons and especially children do not have access to the machine.
NOTICE
Improper storage can damage and destroy important components. Only store packed or already unpacked parts under the intended ambient conditions!
Disposal
Observe the national waste disposal regulations. Never dispose of the machine, ma-chine components or operating equipment in the residual waste. If necessary, contact your local authorities for information regarding available disposal options.
If you purchase a new machine or equivalent equipment from your specialist dealer, he is obliged in certain countries to dispose of your old machine properly.
TROUBLESHOOTING
WARNING
Danger due to electrical voltage!
Handling the machine with connected power supply may result in serious injury or death.
- Always disconnect the machine from the power supply before maintenance or repair work and secure it against unintentional reconnection.
Many possible sources of error can be eliminated in advance if the machine is properly connected to the mains.
If you are unable to carry out the necessary repairs properly and/or do not have the required training, always consult a specialist to solve the problem.
| Trouble | Possible cause | Solution |
| Wrong rotation direction of the saw blade | The conductive phases at the connection plug and the socket do not match | Swap two conductive phases, egg. L1 and L2, at the connection plug. |
| Machine does not start |
|
|
| Although the water pump is switched on, water is not conveyed | Water cooling failure |
|
| Unusual noises during operation | Strong noise emission while cutting |
|
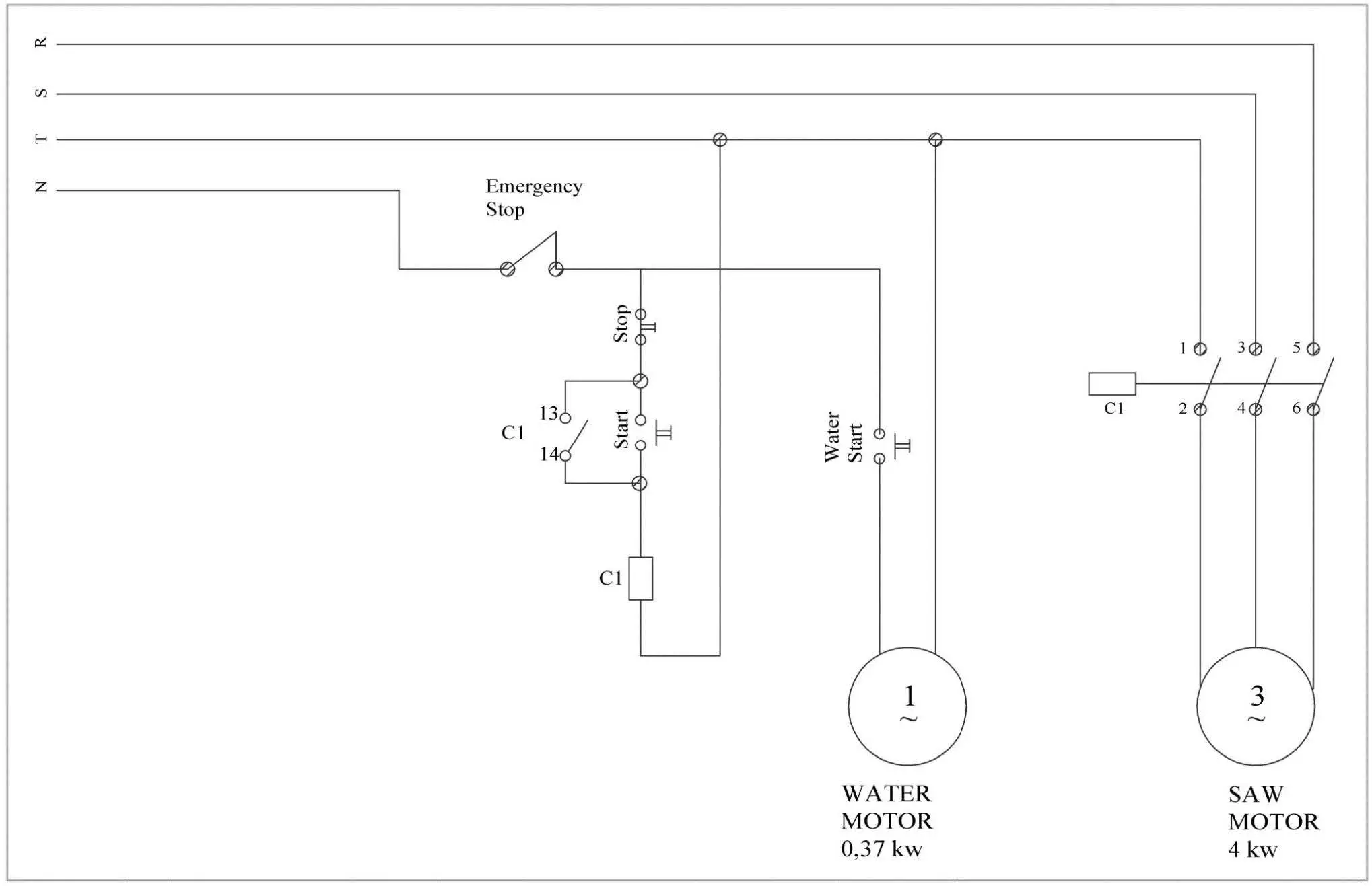
WIRING DIAGRAM

SPARE PARTS
With original ZIPPER spare parts you use parts that are attuned to each other shorten the installation time and elongate your products lifespan.
NOTE
The installation of parts other than original spare parts leads to the loss of the guarantee! Therefore: When replacing components/parts, only use spare parts recommended by the manufacturer.
Order the spare parts directly on our homepage – category SPARE PARTS or contact our customer service
- via our Homepage – category SERVICE/NEWS – SPARE PARTS REQUEST,
- by e-mail to [email protected].
Always state the machine type, spare part number and designation. To prevent misunderstandings, we recommend that you add a copy of the spare parts drawing with the spare parts order, on which the required spare parts are clearly marked, especially when not using the online-spare-part catalogue.
Exploded view

Spare part list
| No. | Description | No. | Description |
| 1 | FRAME | 31 | M10x60 AA BOLT |
| 2 | FRONT LEG | 32 | M10 NUT |
| 3 | BACK LEG | 33 | MOTOR 4kw 1450rpm 112M4 |
| 4 | M12x80 AA BOLT | 34 | M10x30 AA BOLT |
| 5 | M12 WASHER | 35 | M10 WASHER |
| 6 | M12 FIBERED NUT | 36 | M10 FIBERED NUT |
| 7 | PUMP | 37 | ENGINE PULLEY Ø90 |
| 8 | M6x20 AA BOLT | 38 | M8x16 SETISKUR |
| 9 | M6 WASHER | 39 | SAW SHAFT |
| 10 | M6 NUT | 40 | BELT 17×750 |
| 11 | 1/2” STOPPER | 41 | SAW COVER RIGHT SIDE |
| 12 | 1” VALVE | 42 | SAW WASHER |
| 13 | FILTER | 43 | SAW Ø600 Z36 |
| 14 | FILTER COVER | 44 | SAW NUT M26X1,5 |
| 15 | M6X12 HEAD BOLT | 45 | IRRIGATION HEAD |
| 16 | PROFILE COVER | 46 | 1/2” NUT |
| 17 | HEIGHT ADJUSTMENT PROFILE | 47 | 1/2” ELBOW |
| 18 | M22x80 AA BOLT | 48 | 1/2” BALL VALVE |
| 19 | M22 WASHER | 49 | 1/2”-Ø13 HOSE INLET FITTING |
| 20 | M12x20 AA BOLT | 50 | SAW COVER LEFT SIDE |
| 21 | BARRIER RUBBER | 51 | M6x15 BOLT |
| 22 | BARRIER PLATE | 52 | SWITCH BOX |
| 23 | M6x12 AA BOLT | 53 | PULLEY COVER |
| 24 | LINEAR SLIDE | 54 | RIGHT SIDE COVER |
| 25 | M4x20 INBUS BOLT | 55 | LEFT SIDE COVER |
| 26 | M4 FIBERED NUT | 56 | Ø5×30 SCREW |
| 27 | CUTTING TROLLEY | 57 | WALL PLUG 3122-312-1600 |
| 28 | RUBBER WEDGE | 58 | POWER PLUG 3122-304-1600 |
| 29 | M8 FIBERED NUT | 59 | HOSE 19×3 |
| 30 | ENGINE STAND | 60 | Ø20 HOSE CLAMP |
Water Pump
![]() | NO | PART’S NAME | ||
| 1 | WATER PUMP 0,37KW 220V | |||
| 2 | 1” 1-1/4” REDUCTION | |||
| 3 | 1” ELBOW | |||
| 4 | 1” 1/2” REDUCTION | |||
| 5 | 1/2” ELBOW | |||
| 6 | 1/2”-Ø13 HOSE INLET FITTING | |||
Trolley
![]() | NO | PART’S NAME | ||
| 1 | TROLLEY | |||
| 2 | HANDLING | |||
| 3 | HGH15 LINEER WHEEL | |||
| 4 | M4x20 BOLT | |||
| 5 | STOPPER | |||
| 6 | M10x25 BOLT | |||
| 7 | SCREW | |||
motor shaft
![]() | NO | PART’S NAME | ||
| 1 | TROLLEY | |||
| 2 | HANDLING | |||
| 3 | HGH15 LINEER WHEEL | |||
| 4 | M4x20 BOLT | |||
| 5 | STOPPER | |||
| 6 | M10x25 BOLT | |||
| 7 | SCREW | |||
CE-CERTIFICATE OF CONFORMITY
Distributor
Z.I.P.P.E.R® Maschinen GmbH
AT-4707 Schlüsslberg, Gewerbepark 8
Tel.: +43 7248 61116-700
www.zipper-maschinen.at
[email protected]
- Name
BRICK CUTTING MACHINE - Typ / Model
ZI-ZSM600 - EC-directives
- 2006/42/EC
- 2014/30/EC
- 2011/65/EC
- Applicable standards
- EN 60204-1:2018
- EN 12418:2000+A1:2009
- EN ISO 12100:2010
- EN ISO 13850:2015
Hereby we declare that the above mentioned machines meet the essential safety and health requirements of the above stated EC directives. Any manipulation or change of the machine not being explicitly authorized by us in advance renders this document null and void.
GUARANTEE TERMS
Warranty:
Company ZIPPER Maschinen GmbH grants for mechanical and electrical components a warranty period of 2 years for amateur use; and warranty period of 1 year for professional use, starting with the purchase of the final consumer. In case of defects during this period, which are not excluded by paragraph 3, ZIPPER will repair or replace the machine at its own discretion.
Report:
In order to check the legitimacy of warranty claims, the final consumer must contact his dealer. The dealer has to report in written form the occurred defect to ZIPPER. If the warranty claim is legitimate, ZIPPER will pick up the defective machine from the dealer. Returned shippings by dealers which have not been coordinated with ZIPPER, will not be accepted and refused.
Regulations:
- Warranty claims will only be accepted, when a copy of the original invoice or cash voucher from the trading partner of ZIPPER is enclosed to the machine. The warranty claim expires if the accessories belonging to the machine are missing.
- The warranty does not include free checking, maintenance, inspection or service works on the machine. Defects due to incorrect usage of the final consumer or his dealer will not be accepted as warranty claims either. Some examples: usage of wrong fuel, frost damages in water tanks, leaving fuel in the tank during the winter, etc.
- Defects on wear parts are excluded, e.g. carbon brushes, collection bags, knives, cylinders, cutting blades, clutches, sealings, wheels, saw blades, splitting crosses, riving knives, riving knife extensions, hydraulic oils, oil/air/fuel filters, chains, spark plugs, sliding blocks, etc.
- Also excluded are damages on the machine caused by incorrect or inappropriate usage, if it was used for a purpose which the machine is not supposed to, ignoring the user manual, force majeure, repairs or technical manipulations by not authorized workshops or by the customer himself, usage of non-original ZIPPER spare parts or accessories.
- After inspection by our qualified personnel, resulted costs (like freight charges) and expenses for not legitimated warranty claims will be charged to the final customer or dealer.
- In case of defective machines outside the warranty period, we will only repair after advance payment or dealer’s invoice according to the cost estimate (incl. freight costs) of ZIPPER.
- Warranty claims can only be granted for customers of an authorized ZIPPER dealer who directly purchased the machine from ZIPPER. These claims are not transferable in case of multiple sales of the machine.
Claims for compensation and other liabilities:
The liability of company ZIPPER is limited to the value of goods in all cases. Claims for compensation because of poor performance, lacks, damages or loss of earnings due to defects during the warranty period will not be accepted. ZIPPER insists on its right to subsequent improvement of the machine.
SERVICE
After Guarantee and warranty expiration specialist repair shops can perform maintenance and repair jobs. But we are still at your service as well with spare parts and/or product service. Place your spare part/repair service cost inquiry by
- Mail to [email protected].
- Or use the online complaint order formula provided on our homepage – category service/news.
PRODUCT MONITORING
We monitor the quality of our delivered products in the frame of a Quality Management policy.
Your opinion is essential for further product development and product choice. Please let us know about your:
- Impressions and suggestions for improvement.
- Experiences that may be useful for other users and for product design
- Experiences with malfunctions that occur in specific operation modes
We would like to ask you to note down your experiences and observations and send them to us via E-Mail or by post:
My experiences:
Name:
Product :
Purchased ate :
purchased from :
E – Mail
Thank you for your kind cooperation !
CONTACT:
Z.I.P.P.E.R MASCHINEN GmbH
4707 Schlüsslberg • Gewerbepark 8 AUSTRIA Tel: +43 7248 61116 – 700
[email protected]
www.zipper-maschinen.at
ZIPPER MASCHINEN GmbH www.zipper-maschinen.at

READ THE MANUAL! Read the user and maintenance carefully and get familiar with the con-trols in order to use the machine correctly and to avoid injuries and machine defects.
ATTENTION! Ignoring the safety signs and warnings applied on the machine as well as ignor-ing the security and operating instructions can cause serious injuries and even lead to death.
Stop and pull out the power plug before any break and engine maintenance!
Wear protective equipment!
Beware of dangerous electrical voltage!













































