ZIPPER MASCHINEN GmbH
Gewerbepark 8
4707 Schlüsslberg | AUSTRIA
+43 (0) 7248 61116-700 | FAX 7248 61116-720
[email protected] | www.zipper-maschinen.at
USER MANUAL DEMOLITION BREAKER
ZI-ABH1500D
EAN: 9120039232669
ZI-ABH1700D
EAN: 9120039233130
ATTENTION: Check Oil (15W40)!
![]()
![]()
Edition: 19.03.2018 – Revision – 03 – RaR – EN/
2 SAFETY SIGNS
SAFETY SIGNS DEFINITION OF SYMBOLS
CE-CONFORM: This product complies with EC-directives
READ THE MANUAL! Read the user and maintenance manual carefully and get familiar with the controls in order to use the machine correctly and to avoid injuries and machine defects.
ATTENTION! Ignoring the safety signs and warnings applied on the machine as well as ignoring the security and operating instructions can cause serious injuries and even lead to death.
General note
Protective clothing!
Stop and pull out the power plug before any break and engine maintenance!
Operation with jewelry forbidden!
Operation with tie forbidden!
Operation with long hair forbidden!
High voltage!
Warning of rotating parts!
Protect from moisture!
Protection class II!
9 PREFACE
Dear Customer!
This manual contains important information and advice for the correct and safe use and maintenance of the demolition hammer ZI-ABH1500D / ZI-ABH1700D.
Following the usual commercial name of the device (see cover) is substituted in this manual with the name “machine”.
The manual is part of the machine and may not be stored separately. Read it profoundly before first use of the machine and keep it for later reference. When the machine is handed to other persons always put the manual to the machine.
Please follow the security instructions!
Please read the entire manual, to prevent misunderstandings, machine damage or even injuries!
Due to continuous development of our products illustrations, pictures might differ slightly.
If you however find errors in this manual, please inform us.
Technical changes excepted!
Copyright law
© 2017
This manual is protected by copyright law – all rights reserved. Especially the reprinting as well as the translation and depiction of pictures will be prosecuted by law. Court of jurisdiction is the Landesgericht Linz or the competent court for 4707 Schlüsslberg, AUSTRIA.
Customer Support
ZIPPER MASCHINEN GmbH
Gewerbepark 8, 4707 Schlüsslberg
AUSTRIA
Tel.: +43 7248 61116-700
Fax: +43 7248 61116–720
Mail: [email protected]
10 TECHNIC
10.1 Components

| 1 | Auxiliary handle | 5 | Oil lever / Oil filling |
| 2 | ON- / OFF-switch | 6 | Tool mount |
| 3 | Handle | 7 | Tool |
| 4 | Carbon brush cap |
10.2 Delivery content


| 2 | Flat chisel | 5 | Oil filler |
| 3 | Point chisel | 6 | Allen key |
| 4 | Carbon brushes | 7 | Spanner |
10.3 Technical details
| ZI-ABH1500D | ZI-ABH1700D | |
| Voltage | 230 V / 50 Hz | 230 V / 50 Hz |
| Motor power | 1500 W | 1700 W |
| Hits / minute | 1900 | 1900 |
| Weight | 14 kg | 18,5 kg |
| Single hit power | 45 J | 65 J |
| Sound-pressure level LPA (K=3dB(A)) | 93 dB(A) | 84,77 dB(A) |
| Sound-power level LWA (K=3dB(A)) | 105 dB(A) | 105 dB(A) |
| Vibration ah, CHeq (K=1,5 m/s2 ) | 20,706 m/s² | 21,343 m/s² |
| Tool dimensions | 30x410mm (hexagonal) | 30x410mm (hexagonal) |
| Protection class | II | II |
| Protection mode | IP 20 | IP 20 |
The declared vibration total value has been measured in accordance with a standard test method and may be used for comparing one tool with another.
The declared vibration total value may also be used in a preliminary assessment of exposure.
WARNING |
| The vibration emission during actual use of the power tool can differ from the declared total value depending on the ways in which the tool is use! |
11 SAFETY
11.1 Intended Use
The machine must only be used for its intended purpose! Any other use is deemed to be a case of misuse.
To use the machine properly you must also observe and follow all safety regulations, the assembly instructions, operating and maintenance instructions lay down in this manual.
All people who use and service the machine have to be acquainted with this manual and must be informed about the machine’s potential hazards.
It is also imperative to observe the accident prevention regulations in force in your area.
The same applies for the general rules of occupational health and safety.
The machine is used for:
Chiselling in concrete, brick and stone.
Any manipulation of the machine or its parts is a misuse, in this case ZIPPER-MASCHINEN and its sales partners cannot be made liable for ANY direct or indirect damage.
![]() | WARNING |
HIGHEST RISK OF INJURY! |
Ambient conditions
The machine may be operated:
humidity max. 70%
temperature +5°С to +40°С (+41°F to +104°F)
The machine shall not be operated in areas exposed to increased fire or explosion hazard.
Prohibited use
- The operation of the machine outside the stated technical limits described in this manual is forbidden.
- The use of the machine not according with the required dimensions is forbidden.
- The use of the machine not being suitable for the use of the machine and not being certified is forbidden.
- Any manipulation of the machine and parts is forbidden.
- The use of the machine for any purposes other than described in this manual is forbidden.
- The unattended operation on the machine during the working process is forbidden!
- It is not allowed to leave the immediate work area during the work is being performed. Security instructions
Missing or non-readable security stickers have to be replaced immediately!
The locally applicable laws and regulations may specify the minimum age of the operator and limit the use of this machine!
To avoid malfunction, machine defects and injuries, read the following security instructions!
![]()
- Keep your work area dry and tidy! An untidy work area may cause accidents. Avoid slippery floor.
- Make sure the work area is lighted sufficiently
![]()
- Do not overload the machine
- Provide good stability and keep balance all times
- Avoid abnormal working postures! Make sure you stand squarely and keep balance at all times.
![]()
- Keep away from the running tool!
- Always stay focused when working. Reduce distortion sources in your working environment. The operation of the machine when being tired, as well as under the influence of alcohol, drugs or concentration influencing medicaments is forbidden.
![]()
- Respectively trained people only and only one person shall operate the machine.
- Do not allow other people, particularly children, to touch the machine or the cable. Keep them away from your work area.
- Make your workshop childproof.
![]()
- Make sure there is nobody present in the dangerous area. The minimum safety distance is 2m
- Wear suitable work clothes! Do not wear loose clothing or jewellery as they might get caught in moving parts and cause severe accidents! Wear a hair net if you have long hair.
![]()
- Use personal safety equipment: safety gloves, dust musk, ear protectors and safety goggles when working with the machine.
- Never leave the machine running unattended! Before leaving the working area switch the machine off and wait until the machine stops.
![]()
- Always disconnect the machine prior to any actions performed at the machine.
- Avoid unintentional starting
- Do not use the machine with damaged switch
![]()
- The plug of an electrical tool must strictly correspond to the socket. Do not use any adapters together with earthed electric tools
- Each time you work with an electrically operated machine, caution is advised! There is a risk of electric shock, fire, cutting injury;
- Protect the machine from dampness (causing a short circuit)
![]()
- Use power tools and machines never in the vicinity of flammable liquids and gases (danger of explosion)
- Check the cable regularly for damage
- When working with the machine outdoors, use extension cables suitable for outdoor use
![]()
- Do not use the cable to carry the machine or to fix the work piece
- Protect the cable from heat, oil and sharp edges
![]()
- Avoid body contact with earthed
- Before starting the machine remove any adjusting wrenches and screwdrivers
![]()
- Parts can cause severe cut injuries
- Keep the chisels sharp and clean, so they get stuck less often and are easier to guide
![]()
- Keep any machine that is not being used out of reach of children
11.2 Remaining risk factors
![]() | WARNING |
| It is important to ensure that each machine has remaining risks. In the execution of all work (even the simplest) greatest attention is required. A safe working depends on you! |
Even if the machine is used as required it is still impossible to eliminate certain residual risk factors totally. The following hazards may arise in connection with the machine´s construction and design:
- Risk of injury to the hands / fingers by the tool and tool mount during operation.
- Risk of injury due to sharp edges of the workpiece, especially in non-fixed with a suitable tool / device workpiece.
- Risk of injury: hair and loose clothing, etc. can be captured and wound up! Safety regulations must be observed with regard to clothing.
- Risk of injury due to contacting with live electrical components.
- Risk of injury due to dust emissions, treated with harmful agents workpieces
- Risk of injury to the hearing by prolonged labor without hearing protection
- Risk of injury to the eye by flying debris, even with safety goggles.
- Health damage caused by hand-arm vibrations if the equipment is used over a prolonged period or is not properly guided and maintained.
These risk factors can be minimized through obeying all security and operation instructions, proper machine maintenance, proficient and appropriate operation by persons with technical knowledge and experience.
12 OPERATION
Device to be operated in a perfect state only. Inspect the device visually every time it is to be used. Check in particular the safety equipment, electrical controls, electric cables and screwed connection for damage and if tightened properly. Replace any damaged parts before operating the device.
12.1 Operation instructions
![]() | WARNING | ![]() |
| Perform all machine settings with the machine being disconnected from the power supply! |
![]() | ATTENTION |
Excessive pressure may cause material damage!
|
![]() | NOTICE |
|
12.2 Operation
12.2.1 Insert chisel
Clean the tool shank of deposits and grease it lightly one.
- The clamp bolt from the tool shaft pull and turn 90 ° clockwise

Set the tool and rotate the clamp bolt back to 90 degrees and let it snap back into the tool shank.- Check by pulling the tool if the tool is firmly held in place.
- Tool shank should always be greased before insertion.
- When removing the tool. Follow the above procedure in reverse order.
12.2.2 Switch on
- Press the Power push button to the start the engine and set the stroke to move.
- By pressing the locking button can be switched to continuous operation.

12.2.3 Switch off
- Take the pressure off switch push button to stop the stroke.
- For continuous operation, press and release the push button switch to release the fixation.
12.2.4 Filling with oil
WARNING | |
|
Before adding gearbox lubrication oil, disconnect the demolition hammer from the mains.
As an oil tank is installed, the demolition hammer can be used about 20 days to refill without oil. The daily use is about 3 – 4 hours.
Recommended gear oil: 15W40
- Add oil, if in this position (or upright) in the oil level is less than 3mm, or no oil is visible.
- Remove the oil level using the supplied Allen wrench. Make sure that the rubber seal on the thread fits well and is not damaged when screwing

- To check, insert the oil level indicator and pull easily fixed.


- Oil level should be around 3 mm from the lower edge
- After filling of oil drag the oil level again firmly
13 MAINTENANCE
![]() | ATTENTION | ![]() |
| Perform all maintenance machine settings with the machine being disconnected from the power supply! Serious injury due to unintentional or automatic activation of the machine! |
The machine does not require extensive maintenance. If malfunctions and defects occur, let it be serviced by trained persons only.
Before first operation as well as later on every 100 operation hours you should lubricate all connecting parts (if required, remove beforehand with a brush all swarfs and dust).
Check regularly the condition of the security stickers. Replace them if required.
Check regularly the condition of the machine.
The good condition and perfect adjustment of the guiding rollers is essential for a smooth band guidance and a clean cut.
Store the machine in a closed, dry location.
NOTICE |
| Clean your machine regularly after every usage – it prolongs the machines lifespan and is a pre-requisite for a safe working environment. Repair jobs shall be performed by respectively trained professionals only! |
13.1 Maintenance plan
Inspections for the maintenance of the machine | |
| Loose or missing screws | Daily before starting |
| Damage to any part | Daily before starting |
| Clean the machine | Daily before starting |
| Filling with grease | Every 25 working hours |
| Check tool mount to wear of | Every 100 working hours |
| Change carbon brushes | Every 100 working hours |
13.2 Changing the carbon brushes
If the carbon brushes are worn down to the wear limit may result in engine damage. Both carbon brushes should be replaced together. The procedure is ident in both models.
- Loosen the screws of the cover M4X12.
- Take off the cover and unscrew the brush cap.
- Remove the carbon brushes.



- After replacing the carbon brushes rotate the brush cap back on.
- Screw the cover back on.
13.3 Cleaning
After each workshift the machine has to be cleaned. Remove chips etc. with a suitable tool. Do not remove them by hand (cutting injury!). Remove dust as well.
![]() | NOTICE |
| The usage of certain solutions containing ingredients damaging metal surfaces as well as the use of scrubbing agents will damage the machine surface! Clean the machine surface with a wet cloth soaked in a mild solution |
13.4 Disposal
Do not dispose the machine in residual waste. Contact your local authorities for information regarding the available disposal options. When you buy at your local dealer for a replacement unit, the latter is obliged to exchange your old.
14 TROUBLE SHOOTING
Disconnect the machine from the power supply prior to any checks performed at the machine itself!
Trouble | Possible cause | Solution |
| Machine stops or will not start |
|
|
| Impact system blocks |
|
|
| Drill stucks |
|
|
MANY MALFUNCTIONS AND DEFECTS CAN BE AVOIDED BY LETTING THE MACHINE BE CONNECTED TO YOUR POWER SUPPLY BY A CERTIFIED ELECTRICIAN
![]() | NOTICE |
| Should you in necessary repairs not able to properly to perform or you have not the prescribed training for it always attract a workshop to fix the problem. |
69 WIRING DIAGRAM

70 SPARE PARTS
70.1 Spare parts order
With original ZIPPER spare parts you use parts that are attuned to each other shorten the installation time and elongate your machines lifespan.
IMPORTANT |
The installation of other than original spare parts voids the warranty! |
When you place a spare parts order please use the service formular you can find in the last chapter of this manual. Always take a note of the machine type, spare parts number and partname. We recommend to copy the spare parts diagram and mark the spare part you need.
You find the order address in the preface of this operation manual.
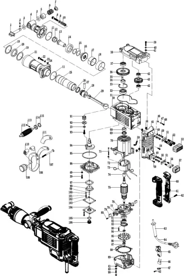
70.2 Explosion drawing
70.2.1 ZI-ABH1500D

SPARE PARTS
No. | Name | Qty. |
1 | washer 12.5x18x0.8 | 1 |
2 | washer 12.4×17.6×2.6 | 1 |
3 | spring 17.5×1.3×26.5 | 1 |
4 | spring case 23×28 | 1 |
5 | pin Ø 4×18 | 1 |
6 | nylock hex.socket bolt M10x35 | 6 |
7 | washer 10 | 12 |
8 | stop lever | 1 |
9 | block blessing | 1 |
10 | damper 47.5×66.5×14.3 | 1 |
11 | o-ring 23.6×5 | 1 |
12 | shank sleeve | 1 |
13 | ring | 1 |
14 | ring 64.5×67.5×27.5 | 1 |
15 | ring 68.4×57.6×2 | 2 |
16 | damper 58x68x9.3 | 1 |
17 | cylinder house | 1 |
18 | nylock hex.socket bolt M8x35 | 4 |
19 | washer8 | 5 |
20 | washer8 | 4 |
21 | o-ring Ø 58x Ø 2 | 1 |
22 | cylinder | 1 |
23 | o-ring | 1 |
24 | piston | 1 |
25 | pin 12×44 | 1 |
26 | connecting rod | 1 |
27 | pin Ø 5×14 | 2 |
28 | housing | 1 |
29 | ring | 1 |
30 | crankshaft 26.5 | 1 |
31 | key 4×16 | 2 |
32 | nylock hex.socket bolt M5x25 | 7 |
33 | washer 5 | 13 |
34 | bearing board | 1 |
35 | bearing 6205 | 1 |
36 | inner cover | 1 |
37 | ring 22.5x34x7.5 | 1 |
38 | gear 73 | 1 |
39 | ring 22 | 1 |
40 | bearing 6302 | 1 |
41 | gear cover | 1 |
42 | nylock hex.socket bolt M6x45 | 6 |
43 | washer 6 | 10 |
44 | washer 6 | 10 |
45 | bearing 6201 | 1 |
46 | gear 43 | 1 |
47 | bearing 6001 | 1 |
48 | bearing cover(6203) | 1 |
49 | 6203 bearing washer 29.4x40x2.2 | 1 |
50 | bearing 6203 | 1 |
51 | nylock hex.socket bolt M6x14 | 2 |
52 | rotor | 1 |
53 | bearing 6201-2rs | 1 |
54 | washer 31x25x0.5 | 1 |
55 | stator | 1 |
56 | hex.socket ST4.8×60 | 2 |
57 | ststor housing | 1 |
58 | switch | 1 |
59 | handle | 1 |
60 | handle cover | 1 |
61 | nylock hex.socket bolt M6x25 | 4 |
62 | self-tapping screw ST3.9×20 | 3 |
63 | capacitance 0.33μf | 1 |
64 | cable plate | 1 |
65 | nylock hex.socket bolt M3.9×14 | 2 |
66 | cable cover | 1 |
67 | cable | 1 |
68 | chassis | 1 |
69 | nylock hex.socket bolt M5x12 | 6 |
70 | Spring | 2 |
71 | brush washer | 2 |
72 | brush holder | 2 |
73 | nylock hex.socket bolt M5x8 | 2 |
74 | carton brush | 2 |
75 | brush holder cap | 2 |
76 | washer 10x26x3 | 2 |
77 | brush cover | 2 |
78 | washer 4 | 4 |
79 | hex.socket ST4x16 | 8 |
80 | oil gauge | 1 |
81 | o-spring W 23×2 | 1 |
82 | oil box cover | 1 |
83 | washer | 1 |
84 | washer4 | 4 |
85 | felt holder | 1 |
86 | oil felt | 1 |
87 | o-ring | 1 |
88 | nylock hex.socket bolt M8x30 | 1 |
89 | board 34×2.3 | 1 |
90 | needle bearing NK18/20 | 1 |
91 | bolted joint M8x110 | 1 |
92 | hand seat | 2 |
93 | hand grip | 1 |
94 | knob | 1 |
95 | rubber sleeve | 2 |
96 | handshaft | 2 |
97 | handshaft Ø 32.5×23.5×4.5 | 2 |
98 | pin | 2 |
99 | auxiliary | 1 |
70.2.2 ZI-ABH1700D

No. | Name | Qty. |
1 | lock rod | 1 |
2 | round pin | 1 |
3 | o-ring 18×8 | 2 |
4 | headstrong | 1 |
5 | lock rod cover | 1 |
6 | spring | 1 |
7 | washer | 1 |
8 | screw M10x65 | 6 |
9 | washer 10 | 6 |
10 | spring | 6 |
11 | o-ring 60×2 | 2 |
12 | ram hammer cover | 1 |
13 | ram hammer | 1 |
14 | damper ø47.5x ø 66.5×14.3 | 1 |
15 | o-ring 18 x 8 | 1 |
16 | aluminum sleeve | 1 |
17 | split sleeve | 1 |
18 | split sleeve cover | 1 |
19 | washer ø 57.5x ø 68.4×2 | 2 |
20 | damper ø 58x ø 68×9.3 | 1 |
21 | cylinder house | 1 |
22 | seal look hex. socket hd. bolt | 4 |
23 | spring washer 8 | 5 |
24 | plat washer 8 | 4 |
25 | cylinder | 1 |
26 | piston seal | 1 |
27 | piston pin | 1 |
28 | position | 1 |
29 | connecting rod | 1 |
30 | gear box | 1 |
31 | oil ring | 1 |
32 | bearing 6205-2RS | 1 |
33 | washer 52 | 1 |
34 | range ring | 1 |
35 | woodruff key | 2 |
36 | gear 63 | 1 |
37 | bearing 6205-2RZ | 1 |
38 | cover | 1 |
39 | seal look hex. socket hd. bolt | 10 |
40 | plat washer 6 | 14 |
41 | spring washer 6 | 10 |
42 | bearing 6201-2RZ | 2 |
43 | gear 37 | 1 |
44 | nut | 4 |
45 | handle holder | 1 |
46 | flat washer 5 | 2 |
47 | spring | 2 |
48 | nylock hex.socket hd.bolt M5x16 | 2 |
49 | flat washer 8 | 4 |
50 | damping spring | 2 |
51 | damping board | 2 |
52 | damping screw | 4 |
53 | upper damping sleeve | 2 |
54 | nylock hex.socket hd.bolt M5x22 | 2 |
55 | damping spring | 2 |
56 | damping screw | 2 |
57 | under damping spring | 1 |
58 | screw ST4.8 x 25 | 2 |
59 | insulation tube | 1 |
60 | right handle | 1 |
61 | left handle | 1 |
62 | screw ST3.9×16 | 7 |
63 | cable sleeve | 1 |
64 | cable 2 x 1 mm2 | 1 |
65 | switch | 1 |
66 | capacitance | 1 |
67 | cable board | 1 |
68 | bearing NK18/20 | 1 |
69 | oil seal | 1 |
70 | chassis | 1 |
71 | screw | 2 |
72 | stator | 1 |
73 | tension spring | 2 |
74 | washer | 1 |
75 | rotor | 1 |
76 | brush | 1 |
77 | brush holder | 2 |
78 | coil spring | 2 |
79 | brush | 2 |
80 | screw | 4 |
81 | bearing sleeve | 1 |
82 | bearing 6201-2RS | 1 |
83 | bearing board | 1 |
84 | washer | 1 |
85 | fan | 1 |
86 | washer 12 | 1 |
87 | nut M12 x 1.25 | 1 |
88 | fan guide | 1 |
89 | chassis | 1 |
90 | screw M8 x 75 | 4 |
91 | bearing NK18/20 | 1 |
92 | bearing cover 24.5 x 2.3 | 1 |
93 | screw M8 x 10 | 1 |
94 | crankshaft | 1 |
95 | oil seal | 1 |
96 | oil house | 1 |
97 | felt holder seal | 1 |
98 | felt holder | 1 |
99 | oil felt 7 x 70 | 1 |
100 | washer | 4 |
101 | washer | 4 |
102 | screw | 4 |
103 | washer | 1 |
104 | oil box cover | 1 |
105 | o-ring W23 x 2 | 1 |
106 | oil gauge | 1 |
107 | nut M8 x 10 | 1 |
108 | hand grip | 1 |
109 | knob | 1 |
110 | plastic block | 2 |
111 | rubber cover | 2 |
112 | auxiliary handle | 1 |
113 | round pin | 2 |
114 | handshaft | 2 |
115 | handshaft cover | 2 |
73 WARRANTY GUIDELINES
1.) Warranty:
Company ZIPPER Maschinen GmbH grants for mechanical and electrical components a warranty period of 2 years for amateur use; and warranty period of 1 year for professional use, starting with the purchase of the final consumer. In case of defects during this period, which are not excluded by paragraph 3, ZIPPER will repair or replace the machine at its own discretion.
2.) Report:
In order to check the legitimacy of warranty claims, the final consumer must contact his dealer. The dealer has to report in written form the occurred defect to ZIPPER. If the warranty claim is legitimate, ZIPPER will pick up the defective machine from the dealer. Returned shippings by dealers which have not been coordinated with ZIPPER, will not be accepted and refused.
3.) Regulations:
a) Warranty claims will only be accepted, when a copy of the original invoice or cash voucher from the trading partner of ZIPPER is enclosed to the machine. The warranty claim expires if the accessories belonging to the machine are missing.
b) The warranty does not include free checking, maintenance, inspection or service works on the machine. Defects due to incorrect usage of the final consumer or his dealer will not be accepted as warranty claims either. Some examples: usage of wrong fuel, frost damages in water tanks, leaving fuel in the tank during the winter, etc.
c) Defects on wear parts are excluded, e.g. carbon brushes, collection bags, knives, cylinders, cutting blades, clutches, sealings, wheels, saw blades, splitting crosses, riving knives, riving knife extensions, hydraulic oils, oil/air/fuel filters, chains, spark plugs, sliding blocks, etc.
d) Also excluded are damages on the machine caused by incorrect or inappropriate usage, if it was used for a purpose which the machine is not supposed to, ignoring the user manual, force majeure, repairs or technical manipulations by not authorized workshops or by the customer himself, usage of non-original ZIPPER spare parts or accessories.
e) After inspection by our qualified personnel, resulted costs (like freight charges) and expenses for not legitimated warranty claims will be charged to the final customer or dealer.
f) In case of defective machines outside the warranty period, we will only repair after advance payment or dealer’s invoice according to the cost estimate (incl. freight costs) of ZIPPER.
g) Warranty claims can only be granted for customers of an authorized ZIPPER dealer who directly purchased the machine from ZIPPER. These claims are not transferable in case of multiple sales of the machine.
4.) Claims for compensation and other liabilities:
The liability of company ZIPPER is limited to the value of goods in all cases. Claims for compensation because of poor performance, lacks, damages or loss of earnings due to defects during the warranty period will not be accepted. ZIPPER insists on its right to subsequent improvement of the machine.
Product experience form
We observe the quality of our delivered products in the frame of a Quality Management policy.
Your opinion is essential for further product development and product choice. Please let us know about your:
– Impressions and suggestions for improvement.
– experiences that may be useful for other users and for product design
– Experiences with malfunctions that occur in specific operation modes
We would like to ask you to note down your experiences and observations and send them to us via FAX, E-Mail or by post:
My experiences:
| Name: Product: Purchase date: Purchased from: E-mail: Thank you for your kind cooperation! |
CONTACT:
Z.I.P.P.E.R MASCHINEN GmbH
4707 Schlüsslberg, Gewerbepark 8
AUSTRIA
Tel :+43 7248 61116 700
Fax:+43 7248 61116 720
[email protected]
ZIPPER MASCHINEN GmbH www.Zipper-Maschinen.at
ZI-ABH1500D / ZI-ABH1700D
SERVICE FORM
Please tick one box from below:
❑ service inquiry
❑ spare part inquiry
❑ guarantee claim
1. Senders information (* required)
* First name, family name _____________________
* Street, house number _______________________
* ZIP code, place ___________________________
* Country _________________________________
* (Mobile) phone ___________________________
International numbers with country code
* E-Mail _________________________________
Fax _____________________________________
2. Tool information
Serial number: _________ *Machine type: _______
2.1 Required spare parts
Part No° | Description | Number |
2.2 Problem description
Please describe amongst others in the problem:
What has cause the problem/defect, what was the last activity before you noticed the problem/defect?
For electrical problems: Have you had checked you electric supply and the machine already by a certified electrician?
3. Additional information
INCOMPLETELY FILLED SERVICE FORMS CANNOT BE PROCESSED!
FOR GUARANTEE CLAIMS PLEASE ADD A COPY OF YOUR ORIGINAL SALES / DELIVERY RECEIPT OTHERWISE IT CANNOT BE ACCEPTED.
FOR SPARE PART ORDERS PLEASE ADD TO THIS SERVICE FORM A COPY OF THE RESPECTIVE EXPLODED DRAWING WITH THE REQUIRED SPARE PARTS BEING MARKED CLEARLY AND UNMISTAKABLE.
THIS HELPS US TO IDENTIFY THE REQUIRED SPARE PARTS FASTLY AND ACCEL-LERATES THE HANDLING OF YOUR INQUIRY.
THANK YOU FOR YOUR COOPERATION!
ZIPPER MASCHINEN GmbH


Set the tool and rotate the clamp bolt back to 90 degrees and let it snap back into the tool shank.

















