essential EHDB61i Box Style Hood

Dimensions expressed in mm

Technical characteristics
| Model EHDB61i | |
| Motor power | 225W |
| Supply voltage | 220-240 V ~ 50-60 Hz |
| Lighting | LED 2 x 2.5 W |
| Minimum air flow rate | 240 m3/hr |
| Maximum air flow rate | 559 m3/hr |
| Hood width | 598 mm |
| Min/max height | 619 cm/ 1130 mm |
| Suction block (H x W x D) | 619 x 598 x 455 mm |
| Chimney (Wx D) | 240 x 250 mm |
| Sound volume at minimum power | 49 dB |
| Sound volume at maximum power | 68 dB |
| Filters |
|
| Accessories provided |
|
Check the nature of the partition or wal I you want to attach the hood to. Make sure the screws supplied are compatible. 
Otherwise, use expansion screws and plugs suitable for the type of partition or wall (special hollow walls, plasterboard – type BA 13, hollow brick, etc).
Assembly
You can use this extractor hood
- either in its EVACUATION version (figure 1),
- or in its RECYCLING version (figure 2) (factory configuration).
For both versions, you must obtain a suitable exhaust duct. Check with your retailer.
Features of the exhaust duct
- The exhaust duct should preferably be as short and direct as possible.
- The exhaust duct must be 150 mm in diameter and made of a non-flammable material. You can also use a smaller diameter duct with a reducer (not supplied). In this case, place a reducer on the hood’s non-return valve.
- The total length of the duct to the outlet must not exceed 3 m with one elbow or 2 m with two elbows (maximum angle of the elbows: 90°).
- To secure the duct and ensure that there are no leaks, use clamps (not supplied).
- At the outlet, connect the exhaust duct to a grille or flap valve.
Used in evacuation version (figure 1)
If you have an exit to the outside
- The air is sucked in and evacuated to the outside through an exhaust duct (not supplied).
- Charcoal filters are factory-installed on the hood.
- To use the hood in EXHAUST version, do not use a charcoal filter.
- The regulations concerning exhaust air must be observed.
- Connect the hood to the exhaust ducts and holes in the wall with a diameter equivalent to the air outlet (connecting collar).
- Using wall exhaust ducts and holes with a smaller diameter will result in reduced suction performance and increased noise.
- There must be adequate room ventilation when an extractor hood is used simultaneously with appliances using gas or another fuel.
- The air must not be sent to a duct to eliminate the fumes of appliances using gas or another fuel.

- The hood can only discharge the equivalent of the replacement air you let into the room. This is why it’s important that air can enter the kitchen through a high or low air vent or through a door or window that’s ajar when using the hood.
- If there is not enough air getting inside, a vacuum pressure may occur in the heating ducts (e.g. open fire, heating).
- When using the exhaust hood at the same time as other appliances using energy other than electrical power (i.e. gas or coal), the vacuum pressure must not exceed 4 Pa (0.04 mBar).
Used in its recycling version {figure 2)
If you don’t have an exit to the outside
- You must use the hood with the charcoal filters. You can get charcoal filters in store.
- The air is sucked in, filtered (through the charcoal filters) and recycled in the kitchen.

Fixing the hood to the wall
- The hood must be installed by at least two qualified people. The hood should be installed by specialists.
- Do not plug the hood into the outlet until installation is complete.
Before Installing the hood
Before proceeding with the installation and to handle the hood more easily, remove the metal filters. To do this, refer to the paragraph “Cleaning the grease filters”.
Preliminary preparation
- Work out the location of the hood using the template. It must be centered in relation to your hob.
The hood must be located close to an electrical socket as shown in the diagram opposite. Ideally, the electrical socket should be behind a conduit cover.
Respect the following minimum distances between the hob and the lowest part of the hood:
- 50cm minimum for electric cookers/hobs,
- 70cm minimum for gas or mixed cookers/hobs.
This 70 cm distance can be reduced for: - The non-combustible parts of the extractor hood,
- The parts operating at a very low safety voltage, provided that these parts do not provide access to the active parts when they are deformed).
Note: if the installation instructions for the gas hob specify a greater distance, this must be taken into account.
- Disconnect the fuses corresponding to the kitchen circuit.
- Make sure the electrical junction box is secured as shown in Figs. 3, 4 and 5 below:


Assembly
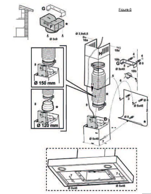
For the next steps, refer to the diagrams in Fig. 6 on page 13:
- Using a pencil, draw a line on the side of the wall (1), up to the ceiling, corresponding to the center line to facilitate the installation procedure.
- Place the installation template (2) on the wall: the center vertical line printed on the template should match the center line drawn on the wall. The bottom edge of the template should match the bottom edge of the hood.
- Tape the template to the wall.
- Drill the holes (8) as shown on the template. Insert the wall plugs (3) and screw the 2 screws (6) into the upper holes, leaving a space of about 2 cm between the head of the screw and the wall. Note: always drill the holes indicated on the template. The 2 upper holes are used to hang the hood on while the 2 lower holes are used to permanently fix the hood and ensure its safety.
- Fit the chimney support bracket (G) to the wall, in line with the ceiling. Use the chimney support bracket as a drilling template (if present, the small slot on the bracket must correspond to the line previously drawn on the wall). Mark 2 holes with a pencil, drill them and insert 2 plugs (4).
- Secure the chimney support bracket to the wall using 2 screws (5).
- Attach the hood (B) to the 2 upper screws (6)
- Screw the lower screw (7) without tightening it completely. Make sure the washer has first been placed under the screw.
- Check the horizontality of the hood, then fully tighten all upper and lower screws.
Note: the lower fixing bridges are visible when removing the grease filters and are located on the sides and/or in the centre of the hood (in this case, after removing the charcoal filter frame, if present). - Connect a tube (tube and fixing gaskets not supplied) to the connection ring placed above the suction motor unit for exhausting the fumes.
- If installing in EXHAUST version: the other end of the tube must be connected to a smoke evacuation device. If installing in RECYCLING version: attach the deflector (F) to the support bracket (G), and connect the other end of the tube to the connection ring placed on the deflector (F).
- Plug in the power cord (9).
- Install the chimney (H) by fixing the upper part to the bracket (G). Tighten the 2 screws (10a) in the locations provided for this purpose (10b).
- Slide the lower part of the chimney (H) to completely cover the suction unit above the hood.
- Refit the charcoal filter frame (in RECYCLING version) and grease filters.

use
The hood is intended to extract cooking fumes, odors and vapors above the hob. For best results, turn on the hood about 5 minutes before cooking begins and let it run for 15 minutes after the end of cooking until the odors have been totally eliminated.
Using the control panel (Fig. 7), you can select the suction power and turn the light on or off.

- Press button to turn on the hood lighting. Press the button again to turn off the light.
- Press the on/off button (1) to start the hood at low speed. Press the on/off button again to switch off the hood.
- Press the medium speed (2) or high speed (3) button to change the exhaust speed.
IMPORTANT:
- At the end of use, make sure that the suction is off (button (1) pulled out) and the lighting is off .
- The accessible parts of this appliance may become hot when used with cooking appliances.
cleaning and maintenance
Always turn off the power to the hood before cleaning or servicing it.
- To prevent any risk of a fire occurring because of an accumulation of grease, make sure you clean the hood, and clean and/or replace the filters, at the required intervals.
- The extractor hood as well as the grease filters must be cleaned on a regular basis to keep them in good working order.
- Never use steam or high-pressure cleaners to clean the hood.
Cleaning the hood
- Clean the hood with a soft sponge and some hot water with a mild detergent (e.g. washing-up liquid) as often as necessary.
- Do not use abrasive detergents which may damage the surfaces.
- Do not allow the motor and other parts to come in contact with water, as this could damage the appliance.
Cleaning the filters
Grease filters
The metal grease filters are used to retain grease.
The filter needs to be kept clean for the appliance to work properly. In general, you should clean them about once a month. For this, please strictly observe the following instructions:
- To remove the grease filters (A), push the tab (B) of each filter backwards, then release the filters by pulling them downwards.

- You can clean the filters by hand or place them in the dishwasher:
Cleaning the filters by hand: immerse the filters in hot water with washing-up liquid and let them soak for 10 to 15 minutes. Put on gloves and wash them carefully with a soft brush. Rinse thoroughly with clean water and leave to dry. Don’t press too hard. The filters are fragile and can easily be damaged. Let the filters dry before replacing them on the device.
Cleaning the filters in the dishwasher: the filters can be cleaned in the dishwasher (place them in a vertical position) at 60°C. The different washes may alter the colour of the filters. This is normal and does not affect filtering performance. It isn’t necessary to change the filters in this case.
Charcoal filter
The charcoal filter is used to eliminate the odors released by food during cooking.
- The activated charcoal filter in the extractor hood is neither washable nor regenerable.
- In normal use, the charcoal filter should be replaced about 3 to 4 times a year. The saturation of the activated charcoal depends on how long the device is used for, the type of cooking done and the regularity with which the grease filters are cleaned.

- Remove the grease filters as shown in the previous section (Fig. 8).
- Remove the filter unit from its housing by turning the fixing screws (g) 90°, then release it (Fig. 9).
- Reassemble a new filter unit (i) by performing the reverse procedure.
- Then reassemble the grease filters as described in the previous section.
Replacing the light bulbs
Before replacing the bulbs, the hood must be switched off, either by removing the plug from the socket or activating the circuit breaker. Also, make sure the bulbs have cooled down enough before touching them. 
- Remove the bulb compartment cover using a flathead screwdriver.
- Unscrew the used bulbs and replace them with LED bulbs with the same characteristics as the original ones.
- Replace the bulb compartment cover.
Notes:
- If the lighting doesn’t work, check that the lamps have been installed correctly in their housing before contacting the after-sales service of your retail store.
- The lighting in this hood is intended for use only when cooking. It is not intended for general lighting for a long period of time. In this case, the bulb may burn out. Make sure you turn off the lamp when you finish cooking.
troubleshooting guide
The hood isn’t working.
- Check that the plug is firmly inserted into the socket.
- Check that the circuit breaker hasn’t been tripped.
- Have you properly selected one of the 3 speeds?
A bulb doesn’t light up (or the bulbs don’t light up).
- Check that the bulbs aren’t burnt out.
- Replace the bulbs with an equivalent model (see section “Replacing the bulbs”).
- Have you pressed the light on/off button?
The suction of the hood isn’t sufficient.
- Is the speed you have chosen appropriate?
Use a low speed for low levels of smoke and odours, a high speed for high level of odours and vapours, and a medium speed under normal operating conditions. - Does the charcoal filter (in recycling version) need to be replaced?
Replace the charcoal filters 3-4 times a year. - Do the grease filters need to be cleaned?
Clean the grease filters monthly. - Is the kitchen adequately ventilated?
- Are the air vents blocked?
replacing the power cord
The hood has a power cord as standard.
The appliances power cord must be replaced by a specialist who is familiar with the safety standards and legislation in force.
Technical data and electrical connection conditions can be found on the appliance’s rating plate.
Do not use extension cords, powers trips or adapters as these could make the electrical connections overheat.
Before plugging it in, make sure that the electrical circuit has a multi-pole circuit breaker with an opening clearance between the contacts of at least 3 mm.
Power cord specifications
| Single-phase power supply 220 – 240 V~ | |||||
| Device type | I | Type of cable | I | Section | |
| Hood | EHDB61i | I | H05WH2-F | I | 2 x 0.75 mm2 |
Connection
- Remove the 2 flue covers (chimney).
- Remove the 2 screws from the hatch covering the power cord.
- Remove the 2 screws connecting the neutral wire and the live. Remove the faulty power cord.

- Strip approximately 40mm of sheath from the power cord.
- Strip the electric wires over a length of 10 mm.
- Connect the wires to the terminal block according to the connection diagram below.
Single-phase 220 – 240 V~:
Screw live L to pin 1 and screw the neutral N to pin 2.- Black wire: neutral “N”
- Brown wire: live “L”
Make sure the wires are securely fitted in the pins and the screws are properly tightened.
- Put the terminal block back in its housing.
- Screw the hatch back on.
All information, designs, drawings and pictures in this document are the property of SOURCING & CREATION. SOURCING & CREATION reserves all rights to its brands, designs and information. Any copy and reproduction through any means shall be deemed and considered as counterfeiting.
Protection of the environment
This symbol attached to the product means that it is an appliance whose disposal is subject to the directive on waste from electrical and electronic equipment (WEEE). This appliance may not in any way be treated as household waste and must be subject to a specific type of removal for this type of waste. Recycling and recovery systems are available in your area (waste removal) and by distributors. By taking your appliance at its end of life to a recycling facility, you will contribute to environmental conservation and prevent any harm to your health.
Tested in our laboratories
Warranty valid from the date of purchase (receipt as proof of purchase). This warranty does not cover defects or damage caused by improper set up, incorrect use, or normal wear and tear of this product.


























