EP500 Pro Solar Power Station
User Guide
How to connect the EP500 Pro to the US utility power.
https://bluettipower.com/technicalsupport/10220705
Associated product(s):EP500 Pro
Entry type: FAQ, Entry ID: 10220703, Entry date: 07/30/2022
How to connect one EP500 Pro to the utility power for 120 Volt Circuits
“Single Phase” is set as the default machine type if you are operating a single EP500Pro. This is the only and correct setting if a single EP500Pro is being used.
Firstly please purchase a manual transfer switch and the accessories as following:
| NO. | Category | Quantity |
| 1 | Transfer switch : Reliance 306C Pro/Tran2 | 1 |
| 2 | NEMA L14 extension cord | 1 |
| 3 | NEMA L14-30P inlet | 1 |
| 4 | NEMA L14-30R outlet | 1 |
NOTE: Please read the manuals before installing.
Then installed by the electrician refer to the example as below:
NOTE:
- It must be installed by an electrician.
- Take out the important load cables of the main panel and connect them to the common point of the transfer switch
- Connect the important load cables from the air switch in the main panel to the point of LINE of the transfer switch
- In single power mode (one EP50O pro), the 240V load (double hot line) cannot be connected to the transfer switch
- In single power mode (one EP50 pr0), L2 0f L14.30 is suspended without wiring
How to connect two EP500 Pro to the utility power for 240 Volt Circuits
If you purchased two EP500 Pro to get the back-up power for household as 240 Volt Circuits.
Firstly, please purchase a manual transfer switch and the accessories as following:
| NO. | Category | Quantity |
| 1 | Transfer switch : Reliance 306CPro/Tran2(6 circuits ) | 1 |
| 2 | NEMA L14 extension cord | 1 |
| 3 | BLUETTI 30A-AC-charging-cable | 1 |
| 4 | NEMA L14-30P inlet | 1 |
| 5 | BLUETTI FUSION BOX (optional) | 1 |
| 6 | NEMA L14-30R outlet | 1 |
Secondly, please read the manuals before installing. 
Note:
- Please disconnect the AC charging cable for both EP500Pro units while binding into split phase box.
- Certificated Technician is required to build the split phase system to power the Power Cabinet or Sub Panel.
- The “Machine Type” setting on screen is used to enable or disable Split Phase output.
Split-Phase output is achieved by bonding two EP500Pro into one power system to double the available output power, voltage, and capacity.
●“Split Phase” is only used for connecting two EP500Pro together (only for the 100-120V version of the EP500Pro). A Fusion Box (P030A) is required (sold separately).
● Launch Split Phase Function: - Only one touchscreen will be active when two EP500Pro units are connected.
- If one of the EP500Pro is out of power, the Split Phase Bonding function will deactivate automatically.
Warning: If you insist to charge the EP500Pro which has been connected into split phase box already, please make sure the L1/L2/N wire is set at the right place or the EP500Pro will be damaged. L: Live wire N: Neutral wire
HOW TO CONFIGURE BOTH OF THE EP500 PRO:
Step 1: Turn off both of EP500 pro.
Step 2: Plug in the plugs from the Split Fusion Box Pro to the two EP500Pro’s outlets
Step 3: Plug in the communication cables to each of the two EP500Pro’s.
Step 4: Turn on one EP500 pro.
Step 5: Click the setting button on the LCD,
Step6: Click the NEXT,
Step7: Click the “single phase” of the Machine Type setting, then click the “Split phase”
• Machine Type: Select Split Phase
Step8: Click the “Master”
Step 9: Turn on another EP500 pro.
Step10: Click the setting button on the LCD.
Step11: Following the Step 6- step 7: click the NEXT, then click the “single phase” and then click the “Split phase”.
Step12: Click the “Slave”
Note: click clear the alarm history if the buzzer sounded
NOTE: Select “Master” will set the operating EP500Pro as the one to control both two EP500Pro. Select “Slave” will set the operating EP500Pro as the other EP500Pro as the “Master” one.
CONNECTION:
Machine type is just used to set for Split Phase, “Split Phase” is only used for connecting 2* EP500Pro ( 100-120V Version) bonded 1 pairs of EP500Pro to one power system to double the output power, voltage, so as to capacity. Please refer to Split Phase setting for detailed information.
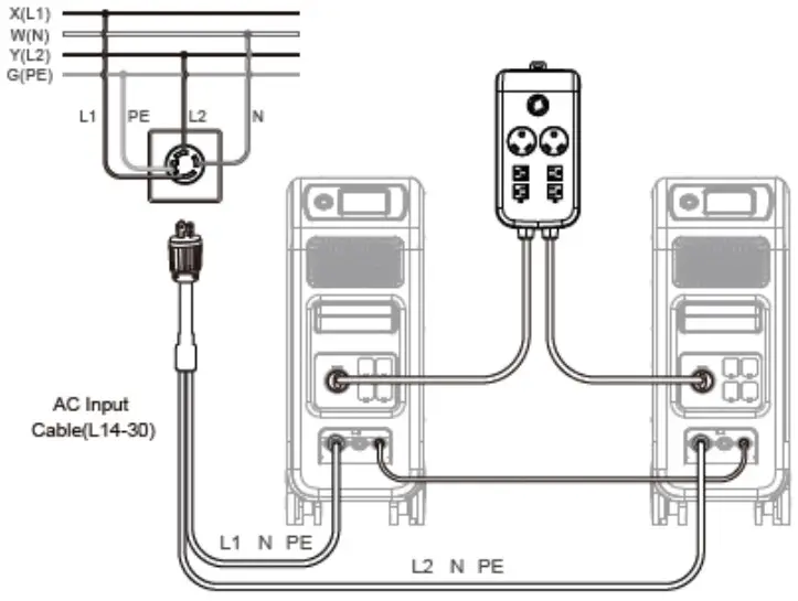
In Split Phase Power System, it is recommended that you choose our matching AC input cable. The AC input ports of the two machines are connected to L1, N, PE and L2, N, PE. Make sure that the phase of the two machines is correct.
This AC Input Cable (Optional Purchase) is designed to match Split Phase System. One end of the cable is connected to the NEMA L14-30 socket, and the other end is connected to the AC input interface of both two units through aviation plug. It must be ensured that the phase of the two machines is correct.
The current capacity of AC input plug shall be ≥ 30A. We need purchase a BLUETTI 30A-AC-charging-cable and a NEMA L14-30R outlet to install the AC charge plug, the connect method as following:
WRONG CONNECTION
It`s forbidden to connect EP500Pro into Split Phase System when AC charging is ON, please use AC Input Cable(Optional Purchase) to charge both of your power stations in Split Phase System. Wrong Connection will damage the battery inside the power station and your warranty will be invalid.
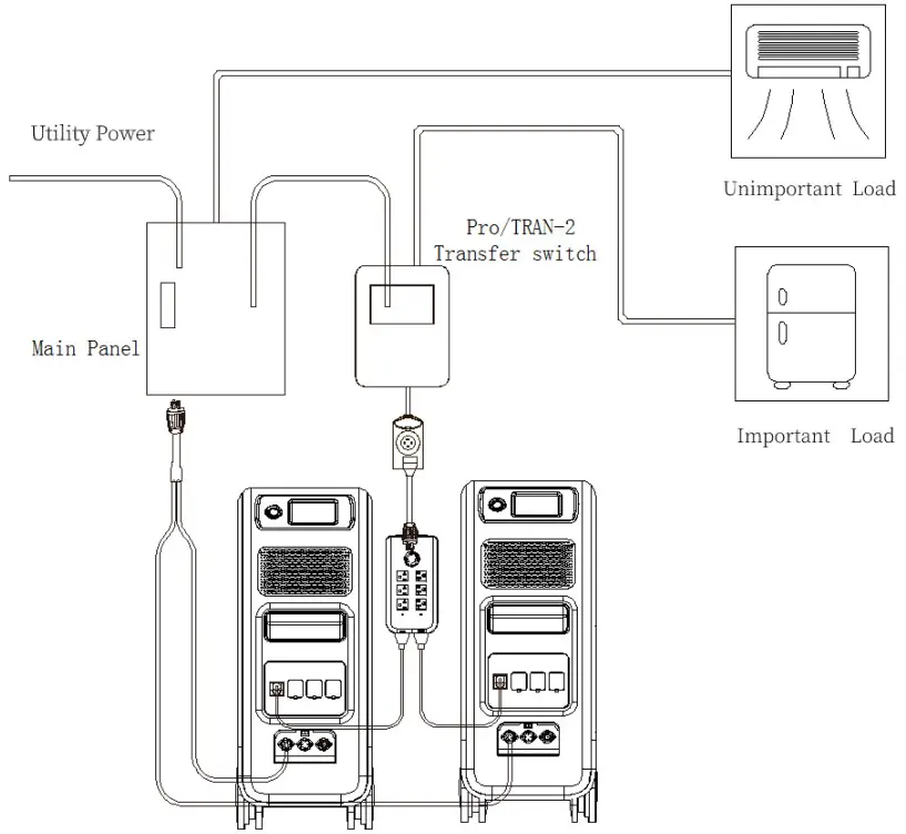
Thirdly, connect the EP500 Pro to the transfer switch
NOTE:
Before you begin installing your Reliance Controls transfer switch system, you need to create a plan for the appliances you choose to run during a power outage. In setting up a transfer switch to get the most power from your two power stations in split phase power system, it is desirable to “balance the load” between the two phases of your transfer switch. Devices which will consume the most of the two power stations’ wattage should be divided between the two.
Please installed by the electrician refer to the example as below:
The circuit connection example as below:
NOTE:
- Take out the important load cables of the main panel and connect them to the common point of the transfer switch
- Connect the important load cables from the air switch in the main panel to the point of LINE of the transfer switch
- It must be installed by an electrician
If you didn’t purchase the FUSION BOX, Please installed by the electrician refer to the example as below:

The circuit connection example as below:

NOTE
- Take out the important load cables of the main panel and connect them to on point of the transfer switch the commt the important load cables from the air switch in the main panel
- Connecto the point of LINE of the transfer switch
- II must be installed by an electrician
Accessories:
3.1 Transfer switch
a) If you want to get 6-circuit,please purchase a manual transfer switch as following:
https://www.amazon.com/30-Amp-6-Circuit-Manual-Transfer-Switch/dp/B00X7VVVTS/ref=asc_df_B00X7VVVTS/?tag=hyprod20&linkCode=df0&hvadid=309788238907&hvpos=&hvnetw=g&hvrand=14413753645099096762&hvpone=&hvptwo=&hvqmt=&hvdev=c&hvdvcmdl=&hvlocint=&hvlocphy=1013962&hvtargid=pla-570657575965&psc=1
b) If you want to get 10-circuit,please purchase a manual transfer switch as following:
https://www.amazon.com/30-Amp-10-Circuit-Manual-Transfer-Switch/dp/B00X7WJ5EA/ref=psdc_552808_t1_B00X7VVVTS
3.2 NEMA L14-30R inlet Box
NEMA L14-30 connect to the transfer switch, plug the L14-30R of the L14 extension cord.
https://www.amazon.com/Reliance-Controls-Corporation-PB30-Generators/dp/B000BQT47S/ref=pd_bxgy_img_sccl_1/142-17071396977663?pd_rd_w=8wVnX&content-id=amzn1.sym.7757a8b5-874e-4a67-9d85-54ed32f01737&pf_rd_p=7757a8b5-874e-4a67-9d8554ed32f01737&pf_rd_r=FF4D3M7RGM6JJEM7AVJ2&pd_rd_wg=K9W0F&pd_rd_r=ef64e305-ec59-4a2c-baf7-5874507a8b5e&pd_rd_i=B000BQT47S&th=1
3.3 NEMA L14 extension cord:
If you want to get 10 FT NEMA L14 extension cord , the referenced purchase address as following
https://www.amazon.com/VOGREX-Generator-Extension-L14-30P-L14-30R/dp/B099R9YWT8/ref=sr_1_2?crid=N3G3QLMF57TD&keywords=nema%2Bl14%2Bextension&qid=1658719628&sprefix=name%2Bl14%2Bextention%2Caps%2C249&sr=8-2&th=1
3.4 BLUETTI 30A-AC-charging-cable
If you purchase two EP500 Pro to get 240V, you need to purchase one 30A AC Charging Cable for split-phase function
Purchase address: https://www.bluettipower.com/products/30a-ac-charging-cable-for-split-phase-function

3.5 BLUETTI FUSION BOX
The BLUETTI FUSION BOX as following, you could connect the FUSION BOX to the transfer switch by the L14 extension cord
https://www.amazon.com/BLUETTI-Voltage-Capacity-StationEP500Pro/dp/B0B2NQMJPH/ref=sr_1_1?crid=36JHS2J079AZ6&keywords=p030a+fusion+box&qid=1657539893&sprefix=p030a+%2Caps%2C256&sr=8-1
3.6 NEMA L14-30R outlet
The BLUETTI 30A-AC-charging-cable need plug into a L14-30R outlet for charging both EP500 pro. The referenced purchase address as following
https://www.amazon.com/Journeyman-Pro-Receptacle-Industrial-Grounding-Generator/dp/B07P8CGH52/ref=sr_1_7?crid=1WRMKA4V397S&keywords=l1430r+receptacle&qid=1657944329&s=hi&sprefix=%2Ctools%2C405&sr=1-7

More information:
Website: www.bluettipower.com
Email: [email protected]

References
BLUETTI: Portable Power Station, Solar Generator Kit
BLUETTI: Portable Power Station, Solar Generator Kit
Amazon.com: 310C Pro/Tran2 30-Amp 10-Circuit 2 Manual Transfer Switch : Patio, Lawn & Garden
Amazon.com: 306C Pro/Tran 30-Amp 6-Circuit 2 Manual Transfer Switch : Patio, Lawn & Garden
Journeyman-Pro 2710, NEMA L14-30R, 30A 125/250 Volt, Flush Mounting Locking Receptacle Socket/Outlet, Black Industrial Grade, Grounding Welding/Generator Rated 7500 Watts (1, 2710 w/SS Faceplate) - - Amazon.com
Amazon.com : Reliance Controls Generators Up to 7,500 Running Watts PB30 30-Amp NEMA 3R Power Inlet Box, Gray : Generator Cord Sets And Plugs : Patio, Lawn & Garden
30A AC Charging Cable For Split-Phase Function



















