BLUETTI AC500+B300S Modular Solar Power Station

Declaration
- The installation should be performed by a licensed electrician. Improper installation may result in death or serious injury and property damage.
- This document is provided for reference purpose ONLY and does not constitute legal advice. Please consult the local licensed electrician for details.
BLUETTI shall not be liable for any damage or injury caused by improper installation of the backup system.
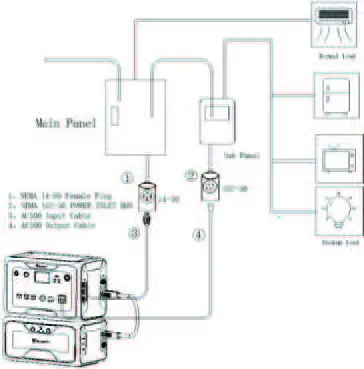
120 Volts AC500+B300S Backup System
AC500+B300S’s Machine Type is set to “Single Phase” by default. DO NOT change this setting if you are operating a single AC500+B300S set.
To build the backup system, you need the following:
| Accessories | Qty. |
| Transfer switch: Reliance TRK0505BR | 1 |
| NEMA 14-50P to SS2-50R cord | 1 |
| AC charging cable | 1 |
Refer to the diagram below for proper installation of AC500+B300S backup system.

NOTE:
- The backup system must be properly installed by a licensed electrician.
- Please check the voltage at outlets before plugging in your household appliances.
- It is a electrical schematic. For the actual wiring diagram, please refer to Reliance PRO/TRAN2 installation instructions.
240 Volts AC500+B300S Backup System
You can build the 240V Split Phase System by pairing two sets of AC500+B300S together. The system also has double the available output power and capacity. Besides TWO sets of AC500+B300S, you also need the following:
| Accessories | Qty. |
| Transfer switch: Reliance TRK0505BR | 1 |
| AC500 split-phase output cable | 1 |
| NEMA 14-50 socket | 1 |
| AC500 split phase AC charging cable | 1 |
Before installing the Reliance Controls transfer switch system, please make a emergency energy plan that includes which appliances you need during a power outage. It is highly recommended to “balance the load” between the two phases of transfer switch, that’s to say, do not connect high-wattage appliances centrally to a single AC500+B300S set.
Split Phase Backup System
Caution! The backup split phase system must be properly installed by a licensed electrician.
How to configure the AC500+B300S sets
- Step 1: Turn off both AC500+B300S sets.
- Step 2: Connect AC500+B300S sets to transfer switch via the AC500 split-phase output cable. One NEMA 14-50 plug goes to a set.
- Step 3: Connect two AC500 units via the communication cable.
- Step 4: Turn on either AC500+B300S set.
Step 5: Go to “Settings” and tap “Next”.
Step 6: Tap “Single Phase”, the machine type option pops up and select “Split phase”.
- Machine Type: Select Split Phase
Step 7: Select the “Master” in the Machine Address pop up.
Step 8: Turn on the other AC500+B300S set. Repeat step 5 and 6 to set its machine type to “Split phase”.
Step 9: Select the “Slave” in the Machine Address pop up.
If the connection fails, clear the alarm history, wait for a moment or then try again.
Please watch the video from: https://www.youtube.com/watch?v=quvcX8mEUCo
NOTE:.
- Disconnect the AC charging cables from AC500+B300S sets before connecting to the transfer switch.
- The split phase system can be controlled ONLY on the “Master” set.
- If one of the AC500+B300S sets is out of power, the split phase system fails automatically.
NOTE:
- The backup system must be properly installed by a licensed electrician.
- Please check the voltage at outlets before plugging in your household appliances.
- It is a electrical schematic. For the actual wiring diagram, please refer to Reliance PRO/TRAN2 installation instructions.
- In the main panel, two Neutral/Ground bus bars have been connected together with copper strips.
Connect the AC500+B300S sets to the main panel
Charge the 240V split phase system with AC500 split phase AC charging cable. Plug the cable to a NEMA 14-50 socket (240V )and the other two connectors into AC500s’ AC input ports.
The AC input ports should be connected to L1/N/PE and L2/N/PE, respectively. The current capacity of AC input plug shall be ≥ 50A.
WRONG CONNECTION
Warning! DO NOT charge AC500+B300S with standard AC charging cable in the split phase system, as this may cause damage to the batteries inside B300s and invalidate your warranty.
L: Live wire
N: Neutral wire
NOTE:
The split phase system supports charging via solar panels. You can charge it by PV and the AC500 split-phase AC charging cable simultaneously. (AC input only through the AC500 split-phase AC charging cable but not the standard ac charging cable )

Accessories
Transfer switch
Recommendation: Reliance Controls TRK0505BR transfer switch. https://www.bluettipower.com/collections/accessories
50A AC Charging Cable
https://www.bluettipower.com/collections/accessories

BLUETTI AC500 split-phase output cable
https://www.bluettipower.com/collections/accessories

BLUETTI AC500 split-phase AC charging cable
https://www.bluettipower.com/collections/accessories

Communication cable for split-phase function Please buy it from BLUETTI official store.
https://www.bluettipower.com/products/communication-cable-for-split

NEMA 14-50R socket
For charging the 240V AC500+B300S split phase system.
https://www.bluettipower.com/collections/accessories

NEMA 14-50P to SS2-50R extension cord
For connecting AC500+B300S to the sub panel.
https://www.bluettipower.com/collections/accessories

Circuit breaker & protection box
If you have a residential solar array with a voltage of 12V-150V, you’re strongly recommended to use a DC circuit breaker panel to enable or disable solar charging.
NOTE : If there are two solar panel arrays with a total open circuit voltage of 12-150V, you also need two 2P 16A DC circuit breakers.
Circuit breaker: https://www.amazon.com/gp/product/B07GR32KCT/ref=ppx_yo_dt_b_asin_title_o00_s00?ie=UTF8&psc=1
Protection box: https://www.amazon.com/gp/product/B07S75TV3V/ref=ppx_yo_dt_b_asin_title_o00_s00?ie=UTF8&psc=1


Solar extension cable
Recommendation: iGreely 12 AWG solar extension cable
https://www.amazon.com/gp/product/B08KZNTYP5/ref=ppx_yo_dt_b_asin_title_o00_s00?ie=UTF8&th=1
NOTE: The length of cable is based on the actual demand.
How to install Reliance Controls
Please refer to Reliance Controls website: www.reliancecontrols.com
How to install Reliance Controls ProTran2 – Part1, Tools and Planning
https://www.youtube.com/watch?v=xTqjwt6WJ7o&list=PLpYCE0n7d22iDNwpVnOF9HULSUYBBRY86
How to install Reliance Controls ProTran2 – Part2, Mounting
https://www.youtube.com/watch?v=wNbBHVHgw0Y&list=PLpYCE0n7d22iDNwpVnOF9HULSUYBBRY86&index=2
How to install Reliance Controls ProTran2 – Part3, Wiring
https://www.youtube.com/watch?v=TKruj9BpZM8&list=PLpYCE0n7d22iDNwpVnOF9HULSUYBBRY86&index=3
How to install Reliance Controls ProTran2 – Part4, Replacing
Circuit Breakers
https://www.youtube.com/watch?v=lkOuauT-YP8&list=PLpYCE0n7d22iDNwpVnOF9HULSUYBBRY86&index=4
How to install Reliance Controls ProTran2 – Part5, Installing
The Power Inlet Box
https://www.youtube.com/watch?v=0M8sYRhEVPY&list=PLpYCE0n7d22iDNwpVnOF9HULSUYBBRY86&index=5
How to install dd Controls ProTran2 – Part6, How To Operate
https://www.youtube.com/watch?v=O4GA9AK8Tmo&list=PLpYCE0n7d22iDNwpVnOF9HULSUYBBRY86&index=6
More information
Website: www.bluettipower.com
Email: [email protected]
References
BLUETTI: Portable Power Station, Solar Generator Kit
The leader in portable standby power integration - Reliance Controls Corporation
16A Low-Voltage Miniature Air Circuit Breaker,Acogedor 250V DC 2P DIN Rail Mount Miniature Circuit Breaker for Solar Panels Grid System, Wind and Solar Hybrid System and Other DC Systems(16A): Amazon.com: Tools & Home Improvement
Awclub Plastic Transparent Cover Power Distribution Protection Box IP65 ABS for Circuit Breaker Indoor on The Wall 5 Way (160mmx120mmx95mm) - - Amazon.com
Amazon.com: 10 Feet 12 AWG Solar Extension Cable with Solar Panel Female and Male Connector Solar Panel Adapter 12 Gauge (10FT Red + 10FT Black) : Patio, Lawn & Garden
Explore Solar Accessories for Your Need - BLUETTI




















