BLUETTI AC300+B300 Power Station

Thank You!
Thank you for making BLUETTI a part of your family. From the very beginning, BLUETTI has tried to stay true to a sustainable future through green energy storage solutions for both indoor and outdoor use while delivering an exceptional eco-friendly experience for our homes and our world. That’s why BLUETTI makes its presence in 70+ countries and is trusted by millions of customers across the globe

Declaration
- The installation should be performed by a licensed electrician. Improper installation may result in death or serious injury and property damage.
- This document is provided for reference purpose ONLY and does not constitute legal advice. Please consult the local licensed electrician for details.
BLUETTI shall not be liable for any damage or injury caused by improper installation of the backup system.
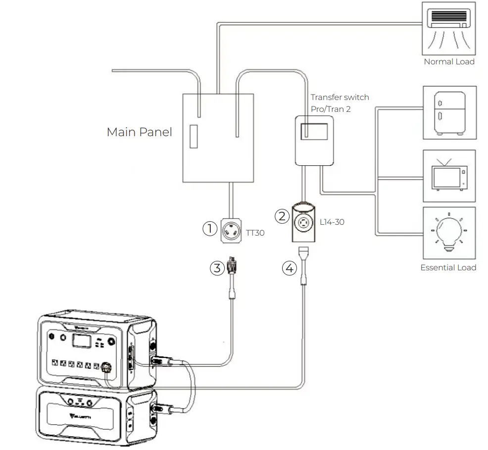
120 Volts AC300+B300 Backup System
AC300+B300’s Machine Type is set to “Single Phase” by default. DO NOT change this setting if you are operating a single AC300+B300 set. To build the backup system, you need the following:
| Accessories | Qty |
| Transfer switch: Reliance 310A Pro/Tran 2 | 1 |
| NEMA TT30-P to L14-30R extension cord | 1 |
| 30A AC charging cable | 1 |
NOTE: Please read the Reliance 310A Pro/Tran2 manual before installation.
http://www.reliancecontrols.com/Documents/PT2%20Loadside%20Installation%20 and%20Operating%20Instructions.pdf
Refer to the diagram below for proper installation of AC300+B300 backup system

NOTE:
- TT-30 Socket
- NEMA L14-30 Inlet on the transfer switch
- 30AAC Charge cable
- TT30-P to NEMA L14-30 extension cord

NOTE:
- The backup system must be properly installed by a licensed electrician.
- Please check the voltage at outlets before plugging in your household appliances.
- It is a electrical schematic. For the actual wiring diagram, please refer to Reliance PRO/TRAN2 installation instructions.
240 Volts AC300+B300 Backup System
You can build the 240V Split Phase System by pairing two sets of AC300+B300 together. The system also has double the available output power and capacity. Besides TWO sets of AC300+B300, you also need the following:
| Accessories | Qty |
| Transfer switch: Reliance 310A Pro/Tran 2 | 1 |
| AC300 split-phase output cable | 1 |
| NEMA L14-30R socket | 1 |
| AC300 30A split phase AC charging cable | 1 |
Please read the Reliance 310A Pro/Tran 2 manual before installation.
http://www.reliancecontrols.com/Documents/PT2%20Loadside%20Installation%20
and%20Operating%20Instructions.pdf Before installing the Reliance Controls transfer switch system, please make a emergency energy plan that includes which appliances you need during a power outage. It is highly recommended to “balance the load” between the two phases of transfer switch, that’s to say, do not connect high-wattage appliances centrally to a single AC300+B300 set.

NOTE:
- NEMA L14-30 Socket (Connect to AC300 Input)
- NEMA L14-30 Inlet (Connect to AC300 Output)
- 30A Split-phase AC Charging Cable
- AC300 Split-phase Output Cable
Caution! The backup split phase system must be properly installed by a licensed electrician.
How to configure the AC300+B300 sets:
Step 1: Turn off both AC300+B300 sets.
Step 2: Connect AC300+B300 sets to transfer switch via the AC300 split-phase output cable. One TT-30 plug goes to a set.
Step 3: Connect two AC300 units via the communication cable.
Step 4: Turn on either AC300+B300 set.
Step 5: Go to “Settings” and tap “Next”.
Step 6: Tap “Single Phase”, the machine type option pops up and select “Split phase”.
- Machine Type: Select Split Phase

Step 7: Select the “Master” in the Machine Address pop up.

Step 8: Turn on the other AC300+B300 set. Repeat step 5 and 6 to set its machine type to “Split phase”.
Step 9: Select the “Slave” in the Machine Address pop up.
If the connection fails, clear the alarm history and reconnect.
NOTE:
- Disconnect the AC charging cables from AC300+B300 sets before connecting to the transfer switch.
- The split phase system can be controlled ONLY on the “Master” set.
- If one of the AC300+B300 sets is out of power, the split phase system fails automatically.
NOTE:
- The backup system must be properly installed by a licensed electrician.
- Please check the voltage at outlets before plugging in your household appliances.
- It is a electrical schematic. For the actual wiring diagram, please refer to Reliance PRO/TRAN2 installation instructions.
- In the main panel, two Neutral/Ground bus bars have been connected together with copper strips.
Connect the AC300+B300 sets to the main panel
Charge the 240V split phase system with AC300 30A split phase AC charging cable.
Plug the cable to a NEMA L14-30 socket (240V )and the other two connectors into AC300s’ AC input ports.
The AC input ports should be connected to L1/N/PE and L2/N/PE, respectively. The current capacity of AC input plug shall be ≥ 30A.
WRONG CONNECTION
Warning! DO NOT charge AC300+B300 with standard AC charging cable in the split phase system, as this may cause damage to the batteries inside B300s and invalidate your warranty.
- L: Live wire N: Neutral wire

NOTE:
The split phase system supports charging via solar panels. You can charge it by PV and the AC300 30A split-phase AC charging cable simultaneously. (AC input only through the AC300 30A split-phase AC charging cable but not the standard AC charging cable)
Accessories
Transfer switch
Recommendation: Reliance Controls 310A PRO/TRAN 2 transfer switch.
https://www.bluettipower.com/ or
https://www.amazon.com/30-Amp-10-Circuit-Manual-Transfer-Optional/dp/ B00YHLCMHM/ref=sr_1_1?crid=39Q2LGVYX2BK6&keywords=310A&qid=1666357623&q u=eyJxc2MiOiIwLjAwIiwicXNhIjoiMC4wMCIsInFzcCI6IjAuMDAifQ%3D%3D&sprefix=31 0a%2Caps%2C299&sr=8-1

BLUETTI 30A AC charging cable
Please buy it from BLUETTI official store.
https://www.bluettipower.com/products/ac300-30a-ac-charging-cable

BLUETTI AC300 split-phase output cable
Please buy it from BLUETTI official store.
https://www.bluettipower.com

BLUETTI AC300 30A split-phase AC charging cable
Please buy it from BLUETTI official store.
https://www.bluettipower.com/products/30a-ac-charging-cable-for-split-phasefunction

Communication cable for split-phase function
Please buy it from BLUETTI official store.
https://www.bluettipower.com/products/communication-cable-for-splitphase-function

NEMA L14-30R socket
NEMA L14-30R socket
For charging the 240V AC300+B300 split phase system. Recommendation: Journeyman-Pro HJP 2710 NEMA L14-30R socket.
https://www.amazon.com/Journeyman-Pro-Receptacle-Industrial GroundingGenerator/dp/B07P8CGH52/ref=sr_1_7 crid=1WRMKA4V397S&keywords=l14-30r+rece ptacle&qid=1657944329&s=hi&sprefix=%2Ctools%2C405&sr=1-7

NEMA TT30-P to L14-30R extension cord
For connecting AC300+B300 to the sub panel.
Recommendation: Parkworld NEMA TT30-P to L14-30R extension Cord.
https://www.amazon.com/Parkworld-885446-L14-30R-Generator-Receptacle/
dp/B08BHVFSN7/ref=sr_1_31?crid=E1CT2MYTUF6Z&keywords=TT30-P+to+L14-
30R&qid=1669196060&sprefix=tt30-p+to+l14-30r%2Caps%2C150&sr=8-31

Circuit breaker & protection box
If you have a residential solar array with a voltage of 12V-150V, you’re strongly recommended to use a DC circuit breaker panel to enable or disable solar charging.
NOTE : If there are two solar panel arrays with a total open circuit voltage of 12-150V, you also need two 2P 16A DC circuit breakers.
Circuit breaker: https://www.amazon.com/gp/product/B07GR32KCT/ref=ppx_yo_dt_
b_asin_title_o00_s00?ie=UTF8&psc=1
Protection box: https://www.amazon.com/gp/product/B07S75TV3V/ref=ppx_yo_dt_b_
asin_title_o00_s00?ie=UTF8&psc=1


Solar extension cable
Recommendation: iGreely 12 AWG solar extension cable
https://www.amazon.com/gp/product/B08KZNTYP5/ref=ppx_yo_dt_b_asin_title_o00_
s00?ie=UTF8&th=1

How to install Reliance Controls
Please refer to Reliance Controls website: www.reliancecontrols.com
How to install Reliance Controls ProTran2 – Part1, Tools and Planning
https://www.youtube.com/watch?v=xTqjwt6WJ7o&list=PLpYCE0n7d22iDNwpVnOF9
HULSUYBBRY86
How to install Reliance Controls ProTran2 – Part2, Mounting
https://www.youtube.com/watch?v=wNbBHVHgw0Y&list=PLpYCE0n7d22iDNwpVnO
F9HULSUYBBRY86&index=2
How to install Reliance Controls ProTran2 – Part3, Wiring
https://www.youtube.com/watch?v=TKruj9BpZM8&list=PLpYCE0n7d22iDNwpVnOF9
HULSUYBBRY86&index=3
How to install Reliance Controls ProTran2 – Part4, Replacing Circuit Breakers
https://www.youtube.com/watch?v=lkOuauT-YP8&list=PLpYCE0n7d22iDNwpVnOF9
HULSUYBBRY86&index=4
How to install Reliance Controls ProTran2 – Part5, Installing
The Power Inlet Box
https://www.youtube.com/watch?v=0M8sYRhEVPY&list=PLpYCE0n7d22iDNwpVnOF
9HULSUYBBRY86&index=5
How to install dd Controls ProTran2 – Part6, How To Operate
https://www.youtube.com/watch?v=O4GA9AK8Tmo&list=PLpYCE0n7d22iDNwpVnO
F9HULSUYBBRY86&index=6
More information
- Website: www.bluettipower.com
- Email: [email protected]

References
BLUETTI: Portable Power Station, Solar Generator Kit
The leader in portable standby power integration - Reliance Controls Corporation
Error
16A Low-Voltage Miniature Air Circuit Breaker,Acogedor 250V DC 2P DIN Rail Mount Miniature Circuit Breaker for Solar Panels Grid System, Wind and Solar Hybrid System and Other DC Systems(16A): Amazon.com: Tools & Home Improvement
Awclub Plastic Transparent Cover Power Distribution Protection Box IP65 ABS for Circuit Breaker Indoor on The Wall 5 Way (160mmx120mmx95mm) - - Amazon.com
Amazon.com: 10 Feet 12 AWG Solar Extension Cable with Solar Panel Female and Male Connector Solar Panel Adapter 12 Gauge (10FT Red + 10FT Black) : Patio, Lawn & Garden
BLUETTI: Portable Power Station, Solar Generator Kit
30A AC CHARGING CABLE





















